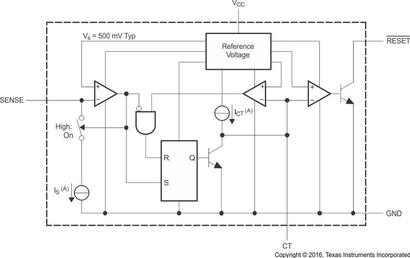
| Integrated Circuits (ICs) | 8 | Active | The TL7700 is a bipolar integrated circuit designed for use as a reset controller in microcomputer and microprocessor systems. The SENSE voltage can be set to any value greater than 0.5 V using two external resistors.
Circuit function is very stable, with supply voltage in the 1.8-V to 40-V range. Minimum supply current allows use with ac line operation, portable battery operation, and automotive applications. The TL7700 device is designed for operation from –40°C to 85°C.
The TL7700 is a bipolar integrated circuit designed for use as a reset controller in microcomputer and microprocessor systems. The SENSE voltage can be set to any value greater than 0.5 V using two external resistors.
Circuit function is very stable, with supply voltage in the 1.8-V to 40-V range. Minimum supply current allows use with ac line operation, portable battery operation, and automotive applications. The TL7700 device is designed for operation from –40°C to 85°C. |
TL7700-SEPRadiation-tolerant, 40-V adjustable voltage supervisor in a plastic package | Power Management (PMIC) | 1 | Active | The TL7700-SEP is a bipolar integrated circuit designed for use as a reset controller in microcomputer and microprocessor systems. The SENSE voltage can be set to any value greater than 0.5 V using two external resistors.
Circuit function is very stable, with supply voltage in the 1.8-V to 40-V range. Minimum supply current allows use with AC line operation and portable battery operation. The TL7700-SEP device is designed for operation from –55°C to 125°C.
The TL7700-SEP is a bipolar integrated circuit designed for use as a reset controller in microcomputer and microprocessor systems. The SENSE voltage can be set to any value greater than 0.5 V using two external resistors.
Circuit function is very stable, with supply voltage in the 1.8-V to 40-V range. Minimum supply current allows use with AC line operation and portable battery operation. The TL7700-SEP device is designed for operation from –55°C to 125°C. |
TL7702ASingle-channel voltage supervisor with programmable UV threshold & reset-time delay | Power Management (PMIC) | 11 | Active | The TL77xxA family of integrated-circuit supply-voltage supervisors is designed specifically for use as reset controllers in microcomputer and microprocessor systems. The supply-voltage supervisor monitors the supply for undervoltage conditions at the SENSE input. During power up, theRESEToutput becomes active (low) when VCCattains a value approaching 3.6 V. At this point (assuming that SENSE is above VIT+), the delay timer function activates a time delay, after which outputsRESETand RESET go inactive (high and low, respectively). When an undervoltage condition occurs during normal operation,RESETand RESET go active.
The TL77xxA family of integrated-circuit supply-voltage supervisors is designed specifically for use as reset controllers in microcomputer and microprocessor systems. The supply-voltage supervisor monitors the supply for undervoltage conditions at the SENSE input. During power up, theRESEToutput becomes active (low) when VCCattains a value approaching 3.6 V. At this point (assuming that SENSE is above VIT+), the delay timer function activates a time delay, after which outputsRESETand RESET go inactive (high and low, respectively). When an undervoltage condition occurs during normal operation,RESETand RESET go active. |
TL7705B5-V single-supply voltage supervisor with programmable delay time | Power Management (PMIC) | 21 | Active | The TL77xxA family of integrated-circuit supply-voltage supervisors is designed specifically for use as reset controllers in microcomputer and microprocessor systems. The supply-voltage supervisor monitors the supply for undervoltage conditions at the SENSE input. During power up, theRESEToutput becomes active (low) when VCCattains a value approaching 3.6 V. At this point (assuming that SENSE is above VIT+), the delay timer function activates a time delay, after which outputsRESETand RESET go inactive (high and low, respectively). When an undervoltage condition occurs during normal operation,RESETand RESET go active.
The TL77xxA family of integrated-circuit supply-voltage supervisors is designed specifically for use as reset controllers in microcomputer and microprocessor systems. The supply-voltage supervisor monitors the supply for undervoltage conditions at the SENSE input. During power up, theRESEToutput becomes active (low) when VCCattains a value approaching 3.6 V. At this point (assuming that SENSE is above VIT+), the delay timer function activates a time delay, after which outputsRESETand RESET go inactive (high and low, respectively). When an undervoltage condition occurs during normal operation,RESETand RESET go active. |
TL7709ASingle-supply supervisor for 9-V systems with programmable delay time | PMIC | 3 | Active | The TL77xxA family of integrated-circuit supply-voltage supervisors is designed specifically for use as reset controllers in microcomputer and microprocessor systems. The supply-voltage supervisor monitors the supply for undervoltage conditions at the SENSE input. During power up, theRESEToutput becomes active (low) when VCCattains a value approaching 3.6 V. At this point (assuming that SENSE is above VIT+), the delay timer function activates a time delay, after which outputsRESETand RESET go inactive (high and low, respectively). When an undervoltage condition occurs during normal operation,RESETand RESET go active.
The TL77xxA family of integrated-circuit supply-voltage supervisors is designed specifically for use as reset controllers in microcomputer and microprocessor systems. The supply-voltage supervisor monitors the supply for undervoltage conditions at the SENSE input. During power up, theRESEToutput becomes active (low) when VCCattains a value approaching 3.6 V. At this point (assuming that SENSE is above VIT+), the delay timer function activates a time delay, after which outputsRESETand RESET go inactive (high and low, respectively). When an undervoltage condition occurs during normal operation,RESETand RESET go active. |
TL7712ASingle-supply supervisor for 12-V systems with programmable delay time | Power Management (PMIC) | 4 | Active | The TL77xxA family of integrated-circuit supply-voltage supervisors is designed specifically for use as reset controllers in microcomputer and microprocessor systems. The supply-voltage supervisor monitors the supply for undervoltage conditions at the SENSE input. During power up, theRESEToutput becomes active (low) when VCCattains a value approaching 3.6 V. At this point (assuming that SENSE is above VIT+), the delay timer function activates a time delay, after which outputsRESETand RESET go inactive (high and low, respectively). When an undervoltage condition occurs during normal operation,RESETand RESET go active.
The TL77xxA family of integrated-circuit supply-voltage supervisors is designed specifically for use as reset controllers in microcomputer and microprocessor systems. The supply-voltage supervisor monitors the supply for undervoltage conditions at the SENSE input. During power up, theRESEToutput becomes active (low) when VCCattains a value approaching 3.6 V. At this point (assuming that SENSE is above VIT+), the delay timer function activates a time delay, after which outputsRESETand RESET go inactive (high and low, respectively). When an undervoltage condition occurs during normal operation,RESETand RESET go active. |
TL7715ASingle-supply supervisor for 15-V systems with programmable delay time | Power Management (PMIC) | 2 | Active | The TL77xxA family of integrated-circuit supply-voltage supervisors is designed specifically for use as reset controllers in microcomputer and microprocessor systems. The supply-voltage supervisor monitors the supply for undervoltage conditions at the SENSE input. During power up, theRESEToutput becomes active (low) when VCCattains a value approaching 3.6 V. At this point (assuming that SENSE is above VIT+), the delay timer function activates a time delay, after which outputsRESETand RESET go inactive (high and low, respectively). When an undervoltage condition occurs during normal operation,RESETand RESET go active.
The TL77xxA family of integrated-circuit supply-voltage supervisors is designed specifically for use as reset controllers in microcomputer and microprocessor systems. The supply-voltage supervisor monitors the supply for undervoltage conditions at the SENSE input. During power up, theRESEToutput becomes active (low) when VCCattains a value approaching 3.6 V. At this point (assuming that SENSE is above VIT+), the delay timer function activates a time delay, after which outputsRESETand RESET go inactive (high and low, respectively). When an undervoltage condition occurs during normal operation,RESETand RESET go active. |
| Mixed Technology | 7 | Active | The TL7726 consists of six identical clamping circuits that monitor an input voltage with respect to a reference value, REF. For an input voltage (VI) in the range of GND to < REF, the clamping circuits present a very high impedance to ground, drawing current of less than 10 uA. The clamping circuits are active for VI< GND or VI> REF when they have a very low impedance and can sink up to 25 mA.
These characteristics make the TL7726 ideal as protection devices for CMOS semiconductor devices in environments where there are large positive or negative transients to protect analog-to-digital converters in automotive or industrial systems. The use of clamping circuits provides a safeguard against potential latch-up.
The TL7726C is characterized for operation over the temperature range of 0°C to 70°C. The TL7726I is characterized for operation over the temperature range of -40°C to 85°C. The TL7726Q is characterized for operation over the temperature range of -40°C to 125°C.
The TL7726 consists of six identical clamping circuits that monitor an input voltage with respect to a reference value, REF. For an input voltage (VI) in the range of GND to < REF, the clamping circuits present a very high impedance to ground, drawing current of less than 10 uA. The clamping circuits are active for VI< GND or VI> REF when they have a very low impedance and can sink up to 25 mA.
These characteristics make the TL7726 ideal as protection devices for CMOS semiconductor devices in environments where there are large positive or negative transients to protect analog-to-digital converters in automotive or industrial systems. The use of clamping circuits provides a safeguard against potential latch-up.
The TL7726C is characterized for operation over the temperature range of 0°C to 70°C. The TL7726I is characterized for operation over the temperature range of -40°C to 85°C. The TL7726Q is characterized for operation over the temperature range of -40°C to 125°C. |
TL7733BSingle-supply voltage supervisor | Integrated Circuits (ICs) | 5 | Active | The TL7702B, TL7705B, and TL7733B are integrated-circuit supply-voltage supervisors designed for use as reset controllers in microcomputer and microprocessor systems. The supply-voltage supervisor monitors the supply for undervoltage conditions at the SENSE input. When an undervoltage condition occurs during normal operation, outputsRESETand RESET go active.
The TL7702BC, TL7705BC, and TL7733BC are characterized for operation from 0°C to 70°C. The TL7702BI, TL7705BI, and TL7733BI are characterized for operation from –40°C to 85°C. The TL7705BQ is characterized for operation from –40°C to 125°C.
The TL7702B, TL7705B, and TL7733B are integrated-circuit supply-voltage supervisors designed for use as reset controllers in microcomputer and microprocessor systems. The supply-voltage supervisor monitors the supply for undervoltage conditions at the SENSE input. When an undervoltage condition occurs during normal operation, outputsRESETand RESET go active.
The TL7702BC, TL7705BC, and TL7733BC are characterized for operation from 0°C to 70°C. The TL7702BI, TL7705BI, and TL7733BI are characterized for operation from –40°C to 85°C. The TL7705BQ is characterized for operation from –40°C to 125°C. |
TL7757Supply-voltage supervisor & precision voltage detector | Integrated Circuits (ICs) | 12 | Active | The TL7757 is a supply-voltage supervisor designed for use in microcomputer and microprocessor systems. The supervisor monitors the supply voltage for undervoltage conditions. During power up, when the supply voltage, VCC, attains a value approaching 1 V, the RESET\ output becomes active (low) to prevent undefined operation. If the supply voltage drops below threshold voltage level (VIT–), the RESET\ output goes to the active (low) level until the supply undervoltage fault condition is eliminated.
The TL7757 is a supply-voltage supervisor designed for use in microcomputer and microprocessor systems. The supervisor monitors the supply voltage for undervoltage conditions. During power up, when the supply voltage, VCC, attains a value approaching 1 V, the RESET\ output becomes active (low) to prevent undefined operation. If the supply voltage drops below threshold voltage level (VIT–), the RESET\ output goes to the active (low) level until the supply undervoltage fault condition is eliminated. |