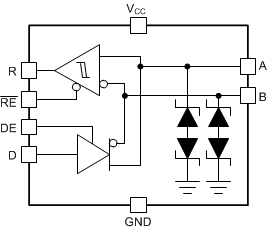
THVD1449V12-Mbps RS-485 transceiver with integrated 4-kV IEC surge protection and 1.65-V to 5.5-V IO support | Integrated Circuits (ICs) | 1 | Active | THVD14x9(V) devices are half-duplex RS-485 transceivers with integrated surge protection. Surge protection is achieved by integrating transient voltage suppressor (TVS) diodes in the standard 8-pin SOIC (D) package. This feature increases the reliability by providing better immunity to noise transients coupled to the data cable which eliminates the need for external protection components.
THVD1439 and THVD1449 operate from a single 3.3-V or 5-V supply. The THVD1439V and THVD1449V devices support an additional VIOsupply to operate the IOs from as low as 1.65 V supply level. The devices in this family feature a wide common-mode voltage range making them suitable for multi-point applications over long cable runs.
THVD14x9(V) devices are half-duplex RS-485 transceivers with integrated surge protection. Surge protection is achieved by integrating transient voltage suppressor (TVS) diodes in the standard 8-pin SOIC (D) package. This feature increases the reliability by providing better immunity to noise transients coupled to the data cable which eliminates the need for external protection components.
THVD1439 and THVD1449 operate from a single 3.3-V or 5-V supply. The THVD1439V and THVD1449V devices support an additional VIOsupply to operate the IOs from as low as 1.65 V supply level. The devices in this family feature a wide common-mode voltage range making them suitable for multi-point applications over long cable runs. |
THVD14503.3-V to 5-V RS-485 transceiver with ±18-kV IEC ESD protection | Interface | 3 | Active | THVD14xx is a family of noise-immune RS-485/RS- 422 transceivers designed to operate in rugged industrial environments. The bus pins of these devices are robust to high levels of IEC electrical fast transients (EFT) and IEC electrostatic discharge (ESD) events, eliminating the need for additional system level protection components.
Each of these devices operates from a single supply between 3 V and 5.5 V. The devices in this family feature an extended common-mode voltage range which makes them suitable for multi-point applications over long cable runs.
THVD14xx family of devices is available in small VSON and VSSOP packages for space constrained applications. These devices are characterized over ambient free-air temperatures from –40°C to 125°C.
THVD14xx is a family of noise-immune RS-485/RS- 422 transceivers designed to operate in rugged industrial environments. The bus pins of these devices are robust to high levels of IEC electrical fast transients (EFT) and IEC electrostatic discharge (ESD) events, eliminating the need for additional system level protection components.
Each of these devices operates from a single supply between 3 V and 5.5 V. The devices in this family feature an extended common-mode voltage range which makes them suitable for multi-point applications over long cable runs.
THVD14xx family of devices is available in small VSON and VSSOP packages for space constrained applications. These devices are characterized over ambient free-air temperatures from –40°C to 125°C. |
THVD14513.3-V to 5-V RS-485 transceiver with ±18-kV IEC ESD protection | Integrated Circuits (ICs) | 3 | Active | THVD14xx is a family of noise-immune RS-485/RS- 422 transceivers designed to operate in rugged industrial environments. The bus pins of these devices are robust to high levels of IEC electrical fast transients (EFT) and IEC electrostatic discharge (ESD) events, eliminating the need for additional system level protection components.
Each of these devices operates from a single supply between 3 V and 5.5 V. The devices in this family feature an extended common-mode voltage range which makes them suitable for multi-point applications over long cable runs.
THVD14xx family of devices is available in small VSON and VSSOP packages for space constrained applications. These devices are characterized over ambient free-air temperatures from –40°C to 125°C.
THVD14xx is a family of noise-immune RS-485/RS- 422 transceivers designed to operate in rugged industrial environments. The bus pins of these devices are robust to high levels of IEC electrical fast transients (EFT) and IEC electrostatic discharge (ESD) events, eliminating the need for additional system level protection components.
Each of these devices operates from a single supply between 3 V and 5.5 V. The devices in this family feature an extended common-mode voltage range which makes them suitable for multi-point applications over long cable runs.
THVD14xx family of devices is available in small VSON and VSSOP packages for space constrained applications. These devices are characterized over ambient free-air temperatures from –40°C to 125°C. |
THVD14523.3-V to 5-V RS-485 transceiver with ±18-kV IEC ESD protection | Interface | 3 | Active | THVD14xx is a family of noise-immune RS-485/RS- 422 transceivers designed to operate in rugged industrial environments. The bus pins of these devices are robust to high levels of IEC electrical fast transients (EFT) and IEC electrostatic discharge (ESD) events, eliminating the need for additional system level protection components.
Each of these devices operates from a single supply between 3 V and 5.5 V. The devices in this family feature an extended common-mode voltage range which makes them suitable for multi-point applications over long cable runs.
THVD14xx family of devices is available in small VSON and VSSOP packages for space constrained applications. These devices are characterized over ambient free-air temperatures from –40°C to 125°C.
THVD14xx is a family of noise-immune RS-485/RS- 422 transceivers designed to operate in rugged industrial environments. The bus pins of these devices are robust to high levels of IEC electrical fast transients (EFT) and IEC electrostatic discharge (ESD) events, eliminating the need for additional system level protection components.
Each of these devices operates from a single supply between 3 V and 5.5 V. The devices in this family feature an extended common-mode voltage range which makes them suitable for multi-point applications over long cable runs.
THVD14xx family of devices is available in small VSON and VSSOP packages for space constrained applications. These devices are characterized over ambient free-air temperatures from –40°C to 125°C. |
| Interface | 2 | Active | |
THVD15005-V RS-485 transceiver up to 500 kbps with ±8-kV IEC ESD protection | Interface | 1 | Active | THVD1500 is a robust half-duplex RS-485 transceiver for industrial applications. The bus pins are immune to high levels of IEC Contact Discharge ESD events eliminating need of additional system level protection components.
The device operates from a single 5-V supply. The wide common-mode voltage range and low input leakage on bus pins make THVD1500 suitable for multi-point applications over long cable runs.
THVD1500 is available in industry standard 8-pin SOIC package for drop-in compatibility. The device is characterized from –40°C to 125°C.
THVD1500 is a robust half-duplex RS-485 transceiver for industrial applications. The bus pins are immune to high levels of IEC Contact Discharge ESD events eliminating need of additional system level protection components.
The device operates from a single 5-V supply. The wide common-mode voltage range and low input leakage on bus pins make THVD1500 suitable for multi-point applications over long cable runs.
THVD1500 is available in industry standard 8-pin SOIC package for drop-in compatibility. The device is characterized from –40°C to 125°C. |
THVD15105V RS-485 Transceivers With ±18kV IEC ESD Protection | Integrated Circuits (ICs) | 3 | Active | THVD15xx is a family of noise-immune RS-485/RS-422 transceivers designed to operate in rugged industrial environments. The bus pins of these devices are robust to high levels of IEC electrical fast transients (EFT) and IEC electrostatic discharge (ESD) events, eliminating the need for additional system-level protection components.
Each of these devices operates from a single 5-V supply. The devices in this family feature an extended common-mode voltage range which makes them suitable for multi-point applications over long cable runs.
THVD15xx family of devices is available in small VSSOP packages for space-constrained applications. These devices are characterized over ambient free-air temperatures from –40°C to 125°C.
THVD15xx is a family of noise-immune RS-485/RS-422 transceivers designed to operate in rugged industrial environments. The bus pins of these devices are robust to high levels of IEC electrical fast transients (EFT) and IEC electrostatic discharge (ESD) events, eliminating the need for additional system-level protection components.
Each of these devices operates from a single 5-V supply. The devices in this family feature an extended common-mode voltage range which makes them suitable for multi-point applications over long cable runs.
THVD15xx family of devices is available in small VSSOP packages for space-constrained applications. These devices are characterized over ambient free-air temperatures from –40°C to 125°C. |
THVD15125V RS-485 Transceivers With ±18kV IEC ESD Protection | Integrated Circuits (ICs) | 1 | Active | THVD15xx is a family of noise-immune RS-485/RS-422 transceivers designed to operate in rugged industrial environments. The bus pins of these devices are robust to high levels of IEC electrical fast transients (EFT) and IEC electrostatic discharge (ESD) events, eliminating the need for additional system-level protection components.
Each of these devices operates from a single 5-V supply. The devices in this family feature an extended common-mode voltage range which makes them suitable for multi-point applications over long cable runs.
THVD15xx family of devices is available in small VSSOP packages for space-constrained applications. These devices are characterized over ambient free-air temperatures from –40°C to 125°C.
THVD15xx is a family of noise-immune RS-485/RS-422 transceivers designed to operate in rugged industrial environments. The bus pins of these devices are robust to high levels of IEC electrical fast transients (EFT) and IEC electrostatic discharge (ESD) events, eliminating the need for additional system-level protection components.
Each of these devices operates from a single 5-V supply. The devices in this family feature an extended common-mode voltage range which makes them suitable for multi-point applications over long cable runs.
THVD15xx family of devices is available in small VSSOP packages for space-constrained applications. These devices are characterized over ambient free-air temperatures from –40°C to 125°C. |
THVD15205-V RS-485 transceiver up to 10 Mbps with ±8-kV IEC ESD protection | Drivers, Receivers, Transceivers | 1 | Active | THVD1520 is a robust half-duplex RS-485 transceiver for industrial applications. The bus pins are immune to high levels of IEC contact discharge ESD events eliminating the need of additional system-level protection components.
The device operates from a single 5-V supply. The wide common-mode voltage range and low input leakage on bus pins make THVD1520 suitable for multi-point applications over long cable runs.
THVD1520 is available in industry standard 8-pin SOIC package for drop-in compatibility. The device is characterized for ambient temperatures from –40°C to 125°C.
THVD1520 is a robust half-duplex RS-485 transceiver for industrial applications. The bus pins are immune to high levels of IEC contact discharge ESD events eliminating the need of additional system-level protection components.
The device operates from a single 5-V supply. The wide common-mode voltage range and low input leakage on bus pins make THVD1520 suitable for multi-point applications over long cable runs.
THVD1520 is available in industry standard 8-pin SOIC package for drop-in compatibility. The device is characterized for ambient temperatures from –40°C to 125°C. |
THVD15505-V RS-485 transceiver with ±18-kV IEC ESD protection | Interface | 4 | Active | THVD15xx is a family of noise-immune RS-485/RS-422 transceivers designed to operate in rugged industrial environments. The bus pins of these devices are robust to high levels of IEC electrical fast transients (EFT) and IEC electrostatic discharge (ESD) events, eliminating the need for additional system-level protection components.
Each of these devices operates from a single 5-V supply. The devices in this family feature an extended common-mode voltage range which makes them suitable for multi-point applications over long cable runs.
THVD15xx family of devices is available in small VSSOP packages for space-constrained applications. These devices are characterized over ambient free-air temperatures from –40°C to 125°C.
THVD15xx is a family of noise-immune RS-485/RS-422 transceivers designed to operate in rugged industrial environments. The bus pins of these devices are robust to high levels of IEC electrical fast transients (EFT) and IEC electrostatic discharge (ESD) events, eliminating the need for additional system-level protection components.
Each of these devices operates from a single 5-V supply. The devices in this family feature an extended common-mode voltage range which makes them suitable for multi-point applications over long cable runs.
THVD15xx family of devices is available in small VSSOP packages for space-constrained applications. These devices are characterized over ambient free-air temperatures from –40°C to 125°C. |