T
Texas Instruments
| Series | Category | # Parts | Status | Description |
|---|---|---|---|---|
| Part | Spec A | Spec B | Spec C | Spec D | Description |
|---|---|---|---|---|---|
| Series | Category | # Parts | Status | Description |
|---|---|---|---|---|
| Part | Spec A | Spec B | Spec C | Spec D | Description |
|---|---|---|---|---|---|
| Series | Category | # Parts | Status | Description |
|---|---|---|---|---|
| Integrated Circuits (ICs) | 2 | Active | ||
| Integrated Circuits (ICs) | 1 | Obsolete | ||
| Integrated Circuits (ICs) | 2 | Obsolete | ||
| Data Acquisition | 2 | Obsolete | ||
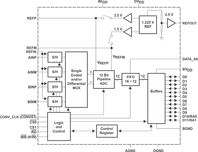
THS1206-EP12-Bit, 6 MSPS ADC Quad Ch. (Config.), DSP/uP IF, Integ. 16x FIFO, Channel AutoScan, Low Power | Analog to Digital Converters (ADCs) Evaluation Boards | 8 | Active | The THS1206 is a CMOS, low-power, 12-bit, 6 MSPS analog-to-digital converter (ADC). The speed, resolution, bandwidth, and single-supply operation are suited for applications in radar, imaging, high-speed acquisition, and communications. A multistage pipelined architecture with output error correction logic provides for no missing codes over the full operating temperature range. Internal control registers are used to program the ADC into the desired mode. The THS1206 consists of four analog inputs, which are sampled simultaneously. These inputs can be selected individually and configured to single-ended or differential inputs. An integrated 16 word deep FIFO allows the storage of data in order to take the load off of the processor connected to the ADC. Internal reference voltages for the ADC (1.5 V and 3.5 V) are provided.
An external reference can also be chosen to suit the dc accuracy and temperature drift requirements of the application. Two different conversion modes can be selected. In single conversion mode, a single and simultaneous conversion of up to four inputs can be initiated by using the single conversion start signal (CONVST)\. The conversion clock in single conversion mode is generated internally using a clock oscillator circuit. In continuous conversion mode, an external clock signal is applied to the CONV_CLK input of the THS1206. The internal clock oscillator is switched off in continuous conversion mode.
The THS1206C is characterized for operation from 0°C to 70°C, the THS1206I is characterized for operation from –40°C to 85°C, the THS1206Q is characterized to meet the rigorous requirements of the automotive environment from –40°C to 125°C, and the THS1206M is characterized for operation over the full military temperature range of –55°C to 125°C.
The THS1206 is a CMOS, low-power, 12-bit, 6 MSPS analog-to-digital converter (ADC). The speed, resolution, bandwidth, and single-supply operation are suited for applications in radar, imaging, high-speed acquisition, and communications. A multistage pipelined architecture with output error correction logic provides for no missing codes over the full operating temperature range. Internal control registers are used to program the ADC into the desired mode. The THS1206 consists of four analog inputs, which are sampled simultaneously. These inputs can be selected individually and configured to single-ended or differential inputs. An integrated 16 word deep FIFO allows the storage of data in order to take the load off of the processor connected to the ADC. Internal reference voltages for the ADC (1.5 V and 3.5 V) are provided.
An external reference can also be chosen to suit the dc accuracy and temperature drift requirements of the application. Two different conversion modes can be selected. In single conversion mode, a single and simultaneous conversion of up to four inputs can be initiated by using the single conversion start signal (CONVST)\. The conversion clock in single conversion mode is generated internally using a clock oscillator circuit. In continuous conversion mode, an external clock signal is applied to the CONV_CLK input of the THS1206. The internal clock oscillator is switched off in continuous conversion mode.
The THS1206C is characterized for operation from 0°C to 70°C, the THS1206I is characterized for operation from –40°C to 85°C, the THS1206Q is characterized to meet the rigorous requirements of the automotive environment from –40°C to 125°C, and the THS1206M is characterized for operation over the full military temperature range of –55°C to 125°C. |
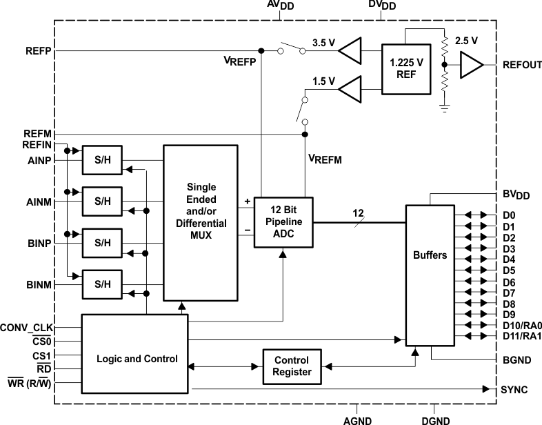
THS120712-Bit, 6 MSPS Simultaneous Sampling Quad Channel ADC; Includes Parallel DSP/uP I/F & Ch. Auto-Scan | Integrated Circuits (ICs) | 1 | Active | The THS1207 is a CMOS, low-power, 12-bit, 6 MSPS analog-to-digital converter (ADC). The speed, resolution, bandwidth, and single-supply operation are suited for applications in radar, imaging, high-speed acquisition, and communications. A multistage pipelined architecture with output error correction logic provides for no missing codes over the full operating temperature range. Internal control registers are used to program the ADC into the desired mode. The THS1207 consists of four analog inputs, which are sampled simultaneously. These inputs can be selected individually and configured to single-ended or differential-inputs. Internal reference voltages for the ADC (1.5 V and 3.5 V) are provided. An external reference can also be chosen to suit the dc accuracy and temperature drift requirements of the application.
The THS1207C is characterized for operation from 0°C to 70°C, the THS1207I is characterized for operation from –40°C to 85°C.
The THS1207 is a CMOS, low-power, 12-bit, 6 MSPS analog-to-digital converter (ADC). The speed, resolution, bandwidth, and single-supply operation are suited for applications in radar, imaging, high-speed acquisition, and communications. A multistage pipelined architecture with output error correction logic provides for no missing codes over the full operating temperature range. Internal control registers are used to program the ADC into the desired mode. The THS1207 consists of four analog inputs, which are sampled simultaneously. These inputs can be selected individually and configured to single-ended or differential-inputs. Internal reference voltages for the ADC (1.5 V and 3.5 V) are provided. An external reference can also be chosen to suit the dc accuracy and temperature drift requirements of the application.
The THS1207C is characterized for operation from 0°C to 70°C, the THS1207I is characterized for operation from –40°C to 85°C. |
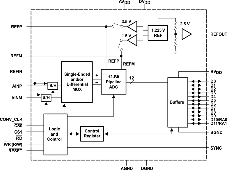
THS1208212 Bit, 8 MSPS ADC with Dual Ch., DSP/uP Interface, 16X FIFO, Channel Autoscan, Low Power | Integrated Circuits (ICs) | 3 | Active | The THS12082 is a CMOS, low-power, 12-bit, 8 MSPS analog-to-digital converter (ADC). The speed, resolution, bandwidth, and single-supply operation are suited for applications in radar, imaging, high-speed acquisition, and communications. A multistage pipelined architecture with output error correction logic provides for no missing codes over the full operating temperature range. Internal control registers allow for programming the ADC into the desired mode. The THS12082 consists of two analog inputs, which are sampled simultaneously. These inputs can be selected individually and configured to single-ended or differential inputs. An integrated 16 word deep FIFO allows the storage of data in order to take the load off of the processor connected to the ADC. Internal reference voltages for the ADC (1.5 V and 3.5 V) are provided.
An external reference can also be chosen to suit the dc accuracy and temperature drift requirements of the application. Two different conversion modes can be selected. In the single conversion mode, a single and simultaneous conversion can be initiated by using the single conversion start signal (CONVST)\. The conversion clock in the single conversion mode is generated internally using a clock oscillator circuit. In the continuous conversion mode, an external clock signal is applied to the CONV_CLK input of the THS12082. The internal clock oscillator is switched off in the continuous conversion mode.
The THS12082C is characterized for operation from 0°C to 70°C, and the THS12082I is characterized for operation from –40°C to 85°C.
The THS12082 is a CMOS, low-power, 12-bit, 8 MSPS analog-to-digital converter (ADC). The speed, resolution, bandwidth, and single-supply operation are suited for applications in radar, imaging, high-speed acquisition, and communications. A multistage pipelined architecture with output error correction logic provides for no missing codes over the full operating temperature range. Internal control registers allow for programming the ADC into the desired mode. The THS12082 consists of two analog inputs, which are sampled simultaneously. These inputs can be selected individually and configured to single-ended or differential inputs. An integrated 16 word deep FIFO allows the storage of data in order to take the load off of the processor connected to the ADC. Internal reference voltages for the ADC (1.5 V and 3.5 V) are provided.
An external reference can also be chosen to suit the dc accuracy and temperature drift requirements of the application. Two different conversion modes can be selected. In the single conversion mode, a single and simultaneous conversion can be initiated by using the single conversion start signal (CONVST)\. The conversion clock in the single conversion mode is generated internally using a clock oscillator circuit. In the continuous conversion mode, an external clock signal is applied to the CONV_CLK input of the THS12082. The internal clock oscillator is switched off in the continuous conversion mode.
The THS12082C is characterized for operation from 0°C to 70°C, and the THS12082I is characterized for operation from –40°C to 85°C. |
THS120912 Bit, 8 MSPS ADC Dual Ch., DSP/uP Interface, Channel Autoscan, Low Power | Data Acquisition | 1 | Active | The THS1209 is a CMOS, low-power, 12-bit, 8 MSPS analog-to-digital converter (ADC). The speed, resolution, bandwidth, and single-supply operation are suited for applications in radar, imaging, high-speed acquisition, and communications. A multistage pipelined architecture with output error correction logic provides for no missing codes over the full operating temperature range. Internal control registers allow for programming the ADC into the desired mode. The THS1209 consists of two analog inputs, which are sampled simultaneously. These inputs can be selected individually and configured to single-ended or differential inputs. Internal reference voltages for the ADC (1.5 V and 3.5 V) are provided. An external reference can also be chosen to suit the dc accuracy and temperature drift requirements of the application.
The THS1209C is characterized for operation from 0°C to 70°C, and the THS1209I is characterized for operation from –40°C to 85°C.
The THS1209 is a CMOS, low-power, 12-bit, 8 MSPS analog-to-digital converter (ADC). The speed, resolution, bandwidth, and single-supply operation are suited for applications in radar, imaging, high-speed acquisition, and communications. A multistage pipelined architecture with output error correction logic provides for no missing codes over the full operating temperature range. Internal control registers allow for programming the ADC into the desired mode. The THS1209 consists of two analog inputs, which are sampled simultaneously. These inputs can be selected individually and configured to single-ended or differential inputs. Internal reference voltages for the ADC (1.5 V and 3.5 V) are provided. An external reference can also be chosen to suit the dc accuracy and temperature drift requirements of the application.
The THS1209C is characterized for operation from 0°C to 70°C, and the THS1209I is characterized for operation from –40°C to 85°C. |
| Analog to Digital Converters (ADC) | 4 | Obsolete | ||
| Integrated Circuits (ICs) | 4 | Obsolete | ||
| Part | Category | Description |
|---|---|---|
Texas Instruments | Integrated Circuits (ICs) | BUS DRIVER, BCT/FBT SERIES |
Texas Instruments | Integrated Circuits (ICs) | 12BIT 3.3V~3.6V 210MHZ PARALLEL VQFN-48-EP(7X7) ANALOG TO DIGITAL CONVERTERS (ADC) ROHS |
Texas Instruments | Integrated Circuits (ICs) | TMX320DRE311 179PIN UBGA 200MHZ |
Texas Instruments TPS61040DRVTG4Unknown | Integrated Circuits (ICs) | IC LED DRV RGLTR PWM 350MA 6WSON |
Texas Instruments LP3876ET-2.5Obsolete | Integrated Circuits (ICs) | IC REG LINEAR 2.5V 3A TO220-5 |
Texas Instruments LMS1585ACSX-ADJObsolete | Integrated Circuits (ICs) | IC REG LIN POS ADJ 5A DDPAK |
Texas Instruments INA111APG4Obsolete | Integrated Circuits (ICs) | IC INST AMP 1 CIRCUIT 8DIP |
Texas Instruments | Integrated Circuits (ICs) | AUTOMOTIVE, QUAD 36V 1.2MHZ OPERATIONAL AMPLIFIER |
Texas Instruments OPA340NA/3KG4Unknown | Integrated Circuits (ICs) | IC OPAMP GP 1 CIRCUIT SOT23-5 |
Texas Instruments PT5112AObsolete | Power Supplies - Board Mount | DC DC CONVERTER 8V 8W |