| Integrated Circuits (ICs) | 2 | Obsolete | |
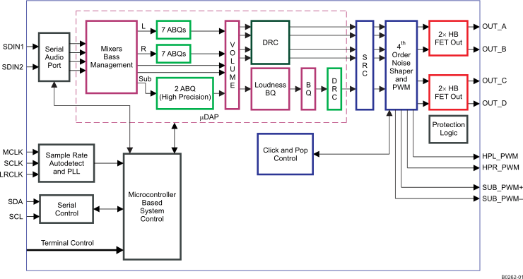
TAS570520-W stereo, 8- to 23-V supply, digital input, open loop Class-D audio amplifier w/ speaker EQ & DRC | Linear | 1 | Active | The TAS5705 is a 20-W, efficient, digital audio power amplifier for driving stereo bridge-tied speakers. Two serial data inputs allow processing of up to four discrete audio channels and seamless integration to most digital audio processors and MPEG decoders. The device accepts a wide range of input data and clock rates. A fully programmable data path allows these channels to be routed to the internal speaker drivers or output via the line-level subwoofer or headphone PWM outputs.
The TAS5705 is a slave-only device receiving clocks from external sources. The TAS5705 operates at a 384-kHz switching rate for 32-, 48-, 96-,and 192-kHz data and 352.8-kHz switching rate for 44.1-, 88.2- and 176.4-kHz data. The 8× oversampling combined with the fourth-order noise shaper provides a flat noise floor and excellent dynamic range from 20 Hz to 20 kHz.
The TAS5705 is a 20-W, efficient, digital audio power amplifier for driving stereo bridge-tied speakers. Two serial data inputs allow processing of up to four discrete audio channels and seamless integration to most digital audio processors and MPEG decoders. The device accepts a wide range of input data and clock rates. A fully programmable data path allows these channels to be routed to the internal speaker drivers or output via the line-level subwoofer or headphone PWM outputs.
The TAS5705 is a slave-only device receiving clocks from external sources. The TAS5705 operates at a 384-kHz switching rate for 32-, 48-, 96-,and 192-kHz data and 352.8-kHz switching rate for 44.1-, 88.2- and 176.4-kHz data. The 8× oversampling combined with the fourth-order noise shaper provides a flat noise floor and excellent dynamic range from 20 Hz to 20 kHz. |
TAS5706A20-W stereo, 10- to 26-V, digital input, Class-D audio amplifier w/ speaker EQ & DRC, SE output | Integrated Circuits (ICs) | 4 | Active | The TAS5706A/B is a 20-W, efficient, digital audio power amplifier for driving stereo bridged-tied speakers. Two serial data inputs allow processing of up to four discrete audio channels and seamless integration to most digital audio processors and MPEG decoders, accepting a wide range of input data and clock rates. A fully programmable data path allows these channels to be routed to the internal speaker drivers or output via the subwoofer or headphone PWM outputs.
The TAS5706A/B is a slave-only device receiving all clocks from external sources. The TAS5706A/B operates at a 384-kHz switching rate for 32-, 48-, 96-, and 192-kHz data, and at a 352.8 kHz switching rate for 44.1-, 88.2-, and 176.4-kHz data. The 8× oversampling combined with the fourth-order noise shaper provides a flat noise floor and excellent dynamic range from 20 Hz to 20 kHz.
The TAS5706A/B is a 20-W, efficient, digital audio power amplifier for driving stereo bridged-tied speakers. Two serial data inputs allow processing of up to four discrete audio channels and seamless integration to most digital audio processors and MPEG decoders, accepting a wide range of input data and clock rates. A fully programmable data path allows these channels to be routed to the internal speaker drivers or output via the subwoofer or headphone PWM outputs.
The TAS5706A/B is a slave-only device receiving all clocks from external sources. The TAS5706A/B operates at a 384-kHz switching rate for 32-, 48-, 96-, and 192-kHz data, and at a 352.8 kHz switching rate for 44.1-, 88.2-, and 176.4-kHz data. The 8× oversampling combined with the fourth-order noise shaper provides a flat noise floor and excellent dynamic range from 20 Hz to 20 kHz. |
TAS5707A20-W Open-Loop Stereo Digital Input Class-D Audio Amplifier with Speaker EQ and DRC | Amplifiers | 3 | NRND | The TAS5707 is a 20-W, efficient, digital-audio power amplifier for driving stereo bridge-tied speakers. One serial data input allows processing of up to two discrete audio channels and seamless integration to most digital audio processors and MPEG decoders. The device accepts a wide range of input data and data rates. A fully programmable data path routes these channels to the internal speaker drivers.
The TAS5707 is a slave-only device receiving all clocks from external sources. The TAS5707 operates with a PWM carrier between a 384-kHz switching rate and 352-KHz switching rate, depending on the input sample rate. Oversampling combined with a fourth-order noise shaper provides a flat noise floor and excellent dynamic range from 20 Hz to 20 kHz.
The TAS5707A is identical in function to the HTQFP packaged TAS5707, but has a unique I2C device address. The address of the TAS5707 is 0x36. The address of the TAS5707A is 0x3A.
The TAS5707 is a 20-W, efficient, digital-audio power amplifier for driving stereo bridge-tied speakers. One serial data input allows processing of up to two discrete audio channels and seamless integration to most digital audio processors and MPEG decoders. The device accepts a wide range of input data and data rates. A fully programmable data path routes these channels to the internal speaker drivers.
The TAS5707 is a slave-only device receiving all clocks from external sources. The TAS5707 operates with a PWM carrier between a 384-kHz switching rate and 352-KHz switching rate, depending on the input sample rate. Oversampling combined with a fourth-order noise shaper provides a flat noise floor and excellent dynamic range from 20 Hz to 20 kHz.
The TAS5707A is identical in function to the HTQFP packaged TAS5707, but has a unique I2C device address. The address of the TAS5707 is 0x36. The address of the TAS5707A is 0x3A. |
TAS570820-W stereo, 10- to 26-V supply, digital input, closed loop Class-D audio amplifier w/ EQ & DRC | Audio Amplifiers | 2 | Active | The TAS5708 is a 20-W, efficient, digital audio power amplifier for driving stereo bridge-tied speakers. A 32-bit datapath eliminates the need for pre-scaling before processing and preserves signal integrity without sacrificing dynamic range. A digital audio processor with fully programmable digital filters allows designers to custom tune speakers for optimum sound in small enclosures. A programmable DRC can adjust power levels for a scaleable design while also enabling night-mode listening modes.
The closed-loop architecture allows the device to operate from poorly regulated supplies. Figure 1 below shows the benefit of the feedback architecture when a noisy supply (1kHz, 500mVpp ripple) modulates a 10kHz audio input. The figure shows a 40dB improvement in sideband suppression when compared to an open-loop design. This correlates directly to a 24dB improvement in distortion as seen in Figure 2.
The TAS5708 is a 20-W, efficient, digital audio power amplifier for driving stereo bridge-tied speakers. A 32-bit datapath eliminates the need for pre-scaling before processing and preserves signal integrity without sacrificing dynamic range. A digital audio processor with fully programmable digital filters allows designers to custom tune speakers for optimum sound in small enclosures. A programmable DRC can adjust power levels for a scaleable design while also enabling night-mode listening modes.
The closed-loop architecture allows the device to operate from poorly regulated supplies. Figure 1 below shows the benefit of the feedback architecture when a noisy supply (1kHz, 500mVpp ripple) modulates a 10kHz audio input. The figure shows a 40dB improvement in sideband suppression when compared to an open-loop design. This correlates directly to a 24dB improvement in distortion as seen in Figure 2. |
TAS5709A20-W stereo, 8- to 24-V supply, digital input, open loop Class-D audio amplifier w/ speaker EQ & DRC | Amplifiers | 5 | Active | The TAS5709 is a 20-W, efficient, digital audio-power amplifier for driving stereo bridge-tied speakers. One serial data input allows processing of up to two discrete audio channels and seamless integration to most digital-audio processors and MPEG decoders. The device accepts a wide range of input data and data rates. A fully programmable data path routes these channels to the internal speaker drivers.
The TAS5709 is a slave-only device receiving all clocks from external sources. The TAS5709 operates with a PWM carrier between a 384-kHz switching rate and a 352-KHz switching rate, depending on the input sample rate. Oversampling combined with a fourth-order noise shaper provides a flat noise floor and excellent dynamic range from 20 Hz to 20 kHz.
The TAS5709A is identical in function to the TAS5709, but has a unique I2C device address. The address of the TAS5709 is 0x36. The address of the TAS5709A is 0x3A.
The TAS5709 is a 20-W, efficient, digital audio-power amplifier for driving stereo bridge-tied speakers. One serial data input allows processing of up to two discrete audio channels and seamless integration to most digital-audio processors and MPEG decoders. The device accepts a wide range of input data and data rates. A fully programmable data path routes these channels to the internal speaker drivers.
The TAS5709 is a slave-only device receiving all clocks from external sources. The TAS5709 operates with a PWM carrier between a 384-kHz switching rate and a 352-KHz switching rate, depending on the input sample rate. Oversampling combined with a fourth-order noise shaper provides a flat noise floor and excellent dynamic range from 20 Hz to 20 kHz.
The TAS5709A is identical in function to the TAS5709, but has a unique I2C device address. The address of the TAS5709 is 0x36. The address of the TAS5709A is 0x3A. |
| Development Boards, Kits, Programmers | 4 | Obsolete | |
TAS571020-W stereo, 10- to 26-V, digital input, closed loop Class-D audio amplifier w/ EQ & 2-band DRC | Amplifiers | 1 | Active | The TAS5710 is a 20-W, efficient, digital audio power amplifier for driving stereo bridge-tied speakers. A 32-bit datapath eliminates the need for pre-scaling before processing and preserves signal integrity without sacrificing dynamic range. A digital audio processor with fully programmable digital filters allows designers to custom tune speakers for optimum sound in small enclosures. A programmable DRC can adjust power levels for a scaleable design while also enabling night-mode listening modes.
The closed-loop architecture allows the device to operate from poorly regulated supplies. Figure 1 below shows the benefit of the feedback architecture when a noisy supply (1kHz, 500mVpp ripple) modulates a 10kHz audio input. The figure shows a 40dB improvement in sideband suppression when compared to an open-loop design. This correlates directly to a 24dB improvement in distortion as seen in Figure 2.
The TAS5710 is a 20-W, efficient, digital audio power amplifier for driving stereo bridge-tied speakers. A 32-bit datapath eliminates the need for pre-scaling before processing and preserves signal integrity without sacrificing dynamic range. A digital audio processor with fully programmable digital filters allows designers to custom tune speakers for optimum sound in small enclosures. A programmable DRC can adjust power levels for a scaleable design while also enabling night-mode listening modes.
The closed-loop architecture allows the device to operate from poorly regulated supplies. Figure 1 below shows the benefit of the feedback architecture when a noisy supply (1kHz, 500mVpp ripple) modulates a 10kHz audio input. The figure shows a 40dB improvement in sideband suppression when compared to an open-loop design. This correlates directly to a 24dB improvement in distortion as seen in Figure 2. |
TAS571120-W stereo, 8- to 26-V, digital input, open loop Class-D audio amplifier w/ EQ, DRC, 2.1 support | Integrated Circuits (ICs) | 1 | Active | The TAS5711 is a 20-W, efficient, digital audio power amplifier for driving stereo bridge-tied speakers. One serial data input allows processing of up to two discrete audio channels and seamless integration to most digital audio processors and MPEG decoders. The device accepts a wide range of input data and data rates. A fully programmable data path routes these channels to the internal speaker drivers.
The TAS5711 is an I2S slave-only device receiving all clocks from external sources. The TAS5711 operates with a PWM carrier between 384-kHz switching rate and 352-KHz switching rate depending on the input sample rate. Oversampling combined with a fourth-order noise shaper provides a flat noise floor and excellent dynamic range from 20 Hz to 20 kHz.
The TAS5711 is a 20-W, efficient, digital audio power amplifier for driving stereo bridge-tied speakers. One serial data input allows processing of up to two discrete audio channels and seamless integration to most digital audio processors and MPEG decoders. The device accepts a wide range of input data and data rates. A fully programmable data path routes these channels to the internal speaker drivers.
The TAS5711 is an I2S slave-only device receiving all clocks from external sources. The TAS5711 operates with a PWM carrier between 384-kHz switching rate and 352-KHz switching rate depending on the input sample rate. Oversampling combined with a fourth-order noise shaper provides a flat noise floor and excellent dynamic range from 20 Hz to 20 kHz. |
| Linear | 1 | Active | |