T
Texas Instruments
| Series | Category | # Parts | Status | Description |
|---|---|---|---|---|
| Part | Spec A | Spec B | Spec C | Spec D | Description |
|---|---|---|---|---|---|
| Series | Category | # Parts | Status | Description |
|---|---|---|---|---|
| Part | Spec A | Spec B | Spec C | Spec D | Description |
|---|---|---|---|---|---|
| Series | Category | # Parts | Status | Description |
|---|---|---|---|---|
| Audio Special Purpose | 14 | Obsolete | ||
TAS50288 Channel Digital Audio PWM Processor | Audio Special Purpose | 1 | Active | 8 Channel Digital Audio PWM Processor |
| Integrated Circuits (ICs) | 10 | Obsolete | ||
| Integrated Circuits (ICs) | 3 | Obsolete | ||
| Integrated Circuits (ICs) | 3 | Obsolete | ||
| Audio Amplifier Evaluation Boards | 1 | Obsolete | ||
TAS50866 Channel Digital Audio PWM Processor | Audio Amplifier Evaluation Boards | 4 | Active | The TAS5086 is a six-channel digital pulse-width modulator (PWM) that provides both advanced performance and a high level of system integration. The TAS5086 is designed to interface seamlessly with most audio digital signal processors and MPEG decoders, accepting a wide range of input data and clock formats.
The TAS5086 drives six channels of speakers in either single-ended or bridge-tied load configurations that accept a 1N + 1 interface format. The TAS5086 also supports 2N + 1 power stages with the use of some external logic (e.g., TAS5112). Stereo line out in I2S format is available with either a pass-through signal (SDIN4) or an internal downmix.
The TAS5086 uses AD modulation operating at a 384-kHz switching rate for 32-, 44.1-, 48-, 88.2-, 96-, 176.4-, and 192-kHz data. The 8× oversampling, combined with the 4th-order noise shaper, provides a broad, flat noise floor and excellent dynamic range from 20 Hz to 20 kHz.
The TAS5086 is only an I2C slave device, which always receives MCLK, SCLK, and LRCLK from other system components. The TAS5086 accepts clock rates of 128, 192, 256, 384, and 512 fS. The TAS5086 accepts a 64-fSmaster clock for 176.4-kHz and 192-kHz data.
The TAS5086 accepts a 64-fSbit clock for all data rates. The TAS5086 also can accept a 48-fSSCLK rate for MCLK ratios of 192 fSand 384 fS.
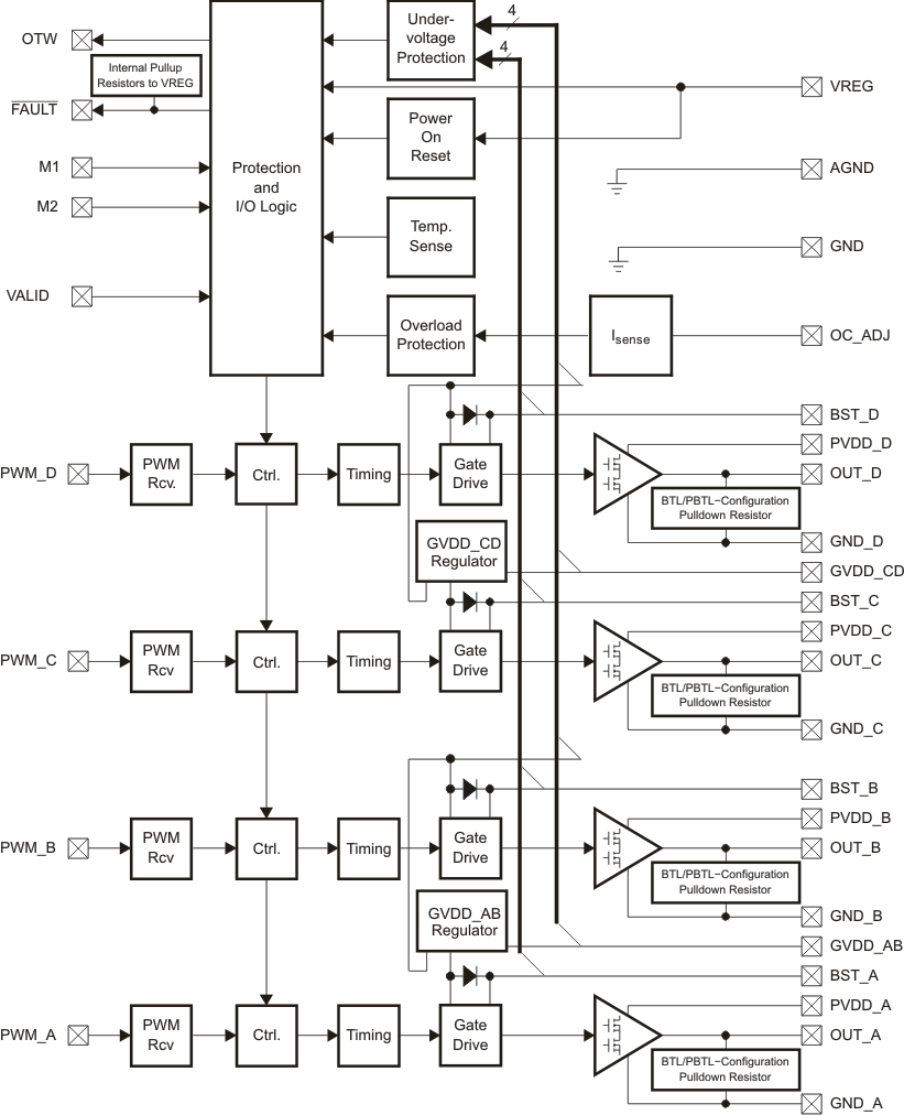
The TAS5086 is composed of five functional blocks.
For detailed application information, see theUsing the PurePath Digital PWM Processorapplication report (SLEA046).
The TAS5086 is a six-channel digital pulse-width modulator (PWM) that provides both advanced performance and a high level of system integration. The TAS5086 is designed to interface seamlessly with most audio digital signal processors and MPEG decoders, accepting a wide range of input data and clock formats.
The TAS5086 drives six channels of speakers in either single-ended or bridge-tied load configurations that accept a 1N + 1 interface format. The TAS5086 also supports 2N + 1 power stages with the use of some external logic (e.g., TAS5112). Stereo line out in I2S format is available with either a pass-through signal (SDIN4) or an internal downmix.
The TAS5086 uses AD modulation operating at a 384-kHz switching rate for 32-, 44.1-, 48-, 88.2-, 96-, 176.4-, and 192-kHz data. The 8× oversampling, combined with the 4th-order noise shaper, provides a broad, flat noise floor and excellent dynamic range from 20 Hz to 20 kHz.
The TAS5086 is only an I2C slave device, which always receives MCLK, SCLK, and LRCLK from other system components. The TAS5086 accepts clock rates of 128, 192, 256, 384, and 512 fS. The TAS5086 accepts a 64-fSmaster clock for 176.4-kHz and 192-kHz data.
The TAS5086 accepts a 64-fSbit clock for all data rates. The TAS5086 also can accept a 48-fSSCLK rate for MCLK ratios of 192 fSand 384 fS.
The TAS5086 is composed of five functional blocks.
For detailed application information, see theUsing the PurePath Digital PWM Processorapplication report (SLEA046). |
| Audio Amplifiers | 2 | Obsolete | ||
| Audio Amplifiers | 4 | Obsolete | ||
TAS510220-W stereo, 8- to 23-V supply, PWM input Class-D audio amplifier | Integrated Circuits (ICs) | 2 | Active | The TAS5102/TAS5103 are integrated stereo digital amplifier power stages with an advanced protection system. The TAS5102/TAS5103 are capable of driving an 8-Ω bridge-tied load (BTL) at up to 20 W/15 W per channel with low integrated noise at the output, low THD+N performance, and low idle power dissipation.
A low-cost, high-fidelity audio system can be built using a TI chipset, comprising a modulator (e.g., TAS5086) and the TAS5102/TAS5103. This system only requires a simple passive LC demodulation filter to deliver high-quality, high-efficiency audio amplification with proven EMI compliance. These devices require two power supplies, at 3.3 V for VREG, and up to 23 V for PVDD. The TAS5102/TAS5103 does not require power-up sequencing due to internal power-on reset. The efficiency of this digital amplifier is greater than 90% into 8 Ω, which enables the use of smaller power supplies and heatsinks.
The TAS5102/3 has an innovative protection system integrated on chip, safeguarding the device against a wide range of fault conditions that could damage the system. These safeguards are short-circuit protection, overcurrent protection, undervoltage protection, and overtemperature protection. The TAS5102/TAS5103 has a new proprietary current-limiting circuit that reduces the possibility of device shutdown during high-level music transients.
The TAS5102/TAS5103 are integrated stereo digital amplifier power stages with an advanced protection system. The TAS5102/TAS5103 are capable of driving an 8-Ω bridge-tied load (BTL) at up to 20 W/15 W per channel with low integrated noise at the output, low THD+N performance, and low idle power dissipation.
A low-cost, high-fidelity audio system can be built using a TI chipset, comprising a modulator (e.g., TAS5086) and the TAS5102/TAS5103. This system only requires a simple passive LC demodulation filter to deliver high-quality, high-efficiency audio amplification with proven EMI compliance. These devices require two power supplies, at 3.3 V for VREG, and up to 23 V for PVDD. The TAS5102/TAS5103 does not require power-up sequencing due to internal power-on reset. The efficiency of this digital amplifier is greater than 90% into 8 Ω, which enables the use of smaller power supplies and heatsinks.
The TAS5102/3 has an innovative protection system integrated on chip, safeguarding the device against a wide range of fault conditions that could damage the system. These safeguards are short-circuit protection, overcurrent protection, undervoltage protection, and overtemperature protection. The TAS5102/TAS5103 has a new proprietary current-limiting circuit that reduces the possibility of device shutdown during high-level music transients. |
| Part | Category | Description |
|---|---|---|
Texas Instruments | Integrated Circuits (ICs) | BUS DRIVER, BCT/FBT SERIES |
Texas Instruments | Integrated Circuits (ICs) | 12BIT 3.3V~3.6V 210MHZ PARALLEL VQFN-48-EP(7X7) ANALOG TO DIGITAL CONVERTERS (ADC) ROHS |
Texas Instruments | Integrated Circuits (ICs) | TMX320DRE311 179PIN UBGA 200MHZ |
Texas Instruments TPS61040DRVTG4Unknown | Integrated Circuits (ICs) | IC LED DRV RGLTR PWM 350MA 6WSON |
Texas Instruments LP3876ET-2.5Obsolete | Integrated Circuits (ICs) | IC REG LINEAR 2.5V 3A TO220-5 |
Texas Instruments LMS1585ACSX-ADJObsolete | Integrated Circuits (ICs) | IC REG LIN POS ADJ 5A DDPAK |
Texas Instruments INA111APG4Obsolete | Integrated Circuits (ICs) | IC INST AMP 1 CIRCUIT 8DIP |
Texas Instruments | Integrated Circuits (ICs) | AUTOMOTIVE, QUAD 36V 1.2MHZ OPERATIONAL AMPLIFIER |
Texas Instruments OPA340NA/3KG4Unknown | Integrated Circuits (ICs) | IC OPAMP GP 1 CIRCUIT SOT23-5 |
Texas Instruments PT5112AObsolete | Power Supplies - Board Mount | DC DC CONVERTER 8V 8W |