T
Texas Instruments
| Series | Category | # Parts | Status | Description |
|---|---|---|---|---|
| Part | Spec A | Spec B | Spec C | Spec D | Description |
|---|---|---|---|---|---|
| Series | Category | # Parts | Status | Description |
|---|---|---|---|---|
| Part | Spec A | Spec B | Spec C | Spec D | Description |
|---|---|---|---|---|---|
| Series | Category | # Parts | Status | Description |
|---|---|---|---|---|
SN74AVCA406MMC, SD, Memory Stick, Smart Media, and XD-Picture Card Voltage Translation Transceiver | Integrated Circuits (ICs) | 6 | Active | The SN74AVCA406 is a transceiver for interfacing microprocessors with MultiMediaCards (MMCs), secure digital (SD) cards, Memory Stick™ compliant products, SmartMedia cards, or xD-Picture Cards™. It integrates high ESD protection, which eliminates the need for external ESD diodes. Two supply-voltage pins allow the A-port and B-port input switching thresholds to be configured separately. The A port is designed to track VCCA, while the B port is designed to track VCCB0and VCCB1. VCCA,VCCB0and VCCB1can accept any supply voltage from 1.4 V to 3.6 V.
Memory card standards recommend high ESD protection for devices that connect directly to the external memory card. To meet this need, the SN74AVCA406 incorporates ±15-kV air-gap discharge and ±8-kV contact discharge protection on the card side. If VCCB0and VCCB1are switched off (no card inserted), the A-port outputs are placed in the high-impedance state to conserve power.
The SN74AVCA406 enables system designers to easily interface low-voltage microprocessors to different memory cards operating at higher voltages. The mode (MODE0 and MODE1) pins are used to configure the device to interface with different types of cards.
The SN74AVCA406 is offered in the 48-ball MicroStar Jr.™ ball grid array (BGA) package. This package has dimensions of 4 × 4 mm, with a 0.5-mm ball pitch for effective board-space savings. Memory cards are widely used in mobile phones, PDAs, digital cameras, personal media players, camcorders, set-top boxes, etc. Low static power consumption and small package size make the SN74AVCA406 an ideal choice for these applications.
The SN74AVCA406 is a transceiver for interfacing microprocessors with MultiMediaCards (MMCs), secure digital (SD) cards, Memory Stick™ compliant products, SmartMedia cards, or xD-Picture Cards™. It integrates high ESD protection, which eliminates the need for external ESD diodes. Two supply-voltage pins allow the A-port and B-port input switching thresholds to be configured separately. The A port is designed to track VCCA, while the B port is designed to track VCCB0and VCCB1. VCCA,VCCB0and VCCB1can accept any supply voltage from 1.4 V to 3.6 V.
Memory card standards recommend high ESD protection for devices that connect directly to the external memory card. To meet this need, the SN74AVCA406 incorporates ±15-kV air-gap discharge and ±8-kV contact discharge protection on the card side. If VCCB0and VCCB1are switched off (no card inserted), the A-port outputs are placed in the high-impedance state to conserve power.
The SN74AVCA406 enables system designers to easily interface low-voltage microprocessors to different memory cards operating at higher voltages. The mode (MODE0 and MODE1) pins are used to configure the device to interface with different types of cards.
The SN74AVCA406 is offered in the 48-ball MicroStar Jr.™ ball grid array (BGA) package. This package has dimensions of 4 × 4 mm, with a 0.5-mm ball pitch for effective board-space savings. Memory cards are widely used in mobile phones, PDAs, digital cameras, personal media players, camcorders, set-top boxes, etc. Low static power consumption and small package size make the SN74AVCA406 an ideal choice for these applications. |
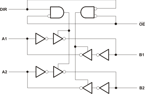
SN74AVCAH16424516-Bit Dual-Supply Bus Transceiver W/Configurable Voltage Translation | Logic | 6 | Active | This 16-bit (dual-octal) noninverting bus transceiver uses two separate configurable power-supply rails. The A-port is designed to track VCCA. VCCAaccepts any supply voltage from 1.4 V to 3.6 V. The B-port is designed to track VCCB. VCCBaccepts any supply voltage from 1.4 V to 3.6 V. This allows for universal low-voltage bidirectional translation between any of the 1.5-V, 1.8-V, 2.5-V, and 3.3-V voltage nodes.
The SN74AVCAH164245 is designed for asynchronous communication between data buses. The device transmits data from the A bus to the B bus or from the B bus to the A bus, depending on the logic level at the direction-control (DIR) input. The output-enable (OE)\ input can be used to disable the outputs so the buses are effectively isolated.
The SN74AVCAH164245 is designed so that the control pins (1DIR, 2DIR, 1OE\, and 2OE\) are supplied by VCCA.
Active bus-hold circuitry is provided to hold unused or floating data inputs at a valid logic level. Use of pullup or pulldown resistors with the bus-hold circuitry is not recommended.
To ensure the high-impedance state during power up or power down, OE\ should be tied to VCCAthrough a pullup resistor; the minimum value of the resistor is determined by the current-sinking capability of the driver.
This device is fully specified for partial-power-down applications using Ioff. The Ioffcircuitry disables the outputs, preventing damaging current backflow through the device when it is powered down. If either VCCinput is at GND, then both ports are in the high-impedance state.
This 16-bit (dual-octal) noninverting bus transceiver uses two separate configurable power-supply rails. The A-port is designed to track VCCA. VCCAaccepts any supply voltage from 1.4 V to 3.6 V. The B-port is designed to track VCCB. VCCBaccepts any supply voltage from 1.4 V to 3.6 V. This allows for universal low-voltage bidirectional translation between any of the 1.5-V, 1.8-V, 2.5-V, and 3.3-V voltage nodes.
The SN74AVCAH164245 is designed for asynchronous communication between data buses. The device transmits data from the A bus to the B bus or from the B bus to the A bus, depending on the logic level at the direction-control (DIR) input. The output-enable (OE)\ input can be used to disable the outputs so the buses are effectively isolated.
The SN74AVCAH164245 is designed so that the control pins (1DIR, 2DIR, 1OE\, and 2OE\) are supplied by VCCA.
Active bus-hold circuitry is provided to hold unused or floating data inputs at a valid logic level. Use of pullup or pulldown resistors with the bus-hold circuitry is not recommended.
To ensure the high-impedance state during power up or power down, OE\ should be tied to VCCAthrough a pullup resistor; the minimum value of the resistor is determined by the current-sinking capability of the driver.
This device is fully specified for partial-power-down applications using Ioff. The Ioffcircuitry disables the outputs, preventing damaging current backflow through the device when it is powered down. If either VCCinput is at GND, then both ports are in the high-impedance state. |
SN74AVCB16424516-Bit Dual-Supply Bus Transceiver w/ Config. Xlation and 3-State Outputs | Logic | 8 | Active | This 16-bit (dual-octal) noninverting bus transceiver uses two separate configurable power-supply rails. The A port is designed to track VCCA. VCCAaccepts any supply voltage from 1.4 V to 3.6 V. The B port is designed to track VCCB. VCCBaccepts any supply voltage from 1.4 V to 3.6 V. This allows for universal low-voltage bidirectional translation between any of the 1.5-V, 1.8-V, 2.5-V, and 3.3-V voltage nodes.
The SN74AVCB164245 is designed for asynchronous communication between data buses. The device transmits data from the A bus to the B bus or from the B bus to the A bus, depending on the logic level at the direction-control (DIR) input. The output-enable (OE) input can be used to disable the outputs so the buses are effectively isolated.
The SN74AVCB164245 is designed so that the control pins (1DIR, 2DIR, 1OE, and 2OE) are supplied by VCCB.
To ensure the high-impedance state during power up or power down,OEshould be tied to VCCBthrough a pullup resistor; the minimum value of the resistor is determined by the current-sinking capability of the driver.
This device is fully specified for partial-power-down applications using Ioff. The Ioffcircuitry disables the outputs, preventing damaging current backflow through the device when it is powered down. If either VCCinput is at GND, both ports are in the high-impedance state.
This 16-bit (dual-octal) noninverting bus transceiver uses two separate configurable power-supply rails. The A port is designed to track VCCA. VCCAaccepts any supply voltage from 1.4 V to 3.6 V. The B port is designed to track VCCB. VCCBaccepts any supply voltage from 1.4 V to 3.6 V. This allows for universal low-voltage bidirectional translation between any of the 1.5-V, 1.8-V, 2.5-V, and 3.3-V voltage nodes.
The SN74AVCB164245 is designed for asynchronous communication between data buses. The device transmits data from the A bus to the B bus or from the B bus to the A bus, depending on the logic level at the direction-control (DIR) input. The output-enable (OE) input can be used to disable the outputs so the buses are effectively isolated.
The SN74AVCB164245 is designed so that the control pins (1DIR, 2DIR, 1OE, and 2OE) are supplied by VCCB.
To ensure the high-impedance state during power up or power down,OEshould be tied to VCCBthrough a pullup resistor; the minimum value of the resistor is determined by the current-sinking capability of the driver.
This device is fully specified for partial-power-down applications using Ioff. The Ioffcircuitry disables the outputs, preventing damaging current backflow through the device when it is powered down. If either VCCinput is at GND, both ports are in the high-impedance state. |
SN74AVCB164245-EPEnhanced Product 16-Bit Dual-Supply Bus Transceiver w/ configurable translation and 3-state outputs | Integrated Circuits (ICs) | 2 | Active | This 16-bit (dual-octal) noninverting bus transceiver uses two separate configurable power-supply rails. The A port is designed to track VCCA. VCCAaccepts any supply voltage from 1.4 V to 3.6 V. The B port is designed to track VCCB. VCCBaccepts any supply voltage from 1.4 V to 3.6 V. This allows for universal low-voltage bidirectional translation between any of the 1.5-V, 1.8-V, 2.5-V, and 3.3-V voltage nodes.
The SN74AVCB164245 is designed for asynchronous communication between data buses. The device transmits data from the A bus to the B bus or from the B bus to the A bus, depending on the logic level at the direction-control (DIR) input. The output-enable (OE) input can be used to disable the outputs so the buses are effectively isolated.
The SN74AVCB164245 is designed so that the control pins (1DIR, 2DIR, 1OE, and 2OE) are supplied by VCCB.
To ensure the high-impedance state during power up or power down,OEshould be tied to VCCBthrough a pullup resistor; the minimum value of the resistor is determined by the current-sinking capability of the driver.
This device is fully specified for partial-power-down applications using Ioff. The Ioffcircuitry disables the outputs, preventing damaging current backflow through the device when it is powered down. If either VCCinput is at GND, both ports are in the high-impedance state.
This 16-bit (dual-octal) noninverting bus transceiver uses two separate configurable power-supply rails. The A port is designed to track VCCA. VCCAaccepts any supply voltage from 1.4 V to 3.6 V. The B port is designed to track VCCB. VCCBaccepts any supply voltage from 1.4 V to 3.6 V. This allows for universal low-voltage bidirectional translation between any of the 1.5-V, 1.8-V, 2.5-V, and 3.3-V voltage nodes.
The SN74AVCB164245 is designed for asynchronous communication between data buses. The device transmits data from the A bus to the B bus or from the B bus to the A bus, depending on the logic level at the direction-control (DIR) input. The output-enable (OE) input can be used to disable the outputs so the buses are effectively isolated.
The SN74AVCB164245 is designed so that the control pins (1DIR, 2DIR, 1OE, and 2OE) are supplied by VCCB.
To ensure the high-impedance state during power up or power down,OEshould be tied to VCCBthrough a pullup resistor; the minimum value of the resistor is determined by the current-sinking capability of the driver.
This device is fully specified for partial-power-down applications using Ioff. The Ioffcircuitry disables the outputs, preventing damaging current backflow through the device when it is powered down. If either VCCinput is at GND, both ports are in the high-impedance state. |
SN74AVCBH16424516-Bit Dual-Supply Bus Xcvr w/ Config. Voltage Xlation and 3-State Outputs | Translators, Level Shifters | 4 | Active | This 16-bit (dual-octal) noninverting bus transceiver uses two separate configurable power-supply rails. The A-port is designed to track VCCA. VCCAaccepts any supply voltage from 1.4 V to 3.6 V. The B-port is designed to track VCCB. VCCBaccepts any supply voltage from 1.4 V to 3.6 V. This allows for universal low-voltage bidirectional translation between any of the 1.5-V, 1.8-V, 2.5-V, and 3.3-V voltage nodes.
The SN74AVCBH164245 is designed for asynchronous communication between data buses. The device transmits data from the A bus to the B bus or from the B bus to the A bus, depending on the logic level at the direction-control (DIR) input. The output-enable (OE) input can be used to disable the outputs so the buses are effectively isolated.
The SN74AVCBH164245 is designed so that the control pins (1DIR, 2DIR, 1OE, and 2OE) are supplied by VCCB.
Active bus-hold circuitry is provided to hold unused or floating data inputs at a valid logic level. Use of pullup or pulldown resistors with the bus-hold circuitry is not recommended.
To ensure the high-impedance state during power up or power down,OEshould be tied to VCCBthrough a pullup resistor; the minimum value of the resistor is determined by the current-sinking capability of the driver.
This device is fully specified for partial-power-down applications using Ioff. The Ioffcircuitry disables the outputs, preventing damaging current backflow through the device when it is powered down. If either VCCinput is at GND, both ports are in the high-impedance state.
This 16-bit (dual-octal) noninverting bus transceiver uses two separate configurable power-supply rails. The A-port is designed to track VCCA. VCCAaccepts any supply voltage from 1.4 V to 3.6 V. The B-port is designed to track VCCB. VCCBaccepts any supply voltage from 1.4 V to 3.6 V. This allows for universal low-voltage bidirectional translation between any of the 1.5-V, 1.8-V, 2.5-V, and 3.3-V voltage nodes.
The SN74AVCBH164245 is designed for asynchronous communication between data buses. The device transmits data from the A bus to the B bus or from the B bus to the A bus, depending on the logic level at the direction-control (DIR) input. The output-enable (OE) input can be used to disable the outputs so the buses are effectively isolated.
The SN74AVCBH164245 is designed so that the control pins (1DIR, 2DIR, 1OE, and 2OE) are supplied by VCCB.
Active bus-hold circuitry is provided to hold unused or floating data inputs at a valid logic level. Use of pullup or pulldown resistors with the bus-hold circuitry is not recommended.
To ensure the high-impedance state during power up or power down,OEshould be tied to VCCBthrough a pullup resistor; the minimum value of the resistor is determined by the current-sinking capability of the driver.
This device is fully specified for partial-power-down applications using Ioff. The Ioffcircuitry disables the outputs, preventing damaging current backflow through the device when it is powered down. If either VCCinput is at GND, both ports are in the high-impedance state. |
SN74AVCH16T24516-Bit Dual Supply Bus Transceiver with Configurable Voltage Translation and 3-State Outputs | Integrated Circuits (ICs) | 3 | Active | This 16-bit noninverting bus transceiver uses two separate configurable power-supply rails. The SN74AVCH16T245 device is optimized to operate with VCCA/VCCBset at 1.4 V to 3.6 V. The device is operational with VCCA/VCCBas low as 1.2 V. The A port is designed to track VCCA. VCCAaccepts any supply voltage from 1.2 V to 3.6 V. The B port is designed to track VCCB. VCCBaccepts any supply voltage from 1.2 V to 3.6 V. This allows for universal low-voltage bidirectional translation between any of the 1.2-V, 1.5-V, 1.8-V, 2.5-V, and 3.3-V voltage nodes.
The SN74AVCH16T245 control pins (1DIR, 2DIR, 1OE, and 2OE) are supplied by VCCA.
The Ioffcircuitry disables the outputs, preventing damaging current backflow through the device when it is powered down. This device is fully specified for partial-power-down applications using Ioff.
The VCCisolation feature ensures that if either VCCinput is at GND, then both ports are in the high-impedance state.
Active bus-hold circuitry holds unused or undriven inputs at a valid logic state. Use of pullup or pulldown resistors with the bus-hold circuitry is not recommended.
To ensure the high-impedance state during power up or power down,OEshould be tied to VCCthrough a pullup resistor; the minimum value of the resistor is determined by the current-sinking capability of the driver.
The SN74AVCH16T245 is designed for asynchronous communication between data buses. The device transmits data from the A bus to the B bus or from the B bus to the A bus, depending on the logic level at the direction-control (DIR) input. The output-enable (OE) input can be used to disable the outputs so the buses are effectively isolated.
This 16-bit noninverting bus transceiver uses two separate configurable power-supply rails. The SN74AVCH16T245 device is optimized to operate with VCCA/VCCBset at 1.4 V to 3.6 V. The device is operational with VCCA/VCCBas low as 1.2 V. The A port is designed to track VCCA. VCCAaccepts any supply voltage from 1.2 V to 3.6 V. The B port is designed to track VCCB. VCCBaccepts any supply voltage from 1.2 V to 3.6 V. This allows for universal low-voltage bidirectional translation between any of the 1.2-V, 1.5-V, 1.8-V, 2.5-V, and 3.3-V voltage nodes.
The SN74AVCH16T245 control pins (1DIR, 2DIR, 1OE, and 2OE) are supplied by VCCA.
The Ioffcircuitry disables the outputs, preventing damaging current backflow through the device when it is powered down. This device is fully specified for partial-power-down applications using Ioff.
The VCCisolation feature ensures that if either VCCinput is at GND, then both ports are in the high-impedance state.
Active bus-hold circuitry holds unused or undriven inputs at a valid logic state. Use of pullup or pulldown resistors with the bus-hold circuitry is not recommended.
To ensure the high-impedance state during power up or power down,OEshould be tied to VCCthrough a pullup resistor; the minimum value of the resistor is determined by the current-sinking capability of the driver.
The SN74AVCH16T245 is designed for asynchronous communication between data buses. The device transmits data from the A bus to the B bus or from the B bus to the A bus, depending on the logic level at the direction-control (DIR) input. The output-enable (OE) input can be used to disable the outputs so the buses are effectively isolated. |
SN74AVCH1T45Single-Bit Dual-Supply Bus Transceiver with Configurable Voltage Translation and 3-State Outputs | Logic | 12 | Active | The SN74AVCH1T45 is a single-bit noninverting bus transceiver that uses two separate configurable power-supply rails. The A port is designed to track VCCA, which accepts any supply voltage from 1.2V to 3.6V. The B port is designed to track VCCB, which accepts any supply voltage from 1.2V to 3.6V. This feature allows for universal low-voltage, bidirectional translation between any of the 1.2V, 1.5V, 1.8V, 2.5V, and 3.3V voltage nodes.
The SN74AVCH1T45 is designed for asynchronous communication between two data buses. The device transmits data from either the A bus to the B bus, or from the B bus to the A bus, depending upon the logic level at the direction-control (DIR) input.
The SN74AVCH1T45 is designed so that the DIR input is referenced to VCCA.
The SN74AVCH1T45 is a single-bit noninverting bus transceiver that uses two separate configurable power-supply rails. The A port is designed to track VCCA, which accepts any supply voltage from 1.2V to 3.6V. The B port is designed to track VCCB, which accepts any supply voltage from 1.2V to 3.6V. This feature allows for universal low-voltage, bidirectional translation between any of the 1.2V, 1.5V, 1.8V, 2.5V, and 3.3V voltage nodes.
The SN74AVCH1T45 is designed for asynchronous communication between two data buses. The device transmits data from either the A bus to the B bus, or from the B bus to the A bus, depending upon the logic level at the direction-control (DIR) input.
The SN74AVCH1T45 is designed so that the DIR input is referenced to VCCA. |
SN74AVCH20T24520-Bit Dual-Supply Bus Transceiver with Configurable Voltage Translation and 3-State Outputs | Logic | 3 | Active | This 20-bit noninverting bus transceiver uses two separate configurable power-supply rails. The SN74AVCH20T245 is optimized to operate with VCCA/VCCBset at 1.4 V to 3.6 V. It is operational with VCCA/VCCBas low as 1.2 V. The A port is designed to track VCCA. VCCAaccepts any supply voltage from 1.2 V to 3.6 V. The B port is designed to track VCCB. VCCBaccepts any supply voltage from 1.2 V to 3.6 V. This allows for universal low-voltage bidirectional translation between any of the 1.2-V, 1.5-V, 1.8-V, 2.5-V, and 3.3-V voltage nodes.
The SN74AVCH20T245 is designed for asynchronous communication between data buses. The device transmits data from the A bus to the B bus or from the B bus to the A bus, depending on the logic level at the direction-control (DIR) input. The output-enable (OE)\ input can be used to disable the outputs so that the buses are effectively isolated.
The SN74AVCH20T245 is designed so that the control (1DIR, 2DIR, 1OE\, and 2OE\) inputs are supplied by VCCA.
This device is fully specified for partial-power-down applications using Ioff. The Ioffcircuitry disables the outputs, preventing damaging current backflow through the device when it is powered down.
The VCCisolation feature ensures that if either VCCinput is at GND, both outputs are in the high-impedance state. The bus-hold circuitry on the powered-up side always stays active.
Active bus-hold circuitry holds unused or undriven inputs at a valid logic state. Use of pullup or pulldown resistors with the bus-hold circuitry is not recommended.
To ensure the high-impedance state during power up or power down, OE\ should be tied to VCCthrough a pullup resistor; the minimum value of the resistor is determined by the current-sinking capability of the driver.
This 20-bit noninverting bus transceiver uses two separate configurable power-supply rails. The SN74AVCH20T245 is optimized to operate with VCCA/VCCBset at 1.4 V to 3.6 V. It is operational with VCCA/VCCBas low as 1.2 V. The A port is designed to track VCCA. VCCAaccepts any supply voltage from 1.2 V to 3.6 V. The B port is designed to track VCCB. VCCBaccepts any supply voltage from 1.2 V to 3.6 V. This allows for universal low-voltage bidirectional translation between any of the 1.2-V, 1.5-V, 1.8-V, 2.5-V, and 3.3-V voltage nodes.
The SN74AVCH20T245 is designed for asynchronous communication between data buses. The device transmits data from the A bus to the B bus or from the B bus to the A bus, depending on the logic level at the direction-control (DIR) input. The output-enable (OE)\ input can be used to disable the outputs so that the buses are effectively isolated.
The SN74AVCH20T245 is designed so that the control (1DIR, 2DIR, 1OE\, and 2OE\) inputs are supplied by VCCA.
This device is fully specified for partial-power-down applications using Ioff. The Ioffcircuitry disables the outputs, preventing damaging current backflow through the device when it is powered down.
The VCCisolation feature ensures that if either VCCinput is at GND, both outputs are in the high-impedance state. The bus-hold circuitry on the powered-up side always stays active.
Active bus-hold circuitry holds unused or undriven inputs at a valid logic state. Use of pullup or pulldown resistors with the bus-hold circuitry is not recommended.
To ensure the high-impedance state during power up or power down, OE\ should be tied to VCCthrough a pullup resistor; the minimum value of the resistor is determined by the current-sinking capability of the driver. |
SN74AVCH2T45Dual-Bit Dual-Supply Bus Transceiver With Configurable Voltage Translation Aan 3-State Outputs | Translators, Level Shifters | 5 | Active | This 2-bit non-inverting bus transceiver uses two separate configurable power-supply rails. The A ports are designed to track VCCA and accepts any supply voltage from 1.2V to 3.6V. The B ports are designed to track VCCB and accepts any supply voltage from 1.2V to 3.6V. This allows for universal low-voltage bidirectional translation and level-shifting between any of the 1.2V, 1.5V, 1.8V, 2.5V, and 3.3V voltage nodes.
The SN74AVCH2T45 is designed for asynchronous communication between two data buses. The logic levels of the direction-control (DIR pin) input activate either the B-port outputs or the A-port outputs. The device transmits data from the A bus to the B bus when the B-port outputs are activated and from the B bus to the A bus when the A-port outputs are activated. The SN74AVCH2T45 features active bus-hold circuitry, which holds unused or un-driven inputs at a valid logic state. TI does not recommend using pull-up or pull-down resistors with the bus-hold circuitry.
This device is fully specified for partial-power-down applications using Ioff. The Ioff circuitry disables the outputs, preventing damaging current backflow through the device when it is powered down. The VCC isolation feature ensures that if either VCC input is at GND, then both outputs are in the high-impedance state. The bus-hold circuitry on the powered-up side always stays active.
Active bus-hold circuitry holds unused or un-driven inputs at a valid logic state. NanoFree package technology is a major breakthrough in IC packaging concepts, using the die as the package.
This 2-bit non-inverting bus transceiver uses two separate configurable power-supply rails. The A ports are designed to track VCCA and accepts any supply voltage from 1.2V to 3.6V. The B ports are designed to track VCCB and accepts any supply voltage from 1.2V to 3.6V. This allows for universal low-voltage bidirectional translation and level-shifting between any of the 1.2V, 1.5V, 1.8V, 2.5V, and 3.3V voltage nodes.
The SN74AVCH2T45 is designed for asynchronous communication between two data buses. The logic levels of the direction-control (DIR pin) input activate either the B-port outputs or the A-port outputs. The device transmits data from the A bus to the B bus when the B-port outputs are activated and from the B bus to the A bus when the A-port outputs are activated. The SN74AVCH2T45 features active bus-hold circuitry, which holds unused or un-driven inputs at a valid logic state. TI does not recommend using pull-up or pull-down resistors with the bus-hold circuitry.
This device is fully specified for partial-power-down applications using Ioff. The Ioff circuitry disables the outputs, preventing damaging current backflow through the device when it is powered down. The VCC isolation feature ensures that if either VCC input is at GND, then both outputs are in the high-impedance state. The bus-hold circuitry on the powered-up side always stays active.
Active bus-hold circuitry holds unused or un-driven inputs at a valid logic state. NanoFree package technology is a major breakthrough in IC packaging concepts, using the die as the package. |
SN74AVCH4T2454-Bit Dual-Supply Bus Transceiver with Configurable Voltage Translation and 3-State Outputs | Buffers, Drivers, Receivers, Transceivers | 12 | Active | This 4-bit noninverting bus transceiver uses two separate configurable power-supply rails. The A port is designed to track VCCA. VCCA accepts any supply voltage from 1.2V to 3.6V. The B port is designed to track VCCB. VCCB accepts any supply voltage from 1.2V to 3.6V. The SN74AVCH4T245 is optimized to operate with VCCA/VCCB set at 1.2V to 3.6V. It is operational with VCCA/VCCB as low as 1.2V. This allows for universal low voltage bidirectional translation between any of the 1.2V, 1.5V, 1.8V, 2.5V, and 3.3V voltage nodes.
The SN74AVCH4T245 is designed for asynchronous communication between two data buses. The logic levels of the direction-control (DIR) input and the output-enable (OE) input activate either the B-port outputs or the A-port outputs or place both output ports into the high-impedance mode. The device transmits data from the A bus to the B bus when the B-port outputs are activated, and from the B bus to the A bus when the A-port outputs are activated. The input circuitry on both A and B ports is always active and must have a logic HIGH or LOW level applied to prevent excess ICC and ICCZ.
The SN74AVCH4T245 device control pins (1DIR, 2DIR, 1OE, and 2OE) are supplied by VCCA.
This device is fully specified for partial-power-down applications using Ioff. The Ioff circuitry disables the outputs, preventing damaging current backflow through the device when it is powered down.
The VCC isolation feature is designed so that if either VCC input is at GND, then both ports are in the high-impedance state. The bus-hold circuitry on the powered-up side always stays active.
Active bus-hold circuitry holds unused or undriven data inputs at a valid logic state. Use of pull-up or pull-down resistors with the bus-hold circuitry is not recommended. The bus-hold circuitry on the powered-up side always stays active.
To put the device in the high-impedance state during power up or power down, tie the OE pin to VCC through a pull-up resistor; the current-sinking capability of the driver determines the minimum value of the resistor.
This 4-bit noninverting bus transceiver uses two separate configurable power-supply rails. The A port is designed to track VCCA. VCCA accepts any supply voltage from 1.2V to 3.6V. The B port is designed to track VCCB. VCCB accepts any supply voltage from 1.2V to 3.6V. The SN74AVCH4T245 is optimized to operate with VCCA/VCCB set at 1.2V to 3.6V. It is operational with VCCA/VCCB as low as 1.2V. This allows for universal low voltage bidirectional translation between any of the 1.2V, 1.5V, 1.8V, 2.5V, and 3.3V voltage nodes.
The SN74AVCH4T245 is designed for asynchronous communication between two data buses. The logic levels of the direction-control (DIR) input and the output-enable (OE) input activate either the B-port outputs or the A-port outputs or place both output ports into the high-impedance mode. The device transmits data from the A bus to the B bus when the B-port outputs are activated, and from the B bus to the A bus when the A-port outputs are activated. The input circuitry on both A and B ports is always active and must have a logic HIGH or LOW level applied to prevent excess ICC and ICCZ.
The SN74AVCH4T245 device control pins (1DIR, 2DIR, 1OE, and 2OE) are supplied by VCCA.
This device is fully specified for partial-power-down applications using Ioff. The Ioff circuitry disables the outputs, preventing damaging current backflow through the device when it is powered down.
The VCC isolation feature is designed so that if either VCC input is at GND, then both ports are in the high-impedance state. The bus-hold circuitry on the powered-up side always stays active.
Active bus-hold circuitry holds unused or undriven data inputs at a valid logic state. Use of pull-up or pull-down resistors with the bus-hold circuitry is not recommended. The bus-hold circuitry on the powered-up side always stays active.
To put the device in the high-impedance state during power up or power down, tie the OE pin to VCC through a pull-up resistor; the current-sinking capability of the driver determines the minimum value of the resistor. |
| Part | Category | Description |
|---|---|---|
Texas Instruments | Integrated Circuits (ICs) | BUS DRIVER, BCT/FBT SERIES |
Texas Instruments | Integrated Circuits (ICs) | 12BIT 3.3V~3.6V 210MHZ PARALLEL VQFN-48-EP(7X7) ANALOG TO DIGITAL CONVERTERS (ADC) ROHS |
Texas Instruments | Integrated Circuits (ICs) | TMX320DRE311 179PIN UBGA 200MHZ |
Texas Instruments TPS61040DRVTG4Unknown | Integrated Circuits (ICs) | IC LED DRV RGLTR PWM 350MA 6WSON |
Texas Instruments LP3876ET-2.5Obsolete | Integrated Circuits (ICs) | IC REG LINEAR 2.5V 3A TO220-5 |
Texas Instruments LMS1585ACSX-ADJObsolete | Integrated Circuits (ICs) | IC REG LIN POS ADJ 5A DDPAK |
Texas Instruments INA111APG4Obsolete | Integrated Circuits (ICs) | IC INST AMP 1 CIRCUIT 8DIP |
Texas Instruments | Integrated Circuits (ICs) | AUTOMOTIVE, QUAD 36V 1.2MHZ OPERATIONAL AMPLIFIER |
Texas Instruments OPA340NA/3KG4Unknown | Integrated Circuits (ICs) | IC OPAMP GP 1 CIRCUIT SOT23-5 |
Texas Instruments PT5112AObsolete | Power Supplies - Board Mount | DC DC CONVERTER 8V 8W |