SN74AHC1G126-Q1Automotive single 2-V to 5.5-V buffer with tri-state outputs | Buffers, Drivers, Receivers, Transceivers | 2 | Active | The SN74AHC1G126-Q1 is a single buffer gate with 3-state outputs and integrated voltage translation. This buffer performs the Boolean function Y = A in positive logic. The outputs can be placed into a Hi-Z state by applying a High on the OE pin.
The SN74AHC1G126-Q1 is a single buffer gate with 3-state outputs and integrated voltage translation. This buffer performs the Boolean function Y = A in positive logic. The outputs can be placed into a Hi-Z state by applying a High on the OE pin. |
SN74AHC1G14-Q1Automotive single 2-V to 5.5-V inverter with Schmitt-trigger inputs | Logic | 12 | Active | The SN74AHC1G14-Q1 is a single inverter gate. The device performs the Boolean function Y = A.
The device functions as an independent inverter gate, but because of the Schmitt action, gates may have different input threshold levels for positive-going (V T+) and negative-going (V T−) signals.
The SN74AHC1G14-Q1 is a single inverter gate. The device performs the Boolean function Y = A.
The device functions as an independent inverter gate, but because of the Schmitt action, gates may have different input threshold levels for positive-going (V T+) and negative-going (V T−) signals. |
SN74AHC1G32-Q1Automotive, one-channel two-input 2V to 5.5V high-speed (9 ns) OR gate | Integrated Circuits (ICs) | 14 | Active | The SN74AHC1G32-Q1 is a single 2-input positive-OR gate. The device performs the Boolean functionY = A + B in positive logic.
The SN74AHC1G32-Q1 is a single 2-input positive-OR gate. The device performs the Boolean functionY = A + B in positive logic. |
SN74AHC1G86-EPEnhanced product single 2-input, 2-V to 5.5-V XOR (exclusive OR) gate | Integrated Circuits (ICs) | 8 | Active | The SN74AHC1G86-Q1 is a single 2-input exclusive-OR gate. The device performs the Boolean function Y = A ⊕ B or Y = AB + A B in positive logic.
A common application is as a true/complement element. If one of the inputs is low, the other input is reproduced in true form at the output. If one of the inputs is high, the signal on the other input is reproduced inverted at the output.
The SN74AHC1G86-Q1 is a single 2-input exclusive-OR gate. The device performs the Boolean function Y = A ⊕ B or Y = AB + A B in positive logic.
A common application is as a true/complement element. If one of the inputs is low, the other input is reproduced in true form at the output. If one of the inputs is high, the signal on the other input is reproduced inverted at the output. |
| Logic | 7 | Active | The SN74AHC1GU04 device contains a single inverter gate. The device performs the Boolean function Y =A.
The SN74AHC1GU04 device contains a single inverter gate. The device performs the Boolean function Y =A. |
SN74AHC2383-line to 8-line inverting and noninverting decoder and demultiplexer with high-speed CMOS logic | Logic | 2 | Active | The SN74AHC238 is a three to eight decoder with one standard output strobe (G2) and two active low output strobes (G1 and G0). When the outputs are gated by any of the strobe inputs, they are all forced into the low state. When the outputs are not disabled by the strobe inputs, only the selected output is high while all others are low.
The SN74AHC238 is a three to eight decoder with one standard output strobe (G2) and two active low output strobes (G1 and G0). When the outputs are gated by any of the strobe inputs, they are all forced into the low state. When the outputs are not disabled by the strobe inputs, only the selected output is high while all others are low. |
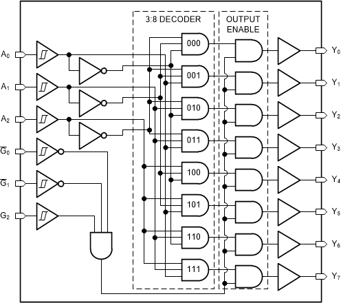
SN74AHC238-Q1Automotive 3-line to 8-line inverting and noninverting decoder and demultiplexer | Signal Switches, Multiplexers, Decoders | 1 | Active | The SN74AHC238-Q1 is a three to eight decoder with one standard output strobe (G2) and two active low output strobes (G1 and G0). When the outputs are gated by any of the strobe inputs, they are all forced into the low state. When the outputs are not disabled by the strobe inputs, only the selected output is high while all others are low.
The SN74AHC238-Q1 is a three to eight decoder with one standard output strobe (G2) and two active low output strobes (G1 and G0). When the outputs are gated by any of the strobe inputs, they are all forced into the low state. When the outputs are not disabled by the strobe inputs, only the selected output is high while all others are low. |
SN74AHC2408-ch, 2-V to 5.5-V inverters with 3-state outputs | Integrated Circuits (ICs) | 5 | Active | 8-ch, 2-V to 5.5-V inverters with 3-state outputs |
SN74AHC244-Q1Enhanced product 8-ch, 2-V to 5.5-V buffers with 3-state outputs | Integrated Circuits (ICs) | 19 | Active | This octal buffer/driver is designed specifically to improve the performance and density of 3-state memory-address drivers, clock drivers, and bus-oriented receivers and transmitters.
The SN74AHC244 is organized as two 4-bit buffers/line drivers with separate output-enable (OE)\ inputs. When OE\ is low, the device passes data from the A inputs to the Y outputs. When OE\ is high, the outputs are in the high-impedance state.
To ensure the high-impedance state during power up or power down, OE\ should be tied to VCCthrough a pullup resistor; the minimum value of the resistor is determined by the current-sinking capability of the driver.
This octal buffer/driver is designed specifically to improve the performance and density of 3-state memory-address drivers, clock drivers, and bus-oriented receivers and transmitters.
The SN74AHC244 is organized as two 4-bit buffers/line drivers with separate output-enable (OE)\ inputs. When OE\ is low, the device passes data from the A inputs to the Y outputs. When OE\ is high, the outputs are in the high-impedance state.
To ensure the high-impedance state during power up or power down, OE\ should be tied to VCCthrough a pullup resistor; the minimum value of the resistor is determined by the current-sinking capability of the driver. |
SN74AHC245-EPAutomotive Catalog Octal Bus Transceivers With 3-State Outputs | Buffers, Drivers, Receivers, Transceivers | 14 | Active | The SN74AHC245Q octal bus transceiver is designed for asynchronous two-way communication between data buses. The control-function implementation minimizes external timing requirements.
This device allows data transmission from the A bus to the B bus or from the B bus to the A bus, depending on the logic level at the direction-control (DIR) input. The output-enable (OE)\ input can be used to disable the device so that the buses are effectively isolated.
To ensure the high-impedance state during power up or power down, (OE)\ should be tied to VCCthrough a pullup resistor; the minimum value of the resistor is determined by the current-sinking capability of the driver.
The SN74AHC245Q octal bus transceiver is designed for asynchronous two-way communication between data buses. The control-function implementation minimizes external timing requirements.
This device allows data transmission from the A bus to the B bus or from the B bus to the A bus, depending on the logic level at the direction-control (DIR) input. The output-enable (OE)\ input can be used to disable the device so that the buses are effectively isolated.
To ensure the high-impedance state during power up or power down, (OE)\ should be tied to VCCthrough a pullup resistor; the minimum value of the resistor is determined by the current-sinking capability of the driver. |