| Integrated Circuits (ICs) | 1 | Active | SN54LS673, SN74LS673
The 'LS673 is a 16-bit shift register and a 16-bit storage register in a single 24-pin package. A three-state input/output (SER/Q15) port to the shift register allows serial entry and/or reading of data. The storage register is connected in a parallel data loop with the shift register and may be asynchronously cleared by taking the store-clear input low. The storage register may be parallel loaded with shift-register data to provide shift-register status via the parallel outputs. The shift register can be parallel loaded with the storage-register data upon commmand.
A high logic level at the chip-level (CS\) input disables both the shift-register clock and the storage register clock and places SER/Q15 in the high-impedance state. The store-clear function is not disabled by the chip select.
Caution must be exercised to prevent false clocking of either the shift register or the storage register via the chip-select input. The shift clock should be low during the low-to-high transition of chip select and the store clock should be low during the high-to-low transition of chip select.
SN54LS674, SN74LS674
The 'LS674 is a 16-bit parallel-in, serial-out shift register. A three-state input/output (SER/Q15) port provides access for entering a serial data or reading the shift-register word in a recirculating loop.
The device has four basic modes of operation:
Low-to-high-level changes at the chip select input should be made only when the clock input is low to prevent false clocking.
SN54LS673, SN74LS673
The 'LS673 is a 16-bit shift register and a 16-bit storage register in a single 24-pin package. A three-state input/output (SER/Q15) port to the shift register allows serial entry and/or reading of data. The storage register is connected in a parallel data loop with the shift register and may be asynchronously cleared by taking the store-clear input low. The storage register may be parallel loaded with shift-register data to provide shift-register status via the parallel outputs. The shift register can be parallel loaded with the storage-register data upon commmand.
A high logic level at the chip-level (CS\) input disables both the shift-register clock and the storage register clock and places SER/Q15 in the high-impedance state. The store-clear function is not disabled by the chip select.
Caution must be exercised to prevent false clocking of either the shift register or the storage register via the chip-select input. The shift clock should be low during the low-to-high transition of chip select and the store clock should be low during the high-to-low transition of chip select.
SN54LS674, SN74LS674
The 'LS674 is a 16-bit parallel-in, serial-out shift register. A three-state input/output (SER/Q15) port provides access for entering a serial data or reading the shift-register word in a recirculating loop.
The device has four basic modes of operation:
Low-to-high-level changes at the chip select input should be made only when the clock input is low to prevent false clocking. |
SN54LS6888-Bit Identity/Magnitude Comparators (P=Q) with Enable | Integrated Circuits (ICs) | 5 | Active | These magnitude comparators perform comparisons of two eight-bit binary or BCD words. All types provide P = Q\ outputs and all except 'LS688 provide P > Q\ outputs as well. The 'LS682, 'LS684, 'LS686, and 'LS688 have totem-pole outputs, while the 'LS685 and 'LS687 have open-collector outputs. The 'LS682 features 20-kpullup termination resistors on the Q inputs for analog or switch data.
These magnitude comparators perform comparisons of two eight-bit binary or BCD words. All types provide P = Q\ outputs and all except 'LS688 provide P > Q\ outputs as well. The 'LS682, 'LS684, 'LS686, and 'LS688 have totem-pole outputs, while the 'LS685 and 'LS687 have open-collector outputs. The 'LS682 features 20-kpullup termination resistors on the Q inputs for analog or switch data. |
SN54LS73ADual J-K Flip-Flops With Clear and 3-state Outputs | Logic | 2 | Active | The '73, and 'H73, contain two independent J-K flip-flops with individual J-K, clock, and direct clear inputs. The '73, and 'H73, are positive pulse-triggered flip-flops. J-K input is loaded into the master while the clock is high and transferred to the slave on the high-to-low transition. For these devices the J and K inputs must be stable while the clock is high.
The 'LS73A contains two independent negative-edge-triggered flip-flops. The J and K inputs must be stable one setup time prior to the high-to-low clock transition for predictable operation. When the clear is low, it overrides the clock and data inputs forcing the Q output low and the Q\ output high.
The SN5473, SN54H73, and the SN54LS73A are characterized for operation over the full military temperature range of -55°C to 125°C. The SN7473, and the SN74LS73A are characterized for operation from 0°C to 70°C.
The '73, and 'H73, contain two independent J-K flip-flops with individual J-K, clock, and direct clear inputs. The '73, and 'H73, are positive pulse-triggered flip-flops. J-K input is loaded into the master while the clock is high and transferred to the slave on the high-to-low transition. For these devices the J and K inputs must be stable while the clock is high.
The 'LS73A contains two independent negative-edge-triggered flip-flops. The J and K inputs must be stable one setup time prior to the high-to-low clock transition for predictable operation. When the clear is low, it overrides the clock and data inputs forcing the Q output low and the Q\ output high.
The SN5473, SN54H73, and the SN54LS73A are characterized for operation over the full military temperature range of -55°C to 125°C. The SN7473, and the SN74LS73A are characterized for operation from 0°C to 70°C. |
| Latches | 1 | Active | These latches are ideally suited for use as temporary storage for binary information between processing units and input/output or indicator units. Information present at a data (D) input is transferred to the Q output when the enable (C) is high and the Q output will follow the data input as long as the enable remains high. When the enable goes low, the information (that was present at the data input at the time the transition occurred) is retained at the Q output until the enable is permitted to go high.
The '75 and 'LS75 feature complementary Q and Q\ outputs from a 4-bit latch, and are available in various 16-pin packages. For higher component density applications, the '77 and 'LS77 4-bit latches are available in 14-pin flat packages.
These circuits are completely compatible with all popular TTL families. All inputs are diode-clamped to minimize transmission-line effects and simplify system design. Series 54 and 54LS devices are characterized for operation over the full military temperature range of -55°C to 125°C; Series 74, and 74LS devices are characterized for operation from 0°C to 70°C.
These latches are ideally suited for use as temporary storage for binary information between processing units and input/output or indicator units. Information present at a data (D) input is transferred to the Q output when the enable (C) is high and the Q output will follow the data input as long as the enable remains high. When the enable goes low, the information (that was present at the data input at the time the transition occurred) is retained at the Q output until the enable is permitted to go high.
The '75 and 'LS75 feature complementary Q and Q\ outputs from a 4-bit latch, and are available in various 16-pin packages. For higher component density applications, the '77 and 'LS77 4-bit latches are available in 14-pin flat packages.
These circuits are completely compatible with all popular TTL families. All inputs are diode-clamped to minimize transmission-line effects and simplify system design. Series 54 and 54LS devices are characterized for operation over the full military temperature range of -55°C to 125°C; Series 74, and 74LS devices are characterized for operation from 0°C to 70°C. |
SN54LS76ADual J-K Flip-Flops With Preset And Clear | Flip Flops | 1 | Active | The '76 contains two independent J-K flip-flops with individual J-K, clock, preset, and clear inputs. The '76 is a positive-edge-triggered flip-flop. J-K input is loaded into the master while the clock is high and transferred to the slave on the high-to-low transition. For these devices the J and K inputs must be stable while the clock is high.
The 'LS76A contain two independent negative-edge-triggered flip-flops. The J and K inputs must be stable one setup time prior to the high-to-low clock transition for predictable operation. The preset and clear are asynchronous active low inputs. When low they override the clock and data inputs forcing the outputs to the steady state levels as shown in the function table.
The SN5476 and the SN54LS76A are characterized for operation over the full military temperature range of -55°C to 125°C. The SN7476 and the SN74LS76A are characterized for operation from 0°C to 70°C.
The '76 contains two independent J-K flip-flops with individual J-K, clock, preset, and clear inputs. The '76 is a positive-edge-triggered flip-flop. J-K input is loaded into the master while the clock is high and transferred to the slave on the high-to-low transition. For these devices the J and K inputs must be stable while the clock is high.
The 'LS76A contain two independent negative-edge-triggered flip-flops. The J and K inputs must be stable one setup time prior to the high-to-low clock transition for predictable operation. The preset and clear are asynchronous active low inputs. When low they override the clock and data inputs forcing the outputs to the steady state levels as shown in the function table.
The SN5476 and the SN54LS76A are characterized for operation over the full military temperature range of -55°C to 125°C. The SN7476 and the SN74LS76A are characterized for operation from 0°C to 70°C. |
| Counters, Dividers | 2 | Active | Each of these monolithic counters contains four master-slave flip-flops and additional gating to provide a divide-by-two counter and a three-stage binary counter for which the count cycle length is divide-by-five for the '90A and 'LS90, divide-by-six for the '92A and 'LS92, and the divide-by eight for the '93A and 'LS93.
All of these counters have a gated zero reset and the '90A and 'LS90 also have gated set-to-nine inputs for use in BCD nine's complement applications.
To use their maximum count length (decade, divide-by-twelve, or four-bit binary) of these counters, the CKB input is connected to the QAoutput. The input count pulses are applied to CKA input and the outputs are as described in the appropriate function table. A symmetrical divide-by-ten count can be obtained from the '90A or 'LS90 counters by connecting the QDoutput to the CKA input and applying the input count to the CKB input which gives a divide-by-ten square wave at output QA.
Each of these monolithic counters contains four master-slave flip-flops and additional gating to provide a divide-by-two counter and a three-stage binary counter for which the count cycle length is divide-by-five for the '90A and 'LS90, divide-by-six for the '92A and 'LS92, and the divide-by eight for the '93A and 'LS93.
All of these counters have a gated zero reset and the '90A and 'LS90 also have gated set-to-nine inputs for use in BCD nine's complement applications.
To use their maximum count length (decade, divide-by-twelve, or four-bit binary) of these counters, the CKB input is connected to the QAoutput. The input count pulses are applied to CKA input and the outputs are as described in the appropriate function table. A symmetrical divide-by-ten count can be obtained from the '90A or 'LS90 counters by connecting the QDoutput to the CKA input and applying the input count to the CKB input which gives a divide-by-ten square wave at output QA. |
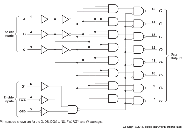
| Integrated Circuits (ICs) | 3 | Active | The SN74LVC138A devices are designed for high-performance memory-decoding or data-routing applications requiring very short propagation delay times. In high-performance memory systems, these decoders minimize the effects of system decoding. When employed with high-speed memories using a fast enable circuit, delay times of these decoders and the enable time of the memory usually are less than the typical access time of the memory. This means that the effective system delay introduced by the decoders is negligible.
The SN74LVC138A devices are designed for high-performance memory-decoding or data-routing applications requiring very short propagation delay times. In high-performance memory systems, these decoders minimize the effects of system decoding. When employed with high-speed memories using a fast enable circuit, delay times of these decoders and the enable time of the memory usually are less than the typical access time of the memory. This means that the effective system delay introduced by the decoders is negligible. |
SN54LVC373AOCTAL TRANSPARENT D-TYPE LATCHES WITH 3-STATE OUTPUTS | Integrated Circuits (ICs) | 1 | Active | The SN54LVC373A octal transparent D-type latch is designed for 2.7-V to 3.6-V VCCoperation, and the SN74LVC373A octal transparent D-type latch is designed for 1.65-V to 3.6-V VCCoperation.
The SN54LVC373A octal transparent D-type latch is designed for 2.7-V to 3.6-V VCCoperation, and the SN74LVC373A octal transparent D-type latch is designed for 1.65-V to 3.6-V VCCoperation. |
SN54LVC374AOCTAL EDGE-TRIGGERED D-TYPE FLIP-FLOPS WITH 3-STATE OUTPUTS | Integrated Circuits (ICs) | 2 | Active | The SN54LVC374A octal edge-triggered D-type flip-flop is designed for 2.7-V to 3.6-V VCCoperation, and the SN74LVC374A octal edge-triggered D-type flip-flop is designed for 1.65-V to 3.6-V VCCoperation.
The SN54LVC374A octal edge-triggered D-type flip-flop is designed for 2.7-V to 3.6-V VCCoperation, and the SN74LVC374A octal edge-triggered D-type flip-flop is designed for 1.65-V to 3.6-V VCCoperation. |
SN54LVC573AOCTAL TRANSPARENT D-TYPE LATCHES WITH 3-STATE OUTPUTS | Logic | 1 | Active | The SN54LVC573A octal transparent D-type latch is designed for 2.7-V to 3.6-V VCCoperation, and the SN74LVC573A octal transparent D-type latch is designed for 1.65-V to 3.6-V VCCoperation. These devices feature 3-state outputs designed specifically for driving highly capacitive or relatively low-impedance loads. They are particularly suitable for implementing buffer registers, input/output (I/O) ports, bidirectional bus drivers, and working registers.
The SN54LVC573A octal transparent D-type latch is designed for 2.7-V to 3.6-V VCCoperation, and the SN74LVC573A octal transparent D-type latch is designed for 1.65-V to 3.6-V VCCoperation. These devices feature 3-state outputs designed specifically for driving highly capacitive or relatively low-impedance loads. They are particularly suitable for implementing buffer registers, input/output (I/O) ports, bidirectional bus drivers, and working registers. |