S
STMicroelectronics
| Series | Category | # Parts | Status | Description |
|---|---|---|---|---|
| Part | Spec A | Spec B | Spec C | Spec D | Description |
|---|---|---|---|---|---|
| Series | Category | # Parts | Status | Description |
|---|---|---|---|---|
| Part | Spec A | Spec B | Spec C | Spec D | Description |
|---|---|---|---|---|---|
| Series | Category | # Parts | Status | Description |
|---|---|---|---|---|
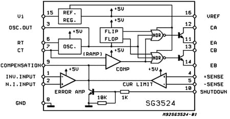
SG3524Voltage Mode PWM | Power Management (PMIC) | 1 | Active | The SG3524 incorporates on a single monolithic chip all the function required for the construction of regulating power suppies inverters or switching regulators. They can also be used as the control element for high power-output applications. The SG3524 family was designed for switching regulators of either polarity, transformer-coupled dc-to-dc converters, transformerless voltage doublers and polarity converter applications employing fixed-frequency, pulse-width modulation techniques. The dual alternating outputs allows either single-ended or push-pull applications.
Each device includes an on-ship reference, error amplifier, programmable oscillator, pulse-steering flip flop, two uncommitted output transistors, a high-gain comparator, and current-limiting and shut-down circuitry. |
SG3525Voltage Mode PWM | Voltage Regulators - DC DC Switching Controllers | 2 | Active | The SG3525A series of pulse width modulator integrated circuits are designed to offer improved performance and lowered external parts count when used in designing all types of switching power supplies. The on-chip + 5.1 V reference is trimmed to ±1 % and the input common-mode range of the error amplifier includes the reference voltage eliminating external resistors. A sync input to the oscillator allows multiple units to be slaved or a single unit to be synchronized to an external system clock. A single resistor between the CTand the discharge terminals provide a wide range of dead time ad- justment.These devices also feature built-in soft-start circuitry with only an external timing capacitor required. A shutdown terminal controls both the soft-start circuity and the output stages, providing instantaneous turn off through the PWM latch with pulsed shutdown,as well as soft-start recycle with longer shutdown commands. These functions are also controlled by an undervoltage lockout which keeps the outputs off and the soft-start capacitor discharged for sub-normal input voltages. This lockout circuitry includes approximately 500 mV of hysteresis for jitter-free operation. Another feature of these PWM circuits is a latch following the comparator. Once a PWM pulses has been terminated for any reason,the outputs will remain off for the duration of the period. The latch is reset with each clock pulse. The output stages are totem-pole designs capable of sourcing or sinking in excess of 200 mA. The SG3525A output stage features NOR logic, giving a LOW output for an OFF state. |
SGT120R65AL650 V, 75 mOhm typ., 15 A, e-mode PowerGaN transistor | Discrete Semiconductor Products | 1 | Active | The SGT120R65AL is a 650 V, 15 A e-mode PowerGaN transistor combined with a well established packaging technology. The resulting G-HEMT device provides extremely low conduction losses, high current capability and ultra fast switching operation to enable high power density and unbeatable efficiency performances. |
SGT65R65AL650 V, 49 mOhm typ., 25 A, e-mode PowerGaN transistor | FETs, MOSFETs | 1 | Active | The SGT65R65AL is a 650 V, 25 A e-mode PowerGaN transistor combined with a well established packaging technology. The resulting G-HEMT device provides extremely low conduction losses, high current capability and ultra fast switching operation to enable high power density and unbeatable efficiency performances. |
SH32N65DM6AGAutomotive-grade N-channel 650 V, 89 mOhm typ., 32 A MDmesh DM6 half-bridge topology Power MOSFET in an ACEPACK SMIT package | Transistors | 1 | Active | This device combines two MOSFETs in a half-bridge topology. The ACEPACK SMIT is a very compact and rugged power module in a surface mount package for easy assembly. Thanks to the DBC substrate, the ACEPACK SMIT package offers low thermal resistance coupled with an isolated top-side thermal pad. The high design flexibility of the package enables several configurations, including phase legs, boost, and single switch through different combinations of the internal power switches. |
SH63N65DM6AGAutomotive-grade N-channel 650 V, 56 mOhm typ., 53 A MDmesh DM6 Power MOSFET in an ACEPACK SMIT package | FET, MOSFET Arrays | 1 | Active | This device combines two MOSFETs in a half-bridge topology. The ACEPACK SMIT is a very compact and rugged power module in a surface mount package for easy assembly. Thanks to the DBC substrate, the ACEPACK SMIT package offers low thermal resistance coupled with an isolated top-side thermal pad. The high design flexibility of the package enables several configurations, including phase legs, boost, and single switch through different combinations of the internal power switches. |
SH68N65DM6AGAutomotive-grade N-channel 650 V, 35 mOhm typ., 64 A MDmesh DM6 half-bridge topology Power MOSFET in an ACEPACK SMIT package | Discrete Semiconductor Products | 1 | Active | This device combines two MOSFETs in a half-bridge topology. The ACEPACK SMIT is a very compact and rugged power module in a surface mount package for easy assembly. Thanks to the DBC substrate, the ACEPACK SMIT package offers low thermal resistance coupled with an isolated top-side thermal pad. The high design flexibility of the package enables several configurations, including phase legs, boost, and single switch through different combinations of the internal power switches. |
SLVU2.8Low Voltage Unit for Gigabit Ethernet protection | TVS | 1 | Active | The SLVU2.8 series has been designed to protect Ethernet line. Its low capacitance makes it compatible with Gigabit Ethernet.
SLVU2.8-4A1 is designed to be compatible with Gigabiit Ethernet and Gigabit PoE by using two SO-8 packages and can be used on 10/100 Mbps Ethernet by using a single device.
SLVU2.8-8A1 is designed to be compatible with Gigabiit Ethernet and Gigabit PoE by using a single SO-8 package.
Surge capability is compatible with IEC 61000-4-5 class 2 (1 kV, 42 Ω, 24 A).
Packaged in SO-8, the SLVU2.8 is a flow-through design in order to minimize trace inductances. Footprint is in accordance with IPC 7531 standard. |
SM15T100A1500 W, 85.5 V TVS in SMC | Circuit Protection | 1 | Active | The SM15T TVS series is designed to protect sensitive equipment against electrostatic discharges according to IEC 61000-4-2, MIL STD 883 Method 3015, and electrical overstress such as IEC 61000-4-4 and 5. They are used for surges below 1500 W 10/1000 μs.
This planar technology makes it compatible with high-end equipment and SMPS where low leakage current and high junction temperature are required to provide reliability and stability over time. |
SM15T12CAYAutomotive 1500 W, 10.2 V TVS in SMC | Circuit Protection | 2 | Active | The SM15TY series are designed to protect sensitive automotive circuits against surges defined in ISO 7637-2 and against electrostatic discharges according to ISO 10605.
The Planar technology makes it compatible with high-end circuits where low leakage current and high junction temperature are required to provide long term reliability and stability. |
| Part | Category | Description |
|---|---|---|
STMicroelectronics EMIF09-SD01F3Obsolete | Filters | FILTER RC(PI) 40 OHM/20PF SMD |
STMicroelectronics | Integrated Circuits (ICs) | STM32 DYNAMIC EFFICIENCY MCU WITH BAM, HIGH-PERFORMANCE AND DSP WITH FPU, ARM CORTEX-M4 MCU WITH 1 MBYTE OF FLASH MEMORY, 100 MHZ CPU, ART ACCELERATOR, DFSDM |
STMicroelectronics | Integrated Circuits (ICs) | 32-BIT POWER ARCHITECTURE MCU FOR AUTOMOTIVE BODY AND GATEWAY APPLICATIONS |
STMicroelectronics | Integrated Circuits (ICs) | MCU 32-BIT E200Z0H RISC 128KB FLASH 3.3V/5V AUTOMOTIVE AEC-Q100 64-PIN LQFP T/R |
STMicroelectronics | Development Boards Kits Programmers | DEMONSTRATION BOARD FOR SINGLE CHANNEL OP-AMP IN SO8 PACKAGE |
STMicroelectronics LDLN025J30RLTB | Integrated Circuits (ICs) | IC REG LINEAR 3V 250MA 4FLIPCHIP |
STMicroelectronics ST25RU3993-EVALObsolete | Development Boards Kits Programmers | ST25RU3993 READER IC EVALUATION BOARD |
STMicroelectronics | Integrated Circuits (ICs) | ARM-BASED 32-BIT MCU+FPU, 84MHZ, 128KB FLASH, 49-PIN WLCSP, -40 TO 85°C T/R |
STMicroelectronics STP12NM60NObsolete | Discrete Semiconductor Products | MOSFET N-CH 600V 10A TO220AB |
STMicroelectronics VND1NV04Obsolete | Integrated Circuits (ICs) | IC PWR DRIVER N-CHANNEL 1:1 DPAK |