R
Renesas Electronics Corporation
| Series | Category | # Parts | Status | Description |
|---|---|---|---|---|
| Part | Spec A | Spec B | Spec C | Spec D | Description |
|---|---|---|---|---|---|
| Series | Category | # Parts | Status | Description |
|---|---|---|---|---|
| Part | Spec A | Spec B | Spec C | Spec D | Description |
|---|---|---|---|---|---|
| Series | Category | # Parts | Status | Description |
|---|---|---|---|---|
| Microcontrollers | 2 | Active | ||
| Integrated Circuits (ICs) | 4 | Active | ||
| Clock Buffers, Drivers | 1 | Obsolete | ||
| Drivers, Receivers, Transceivers | 2 | Active | ||
| Clock Generators, PLLs, Frequency Synthesizers | 1 | Obsolete | ||
| Clock/Timing | 1 | Obsolete | ||
MC100ES61302.5V/3.3V,1:4 PECL CLock Driver With 2:1 Input MUX | Clock/Timing | 1 | Obsolete | The MC100ES6130 is a 2.5 GHz differential PECL 1:4 fanout buffer. The ES6130 offers a wide operating range of 2.5 V and 3.3 V and also features a 2:1 input MUX which is ideal for redundant clock switchover applications. This device also includes a synchronous enable pin that forces the outputs into a fixed logic state. Enable or disable state is initiated only after the outputs are in a LOW state to eliminate the possibility of a runt clock pulse. |
| Integrated Circuits (ICs) | 1 | Active | ||
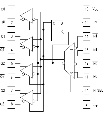
MC100ES6221Low Voltage 1:20 Differential ECL/PECL/HSTL Clock Fanout Buffer | Clock/Timing | 1 | Obsolete | The MC100ES6221 is a bipolar monolithic differential clock fanout buffer. Designed for most demanding clock distribution systems, the MC100ES6221 supports various applications that require the distribution of precisely aligned differential clock signals. Using SiGe technology and a fully differential architecture, the device offers very low skew outputs and superior digital signal characteristics. Target applications for this clock driver is high performance clock distribution in computing, networking and telecommunication systems. |
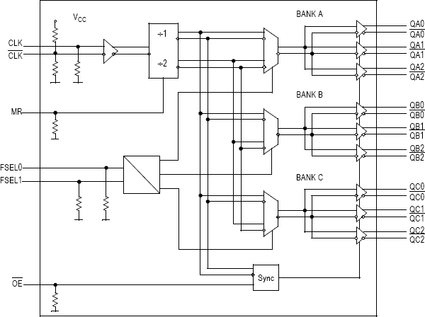
MC100ES62262.5V/3.3V Differential LVPECL 1:9 Clock Distribution Buffer And Clock Driver | Clock Buffers, Drivers | 1 | Obsolete | MC100ES6226 is designed for very skew critical differential clock distribution systems and supports clock frequencies from DC up to 3.0 GHz. Typical applications for the MC100ES6226 are primary clock distribution systems on backplanes of high-performance computer, networking and telecommunication systems, as well as on-board clocking of OC-3, OC-12 and OC-48 speed communication systems. The MC100ES6226 can be operated from a 3.3 V or 2.5 V positive supply without the requirement of a negative supply line. Each of the output banks of three differential clock output pairs may be independently configured to distribute the input frequency or half of the input frequency. The FSEL0 and FSEL1 clock frequency selects are asynchronous control inputs. Any changes of the control inputs require a MR pulse for resynchronization of the ÷2 outputs. |
| Part | Category | Description |
|---|---|---|
Renesas Electronics Corporation | Integrated Circuits (ICs) | IC MCU 32BIT 1MB FLASH 48LFQFP |
Renesas Electronics Corporation | Integrated Circuits (ICs) | 16-BIT GENERAL MCU RL78/G23 96K |
Renesas Electronics Corporation | Isolators | OPTOISOLATOR 5KV TRANS 4SMD |
Renesas Electronics Corporation | Integrated Circuits (ICs) | IC REG PQFN |
Renesas Electronics Corporation X1228S14-2.7Obsolete | Integrated Circuits (ICs) | IC RTC CLK/CALENDAR I2C 14SOIC |
Renesas Electronics Corporation | Integrated Circuits (ICs) | 32-BIT MICROCONTROLLER OPTIMIZED FOR DUAL-MOTOR AND PFC CONTROL |
Renesas Electronics Corporation R5F104FJAFP#V0Obsolete | Integrated Circuits (ICs) | LOW POWER, HIGH FUNCTION, GENERAL PURPOSE MICROCONTROLLERS FOR MOTOR CONTROL, INDUSTRIAL AND METERING APPLICATIONS |
Renesas Electronics Corporation MK1493-03BGILFTRObsolete | Integrated Circuits (ICs) | IC CLOCK GENERATOR 48TSSOP |
Renesas Electronics Corporation | Development Boards Kits Programmers | E10A-USB SH4AL-DSP LICENSE TOOL |
Renesas Electronics Corporation | Integrated Circuits (ICs) | 32BIT MCU R32C/100X |