R
Renesas Electronics Corporation
| Series | Category | # Parts | Status | Description |
|---|---|---|---|---|
| Part | Spec A | Spec B | Spec C | Spec D | Description |
|---|---|---|---|---|---|
| Series | Category | # Parts | Status | Description |
|---|---|---|---|---|
| Part | Spec A | Spec B | Spec C | Spec D | Description |
|---|---|---|---|---|---|
| Part | Category | Description |
|---|---|---|
Renesas Electronics Corporation | Integrated Circuits (ICs) | IC MCU 32BIT 1MB FLASH 48LFQFP |
Renesas Electronics Corporation | Integrated Circuits (ICs) | 16-BIT GENERAL MCU RL78/G23 96K |
Renesas Electronics Corporation | Isolators | OPTOISOLATOR 5KV TRANS 4SMD |
Renesas Electronics Corporation | Integrated Circuits (ICs) | IC REG PQFN |
Renesas Electronics Corporation X1228S14-2.7Obsolete | Integrated Circuits (ICs) | IC RTC CLK/CALENDAR I2C 14SOIC |
Renesas Electronics Corporation | Integrated Circuits (ICs) | 32-BIT MICROCONTROLLER OPTIMIZED FOR DUAL-MOTOR AND PFC CONTROL |
Renesas Electronics Corporation R5F104FJAFP#V0Obsolete | Integrated Circuits (ICs) | LOW POWER, HIGH FUNCTION, GENERAL PURPOSE MICROCONTROLLERS FOR MOTOR CONTROL, INDUSTRIAL AND METERING APPLICATIONS |
Renesas Electronics Corporation MK1493-03BGILFTRObsolete | Integrated Circuits (ICs) | IC CLOCK GENERATOR 48TSSOP |
Renesas Electronics Corporation | Development Boards Kits Programmers | E10A-USB SH4AL-DSP LICENSE TOOL |
Renesas Electronics Corporation | Integrated Circuits (ICs) | 32BIT MCU R32C/100X |
| Series | Category | # Parts | Status | Description |
|---|---|---|---|---|
| Memory | 1 | Obsolete | ||
| Memory | 1 | Obsolete | ||
7014S204K x 9 Dual-Port RAM | Integrated Circuits (ICs) | 4 | Active | The 7014 is a high-speed 4K x 9 Dual-Port Static RAM designed to be used in systems where on-chip hardware port arbitration is not needed. This part lends itself to high-speed applications which do not rely on BUSY signals to manage simultaneous access. It utilizes a 9-bit wide data path to allow for parity at the user's option which is useful in data communication applications where it is necessary to use a parity bit for transmission/ reception error checking. |
| Integrated Circuits (ICs) | 1 | Obsolete | ||
| Memory | 1 | Obsolete | ||
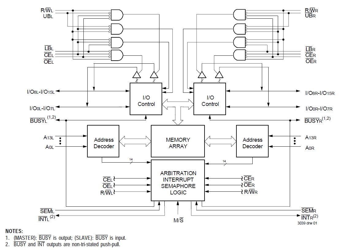
7024S254K x 16 Dual-Port RAM | Integrated Circuits (ICs) | 80 | Active | The 7024 is a high-speed 4Kx 16 Dual-Port Static RAM designed to be used as a stand-alone 64K-bit Dual-Port RAM or as a combination MASTER/SLAVE Dual-Port RAM for 32-bit or more word systems. An automatic power down feature controlled by Chip Enable (CE) permits the on-chip circuitry of each port to enter a very low standby power mode. Military grade product in compliance with MIL-PRF-38535 QML is available. |
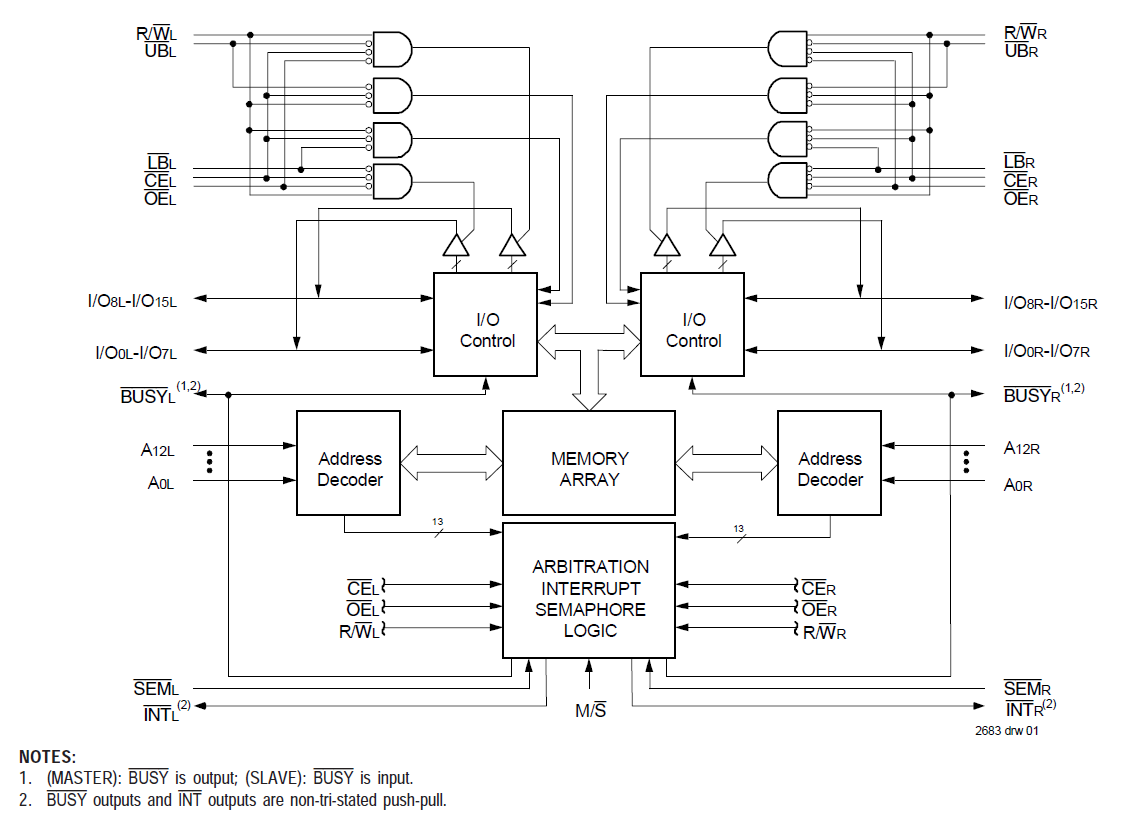
7025L258K x 16 Dual-Port RAM | Memory | 58 | Active | The 7025 is a high-speed 8K x 16 Dual-Port Static RAM designed to be used as a stand-alone 128K-bit Dual-Port RAM or as a combination MASTER/SLAVE Dual-Port RAM for 32-bit or more word systems. An automatic power down feature controlled by Chip Enable (CE) permits the on-chip circuitry of each port to enter a very low standby power mode. Military grade product in compliance with MIL-PRF-38535 QML is available. |
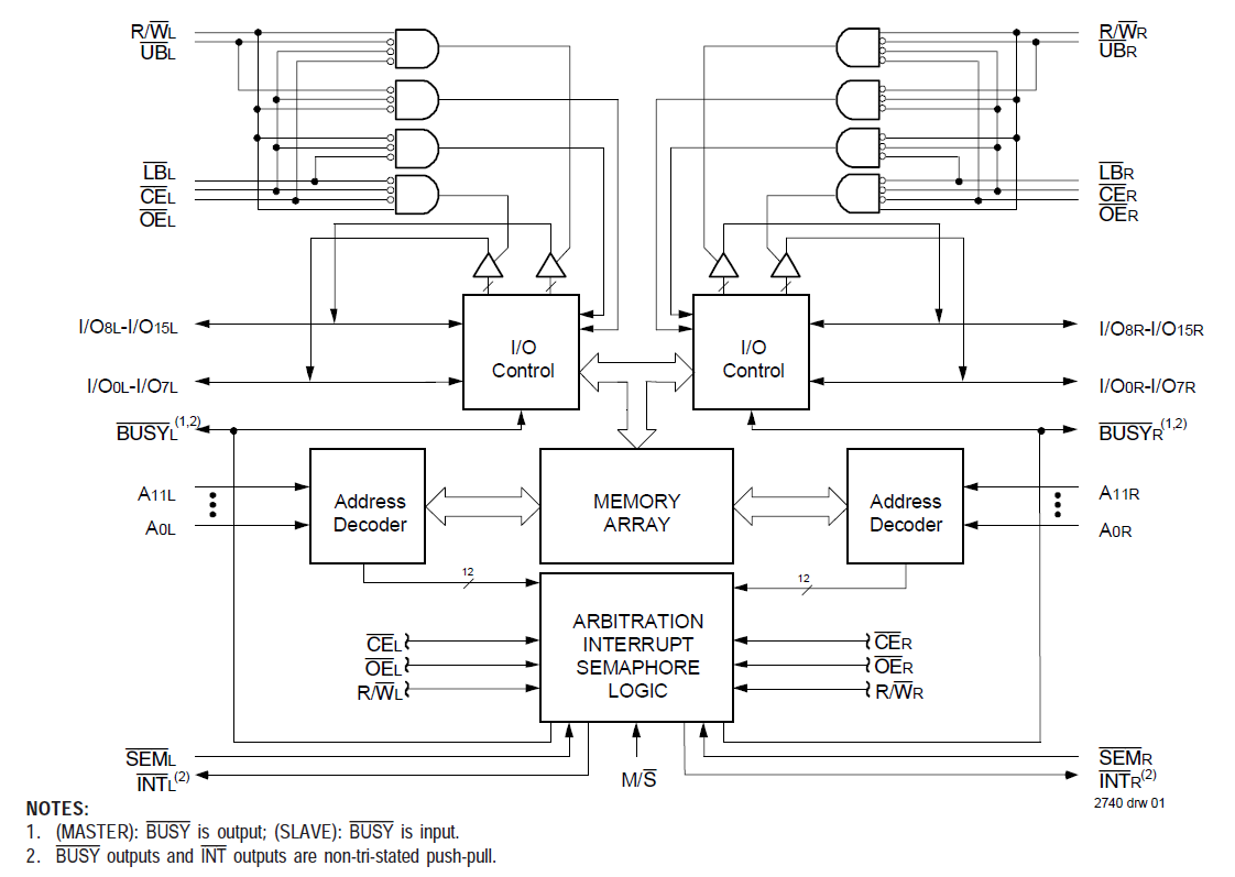
70261S1516K x 16 Dual-Port RAM w/Int | Integrated Circuits (ICs) | 26 | Obsolete | The 70261 is a high-speed 16K x 16 Dual-Port Static RAM designed to be used as a stand-alone Dual-Port RAM or as a combination MASTER/SLAVE Dual-Port RAM for 32-bit-or-more word systems. An automatic power down feature controlled by CE permits the on-chip circuitry of each port to enter a very low standby power mode. |
| Memory | 2 | Obsolete | ||
| Integrated Circuits (ICs) | 1 | Obsolete | ||