R
Renesas Electronics Corporation
| Series | Category | # Parts | Status | Description |
|---|---|---|---|---|
| Part | Spec A | Spec B | Spec C | Spec D | Description |
|---|---|---|---|---|---|
| Series | Category | # Parts | Status | Description |
|---|---|---|---|---|
| Part | Spec A | Spec B | Spec C | Spec D | Description |
|---|---|---|---|---|---|
| Part | Category | Description |
|---|---|---|
Renesas Electronics Corporation | Integrated Circuits (ICs) | IC MCU 32BIT 1MB FLASH 48LFQFP |
Renesas Electronics Corporation | Integrated Circuits (ICs) | 16-BIT GENERAL MCU RL78/G23 96K |
Renesas Electronics Corporation | Isolators | OPTOISOLATOR 5KV TRANS 4SMD |
Renesas Electronics Corporation | Integrated Circuits (ICs) | IC REG PQFN |
Renesas Electronics Corporation X1228S14-2.7Obsolete | Integrated Circuits (ICs) | IC RTC CLK/CALENDAR I2C 14SOIC |
Renesas Electronics Corporation | Integrated Circuits (ICs) | 32-BIT MICROCONTROLLER OPTIMIZED FOR DUAL-MOTOR AND PFC CONTROL |
Renesas Electronics Corporation R5F104FJAFP#V0Obsolete | Integrated Circuits (ICs) | LOW POWER, HIGH FUNCTION, GENERAL PURPOSE MICROCONTROLLERS FOR MOTOR CONTROL, INDUSTRIAL AND METERING APPLICATIONS |
Renesas Electronics Corporation MK1493-03BGILFTRObsolete | Integrated Circuits (ICs) | IC CLOCK GENERATOR 48TSSOP |
Renesas Electronics Corporation | Development Boards Kits Programmers | E10A-USB SH4AL-DSP LICENSE TOOL |
Renesas Electronics Corporation | Integrated Circuits (ICs) | 32BIT MCU R32C/100X |
| Series | Category | # Parts | Status | Description |
|---|---|---|---|---|
ISL976912.4V LED Driver with Independent Analog and PWM Dimming Controls of 2 Backlights for 3D Application | PMIC | 3 | Obsolete | The ISL97691 is Intersil’s highly integrated 4 channel LED driver for single cell Li-Ion battery operated mobile displays requiring analog dimming, and for 3D mobile display applications. It drives four 40mA channels of LEDs up to 26V from an input supply 2. 4V to 5. 5V. The ISL97691 will also drive 60mA channels up to 21V at 30% duty for high peak current 3D modes. The ISL97691 provides 4 channels of current with 2 independent analog dimming controls and 2 independent PWM dimming controls. Channels 1 and 2 form one channel group and channels 3 and 4 form the other channel group. Each channel group’s analog dimming is controlled through 1-Wire communication with 6-bit resolution and each channel group’s PWM dimming is controlled by a separate PWM input. This unique setup allows 2D or 3D application where independent and dynamic channel control of LED peak current and PWM dimming duty cycle are possible. The ISL97691 employs adaptive boost architecture that allows ultra low dimming duty cycle as low as 0. 005% at 100Hz dimming frequency. The driver features dynamic headroom control that monitors the highest LED forward voltage string and uses its feedback signal for the minimum output regulation. The ISL97691 incorporates extensive protection functions including string open and short circuit detections, OVP, and OTP. The switching frequency can be adjusted from 400kHz to 1. 5MHz. The device is offered in a 16 Ld TQFN 3x3mm package and can operate in ambient temperature from -40°C to +85°C. |
ISL97692Single or Multiple Cell Li-ion Battery Powered 4-Channel LED Driver | Power Management (PMIC) | 3 | Active | The ISL97692, ISL97693, ISL97694A are Intersil’s highly integrated 4- and 6-channel LED drivers for display backlighting. These parts maximize battery life by featuring only 1mA quiescent current, and by operating down to 2. 4V input voltage, with no need for higher voltage supplies. The ISL97692 has four channels and provides 8-bit PWM dimming with adjustable dimming frequency up to 30kHz. The ISL97693 has six channels with Direct PWM dimming control. The ISL97694A has 6 channels and provides 8-, 10-, or 12-bit PWM dimming with adjustable dimming frequency up to 30kHz, 7. 5kHz, or 1. 875kHz, respectively, controlled with I2C or PWM input. The ISL97692 and ISL97694A feature phase shifting that may be enabled optionally, providing an optimized phase delay between channels. In the ISL97692 and ISL97694A, phase shifting can multiply the effective dimming frequency by four and six allowing above audio-band PWM dimming with 10-bit dimming resolution. The ISL97692, ISL97693, ISL97694A employ adaptive boost architecture, which keeps the headroom voltage as low as possible to maximize battery life while allowing ultra low dimming duty cycle as low as 0. 005% at 100Hz dimming frequency in Direct PWM mode. The ISL97692, ISL97693, ISL97694A incorporate extensive protection functions including string open and short circuit detections, OVP, and OTP. The ISL97692, ISL97693 are offered in the 16 Ld 3x3mm TQFN package, and a 16 bump 1. 7x1. 7mm WLCSP for the ISL97692. The ISL97694A is offered in the 20 Ld 3x4mm TQFN package. All parts operate in ambient temperature range of -40°C to +85°C. |
ISL97693Single or Multiple Cell Li-ion Battery Powered 6-Channel LED Driver | Power Management (PMIC) | 2 | Active | The ISL97692, ISL97693, ISL97694A are Intersil’s highly integrated 4- and 6-channel LED drivers for display backlighting. These parts maximize battery life by featuring only 1mA quiescent current, and by operating down to 2. 4V input voltage, with no need for higher voltage supplies. The ISL97692 has four channels and provides 8-bit PWM dimming with adjustable dimming frequency up to 30kHz. The ISL97693 has six channels with Direct PWM dimming control. The ISL97694A has 6 channels and provides 8-, 10-, or 12-bit PWM dimming with adjustable dimming frequency up to 30kHz, 7. 5kHz, or 1. 875kHz, respectively, controlled with I2C or PWM input. The ISL97692 and ISL97694A feature phase shifting that may be enabled optionally, providing an optimized phase delay between channels. In the ISL97692 and ISL97694A, phase shifting can multiply the effective dimming frequency by four and six allowing above audio-band PWM dimming with 10-bit dimming resolution. The ISL97692, ISL97693, ISL97694A employ adaptive boost architecture, which keeps the headroom voltage as low as possible to maximize battery life while allowing ultra low dimming duty cycle as low as 0. 005% at 100Hz dimming frequency in Direct PWM mode. The ISL97692, ISL97693, ISL97694A incorporate extensive protection functions including string open and short circuit detections, OVP, and OTP. The ISL97692, ISL97693 are offered in the 16 Ld 3x3mm TQFN package, and a 16 bump 1. 7x1. 7mm WLCSP for the ISL97692. The ISL97694A is offered in the 20 Ld 3x4mm TQFN package. All parts operate in ambient temperature range of -40°C to +85°C. |
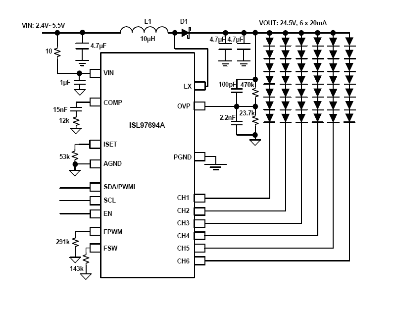
ISL97694ASingle or Multiple Cell Li-ion Battery Powered 6-Channel LED Drivers | PMIC | 3 | Active | The ISL97692, ISL97693, ISL97694A are Intersil’s highly integrated 4- and 6-channel LED drivers for display backlighting. These parts maximize battery life by featuring only 1mA quiescent current, and by operating down to 2. 4V input voltage, with no need for higher voltage supplies. The ISL97692 has four channels and provides 8-bit PWM dimming with adjustable dimming frequency up to 30kHz. The ISL97693 has six channels with Direct PWM dimming control. The ISL97694A has 6 channels and provides 8-, 10-, or 12-bit PWM dimming with adjustable dimming frequency up to 30kHz, 7. 5kHz, or 1. 875kHz, respectively, controlled with I2C or PWM input. The ISL97692 and ISL97694A feature phase shifting that may be enabled optionally, providing an optimized phase delay between channels. In the ISL97692 and ISL97694A, phase shifting can multiply the effective dimming frequency by four and six allowing above audio-band PWM dimming with 10-bit dimming resolution. The ISL97692, ISL97693, ISL97694A employ adaptive boost architecture, which keeps the headroom voltage as low as possible to maximize battery life while allowing ultra low dimming duty cycle as low as 0. 005% at 100Hz dimming frequency in Direct PWM mode. The ISL97692, ISL97693, ISL97694A incorporate extensive protection functions including string open and short circuit detections, OVP, and OTP. The ISL97692, ISL97693 are offered in the 16 Ld 3x3mm TQFN package, and a 16 bump 1. 7x1. 7mm WLCSP for the ISL97692. The ISL97694A is offered in the 20 Ld 3x4mm TQFN package. All parts operate in ambient temperature range of -40°C to +85°C. |
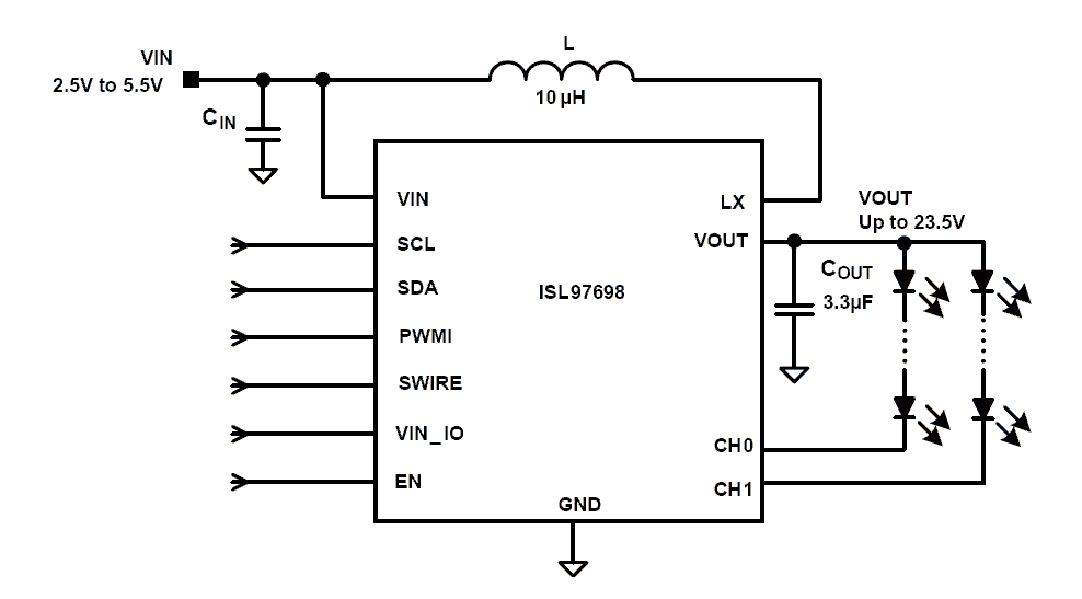
ISL97698High Efficient 2-Channel White LED Driver for Smartphone Backlighting | Integrated Circuits (ICs) | 2 | Obsolete | The ISL97698 is a highly integrated 2-channel LED driver for white LED (WLED) backlit TFT-LCD panels. The device is composed of a synchronous boost converter and two low-side current sinks that are capable of driving an output voltage up to 23. 5V and 25mA LED current, per string. The IC operates from an input supply of 2. 5V to 5. 5V. The driver features Dynamic Headroom Control that monitors the highest LED forward voltage string to determine the requested boost output voltage. With a controlled low 70mV headroom voltage and low 0. 35mA IC supply current, the device provides very high efficiency. The ISL97698 offers 8-bit linear or 11-bit logarithmic controlled analog output current, with dimming control from a PWM, SWIRE, or I2C interface. Internally, the PWM duty cycle, SWIRE, and I2C digital inputs are converted to a DC LED current. This analog dimming scheme provides high efficiency and eliminates audible noise and PWM dimming related EMI concerns. The ISL97698 also features Content Adaptive Backlight Control (CABC), which uses the product of the PWM and SWIRE, or PWM and I2C, or SWIRE and I2C inputs to determine the LED string current. The I2C interface is also used for configuration settings and fault detection. The ISL97698 incorporates various protections including: open circuit, short circuit, and thermal shutdown. The device is offered in a 1. 39mmx 1. 69mm, 3x4 array WLCSP package. It is specified for operation over the -40°C to +85°C ambient temperature range. |
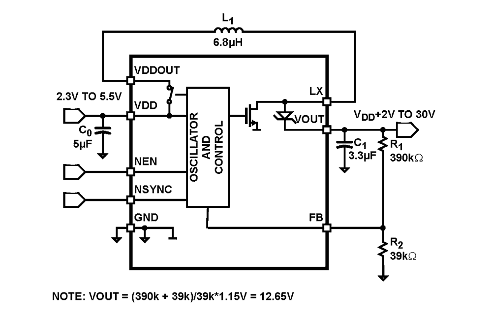
ISL97701Boost Regulator with Integrated Schottky and Input Disconnect Switch | Power Management (PMIC) | 2 | Active | The ISL97701 represents a high efficiency boost converter with integrated boost FET, boost diode and input disconnect FET. With an input voltage of 2. 3V to 5. 5V the ISL97701 has an output capability of up to 50mA at 18V using integrated 500mA switches. Efficiencies are up to 87%. The integrated protection FET is used to disconnect the boost inductor from the input supply whenever an output fault condition is detected, or when the device is disabled. This gives 0 output current in the disabled mode, compared to standard boost converters where current can still flow when the device is disabled. The ISL97701 comes in the 10 Ld 3x3 DFN package and is specified for operation over the -40°C to +85°C temperature range. |
| Integrated Circuits (ICs) | 2 | Obsolete | ||
ISL97900RGB Buck-Boost 3-Channel Color Sequencing LED Driver | Power Management (PMIC) | 2 | Obsolete | The ISL97900 is a highly efficient 3-channel, 1. 5A sequential LED driver powered from a single-cell Li-ion battery, or regulated input voltage up to 5. 5V. This LED driver incorporates an independent current controlled driving mechanism for each of the LEDs, which allows accurate current control of the LED brightness. The ISL97900 utilizes a buck-boost converter to ensure that optimum output voltage is maintained for a wide range of LED forward voltages. The integrated buck-boost converter operates well over 90% efficiency across a wide range of operating conditions. The power conversion core implements a proprietary algorithm that allows seamless transitions and glitch-free operation between the buck and the boost modes as the battery voltage drops during operation. The ISL97900 architecture includes a 10-bit DAC, which controls the LED currents. Each of the LED currents can be programmed through serial interface. The ISL97900 also includes the Dynamic Headroom Management function to provide seamless adjustment for the LEDs’ voltages, which reduces power consumption. |
ISL97901RGB Buck-Boost Four-Channel LED Driver with Color Sequencing and Automatic White Balance | Integrated Circuits (ICs) | 2 | Active | The ISL97901 is a highly efficient four channel, 1. 5A sequential LED driver powered from a single-cell Li-ion battery, or regulated input voltage up to 5. 5V. The ISL97901 incorporates an independent current controlled driving mechanism for each of the LEDs to allow accurate brightness control. The ISL97901 also utilizes a buck-boost converter to ensure optimum output voltage is maintained for a wide variety of LED forward voltages. The ISL97901's highly integrated and efficient power conversion core operates at well over 90% efficiency across a wide range of operating conditions. The power conversion core implements a proprietary algorithm that allows seamless transitions and glitch-free operation between the buck and the boost modes as the battery voltage drops during operation. The ISL97901 provides I/O pins to interface with Intersil's optical sensor IC's for white balance control. White balance is achieved by closing the opto-electrical loop which allows for LED light output to get calibrated against preset target values. The ISL97901 can also be configured to run in an open-loop manner if real-time white balance control is not desired. In this case, the LED currents are set by the internal registers. |
ISL98001-170Advanced 275MHz Triple Video Digitizer with Digital PLL | Video Processing | 5 | Obsolete | The ISL98001 3-Channel, 8-bit Analog Front-End (AFE) contains all the functions necessary to digitize analog YPbPr video signals and RGB graphics signals from DVD players, digital VCRs, video set-top boxes, and personal computers. This product family's conversion rates support HDTV resolutions up to 1080p and PC monitor resolutions up to UXGA and QXGA, while the front end's programmable input bandwidth ensures sharp, clear images at all resolutions. To maximize performance with the widest variety of video sources, the ISL98001 features a fast-responding digital PLL (DPLL), providing extremely low jitter with PC graphics signals and quick recovery from VCR head switching with video signals. Integrated HSYNC and SOG processing eliminate the need for external slicers, sync separators, Schmitt triggers, and filters. Glitchless, automatic Macrovision™-compliance is obtained by a digital Macrovision detection function that detects and automatically removes Macrovision from the HSYNC signal. Ease-of-use is also emphasized with features such as the elimination of PLL charge pump current/VCO range programming and single-bit switching between RGB and YPbPr signals. Automatic Black Level Compensation (ABLC) eliminates part-to-part offset variation, ensuring perfect black level performance in every application. The ISL98001 is fully backwards compatible (hardware and software) with the X980xx family of AFEs. |