R
Renesas Electronics Corporation
| Series | Category | # Parts | Status | Description |
|---|---|---|---|---|
| Part | Spec A | Spec B | Spec C | Spec D | Description |
|---|---|---|---|---|---|
| Series | Category | # Parts | Status | Description |
|---|---|---|---|---|
| Part | Spec A | Spec B | Spec C | Spec D | Description |
|---|---|---|---|---|---|
| Series | Category | # Parts | Status | Description |
|---|---|---|---|---|
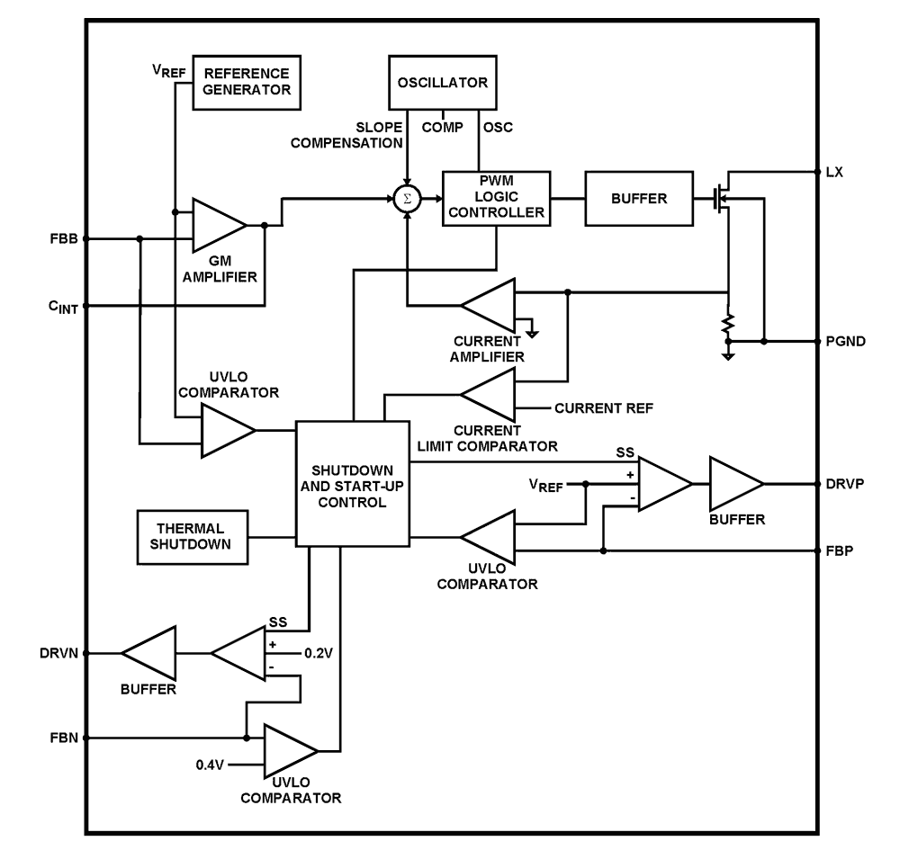
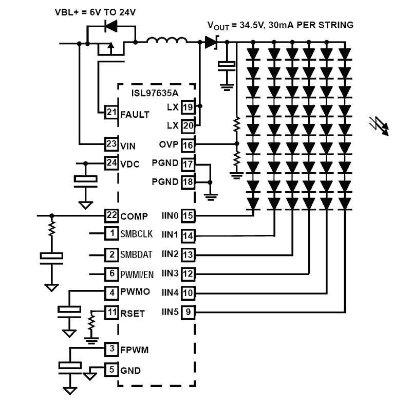
ISL97635ASMBus 8-Channel LED Driver | LED Drivers | 4 | Obsolete | The ISL97635A is a digitally controlled LED driver that controls 6 channels of LED current for LCD backlight applications. The ISL97635A is capable of driving typically 54 (6x9) pieces of 3. 5V/30mA or 60 (6x10) pieces of 3. 2V/20mA LEDs. The ISL97635A contains 6 channels of voltage controlled current sources with typical currents matching of ±1%, which compensate for the non-uniformity effect of forward voltages variance in the LED stacks. To minimize the voltage headroom and power loss in the typical multi-strings operation, the ISL97635A features a dynamic headroom control that monitors the highest LED forward voltage string and uses its feedback signal for output regulation. The LED dimming control can be achieved through a SMBus, an external PWM, or a variable DC (analog light sensor) input. SMBus controlled dimming allows 256 levels each of PWM and DC current adjustments. The SMBus PWM dimming frequency can be adjusted from 100Hz to 5kHz by an external capacitor. External PWM input allows up to 20kHz audio noise free PWM dimming. The SMBus PWM setting and an external PWMI signal can also be combined to provide a dynamic PWM dimming that complies with Intel’s DPST (Display Power Saving Technology) requirement. One or more channels can be selected sequentially in any order allowing scrolling in RGB LED backlighting applications. The ISL97635A features extensive protection functions that include string open and short-circuit detections, OVP, OTP, thermal shutdown, and an optional input overcurrent protection with master fault disconnect switch. The fault conditions will be recorded in the Fault/Status register. There are selectable short-circuit thresholds and the switching frequency can be programmed between 600kHz and 1. 2MHz. Available in the 24 Ld 4mmx4mm QFN, the ISL97635A operates from -40°C to +85°C with input voltage ranging from 6V to 24V for high LEDs count applications. |
ISL97636A8-Channel LED Driver | PMIC | 3 | Obsolete | The ISL97636A is an integrated power LED driver that controls 6 channels of LED current for LCD backlight applications. The ISL97636A is capable of driving typically 54 (6x9) pieces of 3. 5V/30mA or 60 (6x10) pieces of 3. 2V/20mA LEDs. The ISL97636A's contains 6 channels of voltage controlled current sources with typical currents matching of ±1%, which compensate for the non-uniformity effect of forward voltages variance in the LED stacks. To minimize the voltage headroom and power loss in the typical multi-strings operation, the ISL97636A features a dynamic headroom control that monitors the highest LED forward voltage string and uses its feedback signal for output regulation. The LED brightness can be pulse width modulated with an applied PWM signal from DC to audio noise free 20kHz. The ISL97636A features extensive protection functions that include string open and short circuit detections, OVP, OTP, thermal shutdown and an optional input overcurrent protection with master fault disconnect switch. Available in the 24 Ld 4mmx4mm QFN, the ISL97636A operates from -40°C to +85°C with input voltage ranges from 6V to 24V for high LEDs count applications. |
ISL97642TFT-LCD DC/DC with Integrated Amplifiers | Integrated Circuits (ICs) | 1 | Obsolete | The ISL97642 integrates a high performance boost regulator with 2 LDO controllers for VONand VOFF, a VON-slice circuit with adjustable delay and three amplifiers for VCOM and VGAMMA applications. The boost converter in the ISL97642 is a current mode PWM type integrating an 18V N-Channel MOSFET. Using external low-cost transistors, the LDO controllers provide tight regulation for VON, VOFF, as well as providing start-up sequence control and fault protection. The amplifiers are ideal for VCOM and VGAMMA applications, with 150mA peak output current drive, 12MHz bandwidth, and 12V/µs slew rate. All inputs and outputs are rail-to-rail. Available in the 32 Ld thin QFN (5mmx5mm) Pb-free package, the ISL97642 is specified for operation over the -40°C to +85°C temperature range. |
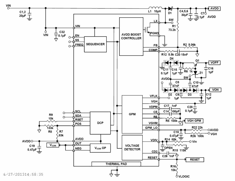
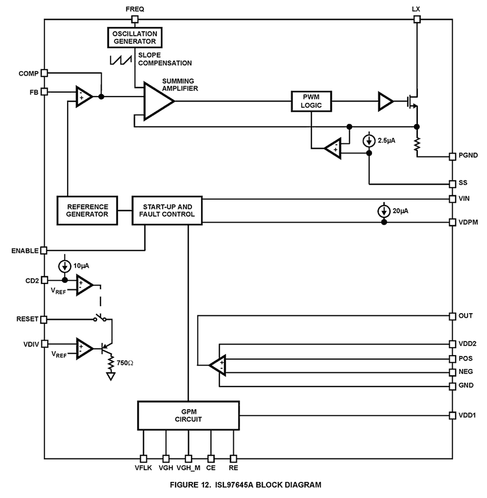
ISL97645ABoost + VON Slice + VCOM + Reset | Power Management (PMIC) | 4 | Obsolete | The ISL97645A represents an integrated DC/DC regulator for monitor and notebook applications with screen sizes up to 20. The device integrates a boost converter for generating AVDD, a VONslice circuit, and a high performance VCOMamplifier. The boost converter features a 2. 6A FET and has user programmable soft-start and compensation. With efficiencies up to 92%, the AVDDis user selectable from 7V to 20V. The VONslice circuit can control gate voltages up to 30V. High and low levels are programmable, as well as discharge rate and timing. The supply monitor can be used to monitor the input voltage to prevent low voltage operation. The integrated VCOMfeatures high speed and drive capability. With 30MHz bandwidth and 50V/µs slew rate, the VCOMamplifier is capable of driving 400mA peaks, and 100mA continuous output current. |
| PMIC | 1 | Obsolete | ||
ISL97649ATFT-LCD Supply + DCP + VCOM Amplifier + Gate Pulse Modulator + RESET | PMIC | 3 | Obsolete | The ISL97649A is an integrated power management IC (PMIC) for TFT-LCDs used in notebooks, tablet PCs, and monitors. The device integrates a boost converter for generating AVDD, an LDO for VLOGIC. VON and VOFF are generated by a charge pump driven by the switch node of the boost. The ISL97649A also includes a VONslice circuit, reset function, and a high performance VCOM amplifier with DCP (Digitally Controlled Potentiometer) that is used as a VCOM calibrator. The AVDD boost converter features a 1. 5A/0. 18Ω boost FET with 600/1200kHz switching frequency. The logic LDO includes a 350mA FET for driving the low voltage needed by external digital circuitry. The gate pulse modulator can control the gate voltage up to 30V, and both the rate and slew delay times are selectable. The supply monitor generates a reset signal when the system is powered down. It provides a programmable VCOM with I2C interface. One VCOM amplifier is also integrated in the chip. The output of the VCOM is powered up with the voltage at the last programmed 8-bit EEPROM setting. |
| Power Management (PMIC) | 3 | Obsolete | ||
| Power Management - Specialized | 1 | Obsolete | ||
| Power Management - Specialized | 1 | Obsolete | ||
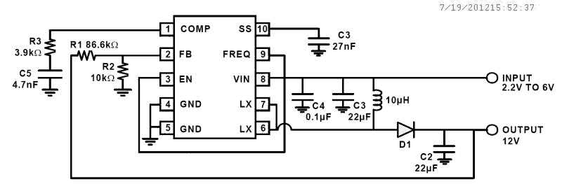
ISL97656Integrated 4A Switch PWM Step-Up Regulator | DC/DC & AC/DC (Off-Line) SMPS | 3 | Active | The ISL97656 is a high frequency, high efficiency step-up voltage regulator operated at constant frequency PWM mode. With an internal 4. 0A, 120mΩ MOSFET, it can deliver up to 2A output current at over 90% efficiency. The selectable 640kHz and 1. 2MHz allows smaller inductors and faster transient response. An external compensation pin gives the user greater flexibility in setting frequency compensation allowing the use of low ESR Ceramic output capacitors. When shut down, it draws 1µA of current and can operate down to 2. 3V input supply. These features, along with 1. 2MHz switching frequency, make it an ideal device for portable equipment and TFT-LCD displays. The ISL97656 is available in a 10 Ld TDFN package with a maximum height of 1. 1mm. The device is specified for operation over the full -40°C to +85°C temperature range. |
| Part | Category | Description |
|---|---|---|
Renesas Electronics Corporation | Integrated Circuits (ICs) | IC MCU 32BIT 1MB FLASH 48LFQFP |
Renesas Electronics Corporation | Integrated Circuits (ICs) | 16-BIT GENERAL MCU RL78/G23 96K |
Renesas Electronics Corporation | Isolators | OPTOISOLATOR 5KV TRANS 4SMD |
Renesas Electronics Corporation | Integrated Circuits (ICs) | IC REG PQFN |
Renesas Electronics Corporation X1228S14-2.7Obsolete | Integrated Circuits (ICs) | IC RTC CLK/CALENDAR I2C 14SOIC |
Renesas Electronics Corporation | Integrated Circuits (ICs) | 32-BIT MICROCONTROLLER OPTIMIZED FOR DUAL-MOTOR AND PFC CONTROL |
Renesas Electronics Corporation R5F104FJAFP#V0Obsolete | Integrated Circuits (ICs) | LOW POWER, HIGH FUNCTION, GENERAL PURPOSE MICROCONTROLLERS FOR MOTOR CONTROL, INDUSTRIAL AND METERING APPLICATIONS |
Renesas Electronics Corporation MK1493-03BGILFTRObsolete | Integrated Circuits (ICs) | IC CLOCK GENERATOR 48TSSOP |
Renesas Electronics Corporation | Development Boards Kits Programmers | E10A-USB SH4AL-DSP LICENSE TOOL |
Renesas Electronics Corporation | Integrated Circuits (ICs) | 32BIT MCU R32C/100X |