R
Renesas Electronics Corporation
| Series | Category | # Parts | Status | Description |
|---|---|---|---|---|
| Part | Spec A | Spec B | Spec C | Spec D | Description |
|---|---|---|---|---|---|
| Series | Category | # Parts | Status | Description |
|---|---|---|---|---|
| Part | Spec A | Spec B | Spec C | Spec D | Description |
|---|---|---|---|---|---|
| Series | Category | # Parts | Status | Description |
|---|---|---|---|---|
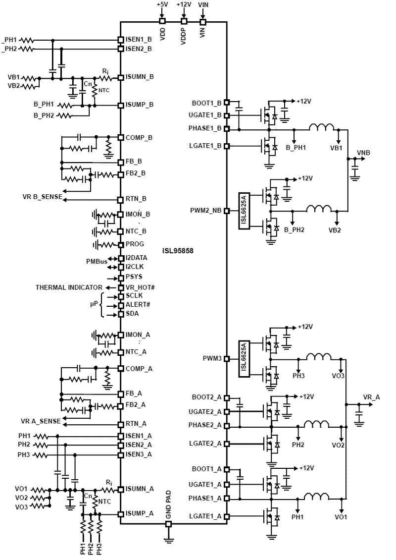
ISL958583+2 Multiphase PWM Regulator for Intel IMVP8™ Desktop CPUs | PMIC | 2 | Active | Compliant with Intel IMVP8™, the ISL95858 provides a complete power solution for desktop microprocessors supporting both the core (IA) and graphics (GT) rails. The controller provides control and protection for one voltage regulator (VR), which can be configured for 3-, 2- or 1-phase operation. The second VR is configurable for 2- or 1-phase operation. The VRs feature a programmable SVID address to allow maximum flexibility in supporting desktop processor SKUs. Both controller outputs share a common serial control bus to communicate with the CPU and achieve lower cost and smaller board area compared with a two-chip approach. Based on Intersil’s robust ripple regulator R3™ technology, the R3™ modulator has many advantages compared to traditional modulators. These include faster transient settling time, variable switching frequency in response to load transients and improved light-load efficiency due to diode emulation mode with load-dependent low switching frequency. The ISL95858 has several other key features. The controller features three integrated +12V gate drivers with two drivers on the VR B output. The controller supports either DCR current sensing with a single NTC thermistor for DCR temperature compensation or more precision through resistor current sensing if desired. Both outputs feature remote voltage sense, programmable IMAX, adjustable switching frequency, OC protection and single VR_READY power-good indicator. |
| Special Purpose Regulators | 5 | Active | ||
| Integrated Circuits (ICs) | 1 | Active | ||
ISL95866C4+3 Multiphase R3 PWM Regulator for Intel IMVP8 Desktop CFL/CNL CPUs with SMBus Support | Power Management (PMIC) | 4 | Active | The ISL95866C is compliant with Intel IMVP8™, and provides a complete power solution for desktop microprocessors supporting core (IA), graphics (GT), or unsliced graphics (GTUS or GTX). The controller provides control and protection for two Voltage Regulators (VR). The first VR can be configured for 4-, 3-, 2-, or 1-phase operation. The second VR is configurable for 3-, 2-, or 1-phase operation. The VRs feature a programmable SVID address to allow maximum flexibility in supporting desktop processor SKUs. Both controller outputs share a common serial control bus to communicate with the CPU and achieve lower cost and smaller board area compared with a two-chip approach. Based on Intersil’s Robust Ripple Regulator R3™ technology, the R3 modulator has many advantages compared to traditional modulators. These include faster transient settling time, variable switching frequency in response to load transients, and improved light-load efficiency due to Diode Emulation Mode with load-dependent low switching frequency. The ISL95866C has several other key features. The controller features three integrated +12V gate drivers with two on the VR A output. The controller supports either DCR current sensing with a single NTC thermistor for DCR temperature compensation or more precision through resistor current sensing if desired. Both outputs feature remote voltage sense, programmable IMAX, adjustable switching frequency, OC protection, and a single VR_READY power-good indicator. The ISL95866C features an SMBus interface, which supports enabling or disabling droop, output voltage offset adjustment, and disabling of OVP and OCP protections. |
ISL958693-Phase Controller with Integrated Drivers Supporting Intel IMVP9 CPUs | Power Management (PMIC) | 1 | Active | The ISL95869 is fully compliant with Intel IMVP9 specifications and provides a complete solution for the processor's main input rail power supply. It provides a Voltage Regulator (VR) with two integrated and one external gate drivers. The VR can be configured as 3-, 2-, or 1-phase, providing maximum flexibility. The VR uses the serial control bus (SVID) to communicate with the CPU and achieves lower cost and smaller board area. Based on the Renesas Robust Ripple Regulator (R3™) technology, the R3 modulator has many advantages compared to traditional modulators. These advantages include faster transient settling time, variable switching frequency in response to load transients, and improved light load efficiency due to Diode Emulation mode with load-dependent low-switching frequency. The ISL95869 has several other key features. The output supports DCR current sensing with single NTC thermistor for DCR temperature compensation or accurate resistor current sensing. The output comes with remote voltage sense, programmable VBOOTvoltage, programmable ICCMAX, programmable voltage transition slew rate, adjustable switching frequency, overcurrent protection, and VR_READY power-good output. The ISL95869 supports the system input power (PSYS) monitoring with alternate VSYS mode. The controller complies with PS4 power requirements and supports ISL95808 drivers that are compatible. |
ISL95870BPWM DC/DC Controller with VID Inputs for Portable GPU Core-Voltage Regulator | Power Management (PMIC) | 2 | Active | The ISL95870, ISL95870A, ISL95870B ICs are Single-Phase Synchronous-Buck PWM regulators featuring Intersil’s proprietary R4Technology™. The wide 3. 3V to 25V input voltage range is ideal for systems that run on battery or AC-adapter power sources. The ISL95870A and ISL95870B are low-cost solutions for applications requiring dynamically selected slew-rate controlled output voltages. The soft-start and dynamic setpoint slew-rates are capacitor programmed. Voltage identification logic-inputs select four (ISL95870A, ISL95870B) resistor-programmed setpoint reference voltages that directly set the output voltage of the converter between 0. 5V and 1. 5V, and up to 5V with a feedback voltage divider. Compared with R3modulator, the R4modulator has equivalent light-load efficiency, faster transient performance, accurately regulated frequency control and all internal compensation. These updates, together with integrated MOSFET drivers and schottky bootstrap diode, allow for a high-performance regulator that is highly compact and needs few external components. The differential remote sensing for output voltage and selectable switching frequency are another two new functions. For maximum efficiency, the converter automatically enters diode-emulation mode (DEM) during light-load conditions such as system standby. |
| Power Management (PMIC) | 1 | Obsolete | ||
| PMIC | 1 | Obsolete | ||
| Special Purpose Regulators | 1 | Obsolete | ||
| Power Management (PMIC) | 1 | Active | ||
| Part | Category | Description |
|---|---|---|
Renesas Electronics Corporation | Integrated Circuits (ICs) | IC MCU 32BIT 1MB FLASH 48LFQFP |
Renesas Electronics Corporation | Integrated Circuits (ICs) | 16-BIT GENERAL MCU RL78/G23 96K |
Renesas Electronics Corporation | Isolators | OPTOISOLATOR 5KV TRANS 4SMD |
Renesas Electronics Corporation | Integrated Circuits (ICs) | IC REG PQFN |
Renesas Electronics Corporation X1228S14-2.7Obsolete | Integrated Circuits (ICs) | IC RTC CLK/CALENDAR I2C 14SOIC |
Renesas Electronics Corporation | Integrated Circuits (ICs) | 32-BIT MICROCONTROLLER OPTIMIZED FOR DUAL-MOTOR AND PFC CONTROL |
Renesas Electronics Corporation R5F104FJAFP#V0Obsolete | Integrated Circuits (ICs) | LOW POWER, HIGH FUNCTION, GENERAL PURPOSE MICROCONTROLLERS FOR MOTOR CONTROL, INDUSTRIAL AND METERING APPLICATIONS |
Renesas Electronics Corporation MK1493-03BGILFTRObsolete | Integrated Circuits (ICs) | IC CLOCK GENERATOR 48TSSOP |
Renesas Electronics Corporation | Development Boards Kits Programmers | E10A-USB SH4AL-DSP LICENSE TOOL |
Renesas Electronics Corporation | Integrated Circuits (ICs) | 32BIT MCU R32C/100X |