R
Renesas Electronics Corporation
| Series | Category | # Parts | Status | Description |
|---|---|---|---|---|
| Part | Spec A | Spec B | Spec C | Spec D | Description |
|---|---|---|---|---|---|
| Series | Category | # Parts | Status | Description |
|---|---|---|---|---|
| Part | Spec A | Spec B | Spec C | Spec D | Description |
|---|---|---|---|---|---|
| Part | Category | Description |
|---|---|---|
Renesas Electronics Corporation | Integrated Circuits (ICs) | IC MCU 32BIT 1MB FLASH 48LFQFP |
Renesas Electronics Corporation | Integrated Circuits (ICs) | 16-BIT GENERAL MCU RL78/G23 96K |
Renesas Electronics Corporation | Isolators | OPTOISOLATOR 5KV TRANS 4SMD |
Renesas Electronics Corporation | Integrated Circuits (ICs) | IC REG PQFN |
Renesas Electronics Corporation X1228S14-2.7Obsolete | Integrated Circuits (ICs) | IC RTC CLK/CALENDAR I2C 14SOIC |
Renesas Electronics Corporation | Integrated Circuits (ICs) | 32-BIT MICROCONTROLLER OPTIMIZED FOR DUAL-MOTOR AND PFC CONTROL |
Renesas Electronics Corporation R5F104FJAFP#V0Obsolete | Integrated Circuits (ICs) | LOW POWER, HIGH FUNCTION, GENERAL PURPOSE MICROCONTROLLERS FOR MOTOR CONTROL, INDUSTRIAL AND METERING APPLICATIONS |
Renesas Electronics Corporation MK1493-03BGILFTRObsolete | Integrated Circuits (ICs) | IC CLOCK GENERATOR 48TSSOP |
Renesas Electronics Corporation | Development Boards Kits Programmers | E10A-USB SH4AL-DSP LICENSE TOOL |
Renesas Electronics Corporation | Integrated Circuits (ICs) | 32BIT MCU R32C/100X |
| Series | Category | # Parts | Status | Description |
|---|---|---|---|---|
| Voltage Regulators - Special Purpose | 3 | Active | ||
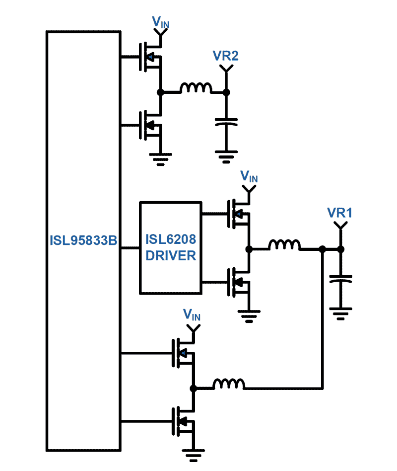
ISL95833BDual 2+1 PWM Controller for IMVP-7/VR12 CPUs | Power Management (PMIC) | 6 | Active | The ISL95833B Pulse Width Modulation (PWM) controller IC provides a complete solution for IMVP-7/VR12™ compliant microprocessor and graphic processor core power supplies. It provides the control and protection for two Voltage Regulators (VRs). The first VR, typically for VCORE, incorporates 1 integrated driver and can operate in 2- or 1-phase configurations. The second VR, typically for graphics, is a single phase regulator incorporating an integrated driver. The two VRs share a serial control bus to communicate with the CPU and achieve lower cost and smaller board area compared with the two-chip approach. Both VRs utilize Intersil's Robust Ripple Regulator R3 Technology™. The R3 modulator has numerous advantages compared to traditional modulators, including faster transient response, variable switching frequency during load transients, and improved light load efficiency due to its ability to automatically change switching frequency. The ISL95833B has several other key features. Both outputs support either DCR current sensing with a single NTC thermistor for DCR temperature compensation, or more precise resistor current sensing if desired. Both outputs come with remote voltage sense, programmable VBOOT voltage, IMAX, and switching frequency, adjustable overcurrent protection and separate Power-Good signals. |
ISL958353+1 and 1+1 Voltage Regulator for IMVP-7/VR12™ CPUs | Power Management (PMIC) | 2 | Active | Compliant with IMVP-7/VR12™, the ISL95835 provides a complete solution for microprocessor and graphic processor core power supply. It provides two Voltage Regulators (VRs) with three integrated gate drivers. The first VR can be configured as 3-, 2- or 1-phase VR while the second output is 1-phase VR, providing maximum flexibility. The two VRs share the serial control bus to communicate with the CPU and achieve lower cost and smaller board area compared with the two-chip approach. Based on Intersil's Robust Ripple Regulator (R3) technology™, the PWM modulator compared to traditional modulators, has faster transient settling time, variable switching frequency during load transients and has improved light load efficiency with It's ability to automatically change switching frequency. The ISL95835 has several other key features. Both outputs support DCR current sensing with single NTC thermistor for DCR temperature compensation or accurate resistor current sensing. Both outputs come with remote voltage sense, programmable VBOOTvoltage, programmable IMAX, TMAX, adjustable switching frequency, OC protection and separate Power-Good. The ISL95837 can be considered as ISL95835 dedicated for 1+1 application. VR1 and VR2 are both 1-phase VR. |
ISL95836Dual 3+2 PWM Controller for IMVP-7/VR12™ CPUs | Special Purpose Regulators | 1 | Active | The ISL95836 Pulse Width Modulation (PWM) controller IC provides a complete solution for IMVP-7/VR12™compliant microprocessor and graphic processor core power supplies. It provides the control and protection for two Voltage Regulators (VRs). The first VR, typical for Vcore, incorporates 2 integrated drivers and can operate in 3-, 2- or 1-phase configurations. The second VR, typical for graphics, incorporates 1 integrated driver and can operate in 2- or 1-phase configurations. The two VRs share a serial control bus to communicate with the CPU and achieve lower cost and smaller board area compared with the two-chip approach. Both VRs utilize Intersil's Robust Ripple Regulator R3 Technology™. The R3 modulator has numerous advantages compared to traditional modulators, including faster transient response, variable switching frequency during load transients, and improved light load efficiency due to its ability to automatically change switching frequency. The ISL95836 has several other key features. Both outputs support either DCR current sensing with a single NTC thermistor for DCR temperature compensation, or more precise resistor current sensing if desired. Both outputs come with remote voltage sense, programmable VBOOTvoltage, IMAX, and switching frequency, adjustable overcurrent protection and separate Power-Good signals. |
ISL958371+1 Voltage Regulator for IMVP-7/VR12™ CPUs | PMIC | 3 | Active | Compliant with IMVP-7/VR12™, the ISL95835 provides a complete solution for microprocessor and graphic processor core power supply. It provides two Voltage Regulators (VRs) with three integrated gate drivers. The first VR can be configured as 3-, 2- or 1-phase VR while the second output is 1-phase VR, providing maximum flexibility. The two VRs share the serial control bus to communicate with the CPU and achieve lower cost and smaller board area compared with the two-chip approach. Based on Intersil's Robust Ripple Regulator (R3) technology™, the PWM modulator compared to traditional modulators, has faster transient settling time, variable switching frequency during load transients and has improved light load efficiency with It's ability to automatically change switching frequency. The ISL95835 has several other key features. Both outputs support DCR current sensing with single NTC thermistor for DCR temperature compensation or accurate resistor current sensing. Both outputs come with remote voltage sense, programmable VBOOTvoltage, programmable IMAX, TMAX, adjustable switching frequency, OC protection and separate Power-Good. The ISL95837 can be considered as ISL95835 dedicated for 1+1 application. VR1 and VR2 are both 1-phase VR. |
| Special Purpose Regulators | 1 | Obsolete | ||
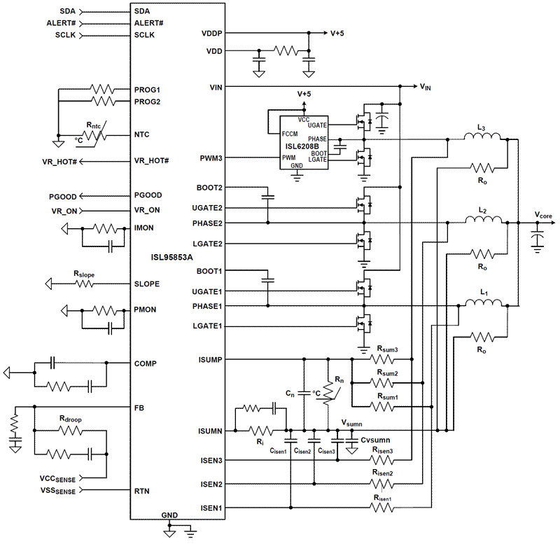
ISL95853AMultiphase PWM Regulator for IMVP8™ CPUs | Power Management (PMIC) | 2 | Active | The ISL95853A, fully compliant with Intel IMVP8™ specifications, provides a complete solution for microprocessor core power supply. It also provides a Voltage Regulator (VR) with two integrated and one external gate drivers. The VR can be configured as 3-, 2- or 1-phase, providing maximum flexibility. The VR uses the serial control bus (SVID) to communicate with the CPU and achieves lower cost and smaller board area. Based on Intersil’s Robust Ripple Regulator (R3™) technology, the PWM modulator compared to traditional modulators, has faster transient settling time, variable switching frequency during load transients and has improved light-load efficiency with its ability to automatically change switching frequency. The ISL95853A has several other key features. The output supports DCR current sensing with single NTC thermistor for DCR temperature compensation or accurate resistor current sensing. The output comes with remote voltage sense, programmable VBOOTvoltage, programmable ICCMAX, programmable voltage transition slew rate, adjustable switching frequency, overcurrent protection and power-good output. |
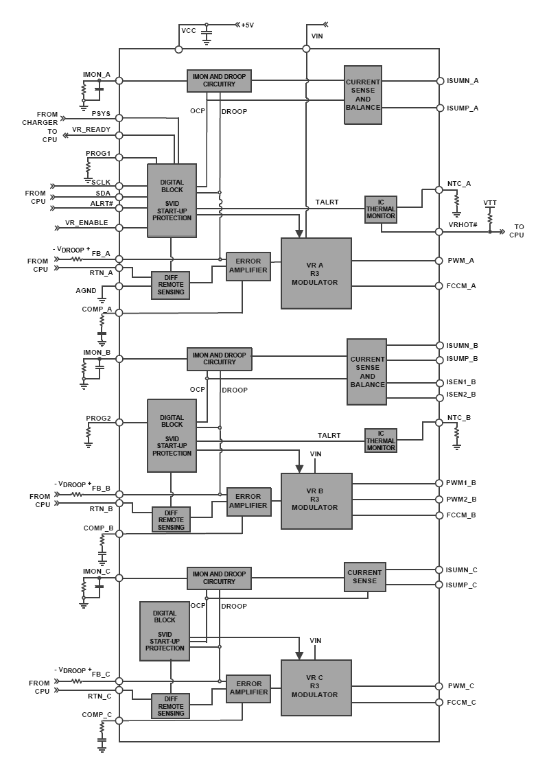
ISL95855C3+2+1 Voltage Regulator With Expanded Iccmax Register Range Supporting IMVP8 CFL/CNL CPUs | Voltage Regulators - Special Purpose | 7 | Active | Compliant with IMVP8™, the ISL95855A provides a complete power solution for Intel microprocessors supporting core, graphics and system agent rails. The controller provides control and protection for three Voltage Regulator (VR) outputs. The VR A output can be configured for 3-, 2- or 1-phase operation. VR B is configurable for 2- or 1-phase operation and VR C supports 1-phase operation. The address options programmable for these three outputs allow for maximum flexibility in support of the IMVP8™ CPU. All three VRs share a common serial control bus to communicate with the CPU and achieve lower cost and smaller board area compared with a two-chip approach. Based on Intersil’s Robust Ripple Regulator (R3™) technology, the R3™ modulator has many advantages compared to traditional modulators. These include faster transient settling time, variable switching frequency in response to load transients and improved light-load efficiency due to diode emulation mode with load-dependent low switching frequency. The ISL95855A has several other key features. The controller provides PWM outputs, which support Intel DrMOS power stages (or similar) and discrete power stages using the Intersil ISL95808 high voltage synchronous rectified buck MOSFET driver. The controller complies with IMVP8™ PS4 power requirements and supports power stages and drivers, which are compatible. The ISL95855A supports the system input power monitor (PSYS) option. The controller supports either DCR current sensing with a single NTC thermistor for DCR temperature compensation, or more precision through resistor current sensing if desired. All three outputs feature remote voltage sense, programmable IMAX, adjustable switching frequency, OC protection and a single VR_READY power-good indicator. |
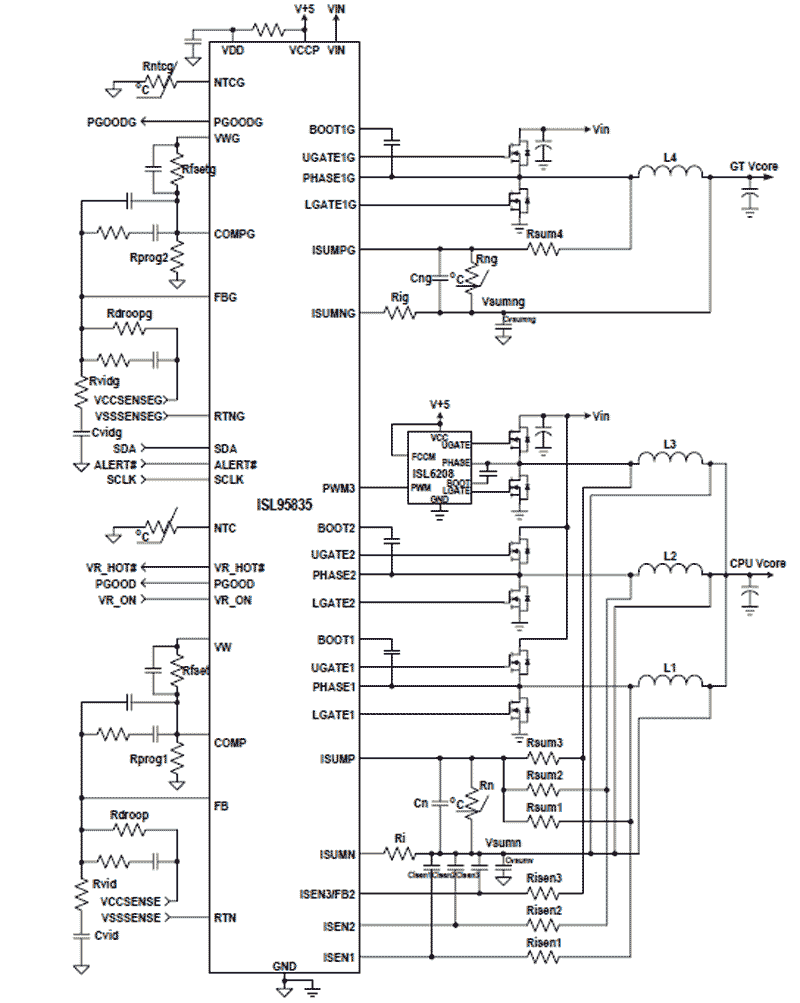
ISL958564+3 Multiphase PWM Regulator for Intel IMVP8™ Desktop CPUs | Special Purpose Regulators | 2 | Active | Compliant with Intel IMVP8™, the ISL95856 provides a complete power solution for desktop microprocessors supporting both the core (IA) and graphics (GT) rails. The controller provides control and protection for one Voltage Regulator (VR), which can be configured for 4-, 3-, 2- or 1-phase operation. The second VR is configurable for 3-, 2- or 1-phase operation. The VRs feature a programmable SVID address to allow maximum flexibility in supporting desktop processor SKUs. Both controller outputs share a common serial control bus to communicate with the CPU and achieve lower cost and smaller board area compared with a two-chip approach. Based on Intersil’s Robust Ripple Regulator R3™ technology, the R3™ modulator has many advantages compared to traditional modulators. These include faster transient settling time, variable switching frequency in response to load transients and improved light-load efficiency due to diode emulation mode with load-dependent low switching frequency. The ISL95856 has several other key features. The controller features three integrated +12V gate drivers with two drivers on the VR B output. The controller supports either DCR current sensing with a single NTC thermistor for DCR temperature compensation or more precision through resistor current sensing, if desired. Both outputs feature remote voltage sense, programmable IMAX, adjustable switching frequency, OC protection and single VR_READY power-good indicator. |
ISL95857A1+2+1 Voltage Regulator With Expanded Iccmax Register Range Supporting Intel IMVP8 CFL/CNL CPUs | PMIC | 6 | Active | Compliant with Intel IMVP8™, the ISL95857A provides a complete power solution for Intel microprocessors supporting core, graphics and system agent rails. The controller provides control and protection for three Voltage Regulator (VR) outputs. VR A and VR C outputs support 1-phase operation only, while VR B is configurable for 2- or 1-phase operation. The address options programmable for these three outputs allow for maximum flexibility in support of the IMVP8™ CPU. All three VRs share a common serial control bus to communicate with the CPU and achieve lower cost and smaller board area compared with a two-chip approach. Based on Intersil’s Robust Ripple Regulator (R3™) technology, the R3™ modulator has many advantages compared to traditional modulators. These include faster transient settling time, variable switching frequency in response to load transients and improved light-load efficiency due to diode emulation mode with load-dependent low switching frequency. The ISL95857A has several other key features. The controller provides PWM outputs, which support Intel DrMOS power stages (or similar) and discrete power stages using the Intersil ISL95808 high voltage synchronous rectified buck MOSFET driver. The controller complies with IMVP8™ PS4 power requirements and supports power stages and drivers which are compatible. The ISL95857A supports the system input power monitor (PSYS) option. The controller supports either DCR current sensing with a single NTC thermistor for DCR temperature compensation or more precision through resistor current sensing if desired. All three outputs feature remote voltage sense, programmable IMAX, adjustable switching frequency, OC protection and a single VR_READY power-good indicator. |