R
Renesas Electronics Corporation
| Series | Category | # Parts | Status | Description |
|---|---|---|---|---|
| Part | Spec A | Spec B | Spec C | Spec D | Description |
|---|---|---|---|---|---|
| Series | Category | # Parts | Status | Description |
|---|---|---|---|---|
| Part | Spec A | Spec B | Spec C | Spec D | Description |
|---|---|---|---|---|---|
| Series | Category | # Parts | Status | Description |
|---|---|---|---|---|
87946I-1471-to-10 Low Skew,÷1,÷2 LVCMOS/LVTTL 2.5V, 3.3V Fanout Buffer | Clock Buffers, Drivers | 2 | Obsolete | The 87946I-147 is a low skew, ÷1, ÷2 LVCMOS/LVTTL Fanout Buffer. The 87946I-147 has two selectable single-ended clock inputs. The single-ended clock inputs accept LVCMOS or LVTTL input levels. The low impedance LVCMOS/LVTTL outputs are designed to drive 50Ω series or parallel terminated transmission lines. The effective fanout can be increased from 10 to 20 by utilizing the ability of the outputs to drive two series terminated lines.
The divide select inputs, DIV_SELx, control the output frequency of each bank. The outputs can be utilized in the ÷1, ÷2 or a combination of ÷1 and ÷2 modes. The master reset input, MR/nOE, resets the internal frequency dividers and also controls the active and high impedance states of all outputs.
The 87946I-147 is characterized at full 3.3V for input VDD, and mixed 3.3V and 2.5V for output operating supply mode. Guaranteed bank, output and part-to-part skew characteristics make the 87946I-147 ideal for those clock distribution applications demanding well defined performance and repeatability. |
87951ILow Skew, 1-to-9 Differential-to-LVCMOS/LVTTL Zero Delay Buffer | Clock/Timing | 1 | Obsolete | The 87951I is a low voltage, low skew 1-to-9 Differential-to-LVCMOS/LVTTL Cock Generator. The CS87951I has two selectable clock inputs. The single ended clock input accepts LVCMOS or LVTTL input levels. The CLK1, nCLK1 pair can accept most standard differential input levels. With output frequencies up to 180MHz, the 87951I is targeted for high performance clock applications. Along with a fully integrated PLL, the 87951I contains frequency configurable outputs and an external feedback input for regenerating clocks with "zero delay". |
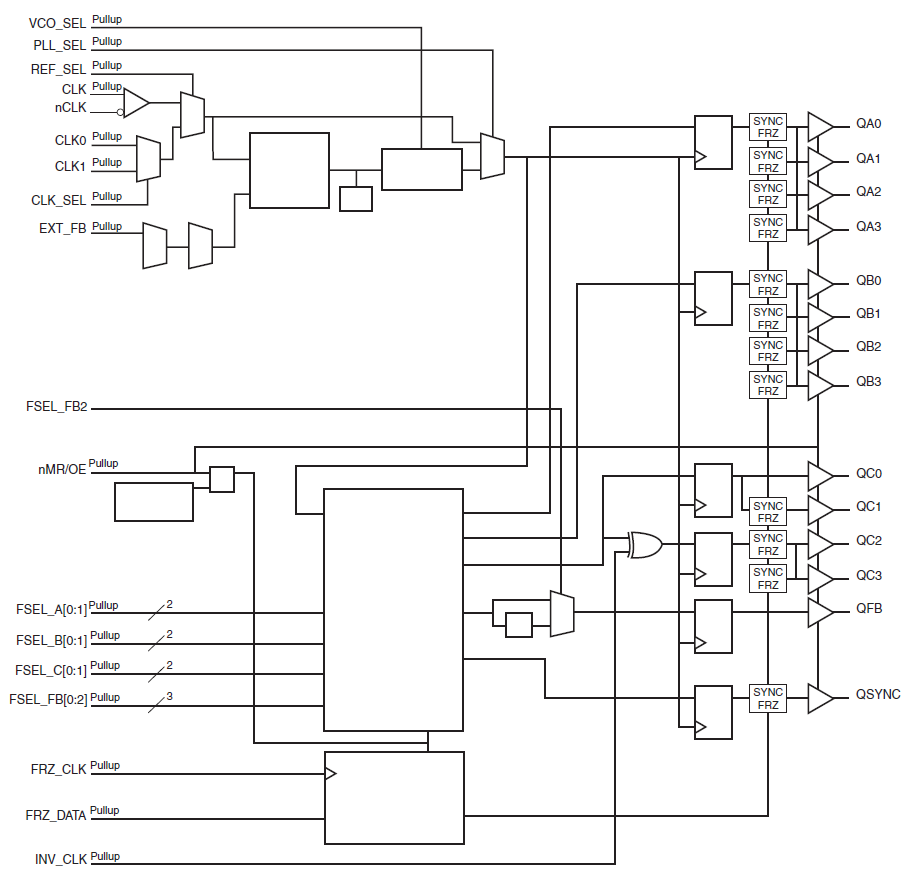
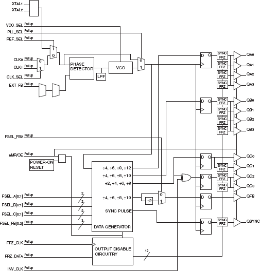
87972I-147Low Skew, 1-to-12 LVCMOS/LVTTL Clock Multiplier/Zero Delay Buffer | Integrated Circuits (ICs) | 1 | Obsolete | The 87972I-147 is a low skew, LVCMOS/LVTTL Clock Generator and a member of the family of High Performance Clock Solutions from IDT. The 87972I-147 has three selectable inputs and provides 14 LVCMOS/LVTTL outputs. The 87972I-147 is a highly flexible device. Using the crystal oscillator input, it can be used to generate clocks for a system. All of these clocks can be the same frequency or the device can be configured to generate up to three different frequencies among the three output banks. Using one of the single ended inputs, the 87972I-147 can be used as a zero delay buffer/multiplier/ divider in clock distribution applications. The three output banks and feedback output each have their own output dividers which allows the device to generate a multitude of different bank frequency ratios and output-to-input frequency ratios. In addition, 2 outputs in Bank C (QC2, QC3) can be selected to be inverting or non-inverting. The output frequency range is 10MHz to 150MHz. Input frequency range is 6MHz to 150MHz. The 87972I-147 also has a QSYNC output which can be used or system synchronization purposes. It monitors Bank A and Bank C outputs and goes low one period of the faster clock prior to coincident rising edges of Bank A and Bank C clocks. QSYNC then goes high again when the coincident rising edges of Bank A and Bank C occur. This feature is used primarily in applications where Bank A and Bank C are running at different frequencies, and is particularly useful when they are running at non-integer multiples of one another. |
87973I1:12 LVCMOS Clock Generator | Clock/Timing | 1 | Obsolete | The 87973I is a LVCMOS/LVTTL clock generator from IDT. The 87973I has three selectable inputs and provides fourteen LVCMOS/LVTTL outputs. The 87973I is a highly flexible device. The three selectable inputs (1 differential and 2 single ended inputs) are often used in systems requiring redundant clock sources. Up to three different output frequencies can be generated among the three output banks. The three output banks and feedback output each have their own output dividers which allows the device to generate a multitude of different bank frequency ratios and output-to-input frequency ratios. In addition, 2 outputs in Bank C (QC2, QC3) can be selected to be inverting or non-inverting. The output frequency range is 8.33MHz to125MHz. The input frequency range is 5MHz to 120MHz. The 87973I also has a QSYNC output which can by used for system synchronization purposes. It monitors Bank A and Bank C outputs and goes low one period prior to coincident rising edges of Bank A and Bank C clocks. QSYNC then goes high again when the coincident rising edges of Bank A and Bank C occur. This feature is used primarily in applications where Bank A and Bank C are running at different frequencies, and is particularly useful when they are running at non-integer multiples of one another. |
87974ILow Skew, 1-to-15 LVCMOS/LVTTL Clock Generator | Clock/Timing | 1 | Obsolete | The 87974I is a low skew, low jitter 1-to-15 LVCMOS/ LVTTL Clock Generator/Zero Delay Buffer. The device has a fully integrated PLL and three banks whose divider ratios can be independently controlled, providing output frequency relationships of 1:1, 2:1, 3:1, 3:2, 3:2:1. In addition, the external feedback connection provides for a wide selection of output-to-input frequency ratios. The CLK0 and CLK1 pins allow for redundant clocking on the input and dynamically switching the PLL between two clock sources. Guaranteed low jitter and output skew characteristics make the 87974I ideal for those applications demanding well defined performance and repeatability. |
87993I1-to-5 Differential-to-3.3V LVPECL PLL Clock Driver W/Dynamic Clock Switch | Clock/Timing | 1 | Obsolete | The 87993I is a PLL clock driver designed specifically for redundant clock tree designs. The device receives two differential LVPECL clock signals from which it generates 5 new differential LVPECL clock outputs. Two of the output pairs regenerate the input signal frequency and phase while the other three pairs generate 2x, phase aligned clock outputs. External PLL feedback is used to also provide zero delay buffer performance. The 87993I Dynamic Clock Switch (DCS) circuit continuously monitors both input CLK signals. Upon detection of a failure (CLK stuck HIGH or LOW for at least 1 period), the INP_BAD for that CLK will be latched (H). If that CLK is the primary clock, the DCS will switch to the good secondary clock and phase/frequency alignment will occur with minimal output phase disturbance. The typical phase bump caused by a failed clock is eliminated. |
| Integrated Circuits (ICs) | 1 | Obsolete | ||
| Integrated Circuits (ICs) | 1 | Obsolete | ||
| Integrated Circuits (ICs) | 1 | Obsolete | ||
| Specialized | 9 | Obsolete | ||
| Part | Category | Description |
|---|---|---|
Renesas Electronics Corporation | Integrated Circuits (ICs) | IC MCU 32BIT 1MB FLASH 48LFQFP |
Renesas Electronics Corporation | Integrated Circuits (ICs) | 16-BIT GENERAL MCU RL78/G23 96K |
Renesas Electronics Corporation | Isolators | OPTOISOLATOR 5KV TRANS 4SMD |
Renesas Electronics Corporation | Integrated Circuits (ICs) | IC REG PQFN |
Renesas Electronics Corporation X1228S14-2.7Obsolete | Integrated Circuits (ICs) | IC RTC CLK/CALENDAR I2C 14SOIC |
Renesas Electronics Corporation | Integrated Circuits (ICs) | 32-BIT MICROCONTROLLER OPTIMIZED FOR DUAL-MOTOR AND PFC CONTROL |
Renesas Electronics Corporation R5F104FJAFP#V0Obsolete | Integrated Circuits (ICs) | LOW POWER, HIGH FUNCTION, GENERAL PURPOSE MICROCONTROLLERS FOR MOTOR CONTROL, INDUSTRIAL AND METERING APPLICATIONS |
Renesas Electronics Corporation MK1493-03BGILFTRObsolete | Integrated Circuits (ICs) | IC CLOCK GENERATOR 48TSSOP |
Renesas Electronics Corporation | Development Boards Kits Programmers | E10A-USB SH4AL-DSP LICENSE TOOL |
Renesas Electronics Corporation | Integrated Circuits (ICs) | 32BIT MCU R32C/100X |