R
Renesas Electronics Corporation
| Series | Category | # Parts | Status | Description |
|---|---|---|---|---|
| Part | Spec A | Spec B | Spec C | Spec D | Description |
|---|---|---|---|---|---|
| Series | Category | # Parts | Status | Description |
|---|---|---|---|---|
| Part | Spec A | Spec B | Spec C | Spec D | Description |
|---|---|---|---|---|---|
| Series | Category | # Parts | Status | Description |
|---|---|---|---|---|
874208I2.5V Differential LVDS Clock Divider And Fanout Buffer | Integrated Circuits (ICs) | 1 | Obsolete | The 874208I is a high-performance differential LVDS clock divider and fanout buffer. The device is designed for the frequency division and signal fanout of high-frequency, low phase-noise clocks. The 874208I is characterized to operate from a 2.5V power supply. Guaranteed output-to-output and part-to-part skew characteristics make the 874208I ideal for those clock distribution applications demanding well-defined performance and repeatability. The integrated input termination resistors make interfacing to the reference source easy and reduce passive component count. Each output can be individually enabled or disabled in the high-impedance state controlled by a I2C register. On power-up, all outputs are enabled. |
| Integrated Circuits (ICs) | 1 | Obsolete | ||
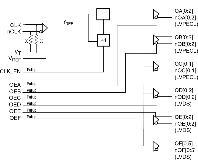
874328I-012.5V Differential Clock Divider/Buffer | Integrated Circuits (ICs) | 1 | Obsolete | The 874328I-01 is a high-performance differential ÷1 and ÷4 clock divider and fanout buffer. The device is designed for the frequency-division and signal fanout of high-frequency, low phase-noise clock signals. The differential input signal is frequency divided by ÷1 and ÷4. Three LVPECL and three LVDS output banks are provided with a total of twenty differential outputs. The 874328I-01 is characterized to operate from a 2.5V power supply. Guaranteed output-to-output and part-to-part skew characteristics make the 874328I-01 ideal for those clock distribution applications demanding well-defined performance and repeatability. |
| Integrated Circuits (ICs) | 1 | Obsolete | ||
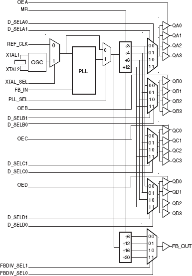
874S02IDifferential-to-LVDS Zero Delay Clock Generator | Clock Generators, PLLs, Frequency Synthesizers | 1 | Obsolete | The 874S02I is a highly versatile 1:1 Differential-to-LVDS Clock Generator and a member of the family of High Performance Clock Solutions from IDT. The 874S02I has a fully integrated PLL and can be configured as a zero delay buffer, multiplier or divider, and has an output frequency range of 62.5MHz to 1GHz. The reference divider, feedback divider and output divider are each programmable, thereby allowing for the following output-to-input frequency ratios: 8:1, 4:1, 2:1, 1:1, 1:2, 1:4, 1:8. The external feedback allows the device to achieve "zero delay" between the input clock and the output clocks. The PLL_SEL pin can be used to bypass the PLL for system test and debug purposes. In bypass mode, the reference clock is routed around the PLL and into the internal output dividers. |
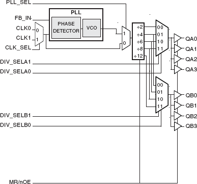
8752CLow Skew, 1-to-8 LVCMOS Clock Multiplier/Zero Delay Buffer | Clock Generators, PLLs, Frequency Synthesizers | 1 | Obsolete | The 8752 is a low voltage, low skew LVCMOS clock generator. With output frequencies up to 240MHz, the 8752 is targeted for high performance clock applications. Along with a fully integrated PLL, the 8752 contains frequency configurable outputs and an external feedback input for regenerating clocks with "zero delay".
Dual clock inputs, CLK0 and CLK1, support redundant clock applications. The CLK_SEL input determines which reference clock is used. The output divider values of Bank A and B are controlled by the DIV_SELA0:1, and DIV_SELB0:1, respectively.
For test and system debug purposes, the PLL_SEL input allows the PLL to be bypassed. When HIGH, the MR/nOE input resets the internal dividers and forces the outputs to the high impedance state.
The low impedance LVCMOS outputs of the 8752 are designed to drive terminated transmission lines. The effective fanout of each output can be doubled by utilizing the ability of each output to drive two series terminated transmission lines. |
8752CYLow Skew, 1-to-8 LVCMOS Clock Multiplier/Zero Delay Buffer | Clock/Timing | 1 | Obsolete | The 8752I is a low voltage, low skew LVCMOS clock generator. With output up to 240MHz, the 8752I is targeted for high performance clock applications. Along with a fully integrated PLL, the 8752I contains frequency configurable outputs and an external feedback input for regenerating clocks with "zero delay".
Dual clock inputs, CLK0 and CLK1, support redundant clock applications. The CLK_SEL input determines which reference clock is used. The output divider values of Bank A and B are controlled by the DIV_SELA0:1, and DIV_SELB0:1, respectively.
For test and system debug purposes, the PLL_SEL input allows the PLL to be bypassed. When HIGH, the MR/nOE input resets the internal dividers and forces the outputs to the high impedance state.
The low impedance LVCMOS outputs of the 8752I are designed to drive terminated transmission lines. The effective fanout of each output can be doubled by utilizing the ability of each output to drive two series terminated transmission lines. |
87604ILow Voltage/Low Skew,1:4 PCI/PCI-X | Integrated Circuits (ICs) | 1 | Obsolete | The 87604I is a 1:4 PCI/PCI-X Clock Generator. The 87604I has a selectable REF_IN or crystal input. The REF_IN input accepts LVCMOS or LVTTL input levels. The 87604I has a fully integrated PLL along with frequency configurable clock and feedback outputs for multiplying and regenerating clocks with "zero delay". The PLL's VCO has an operating range of 250MHz - 500MHz, allowing this device to be used in a variety of general purpose clocking applications. For PCI/PCI-X applications in particular, the VCO frequency should be set to 400MHz. This can be accomplished by supplying 33.33MHz, 25MHz, 20MHz, or 16.66MHz on the reference clock or crystal input and by selecting ÷12, ÷16, ÷20, or ÷24, respectively as the feedback divide value. The divider on the output bank can then be configured to generate 33.33MHz (÷12), 66.66MHz (÷6), 100MHz (÷4), or 133.33MHz (÷3). The 87604I is characterized to operate with its core supply at 3.3V and the bank supply at 3.3V or 2.5V. The 87604I is packaged in a small 6.1mm x 9.7mm TSSOP body, making it ideal for use in space-constrained applications. |
8761CLow Voltage,Low Skew,PCI/PCI-X Clock Generator | Integrated Circuits (ICs) | 2 | Obsolete | The 8761I is a low voltage, low skew PCI / PCI-X clock generator. The 8761I has a selectable REF_CLK or crystal input. The REF_CLK input accepts LVCMOS or LVTTL input levels. The 8761I has a fully integrated PLL along with frequency configurable clock and feedback outputs for multiplying and regenerating clocks with "zero delay". Using a 20MHz or 25MHz crystal or a 33.333MHz or 66.666MHz reference frequency, the 8761I will generate output frequencies of 33.333MHz, 66.666MHz, 100MHz and 133.333MHz simultaneously. The low impedance LVCMOS/LVTTL outputs of the 8761I are designed to drive 50Ω series or parallel terminated transmission lines. |
8761ILow Voltage,Low Skew,PCI/PCI-X Clock Generator | Clock Generators, PLLs, Frequency Synthesizers | 1 | Obsolete | The 8761I is a low voltage, low skew PCI / PCI-X clock generator. The 8761I has a selectable REF_CLK or crystal input. The REF_CLK input accepts LVCMOS or LVTTL input levels. The 8761I has a fully integrated PLL along with frequency configurable clock and feedback outputs for multiplying and regenerating clocks with "zero delay". Using a 20MHz or 25MHz crystal or a 33.333MHz or 66.666MHz reference frequency, the 8761I will generate output frequencies of 33.333MHz, 66.666MHz, 100MHz and 133.333MHz simultaneously. The low impedance LVCMOS/LVTTL outputs of the 8761I are designed to drive 50Ω series or parallel terminated transmission lines. |
| Part | Category | Description |
|---|---|---|
Renesas Electronics Corporation | Integrated Circuits (ICs) | IC MCU 32BIT 1MB FLASH 48LFQFP |
Renesas Electronics Corporation | Integrated Circuits (ICs) | 16-BIT GENERAL MCU RL78/G23 96K |
Renesas Electronics Corporation | Isolators | OPTOISOLATOR 5KV TRANS 4SMD |
Renesas Electronics Corporation | Integrated Circuits (ICs) | IC REG PQFN |
Renesas Electronics Corporation X1228S14-2.7Obsolete | Integrated Circuits (ICs) | IC RTC CLK/CALENDAR I2C 14SOIC |
Renesas Electronics Corporation | Integrated Circuits (ICs) | 32-BIT MICROCONTROLLER OPTIMIZED FOR DUAL-MOTOR AND PFC CONTROL |
Renesas Electronics Corporation R5F104FJAFP#V0Obsolete | Integrated Circuits (ICs) | LOW POWER, HIGH FUNCTION, GENERAL PURPOSE MICROCONTROLLERS FOR MOTOR CONTROL, INDUSTRIAL AND METERING APPLICATIONS |
Renesas Electronics Corporation MK1493-03BGILFTRObsolete | Integrated Circuits (ICs) | IC CLOCK GENERATOR 48TSSOP |
Renesas Electronics Corporation | Development Boards Kits Programmers | E10A-USB SH4AL-DSP LICENSE TOOL |
Renesas Electronics Corporation | Integrated Circuits (ICs) | 32BIT MCU R32C/100X |