R
Renesas Electronics Corporation
| Series | Category | # Parts | Status | Description |
|---|---|---|---|---|
| Part | Spec A | Spec B | Spec C | Spec D | Description |
|---|---|---|---|---|---|
| Series | Category | # Parts | Status | Description |
|---|---|---|---|---|
| Part | Spec A | Spec B | Spec C | Spec D | Description |
|---|---|---|---|---|---|
| Series | Category | # Parts | Status | Description |
|---|---|---|---|---|
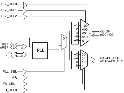
8731-01Low Skew, 1-to-11 Differential-to-3.3V LVPECL Clock Multiplier / Zero Delay Buffer | Integrated Circuits (ICs) | 1 | Obsolete | The 8731-01 is a low voltage, low skew, 1-to-11 Differential-to-3.3V LVPECL Clock Multiplier/Zero Delay Buffer. With output frequencies up to 700MHz the 8731-01 is targeted at high performance clock applications. Along with a fully integrated PLL the 8731- 01 contains frequency configurable, differential outputs and external feedback inputs for multiplying clock frequencies and regenerating clocks with "zero delay". Frequency multiplication is achieved by utilizing the separate feedback and clock output dividers. The value of the multiplier is determined by the ratio of the feedback divider, M, to the output divider,N. For multiplier values greater than 1, M must be greater than N. For multiplier values less than 1,M must be less than N. The zero delay mode is achieved with M and N at equal values. The divide values of the clock and feedback outputs are controlled by the DIV_SEL0:2 and FB_SEL0:1 inputs, respectively. The 8731-01 accepts any differential signal and translates it to differential 3.3V LVPECL output levels. |
87321I÷1/÷2 Differential-to-LVPECL Clock Generator | Integrated Circuits (ICs) | 1 | Obsolete | The 87321I is a high performance ÷1, ÷2 Differential-to-LVPECL Clock Generator and a member of the family of High Performance Clock Solutions from IDT. The CLK, nCLK pair can accept most standard differential input levels. The 87321I is characterized to operate from a 3.3V or 2.5V power supply. Guaranteed part-to-part skew characteristics make the 87321I ideal for those clock distribution applications demanding well defined performance and repeatability. |
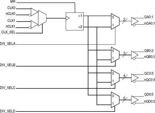
87322BILow Skew, ÷1/÷2,3.3V LVPECL /ECLClock Generator | Clock Generators, PLLs, Frequency Synthesizers | 2 | Obsolete | The 87322BI is a low skew, ÷1/÷2 3.3V LVPECL/ECL Clock Generator. Using multiplexed/redundant clock inputs the 87322BI is designed to translate most differential signal levels to LVPECL/ECL levels. The CLK_SEL input selects between CLK0, nCLK0 and CLK1, nCLK1 as the active input. The divide select inputs, DIV_SELA, DIV_SELB, DIV_SELC, DIV_SELD, control the output frequency of each bank. The outputs can be utilized in the ÷1, ÷2 or a combination of ÷1 and ÷2 modes. The master reset input can be used to reset the internal dividers and disable the clock outputs. Disabled outputs QAx, QBx, QCx and QDx will be forced low. Disabled outputs nQAx, nQBx, nQCx and nQDx will be forced high. The 87322BI is characterized across the industrial temperature range and over the supply voltage range of 3V to 3.8V for LVPECL and -3.8V to -3V for LVECL/ECL. Guaranteed output and part to part skew characteristics make the 87322BI an excellent choice for clock generator and clock distribution applications demanding well defined performance and repeatability. |
| Clock/Timing | 1 | Obsolete | ||
| Clock/Timing | 2 | Active | ||
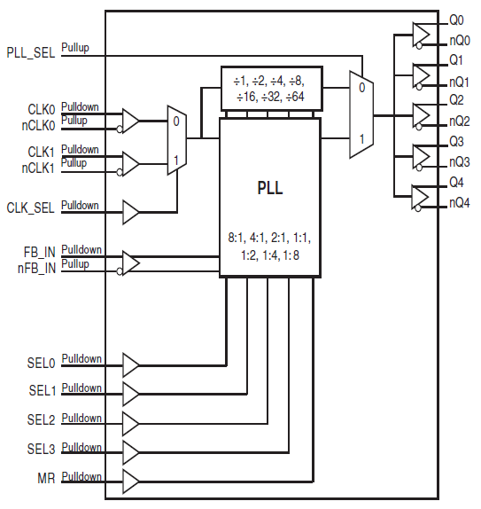
8735BI-01Low Skew, 1-to-5, Differential-to-3.3V LVPECL/ECL Fanout Buffer | Clock/Timing | 1 | Obsolete | The 8735BI-01 is a highly versatile 1:5 differential- to-3.3V LVPECL clock generator. The 8735BI-01 has a fully integrated PLL and can be configured as zero delay buffer, multiplier, or divider, and has an output frequency range of 31.25MHz to 700MHz. The reference divider, feedback divider, and output divider are each programmable, thereby allowing for the following output-to-input frequency ratios: 8:1, 4:1, 2:1, 1:1, 1:2, 1:4, and 1:8. The external feedback allows the device to achieve "zero delay" between the input clock and the output clocks. The PLL_SEL pin can be used to bypass the PLL for system test and debug purposes. In bypass mode, the reference clock is routed around the PLL and into the internal output dividers. |
| Clock Buffers, Drivers | 1 | Obsolete | ||
| Application Specific | 2 | Obsolete | ||
| Application Specific | 3 | Obsolete | ||
| Clock/Timing | 1 | Obsolete | ||
| Part | Category | Description |
|---|---|---|
Renesas Electronics Corporation | Integrated Circuits (ICs) | IC MCU 32BIT 1MB FLASH 48LFQFP |
Renesas Electronics Corporation | Integrated Circuits (ICs) | 16-BIT GENERAL MCU RL78/G23 96K |
Renesas Electronics Corporation | Isolators | OPTOISOLATOR 5KV TRANS 4SMD |
Renesas Electronics Corporation | Integrated Circuits (ICs) | IC REG PQFN |
Renesas Electronics Corporation X1228S14-2.7Obsolete | Integrated Circuits (ICs) | IC RTC CLK/CALENDAR I2C 14SOIC |
Renesas Electronics Corporation | Integrated Circuits (ICs) | 32-BIT MICROCONTROLLER OPTIMIZED FOR DUAL-MOTOR AND PFC CONTROL |
Renesas Electronics Corporation R5F104FJAFP#V0Obsolete | Integrated Circuits (ICs) | LOW POWER, HIGH FUNCTION, GENERAL PURPOSE MICROCONTROLLERS FOR MOTOR CONTROL, INDUSTRIAL AND METERING APPLICATIONS |
Renesas Electronics Corporation MK1493-03BGILFTRObsolete | Integrated Circuits (ICs) | IC CLOCK GENERATOR 48TSSOP |
Renesas Electronics Corporation | Development Boards Kits Programmers | E10A-USB SH4AL-DSP LICENSE TOOL |
Renesas Electronics Corporation | Integrated Circuits (ICs) | 32BIT MCU R32C/100X |