A
Analog Devices
| Series | Category | # Parts | Status | Description |
|---|---|---|---|---|
| Part | Spec A | Spec B | Spec C | Spec D | Description |
|---|---|---|---|---|---|
| Series | Category | # Parts | Status | Description |
|---|---|---|---|---|
| Part | Spec A | Spec B | Spec C | Spec D | Description |
|---|---|---|---|---|---|
| Part | Category | Description |
|---|---|---|
Analog Devices ADM6713RAKSZ-REELObsolete | Integrated Circuits (ICs) | IC SUPERVISOR 1 CHANNEL SC70-4 |
Analog Devices | RF and Wireless | RF AMP SINGLE GENERAL PURPOSE RF AMPLIFIER 20GHZ 3.6V 22-PIN DIE TRAY |
Analog Devices | Integrated Circuits (ICs) | LOW NOISE, SWITCHED CAPACITOR REGULATED VOLTAGE INVERTERS |
Analog Devices | Integrated Circuits (ICs) | QUAD 16-BIT/12-BIT ±10V VOUTSOFTSPAN DACS WITH 10PPM/°C MAX REFERENCE |
Analog Devices | Integrated Circuits (ICs) | SERIAL 14-BIT, 3.5MSPS SAMPLING ADC WITH BIPOLAR INPUTS |
Analog Devices | Integrated Circuits (ICs) | ISOSPI ISOLATED COMMUNICATIONS INTERFACE |
Analog Devices | Integrated Circuits (ICs) | 4.5A, 500KHZ STEP-DOWN SWITCHING REGULATOR |
Analog Devices | Integrated Circuits (ICs) | 300 MA, LOW QUIESCENT CURRENT, ADJUSTABLE OUTPUT, CMOS LINEAR REGULATOR |
Analog Devices AD767KNObsolete | Integrated Circuits (ICs) | IC DAC 12BIT V-OUT 24DIP |
Analog Devices | Integrated Circuits (ICs) | QUAD 12-/10-/8-BIT RAIL-TO-RAIL DACS WITH 10PPM/°C REFERENCE |
| Series | Category | # Parts | Status | Description |
|---|---|---|---|---|
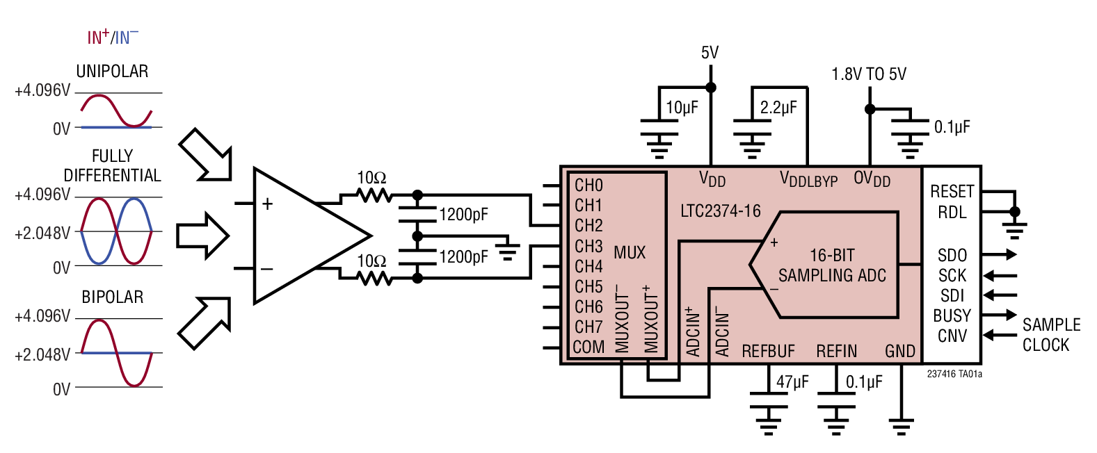
LTC2374-1616-Bit, 1.6Msps, 8-Channel SAR ADC with 96dB SNR | Data Acquisition | 2 | Active | The LTC2374-16 is a low noise, high speed, 8-channel 16-bit successive approximation register (SAR) ADC. Operating from a single 5V supply, the LTC2374-16 has a highly configurable, low crosstalk 8-channel input multiplexer, supporting fully differential, pseudo-differential unipolar and pseudo-differential bipolar analog input ranges. The LTC2374-16 achieves ±1LSB INL (maximum) in all input ranges, no missing codes at 16-bits and 96dB (fully differential)/ 93dB (pseudo-differential) SNR (typical).The LTC2374-16 has an onboard low drift (20ppm/°C max) 2.048V temperature-compensated reference and a single-shot capable reference buffer. The LTC2374-16 also has a high speed SPI-compatible serial interface that supports 1.8V, 2.5V, 3.3V and 5V logic through which a sequencer with a depth of 16 may be programmed. An internal oscillator sets the conversion time, easing external timing considerations. The LTC2374-16 dissipates only 55mW and automatically naps between conversions, leading to reduced power dissipation that scales with the sampling rate. A sleep mode is also provided to reduce the power consumption of the LTC2374-16 to 300μW for further power savings during inactive periods.ApplicationsProgrammable Logic ControllersIndustrial Process ControlHigh Speed Data AcquisitionPortable or Compact InstrumentationATE |
LTC2376-1620-Bit, 250ksps, Low Power SAR ADC with 0.5ppm INL | Data Acquisition | 10 | Active | The LTC2376-18 is a low noise, low power, high speed 18-bit successive approximation register (SAR) ADC. Operating from a 2.5V supply, the LTC2376-18 has a ±VREFfully differential input range with VREFranging from 2.5V to 5.1V. The LTC2376-18 consumes only 3.4mW and achieves ±1.75LSB INL maximum, no missing codes at 18 bits with 102dB SNR.The LTC2376-18 has a high speed SPI-compatible serial interface that supports 1.8V, 2.5V, 3.3V and 5V logic while also featuring a daisy-chain mode. The fast 250ksps throughput with no cycle latency makes the LTC2376-18 ideally suited for a wide variety of high speed applications. An internal oscillator sets the conversion time, easing external timing considerations. The LTC2376-18 automatically powers down between conversions, leading to reduced power dissipation that scales with the sampling rate.The LTC2376-18 features a unique digital gain compression (DGC) function, which eliminates the driver amplifier’s negative supply while preserving the full resolution of the ADC. When enabled, the ADC performs a digital scaling function that maps zero-scale code from 0V to 0.1 • VREFand full-scale code from VREFto 0.9 • VREF. For a typical reference voltage of 5V, the full-scale input range is now 0.5V to 4.5V, which provides adequate headroom for powering the driving amplifier from a single 5.5V supply.ApplicationsMedical ImagingHigh Speed Data AcquisitionPortable or Compact InstrumentationIndustrial Process ControlLow Power Battery-Operated InstrumentationATE |
LTC2377-1820-Bit, 500ksps, Low Power SAR ADC with 0.5ppm INL | Data Acquisition | 5 | Active | The LTC2377-18 is a low noise, low power, high speed 18-bit successive approximation register (SAR) ADC. Operating from a 2.5V supply, the LTC2377-18 has a ±VREFfully differential input range with VREFranging from 2.5V to 5.1V. The LTC2377-18 consumes only 6.8mW and achieves ±1.75LSB INL maximum, no missing codes at 18 bits with 102dB SNR.The LTC2377-18 has a high speed SPI-compatible serial interface that supports 1.8V, 2.5V, 3.3V and 5V logic while also featuring a daisy-chain mode. The fast 500ksps throughput with no cycle latency makes the LTC2377-18 ideally suited for a wide variety of high speed applications. An internal oscillator sets the conversion time, easing external timing considerations. The LTC2377-18 automatically powers down between conversions, leading to reduced power dissipation that scales with the sampling rate.The LTC2377-18 features a unique digital gain compression (DGC) function, which eliminates the driver amplifier’s negative supply while preserving the full resolution of the ADC. When enabled, the ADC performs a digital scaling function that maps zero-scale code from 0V to 0.1 • VREFand full-scale code from VREFto 0.9 • VREF. For a typical reference voltage of 5V, the full-scale input range is now 0.5V to 4.5V, which provides adequate headroom for powering the driving amplifier from a single 5.5V supply.ApplicationsMedical ImagingHigh Speed Data AcquisitionPortable or Compact InstrumentationIndustrial Process ControlLow Power Battery-Operated InstrumentationATE |
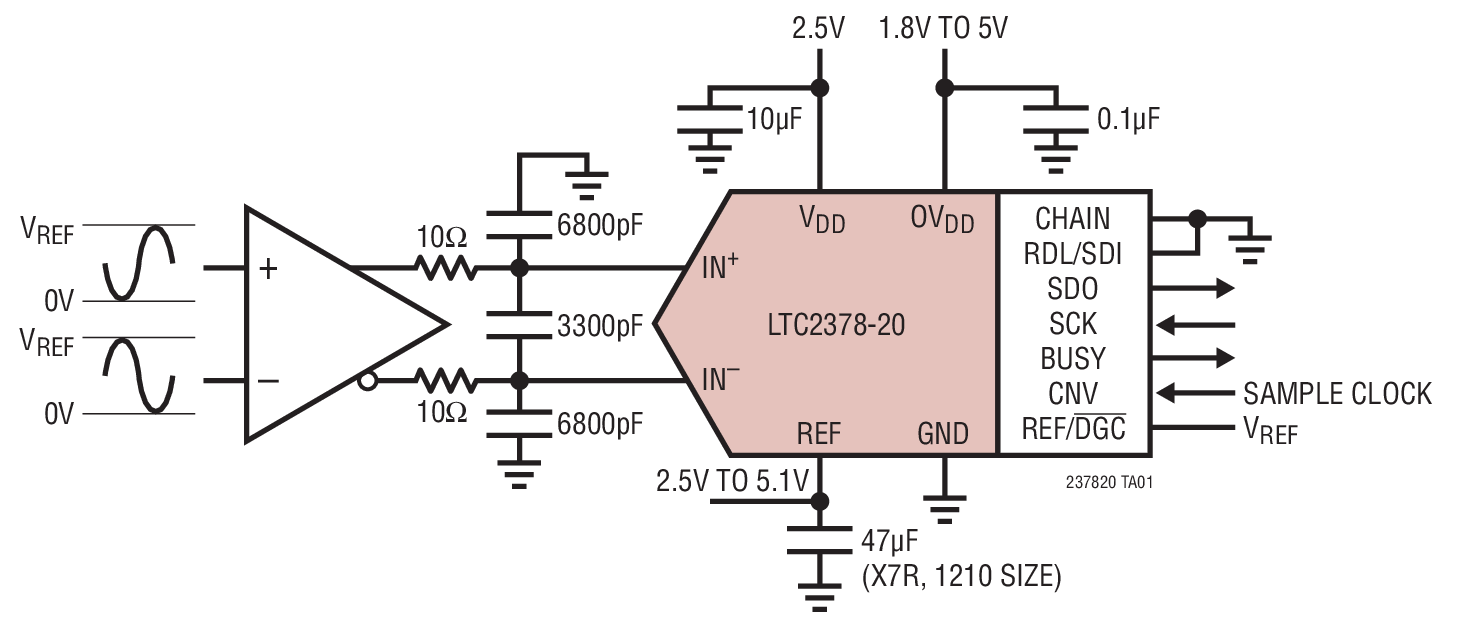
LTC2378-1620-Bit, 1Msps, Low Power SAR ADC with 0.5ppm INL | Integrated Circuits (ICs) | 9 | Active | The LTC2378-18 is a low noise, low power, high speed 18-bit successive approximation register (SAR) ADC. Operating from a 2.5V supply, the LTC2378-18 has a ±VREFfully differential input range with VREFranging from 2.5V to 5.1V. The LTC2378-18 consumes only 13.5mW and achieves ±1.75LSB INL maximum, no missing codes at 18 bits with 102dB SNR.The LTC2378-18 has a high speed SPI-compatible serial interface that supports 1.8V, 2.5V, 3.3V and 5V logic while also featuring a daisy-chain mode. The fast 1Msps throughput with no cycle latency makes the LTC2378-18 ideally suited for a wide variety of high speed applications. An internal oscillator sets the conversion time, easing external timing considerations. The LTC2378-18 automatically powers down between conversions, leading to reduced power dissipation that scales with the sampling rate.The LTC2378-18 features a unique digital gain compression (DGC) function, which eliminates the driver amplifier’s negative supply while preserving the full resolution of the ADC. When enabled, the ADC performs a digital scaling function that maps zero-scale code from 0V to 0.1 • VREFand full-scale code from VREFto 0.9 • VREF. For a typical reference voltage of 5V, the full-scale input range is now 0.5V to 4.5V, which provides adequate headroom for powering the driving amplifier from a single 5.5V supply.ApplicationsMedical ImagingHigh Speed Data AcquisitionPortable or Compact InstrumentationIndustrial Process ControlLow Power Battery-Operated InstrumentationATE |
LTC2379-1818-Bit, 1.6Msps, Low Power SAR ADC with 101.2dB SNR | Analog to Digital Converters (ADC) | 5 | Active | The LTC2379-18 is a low noise, low power, high speed 18-bit successive approximation register (SAR) ADC. Operating from a 2.5V supply, the LTC2379-18 has a ±VREFfully differential input range with VREFranging from 2.5V to 5.1V. The LTC2379-18 consumes only 18mW and achieves ±2LSB INL maximum, no missing codes at 18‑bits with 101.2dB SNR.The LTC2379-18 has a high speed SPI-compatible serial interface that supports 1.8V, 2.5V, 3.3V and 5V logic while also featuring a daisychain mode. The fast 1.6Msps throughput with no cycle latency makes the LTC2379-18 ideally suited for a wide variety of high speed applications. An internal oscillator sets the conversion time, easing external timing considerations. The LTC2379-18 automatically powers down between conversions, leading to reduced power dissipation that scales with the sampling rate.The LTC2379-18 features a unique digital gain compression (DGC) function, which eliminates the driver amplifier’s negative supply while preserving the full resolution of the ADC. When enabled, the ADC performs a digital scaling function that maps zero-scale code from 0V to 0.1 • VREFand full-scale code from VREFto 0.9 • VREF. For a typical reference voltage of 5V, the full-scale input range is now 0.5V to 4.5V, which provides adequate headroom for powering the driving amplifier from a single 5.5V supply.ApplicationsMedical ImagingHigh Speed Data AcquisitionPortable or Compact InstrumentationIndustrial Process ControlLow Power Battery-Operated InstrumentationATE |
LTC2380-1616-Bit, 2Msps, Low Power SAR ADC with 96.2dB SNR | Analog to Digital Converters (ADC) | 4 | Active | The LTC2380-16 is a low noise, low power, high speed 16-bit successive approximation register (SAR) ADC. Operating from a 2.5V supply, the LTC2380-16 has a ±VREFfully differential input range with VREFranging from 2.5V to 5.1V. The LTC2380-16 consumes only 19mW and achieves ±0.6LSB INL maximum, no missing codes at 16-bits with 96.2dB SNR.The LTC2380-16 has a high speed SPI-compatible serial interface that supports 1.8V, 2.5V, 3.3V and 5V logic while also featuring a daisy-chain mode. The fast 2Msps throughput with no cycle latency makes the LTC2380-16 ideally suited for a wide variety of high speed applications. An internal oscillator sets the conversion time, easing external timing considerations. The LTC2380-16 automatically powers down between conversions, leading to reduced power dissipation that scales with the sampling rate.The LTC2380-16 features a unique digital gain compression (DGC) function, which eliminates the driver amplifier’s negative supply while preserving the full resolution of the ADC. When enabled, the ADC performs a digital scaling function that maps zero-scale code from 0V to 0.1 • VREFand full-scale code from VREFto 0.9 • VREF. For a typical reference voltage of 5V, the full-scale input range is now 0.5V to 4.5V, which provides adequate headroom for powering the driving amplifier from a single 5.5V supply.ApplicationsMedical ImagingHigh Speed Data AcquisitionPortable or Compact InstrumentationIndustrial Process ControlLow Power Battery-Operated InstrumentationATE |
LTC2380-2424-Bit, 1.5Msps/2Msps, Low Power SAR ADC with Integrated Digital Filter | Data Acquisition | 1 | Active | The LTC2380-24 is a low noise, low power, high speed 24-bit successive approximation register (SAR) ADC with an integrated digital averaging filter. Operating from a 2.5V supply, the LTC2380-24 has a ±VREFfully differential input range with VREFranging from 2.5V to 5.1V. The LTC2380- 24 consumes only 28mW and achieves ±3.5ppm INL maximum and no missing codes at 24 bits.The LTC2380-24 has an easy to use integrated digital averaging filter that can average 1 to 65536 conversion results real-time, dramatically improving dynamic range from 101dB at 1.5Msps to 145dB at 30.5sps. No separate programming interface or configuration register is required.The high speed SPI-compatible serial interface supports 1.8V, 2.5V, 3.3V and 5V logic while also featuring a daisychain mode. The LTC2380-24 automatically powers down between conversions, reducing power dissipation at lower sampling rates.ApplicationsSeismologyEnergy ExplorationMedical ImagingHigh Speed Data AcquisitionIndustrial Process ControlATE |
LTC2381-1616-Bit, 250ksps, Low Power SAR ADC with Serial Interface | Analog to Digital Converters (ADC) | 2 | Active | The LTC2381-16 is a low noise, low power, high speed 16-bit successive approximation register (SAR) ADC. Operating from a 2.5V supply, the LTC2381-16 has a ±2.5V fully differential input range. The LTC2381-16 consumes only 3.25mW and achieves ±2LSB INL max, no missing codes at 16-bits and 92dB SNR.The LTC2381-16 has a high speed SPI-compatible serial interface that supports 1.8V, 2.5V, 3.3V and 5V logic while also featuring a daisychain mode. The fast 250ksps throughput with no cycle latency makes the LTC2381-16 ideally suited for a wide variety of high speed applications. An internal oscillator sets the conversion time, easing external timing considerations. The LTC2381-16 automatically powers down between conversions, leading to reduced power dissipation that scales with the sampling rate.The LTC2381-16 features a proprietary sampling architecture that enables the ADC to begin acquiring the next sample during the current conversion. The resulting extended acquisition time of 3.25μs allows the use of extremely low power ADC drivers.ApplicationsMedical ImagingHigh Speed Data AcquisitionPortable or Compact InstrumentationIndustrial Process ControlLow Power Battery-Operated InstrumentationATE |
LTC2382-1616-Bit, 500ksps, Low Power SAR ADC with Serial Interface | Integrated Circuits (ICs) | 4 | Active | The LTC2382-16 is a low noise, low power, high speed 16-bit successive approximation register (SAR) ADC. Operating from a 2.5V supply, the LTC2382-16 has a ±2.5V fully differential input range. The LTC2382-16 consumes only 6.5mW and achieves ±2LSB INL max, no missing codes at 16-bits and 92dB SNR.The LTC2382-16 has a high speed SPI-compatible serial interface that supports 1.8V, 2.5V, 3.3V and 5V logic while also featuring a daisychain mode. The fast 500ksps throughput with no cycle latency makes the LTC2382-16 ideally suited for a wide variety of high speed applications. An internal oscillator sets the conversion time, easing external timing considerations. The LTC2382-16 automatically powers down between conversions, leading to reduced power dissipation that scales with the sampling rate.The LTC2382-16 features a proprietary sampling architecture that enables the ADC to begin acquiring the next sample during the current conversion. The resulting extended acquisition time of 1.25μs allows the use of extremely low power ADC drivers.ApplicationsMedical ImagingHigh Speed Data AcquisitionPortable or Compact InstrumentationIndustrial Process ControlLow Power Battery-Operated InstrumentationATE |
LTC2383-1616-Bit, 1Msps, Low Power SAR ADC with Serial Interface | Integrated Circuits (ICs) | 3 | Active | The LTC2383-16 is a low noise, low power, high speed 16-bit successive approximation register (SAR) ADC. Operating from a 2.5V supply, the LTC2383-16 has a ±2.5V fully differential input range. The LTC2383-16 consumes only 13mW and achieves ±2LSB INL max, no missing codes at 16-bits and 92dB SNR.The LTC2383-16 has a high speed SPI-compatible serial interface that supports 1.8V, 2.5V, 3.3V and 5V logic while also featuring a daisychain mode. The fast 1Msps throughput with no cycle latency makes the LTC2383-16 ideally suited for a wide variety of high speed applications. An internal oscillator sets the conversion time, easing external timing considerations. The LTC2383-16 automatically powers down between conversions, leading to reduced power dissipation that scales with the sampling rate.ApplicationsMedical ImagingHigh Speed Data AcquisitionPortable or Compact InstrumentationIndustrial Process ControlLow Power Battery-Operated InstrumentationATE |