A
Analog Devices
| Series | Category | # Parts | Status | Description |
|---|---|---|---|---|
| Part | Spec A | Spec B | Spec C | Spec D | Description |
|---|---|---|---|---|---|
| Series | Category | # Parts | Status | Description |
|---|---|---|---|---|
| Part | Spec A | Spec B | Spec C | Spec D | Description |
|---|---|---|---|---|---|
| Part | Category | Description |
|---|---|---|
Analog Devices ADM6713RAKSZ-REELObsolete | Integrated Circuits (ICs) | IC SUPERVISOR 1 CHANNEL SC70-4 |
Analog Devices | RF and Wireless | RF AMP SINGLE GENERAL PURPOSE RF AMPLIFIER 20GHZ 3.6V 22-PIN DIE TRAY |
Analog Devices | Integrated Circuits (ICs) | LOW NOISE, SWITCHED CAPACITOR REGULATED VOLTAGE INVERTERS |
Analog Devices | Integrated Circuits (ICs) | QUAD 16-BIT/12-BIT ±10V VOUTSOFTSPAN DACS WITH 10PPM/°C MAX REFERENCE |
Analog Devices | Integrated Circuits (ICs) | SERIAL 14-BIT, 3.5MSPS SAMPLING ADC WITH BIPOLAR INPUTS |
Analog Devices | Integrated Circuits (ICs) | ISOSPI ISOLATED COMMUNICATIONS INTERFACE |
Analog Devices | Integrated Circuits (ICs) | 4.5A, 500KHZ STEP-DOWN SWITCHING REGULATOR |
Analog Devices | Integrated Circuits (ICs) | 300 MA, LOW QUIESCENT CURRENT, ADJUSTABLE OUTPUT, CMOS LINEAR REGULATOR |
Analog Devices AD767KNObsolete | Integrated Circuits (ICs) | IC DAC 12BIT V-OUT 24DIP |
Analog Devices | Integrated Circuits (ICs) | QUAD 12-/10-/8-BIT RAIL-TO-RAIL DACS WITH 10PPM/°C REFERENCE |
| Series | Category | # Parts | Status | Description |
|---|---|---|---|---|
LTC23651Msps, 12-Bit Serial Sampling ADCs in TSOT | Data Acquisition | 7 | Active | The LTC2365/LTC2366 are 1Msps/3Msps, 12-bit, sampling A/D converters that draw only 2mA and 2.6mA, respectively, from a single 3V supply. These high performance devices include a high dynamic range sample-and-hold and a high speed serial interface. The full-scale input is 0V to VDDor VREF. Outstanding AC performance includes 72dB SINAD and –80dB THD at sample rates of 3Msps. The serial interface provides flexible power management and allows maximum power efficiency at low throughput rates. These devices are available in tiny 6- and 8-lead TSOT-23 packages.The serial interface, tiny TSOT-23 package and extremely high sample rate-to-power ratio make the LTC2365/LTC2366 ideal for compact, low power, high speed systems.The high impedance single-ended analog input and the ability to operate with reduced spans (down to 1.4V full scale) allow direct connection to sensors and transducers in many applications, eliminating the need for gain stages.ApplicationsCommunication SystemsData Acquisition SystemsHandheld Terminal InterfaceMedical ImagingUninterrupted Power SuppliesBattery-Operated SystemsAutomotive |
LTC23663Msps, 12-Bit Serial Sampling ADCs in TSOT | Data Acquisition | 2 | Active | The LTC2365/LTC2366 are 1Msps/3Msps, 12-bit, sampling A/D converters that draw only 2mA and 2.6mA, respectively, from a single 3V supply. These high performance devices include a high dynamic range sample-and-hold and a high speed serial interface. The full-scale input is 0V to VDDor VREF. Outstanding AC performance includes 72dB SINAD and –80dB THD at sample rates of 3Msps. The serial interface provides flexible power management and allows maximum power efficiency at low throughput rates. These devices are available in tiny 6- and 8-lead TSOT-23 packages.The serial interface, tiny TSOT-23 package and extremely high sample rate-to-power ratio make the LTC2365/LTC2366 ideal for compact, low power, high speed systems.The high impedance single-ended analog input and the ability to operate with reduced spans (down to 1.4V full scale) allow direct connection to sensors and transducers in many applications, eliminating the need for gain stages.ApplicationsCommunication SystemsData Acquisition SystemsHandheld Terminal InterfaceMedical ImagingUninterrupted Power SuppliesBattery Operated SystemsAutomotive |
LTC2367-1616-Bit, 500ksps, Pseudo-Differential Unipolar SAR ADC with 94.7dB SNR | Integrated Circuits (ICs) | 2 | Active | The LTC2367-16 is a low noise, low power, high speed 16-bit successive approximation register (SAR) ADC. Operating from a 2.5V supply, the LTC2367-16 has a 0V to VREFpseudo-differential unipolar input range with VREFranging from 2.5V to 5.1V. The LTC2367-16 consumes only 6.8mW and achieves ±0.75LSB INL maximum, no missing codes at 16 bits with 94.7dB SNR.The LTC2367-16 has a high speed SPI-compatible serial interface that supports 1.8V, 2.5V, 3.3V and 5V logic while also featuring a daisy-chain mode. The fast 500ksps throughput with no cycle latency makes the LTC2367-16 ideally suited for a wide variety of high speed applications. An internal oscillator sets the conversion time, easing external timing considerations. The LTC2367-16 automatically powers down between conversions, leading to reduced power dissipation that scales with the sampling rate.ApplicationsMedical ImagingHigh Speed Data AcquisitionPortable or Compact InstrumentationIndustrial Process ControlLow Power Battery-Operated InstrumentationATE |
LTC2367-1816-Bit, 500ksps, Pseudo-Differential Unipolar SAR ADC with 94.7dB SNR | Data Acquisition | 6 | Active | The LTC2367-16 is a low noise, low power, high speed 16-bit successive approximation register (SAR) ADC. Operating from a 2.5V supply, the LTC2367-16 has a 0V to VREFpseudo-differential unipolar input range with VREFranging from 2.5V to 5.1V. The LTC2367-16 consumes only 6.8mW and achieves ±0.75LSB INL maximum, no missing codes at 16 bits with 94.7dB SNR.The LTC2367-16 has a high speed SPI-compatible serial interface that supports 1.8V, 2.5V, 3.3V and 5V logic while also featuring a daisy-chain mode. The fast 500ksps throughput with no cycle latency makes the LTC2367-16 ideally suited for a wide variety of high speed applications. An internal oscillator sets the conversion time, easing external timing considerations. The LTC2367-16 automatically powers down between conversions, leading to reduced power dissipation that scales with the sampling rate.ApplicationsMedical ImagingHigh Speed Data AcquisitionPortable or Compact InstrumentationIndustrial Process ControlLow Power Battery-Operated InstrumentationATE |
LTC2368-1624-Bit, 1Msps, Pseudo- Differential Unipolar SAR ADC with Integrated Digital Filter | Integrated Circuits (ICs) | 9 | Active | The LTC2368-24 is a low noise, low power, high speed 24-bit successive approximation register (SAR) ADC with an integrated digital averaging filter. Operating from a 2.5V supply, the LTC2368-24 has a 0V to VREFpseudo-differential unipolar input range with VREFranging from 2.5V to 5.1V. The LTC2368-24 consumes only 21mW (Typ) and achieves ±4.5ppm INL maximum and no missing codes at 24 bits.The LTC2368-24 has an easy to use integrated digital averaging filter that can average 1 to 65536 conversion results real-time, dramatically improving dynamic range from 98dB at 1Msps to 140dB at 15.25sps. No separate programming interface or configuration register is required.The high speed SPI-compatible serial interface supports 1.8V, 2.5V, 3.3V and 5V logic while also featuring a daisy-chain mode. The LTC2368-24 automatically powers down between conversions, reducing power dissipation at lower sampling rates.ApplicationsSeismologyEnergy ExplorationMedical ImagingHigh Speed Data AcquisitionIndustrial Process ControlATE |
LTC2369-1818-Bit, 1.6Msps, Pseudo- Differential Unipolar SAR ADC with 96.5dB SNR | Integrated Circuits (ICs) | 4 | Active | The LTC2369-18 is a low noise, low power, high speed 18-bit successive approximation register (SAR) ADC. Operating from a 2.5V supply, the LTC2369-18 has a 0V to VREFpseudo-differential unipolar input range with VREFranging from 2.5V to 5.1V. The LTC2369-18 consumes only 18mW and achieves ±2.5LSB INL maximum, no missing codes at 18 bits with 96.5dB SNR.The LTC2369-18 has a high speed SPI-compatible serial interface that supports 1.8V, 2.5V, 3.3V and 5V logic while also featuring a daisy-chain mode. The fast 1.6Msps throughput with no cycle latency makes the LTC2369-18 ideally suited for a wide variety of high speed applications. An internal oscillator sets the conversion time, easing external timing considerations. The LTC2369-18 automatically powers down between conversions, leading to reduced power dissipation that scales with the sampling rate.ApplicationsMedical ImagingHigh Speed Data AcquisitionPortable or Compact InstrumentationIndustrial Process ControlLow Power Battery-Operated InstrumentationATE |
LTC2370-1616-Bit, 2Msps, Pseudo- Differential Unipolar SAR ADC with 94dB SNR | Analog to Digital Converters (ADC) | 6 | Active | The LTC2370-16 is a low noise, low power, high speed 16-bit successive approximation register (SAR) ADC. Operating from a 2.5V supply, the LTC2370-16 has a 0V to VREFpseudo-differential unipolar input range with VREFranging from 2.5V to 5.1V. The LTC2370-16 consumes only 19mW and achieves ±0.85LSB INL maximum, no missing codes at 16 bits with 94dB SNR.The LTC2370-16 has a high speed SPI-compatible serial interface that supports 1.8V, 2.5V, 3.3V and 5V logic while also featuring a daisy-chain mode. The fast 2Msps throughput with no cycle latency makes the LTC2370-16 ideally suited for a wide variety of high speed applications. An internal oscillator sets the conversion time, easing external timing considerations. The LTC2370-16 automatically powers down between conversions, leading to reduced power dissipation that scales with the sampling rate.ApplicationsMedical ImagingHigh Speed Data AcquisitionPortable or Compact InstrumentationIndustrial Process ControlLow Power Battery-Operated InstrumentationATE |
LTC2372-1818-Bit, 500ksps, 8-Channel SAR ADC with 100dB SNR | Data Acquisition | 5 | Active | The LTC2372-18 is a low noise, high speed, 8-channel 18-bit successive approximation register (SAR) ADC. Operating from a single 5V supply, the LTC2372-18 has a highly configurable, low crosstalk 8-channel input multiplexer, supporting fully differential, pseudo-differential unipolar and pseudo-differential bipolar analog input ranges. The LTC2372-18 achieves ±2.75LSB INL (maximum) in all input ranges, no missing codes at 18-bits and 100dB (fully differential)/ 95dB (pseudo-differential) SNR (typical).The LTC2372-18 has an onboard low drift (20ppm/°C max) 2.048V temperature-compensated reference and a single-shot capable reference buffer. The LTC2372-18 also has a high speed SPI-compatible serial interface that supports 1.8V, 2.5V, 3.3V and 5V logic through which a sequencer with a depth of 16 may be programmed. An internal oscillator sets the conversion time, easing external timing considerations. The LTC2372-18 dissipates only 27mW and automatically naps between conversions, leading to reduced power dissipation that scales with the sampling rate. A sleep mode is also provided to reduce the power consumption of the LTC2372-18 to 300μW for further power savings during inactive periods.ApplicationsProgrammable Logic ControllersIndustrial Process ControlHigh Speed Data AcquisitionPortable or Compact InstrumentationATE |
LTC2373-1616-Bit, 1Msps, 8-Channel SAR ADC with 96dB SNR | Analog to Digital Converters (ADC) | 2 | Active | The LTC2373-16 is a low noise, high speed, 8-channel 16-bit successive approximation register (SAR) ADC. Operating from a single 5V supply, the LTC2373-16 has a highly configurable, low crosstalk 8-channel input multiplexer, supporting fully differential, pseudo-differential unipolar and pseudo-differential bipolar analog input ranges. The LTC2373-16 achieves ±1LSB INL (maximum) in all input ranges, no missing codes at 16-bits and 96dB (fully differential)/ 93.4dB (pseudo-differential) SNR (typical).The LTC2373-16 has an onboard low drift (20ppm/°C max) 2.048V temperature-compensated reference and a singleshot capable reference buffer. The LTC2373-16 also has a high speed SPI-compatible serial interface that supports 1.8V, 2.5V, 3.3V and 5V logic through which a sequencer with a depth of 16 may be programmed. An internal oscillator sets the conversion time, easing external timing considerations. The LTC2373-16 dissipates only 40mW and automatically naps between conversions, leading to reduced power dissipation that scales with the sampling rate. A sleep mode is also provided to reduce the power consumption of the LTC2373-16 to 300μW for further power savings during inactive periods.ApplicationsProgrammable Logic ControllersIndustrial Process ControlHigh Speed Data AcquisitionPortable or Compact InstrumentationATE |
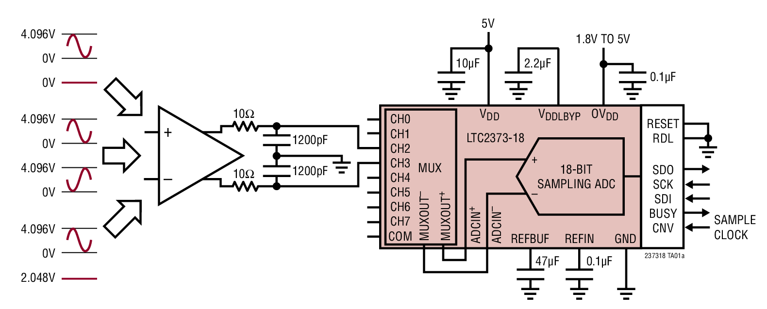
LTC2373-1818-Bit, 1Msps, 8-Channel SAR ADC with 100dB SNR | Data Acquisition | 3 | Active | The LTC2373-18 is a low noise, high speed, 8-channel 18-bit successive approximation register (SAR) ADC. Operating from a single 5V supply, the LTC2373-18 has a highly configurable, low crosstalk 8-channel input multiplexer, supporting fully differential, pseudo-differential unipolar and pseudo-differential bipolar analog input ranges. The LTC2373-18 achieves ±2.75LSB INL (maximum) in all input ranges, no missing codes at 18-bits and 100dB (fully differential)/ 95dB (pseudo-differential) SNR (typical).The LTC2373-18 has an onboard low drift (20ppm/°C max) 2.048V temperature-compensated reference and a singleshot capable reference buffer. The LTC2373-18 also has a high speed SPI-compatible serial interface that supports 1.8V, 2.5V, 3.3V and 5V logic through which a sequencer with a depth of 16 may be programmed. An internal oscillator sets the conversion time, easing external timing considerations. The LTC2373-18 dissipates only 40mW and automatically naps between conversions, leading to reduced power dissipation that scales with the sampling rate. A sleep mode is also provided to reduce the power consumption of the LTC2373-18 to 300μW for further power savings during inactive periods.ApplicationsProgrammable Logic ControllersIndustrial Process ControlHigh Speed Data AcquisitionPortable or Compact InstrumentationATE |