LTC1400Complete SO-8, 12-Bit, 400ksps ADC with Shutdown | Integrated Circuits (ICs) | 3 | Active | The LTC1400 is a complete 400ksps, 12-bit A/D converter which draws only 75mW from a 5V or ±5V supplies. This easy-to-use device comes complete with a 200ns sample-and-hold and a precision reference. Unipolar and bipolar conversion modes add to the flexibility of the ADC. The LTC1400 is capable of going into two power saving modes: NAP and SLEEP. In NAP mode, it consumes only 6mW of power and can wake up and convert immediately. In the SLEEP mode, it consumes 30µW of power typically. Upon power-up from SLEEP mode, a reference ready (REFRDY) signal is available in the serial data word to indicate that the reference has settled and the chip is ready to convert.The LTC1400 converts 0V to 4.096V unipolar inputs from a single 5V supply and ±2.048V bipolar inputs from ±5V supplies. Maximum DC specs include ±1LSB INL, ±1LSB DNL and 45ppm/°C drift over temperature. Guaranteed AC performance includes 70dB S/(N D) and 76dB THD at an input frequency of 100kHz, over temperature.The 3-wire serial port allows compact and efficient data transfer to a wide range of microprocessors, microcontrollers and DSPs.ApplicationsHigh Speed Data AcquisitionDigital Signal ProcessingMultiplexed Data Acquisition SystemsAudio and Telecom ProcessingDigital RadioSpectrum AnalysisLow Power and Battery-Operated SystemsHandheld or Portable Instruments |
LTC1401Complete SO-8, 12-Bit, 200ksps ADC with Shutdown | Analog to Digital Converters (ADC) | 1 | Active | The LTC1401 is a complete 200ksps, 12-bit A/D converter that converts 0V to 2.048V unipolar input and draws only 15mW from a single 3V supply. This easy-to-use device comes complete with a 315ns sample-and-hold and a precision reference. Maximum DC specifications include ±1LSB INL, ±1LSB DNL and 45ppm/°C full-scale drift over temperature.The LTC1401 has three power saving modes: Nap and Sleep, through the serial interface and Shutdown by setting theSHDNpin to zero. In Nap mode, it consumes only 1.5mW of power and can wake up and convert immediately. In Sleep (Shutdown) mode, it consumes 19.5µW (13.5µW) of power typically. Upon power-up from Sleep or Shutdown mode, a reference ready (REFRDY) signal is available in the serial word to indicate that the reference has settled and the chip is ready to convert.The 3-wire serial port allows compact and efficient data transfer to a wide range of microprocessors, microcontrollers and DSPs.ApplicationsLow Power and Battery-Operated SystemsHandheld or Portable InstrumentsHigh Speed Data AcquisitionDigital Signal ProcessingMultiplexed Data Acquisition SystemsTelecommunicationDigital RadioSpectrum Analysis |
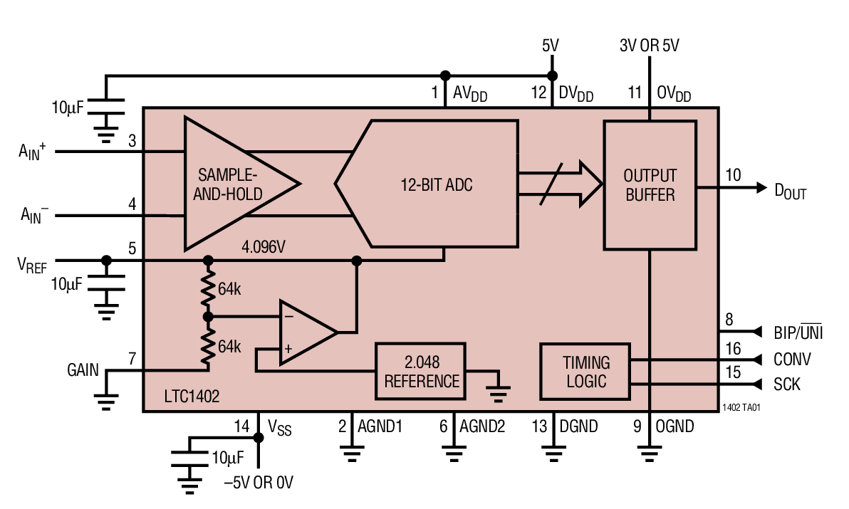
LTC1402Serial 12-Bit, 2.2Msps Sampling ADC with Shutdown | Integrated Circuits (ICs) | 2 | Active | The LTC1402 is a 12-bit, 2.2Msps sampling A/D converter. This high performance device includes a high dynamic range sample-and-hold and a precision reference. It operates from a single 5V supply or dual ±5V supplies and draws only 90mW from 5V.The versatile differential input offers a unipolar range of 4.096V and a bipolar range of ±2.048V for dual supply systems where high performance op amps perform best, eliminating the need for special translation circuitry.The high common mode rejection allows users to eliminate ground loops and common mode noise by measuring signals differentially from the source.Outstanding AC performance includes 72dB S/(N + D) and –93dB SFDR at the Nyquist input frequency of 1.1MHz with dual ±5V supplies and –84dB SFDR with a single 5V supply.The LTC1402 has two power saving modes: Nap and Sleep. Nap mode consumes only 15mW of power and can wake up and convert immediately. In Sleep mode, it typically consumes 10µW of power. Upon power-up from Sleep mode, a reference ready (REFRDY) signal is available in the serial data word to indicate that the reference has settled and the chip is ready to convert.The 3-wire serial port allows compact and efficient data transfer to a wide range of microprocessors, microcontrollers and DSPs. A digital output driver power supply pin allows direct connection to 3V or lower logic.ApplicationsTelecommunicationsHigh Speed Data and Signal AcquisitionDigitally Multiplexed Data Acquisition SystemsDigital Radio ReceiversSpectrum AnalysisLow Power and Battery-Operated SystemsHandheld or Portable InstrumentsImaging Systems |
LTC1403A-1Serial 12-Bit, 2.8Msps Sampling ADCs with Shutdown | Integrated Circuits (ICs) | 6 | Active | The LTC1403/LTC1403A are 12-bit/14-bit, 2.8Msps serial ADCs with differential inputs. The devices draw only 4.7mA from a single 3V supply and come in a tiny 10-lead MS package. A Sleep shutdown feature lowers power consumption to 10µW. The combination of speed, low power and tiny package makes the LTC1403/LTC1403A suitable for high speed, portable applications.The 80dB common mode rejection allows users to eliminate ground loops and common mode noise by measuring signals differentially from the source.The devices convert 0V to 2.5V unipolar inputs differentially. The absolute voltage swing for +AINand –AINextends from ground to the supply voltage.The serial interface sends out the conversion results during the 16 clock cycles following the rising edge of CONV for compatibility with standard serial interfaces. If two additional clock cycles for acquisition time are allowed after the data stream in between conversions, the full sampling rate of 2.8Msps can be achieved with a 50.4MHz clock.ApplicationsAutomotiveCommunicationsData Acquisition SystemsUninterrupted Power SuppliesMultiphase Motor ControlMultiplexed Data Acquisition |
| Analog to Digital Converters (ADC) | 1 | Active | |
| Integrated Circuits (ICs) | 2 | Active | The LTC1405 is a 5Msps, 12-bit sampling A/D converter that draws only 115mW from either single 5V or dual ±5V supplies. This easy-to-use device includes a high dynamic range sample-and-hold, a precision reference and a PGA input circuit.The LTC1405 has a flexible input circuit that allows full-scale input ranges of ±2.048V, ±1.024V and ±0.512V. The input common mode range is rail-to-rail and a common mode bias voltage is provided for single supply applications. The input PGA has a digitally selectable 1x or 2x gain.Maximum DC specs include ±1LSB INL and ±1LSB DNL over temperature. Outstanding AC performance includes 71.3dB S/(N + D) and 85dB SFDR at the Nyquist input frequency of 2.5MHz.The unique differential input sample-and-hold can acquire single-ended or differential input signals up to its 100MHz bandwidth. The 75dB common mode rejection allows users to eliminate ground loops and common mode noise by measuring signals differentially from the source. A separate output logic supply allows direct connection to 3V components.ApplicationsTelecommunicationsDigital Signal ProcessingMultiplexed Data Acquisition SystemsHigh Speed Data AcquisitionSpectral AnalysisImaging Systems |
LTC1407-1Serial 12-Bit/14-Bit, 3Msps Simultaneous Sampling ADCs with Shutdown | Data Acquisition | 3 | Active | The LTC1407-1/LTC1407A-1 are 12-bit/14-bit, 3Msps ADCs with two 1.5Msps simultaneously sampled differential inputs. The devices draw only 4.7mA from a single 3V supply and come in a tiny 10-lead MS package. A sleep shutdown feature lowers power consumption to 10μW.The combination of speed, low power and tiny package makes the LTC1407-1/LTC1407A-1 suitable for high speed,portable applications.The LTC1407-1/LTC1407A-1 contain two separate differential inputs that are sampled simultaneously on the rising edge of the CONV signal. These two sampled inputs are then converted at a rate of 1.5Msps per channel.The 80dB common mode rejection allows users to eliminate ground loops and common mode noise by measuring signals differentially from the source.The devices convert –1.25V to 1.25V bipolar inputs differentially.The absolute voltage swing for CH0+, CH0–, CH1+and CH1–extends from ground to the supply voltage.The serial interface sends out the two conversion results in 32clocks for compatibility with standard serial interfaces.ResolutionINL (typ/max)Input RangeLTC140712 bits0.25 LSB typ / 2 LSB max0V-2.5VLTC1407A14 bits0.5 LSB typ / 4 LSB max0V-2.5VLTC1407-112 bits0.25 LSB typ / 2 LSB max±1.25VLTC1407A-114 bits0.5 LSB typ / 4 LSB max±1.25VApplicationsTelecommunicationsData Acquisition SystemsUninterrupted Power SuppliesMultiphase Motor ControlI & Q DemodulationIndustrial Radio |
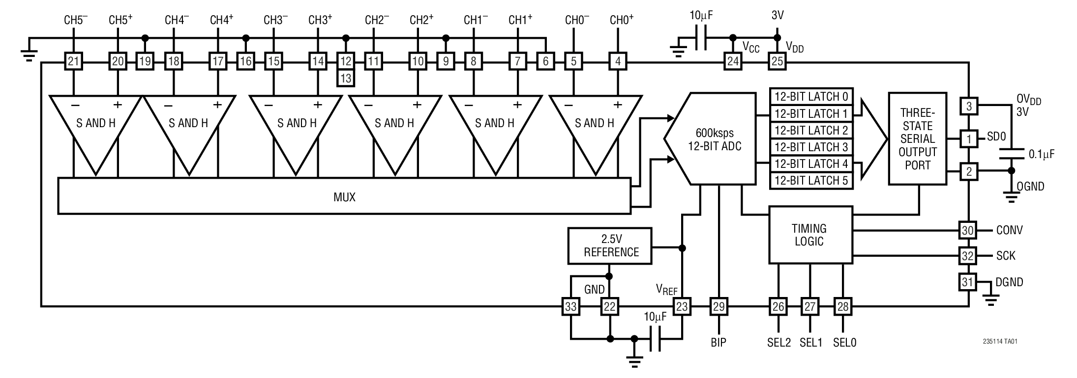
LTC1408-126 Channel, 12-Bit, 600ksps Simultaneous Sampling ADC with Shutdown | Analog to Digital Converters (ADC) | 4 | Active | The LTC1408-12 is a 12-bit, 600ksps ADC with six simultaneously sampled differential inputs. The device draws only 5mA from a single 3V supply, and comes in a tiny 32 pin (5mm × 5mm) QFN package. A SLEEP shutdown feature further reduces power consumption to 6µW. The combination of low power and tiny package makes the LTC1408-12 suitable for portable applications.The LTC1408-12 contains six separate differential inputs that are sampled simultaneously on the rising edge of the CONV signal. These six sampled inputs are then converted at a rate of 100ksps per channel.The 83dB common mode rejection allows users to eliminate ground loops and common mode noise by measuring signals differentially from the source.The device converts 0V to 2.5V unipolar inputs differentially, or ±1.25V bipolar inputs also differentially, depending on the state of the BIP pin. Any analog input may swing rail-to-rail as long as the differential input range is maintained.The conversion sequence can be abbreviated to convert fewer than six channels, depending on the logic state of the SEL2, SEL1 and SEL0 inputs.The serial interface sends out the six conversion results in 96 clocks for compatibility with standard serial interfaces.ApplicationsMultiphase Power MeasurementMultiphase Motor ControlData Acquisition SystemsUninterruptable Power Supplies |
LTC140912-Bit, 800ksps Sampling A/D Converter with Shutdown | Analog to Digital Converters (ADC) | 3 | Active | The LTC1409 is a 1µs, 800ksps, sampling 12-bit A/D converter that draws only 80mW from ±5V supplies. This easy-to-use device includes a high dynamic range sample-and-hold and a precision reference. Two digitally selectable power Shutdown modes provide flexibility for low power systems.The LTC1409 full-scale input range is ±2.5V. Maximum DC specs include ±1LSB INL and ±1LSB DNL over temperature. Outstanding AC performance includes 72.5dB S/(N + D) at the Nyquist input frequency of 400kHz.The unique differential input sample-and-hold can acquire single-ended or differential input signals up to its 20MHz bandwidth. The 60dB common mode rejection allows users to eliminate ground loops and common mode noise by measuring signals differentially from the source.The ADC has a µP compatible, 12-bit parallel output port. There is no pipeline delay in the conversion results. A separate convert start input and a data ready signal (BUSY) ease connections to FIFOs, DSPs and microprocessors. A digital output driver power supply pin allows direct connection to 3V logic.ApplicationsTelecommunicationsDigital Signal ProcessingMultiplexed Data Acquisition SystemsHigh Speed Data AcquisitionSpectrum AnalysisImaging Systems |
LTC141012-Bit, 1.25Msps, Sampling A/D Converter with Shutdown | Analog to Digital Converters (ADC) | 2 | Active | The LTC1410 is a 0.65µs, 1.25Msps, 12-bit sampling A/D converter that draws only 160mW from ±5V supplies. This easy-to-use device includes a high dynamic range sample-and-hold, a precision reference and requires no external components. Two digitally selectable power shutdown modes provide flexibility for low power systems.The LTC1410’s full-scale input range is ±2.5V. Maximum DC specifications include ±1LSB INL and ±1LSB DNL over temperature. Outstanding AC performance includes 71dB S/(N + D) and 82dB THD at the Nyquist input frequency of 625kHz.The unique differential input sample-and-hold can acquire single-ended or differential input signals up to its 20MHz bandwidth. The 60dB common mode rejection allows users to eliminate ground loops and common mode noise by measuring signals differentially from the source.The ADC has a µP compatible, 12-bit parallel output port. There is no pipeline delay in the conversion results. A separate convert start input and a data ready signal (BUSY) ease connections to FIFOs, DSPs and microprocessors.ApplicationsTelecommunicationsDigital Signal ProcessingMultiplexed Data Acquisition SystemsHigh Speed Data AcquisitionSpectrum AnalysisImaging Systems |