A
Analog Devices
| Series | Category | # Parts | Status | Description |
|---|---|---|---|---|
| Part | Spec A | Spec B | Spec C | Spec D | Description |
|---|---|---|---|---|---|
| Series | Category | # Parts | Status | Description |
|---|---|---|---|---|
| Part | Spec A | Spec B | Spec C | Spec D | Description |
|---|---|---|---|---|---|
| Part | Category | Description |
|---|---|---|
Analog Devices ADM6713RAKSZ-REELObsolete | Integrated Circuits (ICs) | IC SUPERVISOR 1 CHANNEL SC70-4 |
Analog Devices | RF and Wireless | RF AMP SINGLE GENERAL PURPOSE RF AMPLIFIER 20GHZ 3.6V 22-PIN DIE TRAY |
Analog Devices | Integrated Circuits (ICs) | LOW NOISE, SWITCHED CAPACITOR REGULATED VOLTAGE INVERTERS |
Analog Devices | Integrated Circuits (ICs) | QUAD 16-BIT/12-BIT ±10V VOUTSOFTSPAN DACS WITH 10PPM/°C MAX REFERENCE |
Analog Devices | Integrated Circuits (ICs) | SERIAL 14-BIT, 3.5MSPS SAMPLING ADC WITH BIPOLAR INPUTS |
Analog Devices | Integrated Circuits (ICs) | ISOSPI ISOLATED COMMUNICATIONS INTERFACE |
Analog Devices | Integrated Circuits (ICs) | 4.5A, 500KHZ STEP-DOWN SWITCHING REGULATOR |
Analog Devices | Integrated Circuits (ICs) | 300 MA, LOW QUIESCENT CURRENT, ADJUSTABLE OUTPUT, CMOS LINEAR REGULATOR |
Analog Devices AD767KNObsolete | Integrated Circuits (ICs) | IC DAC 12BIT V-OUT 24DIP |
Analog Devices | Integrated Circuits (ICs) | QUAD 12-/10-/8-BIT RAIL-TO-RAIL DACS WITH 10PPM/°C REFERENCE |
| Series | Category | # Parts | Status | Description |
|---|---|---|---|---|
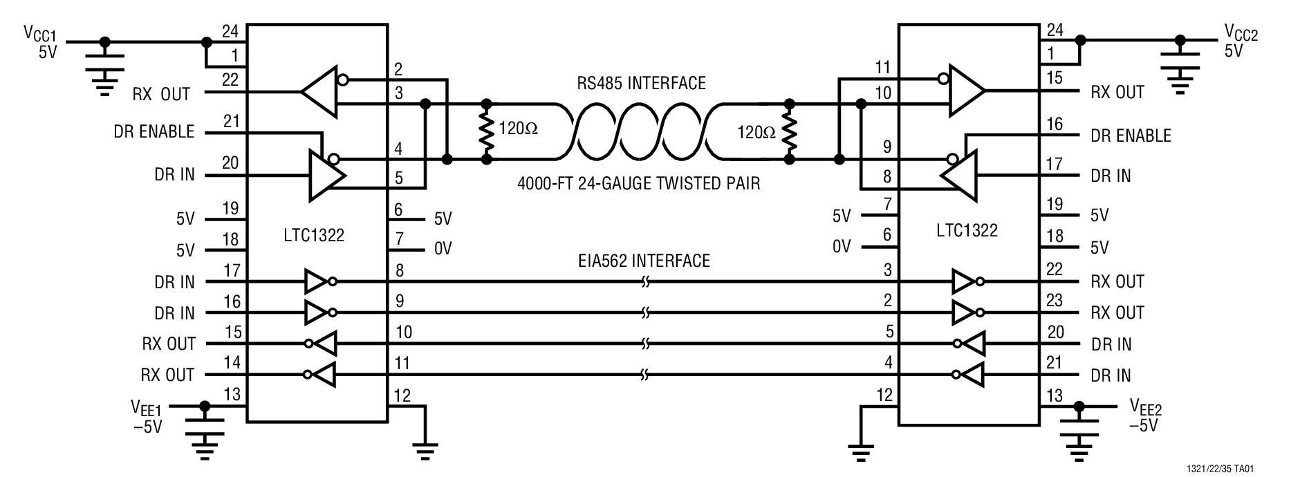
LTC1335RS232/EIA562/RS485 Transceivers | Interface | 2 | Active | The LTC1321/LTC1322/LTC1335 are low power CMOS bidirectional transceivers, each featuring two reconfigurable interface ports. Each can be configured as two RS485 differential ports, as two single-ended ports, or as one RS485 differential port and one single-ended port. The LTC1321/LTC1322 can provide RS232 or EIA562 compatible single-ended outputs; the LTC1335 provides EIA562 compatible outputs and additionally includes an output enable pin, allowing the receiver logic level outputs to be three-stated.The RS232/EIA562 transceivers operate to 120kbaud and are in full compliance with EIA/TIA-562 specification. The RS485 transceivers operate to 10Mbaud and are in full compliance with RS485 and RS422 specifications. All interface drivers feature short-circuit and thermal shutdown protection. An enable pin allows RS485 driver outputs to be forced into high impedance which is maintained even when the outputs are forced beyond supply rails or power is off. Both driver outputs and receiver inputs feature ±10kV ESD protection. A loopback mode connects the driver outputs back to the receiver inputs for diagnostic self-test.The LTC1321/LTC1322 can support RS232 voltage levels when 6.5V ≤ VDD≤ 10V and – 6.5V ≥ VEE≥ –10V. The LTC1335 supports receiver output enable but not RS232 levels. A shutdown mode reduces the ICCsupply current to 15µA.ApplicationsLow Power RS485/RS422/EIA562/RS232 InterfaceCable RepeaterLevel Translator |
LTC13375V Low Power RS232 3-Driver/5-Receiver Transceiver | Integrated Circuits (ICs) | 1 | Active | The LTC1337 is a 3-driver/5-receiver RS232 transceiver with very low supply current. In the no load condition, the supply current is only 300µA. The charge pump only requires four 0.1µF capacitors and can supply up to 12mA of extra current to power external circuitry.In Shutdown mode, the supply current is further reduced to 1µA. All RS232 outputs assume a high impedance state in Shutdown and with the power off.The LTC1337 is fully compliant with all data rate and overvoltage RS232 specifications. The transceiver can operate up to 120k baud with a 1000pF//3kΩ load. Both driver outputs and receiver inputs can be forced to ±25V without damage, and can survive multiple ±10kV ESD strikes.ApplicationsNotebook ComputersPalmtop Computers |
LTC13385V Low Power RS232 5-Driver/3-Receiver Transceiver | Interface | 3 | Active | The LTC1338 is a 5-driver/3-receiver RS232 transceiver with very low supply current. In the no load condition, the supply current is only 500µA. The charge pump only requires four 0.1µF capacitors.In SHUTDOWN mode, the supply current is further reduced to 0.2µA. In RECEIVER ALIVE mode, all three receivers are kept alive and the supply current is 50µA. All RS232 outputs assume a high impedance state in SHUTDOWN and with the power off.The LTC1338 is fully compliant with all data rate and overvoltage RS232 specifications. The transceiver can operate up to 120k baud with a 2500pF, 3kΩ load. Both driver outputs and receiver inputs can be forced to ±25V without damage, and can survive multiple ±10kV ESD strikes.ApplicationsBattery-Powered ModemsBattery-Powered DCENotebook ComputersPalmtop Computers |
LTC1344ASoftware-Selectable Cable Terminator | Signal Terminators | 5 | Active | The LTC1344A features six software-selectable multiprotocol cable terminators. Each terminator can be configured as an RS422 (V.11) 100Ω minimum differential load, V.35 T-network load or an open circuit for use with RS232 (V.28) or RS423 (V.10) transceivers that provide their own termination. When combined with the LTC1543 and LTC1544, the LTC1344A forms a complete software-selectable multiprotocol serial port. A data bus latch feature allows sharing of the select lines between multiple interface ports.The LTC1344A is similar to the LTC1344 except for a difference in the Mode Selection table.The LTC1344A is available in a 24-lead SSOP.ApplicationsData NetworkingCSU and DSUData Routers |
LTC1345Single Supply V.35 Transceiver | Integrated Circuits (ICs) | 2 | Active | The LTC1345 is a single chip transceiver that provides the differential clock and data signals for a V.35 interface from a single 5V supply. Combined with an external resistor termination network and an LT1134A RS232 transceiver for the control signals, the LTC1345 forms a complete low power DTE or DCE V.35 interface port operating from a single 5V supply.The LTC1345 features three current output differential transmitters, three differential receivers, and a charge pump. The transceiver can be configured for DTE or DCE operation or shut down using two Select pins. In the Shutdown mode, the supply current is reduced to 1µA.The transceiver operates up to 10Mbaud. All transmitters feature short-circuit protection and a Receiver Output Enable pin allows the receiver outputs to be forced into a high impedance state. Both transmitter outputs and receiver inputs feature ±10kV ESD protection. The charge pump features a regulated VEEoutput using three external 1µF capacitors.ApplicationsModemsTelecommunicationsData Routers |
LTC1346A10Mbps DCE/DTE V.35 Transceiver | Interface | 1 | Active | The LTC1346A is a single chip transceiver that provides the differential clock and data signals for a V.35 interface from ±5V supplies. Combined with an external resistor termination network and an LT1134A RS232 transceiver for the control signals, the LTC1346A forms a complete low power DTE or DCE V.35 interface port.The LTC1346A features three current output differential transmitters and three differential receivers. The transceiver can be configured for DTE or DCE operation or shutdown using three Select pins. In the Shutdown mode, the supply current is reduced to below 1µA.The LTC1346A transceiver operates up to 10Mbaud. All transmitters feature short-circuit protection. Both the transmitter outputs and the receiver outputs can be forced into a high impedance state. The transmitter outputs and receiver inputs feature ±10kV ESD protection.ApplicationsModemsTelecommunicationsData Routers |
LTC13475V Low Power RS232 3-Driver/5-Receiver Transceiver with 5 Receivers Active in Shutdown | Drivers, Receivers, Transceivers | 1 | Active | The LTC1347 is a 3-driver/5-receiver RS232 transceiver with very low supply current. In the no load condition, the supply current is only 300µA. The charge pump only requires four 0.1µF capacitors.In Shutdown mode, all five receivers are kept alive and the supply current is 80µA. All RS232 outputs assume a high impedance state in Shutdown and with the power off.The LTC1347 is fully compliant with all data rate and overvoltage RS232 specifications. The transceiver can operate up to 120kbaud with a 2500pF, 3k Ω load. Both driver outputs and receiver inputs can be forced to ±25V without damage, and can survive multiple ±10kV ESD strikes.ApplicationsNotebook ComputersPalmtop Computers |
LTC13483.3V/5V Low Power RS232 3-Driver/5-Receiver Transceiver | Drivers, Receivers, Transceivers | 4 | Active | The LTC1348 is a 3-driver/5-receiver RS232 transceiver with very low supply current. The charge pump only requires five 0.1 µF capacitors. The LTC1348 provides full RS232 output levels when operated over a wide supply range of 3V to 5.5VThe transceiver operates in one of four modes: Normal, Receiver Disable, Receiver Alive and Shutdown. In Normal or Receiver Disable mode, ICCis only 600µA at 3.3V and 800µA at 5V in the no load condition. In Shutdown mode, the supply current is further reduced to 0.2µA. In Receiver Alive mode, all five receivers are kept alive and the supply current is 15µA. All RS232 outputs assume a high impedance state in Shutdown or Receiver Alive mode or with the power off. The receiver outputs assume a high impedance state in Receiver Disable or with the power off.The LTC1348 is fully compliant with all data rate and overvoltage RS232 specifications. The transceiver operates up to 120kBaud with all drivers loaded with 1000pF, 3kΩ Both driver outputs and receiver inputs can be forced to ±25V without damage and can survive multiple ±10kV ESD strikes.ApplicationsNotebook ComputersPalmtop ComputersPrintersPortable Instruments |
LTC13495V Low Power RS232 3-Driver/5-Receiver Transceiver with 2 Receivers Active in Shutdown | Interface | 3 | Active | The LTC1349 is a 3-driver/5-receiver RS232 transceiver with very low supply current. In the no load condition, the supply current is only 300µA. The charge pump only requires four 0.1µF capacitors.In Shutdown mode, two receivers are kept alive and the supply current is 35µA. All RS232 outputs assume a high impedance state in Shutdown and with the power off.The LTC1349 is fully compliant with all data rate and overvoltage RS232 specifications. The transceiver can operate up to 120k baud with a 2500pF, 3kΩ load. Both driver outputs and receiver inputs can be forced to ±25V without damage, and can survive multiple ±10kV ESD strikes.ApplicationsNotebook ComputersPalmtop Computers |
LTC13503.3V Low Power EIA/TIA-562 3-Driver/5-Receiver Transceiver | Drivers, Receivers, Transceivers | 3 | Active | The LTC1350 is a 3-driver/5-receiver EIA/TIA-562 transceiver with very low supply current. In the no load condition, the supply current is only 300µA. The charge pump only requires four 0.1µF capacitors.In Shutdown mode, two receivers are kept alive and the supply current is only 35µA. All RS232 outputs assume a high impedance state in Shutdown or with the power off.The LTC1350 is fully compliant with all data rate and overvoltage EIA/TIA-562 specifications. The transceiver can operate up to 120kbaud with a 1000pF and 3kΩ load. Both driver outputs and receiver inputs can be forced to±25V without damage and can survive multiple ±10kV ESD strikes.ApplicationsNotebook ComputersPalmtop Computers |