| RF Amplifiers | 4 | Active | |
| RF and Wireless | 2 | Active | The HMC609 is a GaAs PHEMT MMIC Low Noise Amplifier (LNA) chip which operates from 2 to 4 GHz. The HMC609 features extremely flat performance characteristics including 20dB of small signal gain, 3dB of noise figure and output IP3 of +36 dBm across the operating band. The versatile LNA is ideal for hybrid and MCM assemblies due to its compact size, consistent output power and DC blocked RF I/O's. All data is measured with the chip in a 50 Ohm test fixture connected via one 0.025 mm (1 mil) diameter bondwire of minimal length 0.31 mm (12 mil).ApplicationsFixed MicrowavePoint-to-Multi-Point RadiosTest & Measurement EquipmentRadar & SensorsMilitary & Space |
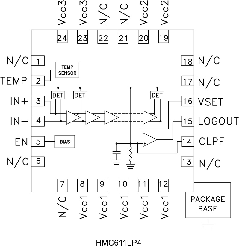
HMC611-DieLogarithmic Detector Controller Chip, 0.001 GHz to 10 GHz | RF and Wireless | 1 | Obsolete | The HMC611 SiGe BiCMOS Logarithmic Detector/Controller generates a voltage that is proportional to the log of the RF power envelop presented to its input. The HMC611 employs a successive compression topology which delivers extremely high dynamic range and conversion accuracy over a wide input frequency range. As the input power is increased, successive amplifiers move into saturation one by one creating an accurate approximation of the logarithm function. The output of a series of square law detectors is summed, converted into voltage domain and buffered to drive the LOGOUT output. For detection mode, the LOGOUT pin is shorted to the VSET input, and will provide a nominal logarithmic slope of -25 mV/dB and an intercept of 18 dBm (22 dBm for ƒ ≥ 5.8 GHz). The HMC611 can also be used in the controller mode where an external voltage is applied to the VSET pin, to create an AGC or APC feedback loop.ApplicationsCellular/PCS/3GWiMAX, WiBro, WLAN, Fixed Wireless & RadarPower Monitoring & Control CircuitryReceiver Signal Strength Indication (RSSI)Automatic Gain & Power Control |
HMC611LP4Logarithmic Detector Controller SMT, 0.001 - 10.0 GHz | RF and Wireless | 3 | Obsolete | The HMC611LP4(E) Logarithmic Detector/Controller converts RF signals at its input, to a proportional DC voltage at its output. The HMC611LP4(E) employs a successive compression topology which delivers extremely high dynamic range and conversion accuracy over a wide input frequency range. As the input power is increased, successive amplifiers move into saturation one by one creating an accurate approximation of the logarithm function.The output of a series of square law detectors is summed, converted into voltage domain and buffered to drive the LOGOUT output. For detection mode, the LOGOUT pin is shorted to the VSET input, and will provide a nominal logarithmic slope of -25mV/dB and an intercept of 18 dBm (22 dBm for ƒ ≥ 5.8 GHz). The HMC611LP4(E) can also be used in the controller mode where an external voltage is applied to the VSET pin, to create an AGC or APC feedback loop.ApplicationsCellular/PCS/3GWiMAX, WiBro, WLAN,Fixed Wireless & RadarPower Monitoring & Control CircuitryReceiver Signal Strength Indication (RSSI)Automatic Gain & Power Control |
HMC613Successive Detection Log Video Amp., SMT 0.1 - 20 GHz | RF Amplifiers | 1 | Active | The HMC613LC4B is a Successive Detection Log Video Amplifier (SDLVA) which operates from 0.1 to 20 GHz. The HMC613LC4B provides a logging range of 59 dB. This device offers typical fast rise/fall times of 4/18 ns and a superior delay time of 14 ns. The HMC613LC4B log video output slope is typically 14 mV/dB. Maximum recovery times are less than 30 ns. The HMC613LC4B is available in a highly compact 4x4 mm SMT ceramic package and is ideal for high speed channelized receiver applications.APPLICATIONSEW, ELINT & IFM ReceiversDF Radar SystemsECM SystemsBroadband Test & MeasurementPower Measurement & Control CircuitsMilitary & Space Applications |
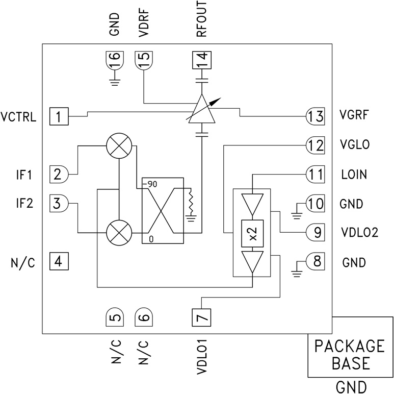
HMC6146BGaAs MMIC I/Q Upconverter, 40 - 44 GHz | Evaluation Boards | 2 | Active | The HMC6146BLC5A is a compact GaAs MMIC I/Q variable gain upconverter in a leadless RoHS compliant SMT package. This device provides a small signal conversion gain of 12 dB with 25 dBc of sideband rejection, and 17 db of gain control. The HMC 6146BLC5A utilizes a RF variable gain amplifier preceded by an I/Q mixer where the LO is driven by a X2 multiplier. IF1 and IF2 mixer inputs are provided and an external 90° hybrid is needed to select the required sideband.The I/Q mixer topology reduces the need for filtering of the unwanted sideband. The HMC6146BLC5A is a much smaller alternative to hybrid style single sideband upconverter assemblies and it eliminates the need for wire bonding by allowing the use of surface mount manufacturing techniques.APPLICATIONSPoint-to-Point & Point-to-Multi-Point RadioMilitary Radar, EW & ELINTSatellite CommunicationsSensors |
HMC6147AGaAs MMIC I/Q Downconverter, 37 - 44 GHz | Evaluation Boards | 2 | Active | The HMC6147ALC5A is a compact GaAs MMIC I/Q downconverter in a leadless RoHS compliant SMT package. This device provides a small signal conversion gain of 13 dB with 25 dBc of sideband rejection. The HMC6147ALC5A utilizes a low noise amplifier to drive the I/Q mixer where the LO is driven by a X2 multiplier. IF1 and IF2 mixer inputs are provided and an external 90° hybrid is needed to select the required sideband.The I/Q mixer topology reduces the need for filtering of the unwanted sideband. The HMC 6147ALC5A is a much smaller alternative to hybrid style single sideband converter assemblies and it eliminates the need for wire bonding by allowing the use of surface mount manufacturing techniques.ApplicationsPoint-to-Point & Point-to-Multi-Point RadioMilitary Radar, EW & ELINTSatellite CommunicationsSensors |
| Development Boards, Kits, Programmers | 2 | Obsolete | |
| RF and Wireless | 4 | Obsolete | |
HMC618AGaAs SMT pHEMT Low Noise Amplifier, 1.2 - 2.2 GHz | Development Boards, Kits, Programmers | 2 | Active | The HMC618ALP3E is a GaAs pHEMT MMIC Low Noise Amplifier that is ideal for Cellular/3G and LTE/WiMAX/4G basestation front-end receivers operating between 1.2 - 2.2 GHz. The amplifier has been optimized to provide 0.75 dB noise figure, 19 dB gain and +36 dBm output IP3 from a single supply of +5V. Input and output return losses are excellent and the LNA requires minimal external matching and bias decoupling components. The HMC618ALP3E shares the same package and pinout with the HMC617LP3E 0.55 - 1.2 GHz LNA. The HMC618ALP3E can be biased with +3V to +5V and features an externally adjustable supply current which allows the designer to tailor the linearity performance of the LNA for each application. The HMC618ALP3E offers improved noise figure versus the previously released HMC375LP3(E) and the HMC382LP3(E).ApplicationsCellular/3G and LTE/WiMAX/4GBTS & InfrastructureRepeaters and Femto CellsPublic Safety Radio |