A
Analog Devices
| Series | Category | # Parts | Status | Description |
|---|---|---|---|---|
| Part | Spec A | Spec B | Spec C | Spec D | Description |
|---|---|---|---|---|---|
| Series | Category | # Parts | Status | Description |
|---|---|---|---|---|
| Part | Spec A | Spec B | Spec C | Spec D | Description |
|---|---|---|---|---|---|
| Part | Category | Description |
|---|---|---|
Analog Devices ADM6713RAKSZ-REELObsolete | Integrated Circuits (ICs) | IC SUPERVISOR 1 CHANNEL SC70-4 |
Analog Devices | RF and Wireless | RF AMP SINGLE GENERAL PURPOSE RF AMPLIFIER 20GHZ 3.6V 22-PIN DIE TRAY |
Analog Devices | Integrated Circuits (ICs) | LOW NOISE, SWITCHED CAPACITOR REGULATED VOLTAGE INVERTERS |
Analog Devices | Integrated Circuits (ICs) | QUAD 16-BIT/12-BIT ±10V VOUTSOFTSPAN DACS WITH 10PPM/°C MAX REFERENCE |
Analog Devices | Integrated Circuits (ICs) | SERIAL 14-BIT, 3.5MSPS SAMPLING ADC WITH BIPOLAR INPUTS |
Analog Devices | Integrated Circuits (ICs) | ISOSPI ISOLATED COMMUNICATIONS INTERFACE |
Analog Devices | Integrated Circuits (ICs) | 4.5A, 500KHZ STEP-DOWN SWITCHING REGULATOR |
Analog Devices | Integrated Circuits (ICs) | 300 MA, LOW QUIESCENT CURRENT, ADJUSTABLE OUTPUT, CMOS LINEAR REGULATOR |
Analog Devices AD767KNObsolete | Integrated Circuits (ICs) | IC DAC 12BIT V-OUT 24DIP |
Analog Devices | Integrated Circuits (ICs) | QUAD 12-/10-/8-BIT RAIL-TO-RAIL DACS WITH 10PPM/°C REFERENCE |
| Series | Category | # Parts | Status | Description |
|---|---|---|---|---|
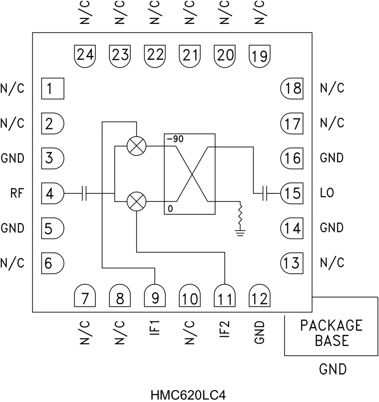
| RF and Wireless | 1 | Obsolete | The HMC620 devices are compact I/Q MMIC mixers that are available in a chip (HMC620) and a leadless Pb-free RoHS compliant SMT package (HMC620LC4), both of which can be used as either an image reject mixer (IRM) or a single sideband (SSB) upconverter. The mixers utilize two standard Hittite double-balanced mixer cells and a 90° hybrid fabricated in a GaAs metal semiconductor field effect transistor (MESFET) process. A low frequency quadrature hybrid was used to produce a 100 MHz upper sideband (USB) IF output. This product is a much smaller and more consistent alternative to hybrid style IRMs and SSBupconverter assemblies. All data for the HMC620 is taken with the chip mounted in a 50 Ω test fixture and includes the effects of 1 mil diameter × 20 mil length bond wires on each port. The HMC620LC4 is compatible with high volume surface mount manufacturing techniques.ApplicationsPoint-to-pointPoint-to-multipoint radioWiMAX and fixed wirelessVery small aperture terminal (VSAT) | |
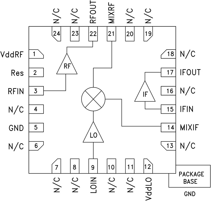
HMC621RFIC Downconverter 0.9 to 1.6 GHz | RF Mixers | 1 | Obsolete | The HMC621LP4E is a highly integrated downconverter IC that operates from 0.9 to 1.6 GHz. The HMC621LP4E incorporates a high dynamic range, single-balanced mixer core with integrated RF, LO and IF amplifiers, making it ideal for compact transceiver applications in Cellular//3G & LTE/WiMAX/4G. This versatile converter RFIC operates with a low LO input power level of only 0 dBm, provides 30 dB conversion gain, and exhibits +33 dBm output IP3. The integrated RF amplifier provides for an overall noise figure of only 4.5 dB.ApplicationsCellular/3G and LTE/WiMAX/4GBTS & InfrastructureRepeaters and FemtocellsPublic Safety RadioAccess Points |
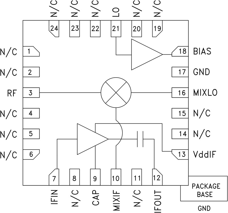
HMC622Mixer w/ Integrated IF & LO Amplifier, 1.8 - 3.9 GHz | RF and Wireless | 2 | Obsolete | The HMC622LP4E is a highly integrated converter IC that operates from 1.8 to 3.9 GHz for both upconversion and downconversion applications. The HMC622LP4E incorporates a high dynamic range, double-balanced mixer core with integrated LO and IF amplifiers, making it ideal for compact transceiver applications in GSM, WCDMA, TD-SCDMA, WiBro and WiMAX.This versatile converter RFIC operates with a low LO input power level of only +3 dBm, provides up to 10 dB conversion gain, and exhibits +23 dBm Input IP3 in downconversion mode. This RFIC provides up to 12 dB conversion gain in upconverter mode. Specific evaluation boards are available for both upconversion and downconversion modes.ApplicationsPCS / 3G InfrastructureBase Stations & RepeatersWiMAX & WiBroBroadband & Fixed Wireless |
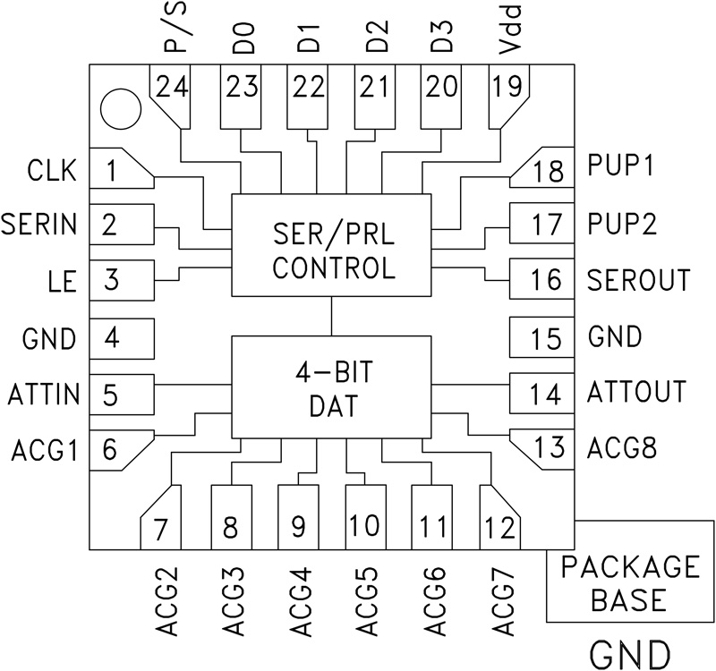
HMC624A0.1 GHz to 6.0 GHz, 0.5 dB LSB, 6-Bit, GaAs Digital Attenuator | RF Evaluation and Development Kits, Boards | 5 | Active | The HMC624A is a 6-bit digital attenuator with a 31.5 dB attenuation control range in 0.5 dB steps.The HMC624A offers excellent attenuation accuracy and high input linearity over the specified frequency range from 100 MHz to 6.0 GHz. However, this digital attenuator features external ac grounding capacitors to extend the operation below 100 MHz.The HMC624A is integrated with two dies: a CMOS driver and a gallium arsenide (GaAs) RF attenuator. The CMOS driver provides both serial and parallel control of the RF attenuator. The device also features a user-selectable power-up state and a serial output port for cascading other serial controlled components.The HMC624A operates with a single positive supply voltage from 3 V to 5 V, and provides a CMOS-/TTL-compatible control interface.The HMC624A comes in a RoHS compliant, compact, 4 mm × 4 mm LFCSP package, and is pin compatible to theHMC1122except for the ACGx pins.ApplicationsCellular infrastructureMicrowave radios and very small aperture terminals (VSATs)Test equipment and sensorsIntermediate frequency (IF) and radio frequency (RF) designs |
| RF and Wireless | 3 | Active | ||
| Evaluation Boards | 1 | Obsolete | ||
HMC627A0.5 dB LSB GaAs MMIC 6-Bit Digital Variable Gain Amplifier SMT, 50 MHz - 1 GHz | RF Amplifiers | 2 | Obsolete | The HMC627ALP5E is a digitally controlled variable gain amplifier which operates from 50 MHz to 1 GHz, and can be programmed to provide anywhere from 11.5 dB attenuation, to 20 dB of gain, in 0.5 dB steps. The HMC627ALP5E delivers noise figure of 4.3 dB in its maximum gain state, with output IP3 of up to +36 dBm in any state. The dual mode gain control interface accepts either three wire serial input or 6 bit parallel word. The HMC627ALP5E also features a user selectable power up state and a serial output for cascading other Hittite serially controlled components. The HMC627ALP5E is housed in a RoHS compliant 5x5 mm QFN leadless package, and requires no external matching components.ApplicationsCellular / 3G InfrastructureWiBro / WiMAX / 4GMicrowave Radio & VSATTest Equipment & SensorsIF & RF Applications |
| RF Amplifiers | 1 | Obsolete | ||
HMC6294-Bit Digital Serial & Parallel Control Atten. SMT, DC - 6 GHz | RF and Wireless | 2 | Active | The HMC629LP4(E) is a broadband 4-bit GaAs IC Digital Attenuator in a low cost leadless SMT package. This versatile digital attenuator incorporates off-chip AC ground capacitors for near DC operation, making it suitable for a wide variety of RF and IF applications.The dual mode control interface is CMOS/TTL compatible, and accepts either a three wire serial input or a 4-bit parallel word. For applications which require only 33 dB of attenuation range, the HMC629LP4(E) provides excellent attenuation accuracy up to 10 GHz. The HMC629LP4(E) is housed in a RoHS compliant 4x4 mm QFN leadless package, and requires no external matching components.ApplicationsCellular/3G InfrastructureWiBro/WiMAX/4GMicrowave Radio & VSATTest Equipment and SensorsIF & RF Applications |
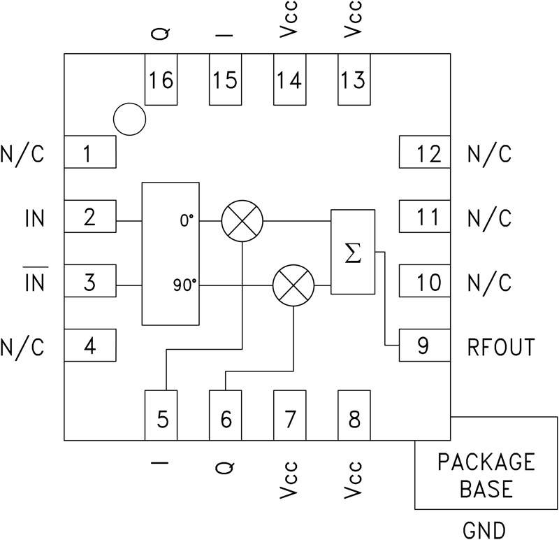
HMC630HBT Vector Modulator SMT, 700 - 1000 MHz | RF Evaluation and Development Kits, Boards | 2 | Active | The HMC630LP3 & HMC630LP3E are high dynamic range Vector Modulator RFICs which are targeted for RF predistortion and feed-forward cancellation circuits, as well as RF beam forming and amplitude/ phase correction circuits. The I & Q ports of the HMC630LP3(E) can be used to continuously vary the phase and amplitude of RF signals by up to 360 degrees and 40 dB respectively, while supporting a 3 dB modulation bandwidth of 180 MHz. With an output IP3 of +24.5 dBm and output noise floor of -162 dBm/Hz (at maximum gain setting), the output IP3/ noise floor ratio is 186.5 dB.APPLICATIONSWireless Infrastructure HPA & MCPA Error CorrectionPre-Distortion or Feed-Forward LinearizationCellular/3G SystemsBeam Forming or RF Cancellation Circuits |