ADG786CMOS, 2.5 Ω Low Voltage Triple SPDT Switch | Interface | 2 | Active | The ADG786 andADG788are low voltage, CMOS devices comprising three independently selectable SPDT (single pole, double throw) switches and four independently selectable SPDT switches respectively.Lower power consumption and operating supply range of 1.8 V to 5.5 V and dual ±2.5 V make the ADG786 and ADG788 ideal for battery powered, portable instruments and many other applications. All channels exhibit break-before-make switching action preventing momentary shorting when switching channels. AnENinput on the ADG786 is used to enable or disable the device. When disabled, all channels are switched OFF.These multiplexers are designed on an enhanced submicron process that provides low power dissipation yet gives high switching speed, very low on resistance, high signal bandwidths and low leakage currents. On resistance is in the region of a few ohms, is closely matched between switches and very flat over the full signal range. These parts can operate equally well in either direction and have an input signal range which extends to the supplies.The ADG786 and ADG788 are available in small 20-lead chip scale packages.PRODUCT HIGHLIGHTSSmall 20-Lead 4 mm × 4 mm Chip Scale Packages (CSP).Single/Dual Supply Operation. The ADG786 and ADG788 are fully specified and guaranteed with 3 V ± 10% and 5 V ± 10% single supply rails, and ± 2.5 V ± 10% dual supply rails.Low On Resistance (2.5 Ω typical).Low Power Consumption (<0.01 μW).Guaranteed Break-Before-Make Switching Action.APPLICATIONSData Acquisition SystemsCommunication SystemsRelay ReplacementAudio and Video SwitchingBattery-Powered Systems |
ADG7872.5 Ω CMOS Low Power Dual 2:1 Mux/Demux USB 1.1 Switch | Integrated Circuits (ICs) | 5 | Active | The ADG787 is a low voltage, CMOS device that contains two independently selectable, single-pole, double-throw (SPDT) switches. It is designed as a general analog/digital switch and can also be used for routing USB 1.1 signals.This device offers low on resistance of typically 2.5 Ω, making the part an attractive solution for applications that require low distortion through the switch.The ADG787 comes in a tiny 3 × 4 bump, 1.50 mm × 2.00 mm WLCSP, a tiny 10-lead LFCSP, and a 10-lead MSOP. These packages make the ADG787 the ideal solution for space-constrained applications.Each switch conducts equally well in both directions when on and has an input signal range that extends to the supplies. The ADG787 exhibits break-before-make switching action.APPLICATIONSUSB 1.1 Signal Switching CircuitsCellular PhonesPDAsMP3 PlayersBattery-powered SystemsHeadphone SwitchingAudio and Video Signal RoutingCommunications Systems |
ADG788CMOS, 2.5 Ω Low Voltage Quad SPDT Switch | Interface | 3 | Active | TheADG786and ADG788 are low voltage, CMOS devices comprising three independently selectable SPDT (single pole, double throw) switches and four independently selectable SPDT switches respectively.Lower power consumption and operating supply range of 1.8 V to 5.5 V and dual ±2.5 V make the ADG786 and ADG788 ideal for battery powered, portable instruments and many other applications. All channels exhibit break-before-make switching action preventing momentary shorting when switching channels. AnENinput on the ADG786 is used to enable or disable the device. When disabled, all channels are switched OFF.These multiplexers are designed on an enhanced submicron process that provides low power dissipation yet gives high switching speed, very low on resistance, high signal bandwidths and low leakage currents. On resistance is in the region of a few ohms, is closely matched between switches and very flat over the full signal range. These parts can operate equally well in either direction and have an input signal range which extends to the supplies.The ADG786 and ADG788 are available in small 20-lead chip scale packages.PRODUCT HIGHLIGHTSSmall 20-Lead 4 mm × 4 mm Chip Scale Packages (CSP).Single/Dual Supply Operation. The ADG786 and ADG788 are fully specified and guaranteed with 3 V ± 10% and 5 V ± 10% single supply rails, and ± 2.5 V ± 10% dual supply rails.Low On Resistance (2.5 Ω typical).Low Power Consumption (<0.01 μW).Guaranteed Break-Before-Make Switching Action.APPLICATIONSData Acquisition SystemsCommunication SystemsRelay ReplacementAudio and Video SwitchingBattery-Powered Systems |
| Interface | 2 | Obsolete | |
| Interface | 1 | Obsolete | |
| Analog Switches, Multiplexers, Demultiplexers | 1 | Obsolete | |
| Integrated Circuits (ICs) | 1 | Obsolete | |
| Analog Switches, Multiplexers, Demultiplexers | 2 | Obsolete | |
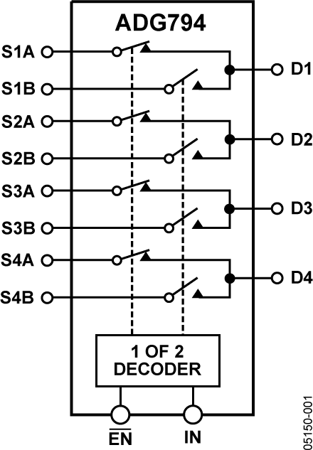
ADG794Low Voltage, 300 MHzQuad 2:1 Mux Analog HDTV Audio/Video Switch | Interface | 1 | Active | The ADG794 is a monolithic CMOS device comprising four 2:1 multiplexer/demultiplexers with high impedance outputs. The CMOS process provides low power dissipation yet gives high switching speed and low on resistance. The on-resistance variation is typically less than 1.2 Ω over the input signal range.The bandwidth of the ADG794 is typically 300 MHz and this, coupled with low distortion (typically 0.68%), makes the part suitable for switching analog audio/video signals.The ADG794 operates from a single 3.3 V/5 V supply and is TTL logic compatible. The switches are controlled by the logic inputs IN andENas shown in Table 4. TheENpin allows the user to disable all switches.These switches conduct equally well in both directions when on. In the off condition, signal levels up to the supplies are blocked. The ADG794 switches exhibit break-before-make switching action.The ADG794 is available in a 16-pin QSOP package.PRODUCT HIGHLIGHTSWide bandwidth: 300 MHz.Ultralow power dissipation.Crosstalk: −70 dB (typical) at 10 MHz.Off isolation: −65 dB (typical) at 10 MHz.ESD protection tested as per ESD Association Standards:2 kV HBM (ANSI/ESD STM5.1-2001)200 V MM (ANSI/ESD STM5.2-1999)1 kV FICDM (ANSI/ESD STM5.3.1-1999)APPLICATIONSRGB switchesHDTVDVD-RAudio/video switches |
| Interface | 2 | Obsolete | |