A
Analog Devices
| Series | Category | # Parts | Status | Description |
|---|---|---|---|---|
| Part | Spec A | Spec B | Spec C | Spec D | Description |
|---|---|---|---|---|---|
| Series | Category | # Parts | Status | Description |
|---|---|---|---|---|
| Part | Spec A | Spec B | Spec C | Spec D | Description |
|---|---|---|---|---|---|
| Part | Category | Description |
|---|---|---|
Analog Devices ADM6713RAKSZ-REELObsolete | Integrated Circuits (ICs) | IC SUPERVISOR 1 CHANNEL SC70-4 |
Analog Devices | RF and Wireless | RF AMP SINGLE GENERAL PURPOSE RF AMPLIFIER 20GHZ 3.6V 22-PIN DIE TRAY |
Analog Devices | Integrated Circuits (ICs) | LOW NOISE, SWITCHED CAPACITOR REGULATED VOLTAGE INVERTERS |
Analog Devices | Integrated Circuits (ICs) | QUAD 16-BIT/12-BIT ±10V VOUTSOFTSPAN DACS WITH 10PPM/°C MAX REFERENCE |
Analog Devices | Integrated Circuits (ICs) | SERIAL 14-BIT, 3.5MSPS SAMPLING ADC WITH BIPOLAR INPUTS |
Analog Devices | Integrated Circuits (ICs) | ISOSPI ISOLATED COMMUNICATIONS INTERFACE |
Analog Devices | Integrated Circuits (ICs) | 4.5A, 500KHZ STEP-DOWN SWITCHING REGULATOR |
Analog Devices | Integrated Circuits (ICs) | 300 MA, LOW QUIESCENT CURRENT, ADJUSTABLE OUTPUT, CMOS LINEAR REGULATOR |
Analog Devices AD767KNObsolete | Integrated Circuits (ICs) | IC DAC 12BIT V-OUT 24DIP |
Analog Devices | Integrated Circuits (ICs) | QUAD 12-/10-/8-BIT RAIL-TO-RAIL DACS WITH 10PPM/°C REFERENCE |
| Series | Category | # Parts | Status | Description |
|---|---|---|---|---|
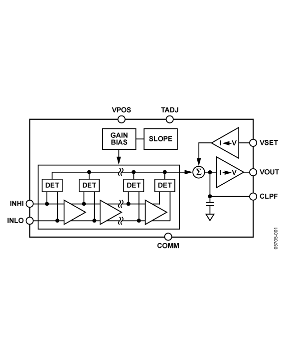
AD83171 MHz to 10 GHz, 55 dB Log Detector/Controller | Evaluation Boards | 1 | Active | The AD8317 is a demodulating logarithmic amplifier, capable of accurately converting an RF input signal to a corresponding decibel-scaled output. It employs the progressive compression technique over a cascaded amplifier chain, each stage of which is equipped with a detector cell. The device can be used in either measurement or controller modes. The AD8317 maintains accurate log conformance for signals of 1 MHz to 8 GHz and provides useful operation to 10 GHz. The input dynamic range is typically 55 dB (referenced to 50 Ω) with less than ±3 dB error. The AD8317 has 6 ns/10 ns response time (fall time/rise time) that enables RF burst detection to a pulse rate of beyond 50 MHz. The device provides unprecedented logarithmic intercept stability vs. ambient temperature conditions. A supply of 3.0 V to 5.5 V is required to power the device. Current consumption is typically 22 mA, and it decreases to 200 μA when the device is disabled.The AD8317 can be configured to provide a control voltage to a power amplifier or a measurement output from the VOUTpin. Because the output can be used for controller applications, special attention has been paid to minimize wideband noise. In this mode, the setpoint control voltage is applied to the VSETpin.The feedback loop through an RF amplifier is closed via VOUT, the output of which regulates the output of the amplifier to a magnitude corresponding to VSET. The AD8317 provides 0 V to (VPOS− 0.1 V) output capability at the VOUTpin, suitable for controller applications. As a measurement device, VOUTis externally connected to VSETto produce an output voltage, VOUT, that is a decreasing linear-in-dB function of the RF input signal amplitude.The logarithmic slope is –22 mV/dB, determined by the VSETinterface. The intercept is 15 dBm (referenced to 50 Ω, CW input) using the INHI input. These parameters are very stable against supply and temperature variations.The AD8317 is fabricated on a SiGe bipolar IC process and is available in a 2 mm × 3 mm, 8-lead LFCSP with an operating temperature range of –40°C to +85°C.ApplicationsRF transmitter PA setpoint control and level monitoringPower monitoring in radio link transmittersRSSI measurement in base stations, WLANs, WiMAX, and radars |
AD83181 MHzTO 8 GHz, 70dB Logarithmic Detector/Controller | Instrumentation, Op Amps, Buffer Amps | 4 | Active | The AD8318 is a demodulating logarithmic amplifier, capable of accurately converting an RF input signal to a corresponding decibel-scaled output voltage. It employs the progressive compression technique over a cascaded amplifier chain, each stage of which is equipped with a detector cell. The device is used in measurement or controller mode. The AD8318 maintains accurate log conformance for signals of 1 MHz to 6 GHz and provides useful operation to 8 GHz. The input range is typically 60 dB (re: 50 Ω) with error less than ±1 dB. The AD8318 has a 10 ns response time that enables RF burst detection to beyond 45 MHz. The device provides unprecedented logarithmic intercept stability vs. ambient temperature conditions. A 2 mV/°C slope temperature sensor output is also provided for additional system monitoring. A single supply of 5 V is required. Current consumption is typically 68 mA. Power consumption decreases to <1.5 mW when the device is disabled.The AD8318 can be configured to provide a control voltage to a VGA, such as a power amplifier or a measurement output, from Pin VOUT. Because the output can be used for controller applications, wideband noise is minimal.In this mode, the setpoint control voltage is applied to VSET. The feedback loop through an RF amplifier is closed via VOUT, the output of which regulates the amplifier output to a magnitude corresponding to VSET. The AD8318 provides 0 V to 4.9 V output capability at the VOUT pin, suitable for controller applications. As a measurement device, Pin VOUT is externally connected to VSET to produce an output voltage, VOUT, which is a decreasing linear-in-dB function of the RF input signal amplitude.The logarithmic slope is nominally −25 mV/dB but can be adjusted by scaling the feedback voltage from VOUT to the VSET interface. The intercept is 20 dBm (re: 50 Ω, CW input) using the INHI input. These parameters are very stable against supply and temperature variations.The AD8318 is fabricated on a SiGe bipolar IC process and is available in a 4 mm × 4 mm, 16-lead LFCSP for the operating temperature range of –40°C to +85°C.ApplicationsRF transmitter PA setpoint control and level monitoringRSSI measurement in base stations, WLAN, WiMAX, and radars |
| RF Detectors | 3 | Active | ||
| Integrated Circuits (ICs) | 1 | Obsolete | ||
| Interface | 3 | Obsolete | ||
| Interface | 2 | Obsolete | ||
| Drivers, Receivers, Transceivers | 4 | Obsolete | ||
| Interface | 6 | Active | ||
| Interface | 2 | Active | ||
| Drivers, Receivers, Transceivers | 1 | Obsolete | ||