A
Analog Devices
| Series | Category | # Parts | Status | Description |
|---|---|---|---|---|
| Part | Spec A | Spec B | Spec C | Spec D | Description |
|---|---|---|---|---|---|
| Series | Category | # Parts | Status | Description |
|---|---|---|---|---|
| Part | Spec A | Spec B | Spec C | Spec D | Description |
|---|---|---|---|---|---|
| Part | Category | Description |
|---|---|---|
Analog Devices ADM6713RAKSZ-REELObsolete | Integrated Circuits (ICs) | IC SUPERVISOR 1 CHANNEL SC70-4 |
Analog Devices | RF and Wireless | RF AMP SINGLE GENERAL PURPOSE RF AMPLIFIER 20GHZ 3.6V 22-PIN DIE TRAY |
Analog Devices | Integrated Circuits (ICs) | LOW NOISE, SWITCHED CAPACITOR REGULATED VOLTAGE INVERTERS |
Analog Devices | Integrated Circuits (ICs) | QUAD 16-BIT/12-BIT ±10V VOUTSOFTSPAN DACS WITH 10PPM/°C MAX REFERENCE |
Analog Devices | Integrated Circuits (ICs) | SERIAL 14-BIT, 3.5MSPS SAMPLING ADC WITH BIPOLAR INPUTS |
Analog Devices | Integrated Circuits (ICs) | ISOSPI ISOLATED COMMUNICATIONS INTERFACE |
Analog Devices | Integrated Circuits (ICs) | 4.5A, 500KHZ STEP-DOWN SWITCHING REGULATOR |
Analog Devices | Integrated Circuits (ICs) | 300 MA, LOW QUIESCENT CURRENT, ADJUSTABLE OUTPUT, CMOS LINEAR REGULATOR |
Analog Devices AD767KNObsolete | Integrated Circuits (ICs) | IC DAC 12BIT V-OUT 24DIP |
Analog Devices | Integrated Circuits (ICs) | QUAD 12-/10-/8-BIT RAIL-TO-RAIL DACS WITH 10PPM/°C REFERENCE |
| Series | Category | # Parts | Status | Description |
|---|---|---|---|---|
| Integrated Circuits (ICs) | 2 | Obsolete | ||
| Integrated Circuits (ICs) | 5 | Obsolete | ||
AD8330Low Cost, DC to 150 MHz, Variable Gain Amplifier | Evaluation Boards | 3 | Active | The AD8330 is a wideband variable gain amplifier for applications requiring a fully differential signal path, low noise, well-defined gain, and moderately low distortion, from dc to 150 MHz. The input pins can also be driven from a single-ended source. The peak differential input is ±2 V, allowing sine wave operation at 1 V rms with generous headroom. The output pins can drive single-sided loads essentially rail-to-rail. The differential output resistance is 150 Ω. The output swing is a linear function of the voltage applied to the VMAG pin that internally defaults to 0.5 V, providing a peak output of ±2 V. This can be raised to 10 V p-p, limited by the supply voltage.The basic gain function is linear-in-dB, controlled by the voltage applied to Pin VDBS. The gain ranges from 0 dB to 50 dB for control voltages between 0 V and 1.5 V—a slope of 30 mV/dB. The gain linearity is typically within ±0.1 dB. By changing the logic level on Pin MODE, the gain decreases over the same range, with an opposite slope. A second gain control port is provided at the VMAG pin and allows the user to vary the numeric gain from a factor of 0.03 to 10. All the parameters of the AD8330 have low sensitivities to temperature and supply voltages. Using VMAG, the basic 0 dB to 50 dB range can be repositioned to any value from 20 dB higher (that is, 20 dB to 70 dB) to at least 30 dB lower (that is, –30 dB to +20 dB) to suit the application, thereby providing an unprecedented gain range of over 100 dB. A unique aspect of the AD8330 is that its bandwidth and pulse response are essentially constant for all gains, over both the basic 50 dB linear-in-dB range, but also when using the linearin-magnitude function. The exceptional stability of the HF response over the gain range is of particular value in those VGA applications where it is essential to maintain accurate gain lawconformance at high frequencies.An external capacitor at Pin OFST sets the high-pass corner of an offset reduction loop, whose frequency can be as low as 5 Hz. When this pin is grounded, the signal path becomes dc-coupled. When used to drive an ADC, an external common-mode control voltage at Pin CNTR can be driven to within 0.5 V of either ground or VS to accommodate a wide variety of requirements. By default, the two outputs are positioned at the midpoint of the supply, VS/2. Other features, such as two levels of power-down (fully off and a hibernate mode), further extend the practical value of this exceptionally versatile VGA.The AD8330 is available in 16-lead LFCSP and 16-lead QSOP packages and is specified for operation from −40°C to +85°C.ApplicationsPre-ADC signal conditioning75 Ω cable driving adjustAGC amplifiers |
AD8331Single VGA with Ultralow Noise Preamplifier and Programmable RIN | Amplifiers | 3 | Active | The AD8331 is a single channel, ultralow noise, linear-in-dB, variable gain amplifier (VGA). Optimized for ultrasound systems, it is usable as a low noise variable gain element at frequencies up to 120 MHz.Included is an ultralow noise preamplifier (LNA), an X-AMP®VGA with 48 dB of gain range, and a selectable gain postamplifier with adjustable output limiting. The LNA gain is 19 dB with a single-ended input and differential outputs. Using a single resistor, the LNA input impedance can be adjusted to match a signal source without compromising noise performance.The 48 dB gain range of the VGA makes these devices suitable for a variety of applications. Excellent bandwidth uniformity is maintained across the entire range. The gain control interface provides precise linear-in-dB scaling of 50 dB/V for control voltages between 40 mV and 1 V. Factory trim ensures excellent part-to-part and channel-to-channel gain matching. Differential signal paths result in superb second- and third-order distortion performance and low crosstalk.The operating temperature range is -40°C to +85°C. The AD8331 is available in a 20-lead QSOP package.The AD8331 is a single version of the dual AD8332 and quad AD8334.For information on specs, see the AD8331/AD8332/AD8334 datasheet.ApplicationsUltrasound and sonar time-gain controlsHigh performance automatic gain control (AGC) systemsI/Q signal processingHigh speed, dual ADC drivers |
AD8332Dual VGA with Ultralow Noise Preamplifier and Programmable RIN | Integrated Circuits (ICs) | 4 | Active | The AD8332 is a dual channel ultralow noise, linear-in-dB, variable gain amplifier (VGA). Optimized for ultrasound systems, they are usable as a low noise variable gain element at frequencies up to 120 MHz.Included in each channel are an ultralow noise preamplifier (LNA), an X-AMP®VGA with 48 dB of gain range, and a selectable gain postamplifier with adjustable output limiting. The LNA gain is 19 dB with a single-ended input and differential outputs. Using a single resistor, the LNA input impedance can be adjusted to match a signal source without compromising noise performance.The 48 dB gain range of the VGA makes these devices suitable for a variety of applications. Excellent bandwidth uniformity is maintained across the entire range. The gain control interface provides precise linear-in-dB scaling of 50 dB/V for control voltages between 40 mV and 1 V. Factory trim ensures excellent part-to-part and channel-to-channel gain matching. Differential signal paths result in superb second- and third-order distortion performance and low crosstalk.The operating temperature range is -40°C to +85°C. The AD8332 is available in a 28-lead TSSOP and 32-lead LFCSP packages.The AD8332 is a dual version of the single AD8331 and quad AD8334.ApplicationsUltrasound and sonar time-gain controlsHigh performance automatic gain control (AGC) systemsI/Q signal processingHigh speed, dual ADC drivers |
AD8333DC to 50 MHz, Dual I/Q Demodulator and Phase Shifter | Evaluation Boards | 2 | Active | The AD8333 is a dual-phase shifter and I/Q demodulator that enables coherent summing and phase alignment of multiple analog data channels. It is the first solid-state device suitable for beamformer circuits, such as those used in high performance medical ultrasound equipment featuring CW Doppler. The RF inputs interface directly with the outputs of the dual-channel, low noise preamplifiers included in the AD8332.A divide-by-4 circuit generates the internal 0° and 90° phases of the local oscillator (LO) that drive the mixers of a pair of matched I/Q demodulators.The AD8333 can be applied as a major element in analog beamformer circuits in medical ultrasound equipment.The AD8333 features an asynchronous reset pin. When used in arrays, the reset pin sets all the LO dividers in the same state. Sixteen discrete phase rotations in 22.5° increments can be selected independently for each channel. For example, if Channel 1 is used as a reference and the RF signal applied to Channel 2 has an I/Q phase lead of 45°, Channel 2 can be phase aligned with Channel 1 by choosing the correct code.Phase shift is defined by the output of one channel relative to another. For example, if the code of Channel 1 is adjusted to 0000 and that of Channel 2 to 0001 and the same signal is applied to both RF inputs, the output of Channel 2 leads that of Channel 1 by 22.5°.The I and Q outputs are provided as currents to facilitate summation. The summed current outputs are converted to voltages by a high dynamic-range, current-to-voltage (I-V) converter, such as the AD8021, configured as a transimpedance amplifier. The resultant signal is then applied to a high resolution ADC, such as the AD7665 (16 bit/570 kSPS).The two I/Q demodulators can be used independently in other nonbeamforming applications. In that case, a transimpedance amplifier is needed for each of the I and Q outputs, four in total for the dual I/Q demodulator.The dynamic range is 159 dB/Hz at each I and Q output, but the following transimpedance amplifier is an important element in maintaining the overall dynamic range, and attention needs to be paid to optimal component selection and design.The AD8333 is available in a 32-lead LFCSP (5 mm × 5 mm) package for the industrial temperature range of −40°C to +85°C.ApplicationsMedical imaging (CW ultrasound beamforming)Phased array systems (radar and adaptive antennas)Communication receivers |
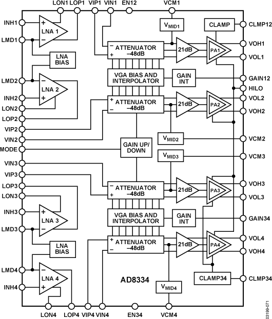
AD8334Quad VGA with Ultralow Noise Preamplifier and Programmable RIN | Evaluation Boards | 2 | Active | The AD8334 is an ultralow noise, quad channel linear-in-dB variable gain amplifier (VGA). Although optimized for ultrasound systems, it may be used as a low noise variable gain control in any application whose operating frequency is less than 100 MHz.Included in each channel are an ultralow noise preamp (LNA), an X-AMP®VGA with 48 dB of gain range, and a selectable gain postamp with adjustable output limiting. The LNA gain is 19 dB with a single-ended input and differential outputs. Using a single resistor, the LNA input impedance can be adjusted to match a signal source without compromising noise performance.The 48 dB gain range of the VGA makes these devices suitable for a variety of applications. Excellent bandwidth uniformity is maintained across the entire range. The gain control interface provides precise linear-in-dB scaling of 50 dB/V for control voltages between 40 mV and 1 V. Factory trim ensures excellent part-to-part and channel-to-channel gain matching. Differential signal paths result in superb second- and third-order distortion performance and low crosstalk.The AD8334 is a quad version of the single AD8331 and dual AD8332.For information on specs, see the AD8331/AD8332/AD8334 datasheet.ApplicationsUltrasound and sonar time-gain controlsHigh performance automatic gain control (AGC) systemsI/Q signal processingHigh speed, dual ADC drivers |
AD8335Quad Low Noise, Low Cost Variable Gain Amplifier | Special Purpose Amplifiers | 1 | Active | The AD8335 is a quad variable gain amplifier (VGA) with low noise preamplifier intended for cost and power sensitive applications. Each channel features a gain range of 48 dB, fully differential signal paths, active input preamplifier matching, and user-selectable maximum gains of 46 dB and 38 dB. Individual gain controls are provided for each channel.The preamplifier (PrA) has a single-ended to differential gain of ×8 (18.06 dB) and accepts input signals<625 mV p-p. PrA noise is 1.2 nV/√Hz and the combined input referred voltage noise of the PrA and VGA is 1.3 nV/√Hz at maximum gain.Assuming a 20 MHz noise bandwidth (NBW), the Nyquist frequency for a 40 MHz ADC, the input SNR is 92 dB. The HLxx pin optimizes the output SNR for 10-bit and 12-bit ADCs with 1 V p-p or 2 V p-p full-scale (FS) inputs.Channel 1 and Channel 2 are enabled through the EN12 pin and Channel 3 and Channel 4 are enabled through the EN34 pin. For VGA only applications, the PrAs can be powered down, significantly reducing power consumption.The AD8335 is available in a 64-lead lead frame chip scale package (9 mm × 9 mm) for the industrial temperature range of −40°C to +85°C.ApplicationsMedical imaging (ultrasound, gamma cameras)SonarTest and measurementPrecise, stable wideband gain controlData Sheet, Rev A, 08/2008 |
| Integrated Circuits (ICs) | 3 | Active | ||
AD8337General-Purpose, Low Cost, DC-Coupled VGA | Development Boards, Kits, Programmers | 4 | Active | The AD8337 is a low noise, single-ended, linear-in-dB, general-purpose variable gain amplifier (VGA) usable at frequencies from dc to 100 MHz; the −3 dB bandwidth is 280 MHz. Excellent bandwidth uniformity across the entire gain range and low output-referred noise makes the AD8337 ideal for gain trim applications and for driving high speed analog-to-digital converters (ADCs).Excellent dc characteristics combined with high speed make the AD8337 particularly suited for industrial ultrasound, PET scanners, and video applications. Dual-supply operation enables gain control of negative-going pulses such as generated by photodiodes or photomultiplier tubes.The AD8337 uses the popular and versatile X-AMP®architecture, exclusively from Analog Devices, Inc., with a gain range of 24 dB. The gain control interface provides precise linear-in-dB scaling of 19.7 dB/V, referenced to VCOM.The AD8337 includes an uncommitted operational current-feedback preamplifier (PrA) that operates in inverting or noninverting configurations. Using external resistors, the device can be configured for gains of 6 dB or greater. The AD8337 is characterized by a noninverting PrA gain of 2× using two external 100 Ω resistors. The attenuator has a range of 24 dB, and the output amplifier has a fixed gain of 8× (18.06 dB). The lowest nominal gain range is 0 dB to 24 dB and can be shifted up or down by adjusting the preamp gain. Multiple AD8337s can be connected in series for larger gain ranges, and for interstage filtering to suppress noise and distortion, and for nulling offset voltages.The operating temperature range is –40°C to +85°C, and it is available in an 8-lead, 3 mm × 3 mm LFCSP.ApplicationsGain trimPET scannersHigh performance AGC systemsI/Q signal processingVideoIndustrial and medical ultrasoundRadar receivers |