| RF Amplifiers | 3 | Obsolete | |
| RF Amplifiers | 3 | Active | |
| RF and Wireless | 1 | Obsolete | |
| RF Amplifiers | 1 | Obsolete | |
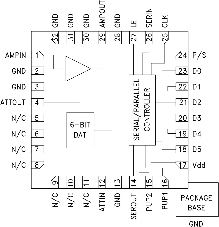
HMC742A0.5 dB LSB GaAs MMIC 6-Bit Digital Variable Gain Amplifier SMT, 0.07 - 4 GHz | RF and Wireless | 2 | Active | The HMC742A is a digitally controlled variable gain amplifier which operates from 70 MHz to 4 GHz, and can be programmed to provide from -19.5 dB attenuation, to 12 dB of gain, in 0.5 dB steps. The HMC742A delivers noise figure of 4 dB in its maximum gain state, with output IP3 of up to +39 dBm in any state. The dual mode gain control interface accepts either a three-wire serial input or a 6 bit parallel word. The HMC742A also features a user selectable power up state and a serial output for cascading other serially controlled Hittite components. The HMC742A is housed in an RoHS compliant 5x5 mm QFN leadless package, and requires minimal external components.ApplicationsCellular/3G InfrastructureWiBro / WiMAX / 4GMicrowave Radio & VSATTest Equipment and SensorsIF & RF Applications |
| RF Amplifiers | 2 | Obsolete | |
| Clock/Timing | 4 | Active | |
HMC7441GaAs pHEMT MMIC 2 Watt Power Amplifier, 27.5 - 31 GHz | RF and Wireless | 2 | Active | The HMC7441 is a three-stage GaAs pHEMT Power Amplifier which operates between 27.5 and 31 GHz. The amplifier provides 23 dB of gain and +34 dBm of saturated output power at 25% PAE from a 6V supply. With an excellent output IP3 of +38 dBm, the HMC7441 is ideal for linear applications such as Ka-band VSAT or high capacity point-to-point or point-to-multi-point radios demanding +34 dBm of efficient saturated output power. The RF I/Os are DC blocked and matched to 50 Ohms for ease of integration into Multi-Chip-Modules (MCMs). All data taken with the chip in a 50 Ohm test fixture connected via (1) 0.025mm (1 mil) diameter wire bonds of 0.31 mm (12 mil) length.ApplicationsPoint-to-Point RadiosPoint-to-Multi-Point RadiosVSAT & SATCOMMilitary & Space |
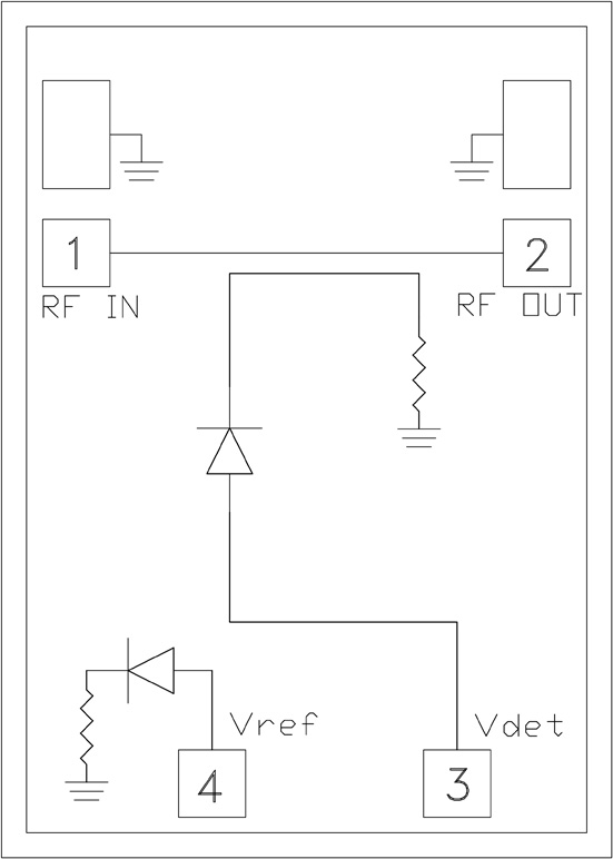
HMC7447E-Band Detector, 71 - 86 GHz | RF and Wireless | 2 | Active | The HMC7447 is a high performance E-Band MMIC power detector designed to operate over the 71 to 86 GHz frequency range. The power detector provides a linear output voltage over a -0.5 to +23.5 dBm input power range with low insertion loss of 0.45 dB and typical input return loss of only 19.5 dB. Ideal for monitoring transmitter operation or enabling closed loop transmitter output power, the detector exhibits excellent sensitivity and at frequency response of ±0.2 dB over the 71 to 76 GHz band and the 81 to 86 GHz band. The HMC7447 power detector also provides excellent repeatability and flat performance over varying temperature and output load variations. It may be interfaced to an op-amp circuit to achieve a slope of 20 mV/dB at the minimum detector input power level. All data is taken with the chip in a 50 Ohm test fixture connected via a 0.025 mm (1mil) diameter double wire bonds of 0.2 mm (8 mils) maximum length.ApplicationsThe HMC7447 monitors Tx Output Power for:E-Band Communications SystemsTest Equipment & SensorsGeneral Purpose RF Power Detection |
| Evaluation and Demonstration Boards and Kits | 4 | Active | |