A
Analog Devices Inc./Maxim Integrated
| Series | Category | # Parts | Status | Description |
|---|---|---|---|---|
| Part | Spec A | Spec B | Spec C | Spec D | Description |
|---|---|---|---|---|---|
| Series | Category | # Parts | Status | Description |
|---|---|---|---|---|
| Part | Spec A | Spec B | Spec C | Spec D | Description |
|---|---|---|---|---|---|
| Series | Category | # Parts | Status | Description |
|---|---|---|---|---|
HMC722LP3E13 Gbps, Fast Rise Time AND/NAND/OR/NOR Gate, with Programmable Output Voltage | Gates and Inverters - Multi-Function, Configurable | 2 | Active | The HMC722LP3E is an AND/NAND/OR/NOR function designed to support data transmission rates of up to 13 Gbps, and clock frequencies as high as 13 GHz. The HMC772LP3E may be easily configured to provide any of the following logic functions: AND, NAND, OR and NOR. The HMC722LP3E also features an output level control pin, VR, which allows for loss compensation or for signal level optimization.All input signals to the HMC722LP3E are terminated with 50ω to ground on-chip, and may be either AC or DC coupled. The differential outputs of the HMC722LP3E may be either AC or DC coupled. Outputs can be connected directly to a 50ω to ground terminated system, while DC blocking capacitors may be used if the terminating system is 50ω to a non-ground DC voltage. The HMC722LP3E operates from a single -3.3V DC supply, and is available in a RoHS compliant 3 × 3 mm SMT package.APPLICATIONSRF ATE ApplicationsBroadband Test & MeasurementSerial Data Transmission up to 13 GbpsDigital Logic Systems up to 13 GHzNRZ-to-RZ Conversion |
| Evaluation Boards | 2 | Active | ||
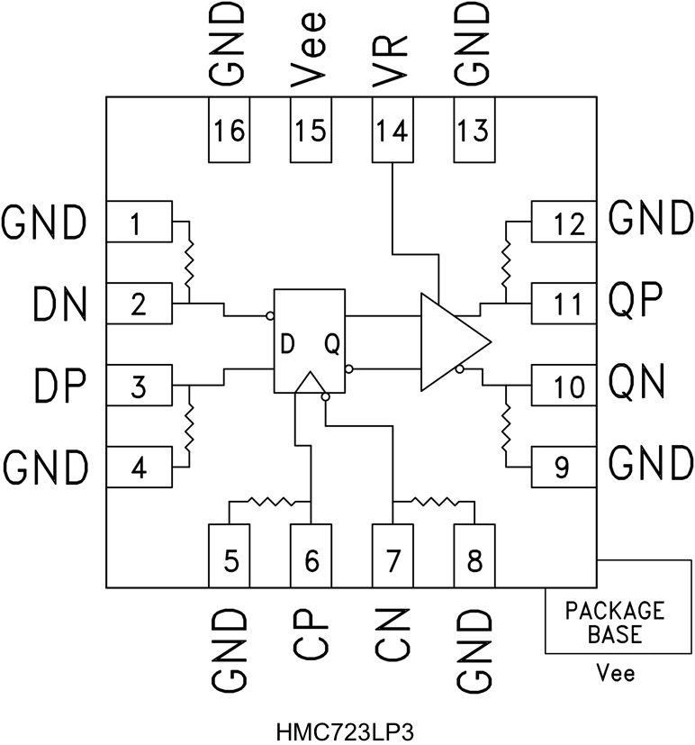
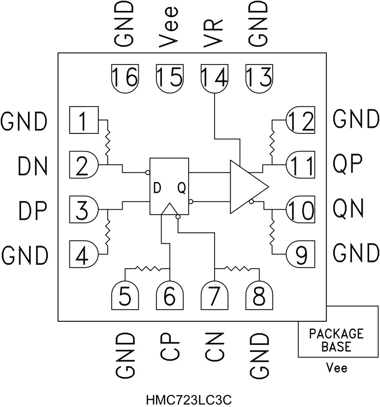
HMC723LC3C13 Gbps Fast Rise Time D-Type Flip-Flop with Programmable Output Voltage | RF Misc ICs and Modules | 3 | Active | The HMC723LC3C is a D-type Flip Flop designed to support data transmission rates of up to 13 Gbps, and clock frequencies as high as 13 GHz. During normal operation, data is transferred to the outputs on the positive edge of the clock. Reversing the clock inputs allows for negative-edge triggered applications. The HMC723LC3C also features an output level control pin, VR, which allows for loss compensation or for signal level optimization.All input signals to the HMC723LC3C are terminated with 50 Ohms to ground on-chip, and maybe either AC or DC coupled. The differential outputs of the HMC723LC3C may be either AC or DC coupled. Outputs can be connected directly to a 50 Ohm to ground terminated system, while DC blocking capacitors may be used if the terminating system is 50 Ohms to a non-ground DC voltage. The HMC723LC3C operates from a single -3.3V DC supply and is available in a ceramic RoHS compliant 3x3 mm SMT package.APPLICATIONSRF ATE ApplicationsBroadband Test & MeasurementSerial Data Transmission up to 13 GbpsDigital Logic Systems up to 13 GHz |
HMC723LP3E13 Gbps Fast Rise Time D-Type Flip-Flop with Programmable Output Voltage | Logic | 2 | Active | The HMC723LP3E is a D-type Flip Flop designed to support data transmission rates of up to 13 Gbps, and clock frequencies as high as 13 GHz. During normal operation, data is transferred to the outputs on the positive edge of the clock. Reversing the clock inputs allows for negative-edge triggered applications. The HMC723LP3E also features an output level control pin, VR, which allows for loss compensation or for signal level optimization.All input signals to the HMC723LP3E are terminated with 50 Ohms to ground on-chip, and maybe either AC or DC coupled. The differential outputs of the HMC723LP3E may be either AC or DC coupled. Outputs can be connected directly to a 50 Ohm to ground terminated system, while DC blocking capacitors may be used if the terminating system is 50 Ohms to a non-ground DC voltage. The HMC723LP3E operates from a single -3.3V DC supply and is available in a RoHS compliant 3x3 mm SMT package.APPLICATIONSRF ATE ApplicationsBroadband Test & MeasurementSerial Data Transmission up to 13 GbpsDigital Logic Systems up to 13 GHz |
HMC72414 Gbps Fast Rise Time 1:2 Fanout Buffer | Evaluation Boards | 4 | Active | The HMC724 is a 1:2 Fanout Buffer designed to support data transmission rates up to 14 Gbps, and clock frequencies as high as 14 GHz. All differential inputs and outputs are DC coupled and terminated on chip with 50 Ohm resistors to ground. The outputs may be used in either single ended or differential modes, and should be AC or DC coupled into 50 Ohm resistors connected to ground.All differential inputs to the HMC724 are CML and terminated on-chip with 50 Ohms to the positive supply, GND, and may be DC or AC coupled. The differential CMl outputs are source terminated to to 50 Ohms and may also be AC or DC coupled. Outputs can be connected directly to a 50 Ohm ground-terminated system or drive devices with CML logic input. The HMC724 operates from a single -3.3 V supply and is available in ROHS-compliant 3x3 mm SMT package.APPLICATIONS16 G Fiber ChannelRF ATE ApplicationsBroadband Test & MeasurementSerial Data Transmission up to 14 GbpsClock Buffering up to 14 GHz |
HMC72513 Gbps Fast Rise Time XOR / XNOR Gate | Gates and Inverters - Multi-Function, Configurable | 3 | Active | The HMC725 is a XOR/XNOR gate function designed to support data transmission rates of up to 13 Gbps, and clock frequencies as high as 13 GHz. All input signals to the HMC725 are terminated with 50 Ohms to ground on-chip, and maybe either AC or DC coupled. The differential outputs of the HMC725LC3C may be either AC or DC coupled.Outputs can be connected directly to a 50 Ohm to ground terminated system, while DC blocking capacitors may be used if the terminating system is 50 Ohms to a non-ground DC voltage. The HMC725 operates from a single -3.3V DC supply, dissipates only 230 mW, and is available in a ceramic RoHS compliant 3x3 mm SMT package.APPLICATIONSRF ATE ApplicationsBroadband Test & MeasurementSerial Data Transmission up to 13 GbpsDigital Logic Systems up to 13 GHz |
| Integrated Circuits (ICs) | 3 | Active | ||
| RF and Wireless | 3 | Active | ||
| Evaluation Boards | 5 | Active | ||
| Evaluation Boards | 4 | Active | ||
| Part | Category | Description |
|---|---|---|
Analog Devices Inc./Maxim Integrated LTC1879EGN#TRUnknown | Integrated Circuits (ICs) | IC REG BUCK ADJ 1.2A 16SSOP |
Analog Devices Inc./Maxim Integrated LTC2208CUP#TRUnknown | Integrated Circuits (ICs) | IC ADC 16BIT 130MSPS 64-QFN |
Analog Devices Inc./Maxim Integrated ADP2108ACBZ-1.1-R7Obsolete | Integrated Circuits (ICs) | IC REG BUCK 1.1V 600MA 5WLCSP |
Analog Devices Inc./Maxim Integrated EV1HMC832ALP6GObsolete | Development Boards Kits Programmers | EVAL BOARD FOR HMC832ALP6GE |
Analog Devices Inc./Maxim Integrated LTC488ISWUnknown | Integrated Circuits (ICs) | IC LINE RCVR RS485 QUAD 16-SOIC |
Analog Devices Inc./Maxim Integrated LTC6946IUFD-2Obsolete | Integrated Circuits (ICs) | IC CLK/FREQ SYNTH 28QFN |
Analog Devices Inc./Maxim Integrated MAX5556ESA+TObsolete | Integrated Circuits (ICs) | IC DAC/AUDIO 16BIT 50K 8SOIC |
Analog Devices Inc./Maxim Integrated EVAL-FLTR-LD-1RZUnknown | Unclassified | EVAL BRD FOR AD800 SERIES |
Analog Devices Inc./Maxim Integrated | Development Boards Kits Programmers | BOARD EVAL FOR AD9963 |
Analog Devices Inc./Maxim Integrated LTC1296CCSW#TRUnknown | Integrated Circuits (ICs) | IC DATA ACQ SYS 12BIT 5V 20SOIC |