A
Analog Devices Inc./Maxim Integrated
| Series | Category | # Parts | Status | Description |
|---|---|---|---|---|
| Part | Spec A | Spec B | Spec C | Spec D | Description |
|---|---|---|---|---|---|
| Series | Category | # Parts | Status | Description |
|---|---|---|---|---|
| Part | Spec A | Spec B | Spec C | Spec D | Description |
|---|---|---|---|---|---|
| Part | Category | Description |
|---|---|---|
Analog Devices Inc./Maxim Integrated LTC1879EGN#TRUnknown | Integrated Circuits (ICs) | IC REG BUCK ADJ 1.2A 16SSOP |
Analog Devices Inc./Maxim Integrated LTC2208CUP#TRUnknown | Integrated Circuits (ICs) | IC ADC 16BIT 130MSPS 64-QFN |
Analog Devices Inc./Maxim Integrated ADP2108ACBZ-1.1-R7Obsolete | Integrated Circuits (ICs) | IC REG BUCK 1.1V 600MA 5WLCSP |
Analog Devices Inc./Maxim Integrated EV1HMC832ALP6GObsolete | Development Boards Kits Programmers | EVAL BOARD FOR HMC832ALP6GE |
Analog Devices Inc./Maxim Integrated LTC488ISWUnknown | Integrated Circuits (ICs) | IC LINE RCVR RS485 QUAD 16-SOIC |
Analog Devices Inc./Maxim Integrated LTC6946IUFD-2Obsolete | Integrated Circuits (ICs) | IC CLK/FREQ SYNTH 28QFN |
Analog Devices Inc./Maxim Integrated MAX5556ESA+TObsolete | Integrated Circuits (ICs) | IC DAC/AUDIO 16BIT 50K 8SOIC |
Analog Devices Inc./Maxim Integrated EVAL-FLTR-LD-1RZUnknown | Unclassified | EVAL BRD FOR AD800 SERIES |
Analog Devices Inc./Maxim Integrated | Development Boards Kits Programmers | BOARD EVAL FOR AD9963 |
Analog Devices Inc./Maxim Integrated LTC1296CCSW#TRUnknown | Integrated Circuits (ICs) | IC DATA ACQ SYS 12BIT 5V 20SOIC |
| Series | Category | # Parts | Status | Description |
|---|---|---|---|---|
HMC709GaAs MMIC I/Q Upconverter SMT, 11 - 17 GHz | RF and Wireless | 3 | Active | The HMC709LC5 is a compact GaAs MMIC I/Q upconverter in a leadless RoHS compliant SMT package. This device provides a small signal conversion gain of 13 dB with -20 dBc of sideband rejection. The HMC709LC5 utilizes a driver amplifier preceded by an I/Q mixer which is driven by an LO buffer amplifier. IF1 and IF2 mixer inputs are provided and an external 90° hybrid is needed to select the required sideband.The I/Q mixer topology reduces the need for filtering of the unwanted sideband. The HMC709LC5 is a much smaller alternative to hybrid style single sideband upconverter assemblies and it eliminates the need for wire bonding by allowing the use of surface mount manufacturing techniques.ApplicationsPoint-to-Point & Point-to-Multi-Point RadioMilitary Radar, EW & ELINTKu Band VSAT UpconvertersSensorsTest & Measurement Equipment |
HMC711GaAs MMIC Sub-Harmonic Upconverter, 17.7 - 23.6 GHz | RF Misc ICs and Modules | 2 | Obsolete | The HMC711LC5 is a GaAs MMIC sub-harmonic upconverter in a leadless RoHS compliant QFN SMT ceramic package. This compact upconverter provides a small signal conversion gain of 15 dB and wide IF bandwidth of DC - 3.5 GHz. The HMC711LC5 utilizes a mixer which is driven by an active x2 multiplier and followed by a high linearity amplifier. The HMC711LC5 is a much smaller alternative to hybrid style subharmonic upconverter assemblies and it eliminates the need for wire bonding by allowing the use of surface mount manufacturing techniques.APPLICATIONSPoint-to-Point and Point-to-Multi-Point RadioMilitary Radar, EW & ELINTSatellite Communications |
| Attenuators | 3 | Obsolete | The HMC712 devices are absorptive, voltage variable attenuators (VVAs) which operate from 5 GHz to 26.5 GHz or 30 GHz and are ideal in designs when an analog dc control signal must be used to control RF signal levels over a 28 dB or 30 dB amplitude rate. They feature shunt-type attenuators which are controlled by two analog voltages, VCTRL1 and VCTRL2. Optimum linearity performance of the attenuator is achieved by first varying VCTRL of the first attenuation stage from −3 V to 0 V with VCTRL2 fixed at −3 V. The control voltage of the second attenuation stage, VCTRL2, should then be varied from −3 V to 0 V, with VCTRL1 fixed at 0 V. However, if the VCTRL1 and VCTRL2 pins are connected together, it is possible to achieve the full analog attenuation range with only a small degradation in input IP3 performance. Applications include AGC circuits and temperature compensation of multiple gain stages in microwave, point-to-point, and VSAT radios. The voltage variable attenuator is housed in an RoHS compliant, 3 × 3 mm, QFN, leadless package.ApplicationsPoint-to-point radiosVSAT radioTest instrumentationMicrowave sensorsMilitary, ECM, and radar | |
HMC712AGaAs MMIC Voltage-Variable Attenuator, 5 - 26.5 GHz | Attenuators | 2 | Active | The HMC712ALP3CE is an absorptive Voltage Variable Attenuator (VVA) which operates from 5 - 26.5 GHz and is ideal in designs where an analog DC control signal must be used to control RF signal levels over a 28 dB amplitude range. It features two shunt-type attenuators which are controlled by two analog voltages, Vctrl1 and Vctrl2. Optimum linearity performance of the attenuator is achieved by first varying Vctrl1 of the 1st attenuation stage from -5V to 0V with Vctrl2 fixed at -5V. The control voltage of the 2nd attenuation stage, Vctrl2, should then be varied from -5V to 0V, with Vctrl1 fixed at 0V. The HMC712ALP3CE is housed in a RoHS compliant 3x3 mm QFN leadless package.Furthermore, if the Vctrl1 and Vctrl2 pins are connected together it is possible to achieve the full analog attenuation range with only a small degradation in input IP3 performance. Applications include AGC circuits and temperature compensation of multiple gain stages in microwave point-to-point and VSAT radios.ApplicationsPoint-to-Point RadioVSAT RadioTest InstrumentationMicrowave SensorsMilitary, ECM & Radar |
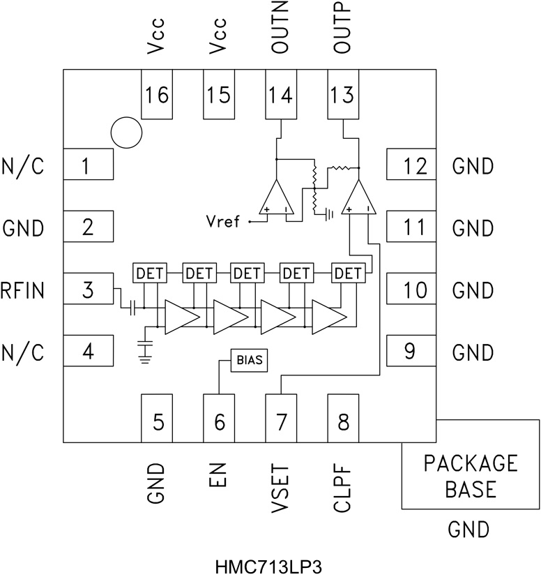
HMC71354 dB, Logarithmic Detector/Controller SMT, 50 - 8000 MHz | Evaluation Boards | 4 | Obsolete | The HMC713LP3E Logarithmic Detector/Controller is ideal for converting the power of RF signals with frequencies in the 50 MHz to 8000 MHz range, to a DC voltage, proportional to input power, at its output. The HMC713LP3E employs a successive compression technology which delivers 54 dB of dynamic range with high measurement accuracy over a wide input frequency range. As the input signal is increased, successive amplifiers move into saturation one by one creating an accurate approximation of the logarithm function. The outputs of a series of detectors are summed, converted into voltage domain and buffered to drive the OUTP output.For detection mode, the OUTP pin is connected to the VSET input and will provide a nominal logarithmic slope of 17 mV/dB and an intercept of -68 dBm. The HMC713LP3E can also be used in the controller mode where an external voltage is applied to the VSET pin to create an AGC or APC feedback loop.ApplicationsCellular InfrastructureWiMAX, WiBro & LTE/4GPower Monitoring & Control CircuitryReceiver Signal Strength Indication (RSSI)Cellular InfrastructureAutomatic Gain & Power ControlMilitary, ECM & Radar |
HMC713LP3E54 dB, Logarithmic Detector/Controller SMT, 50 - 8000 MHz | RF Detectors | 1 | Obsolete | The HMC713LP3E Logarithmic Detector/Controller is ideal for converting the power of RF signals with frequencies in the 50 MHz to 8000 MHz range, to a DC voltage, proportional to input power, at its output. The HMC713LP3E employs a successive compression technology which delivers 54 dB of dynamic range with high measurement accuracy over a wide input frequency range. As the input signal is increased, successive amplifiers move into saturation one by one creating an accurate approximation of the logarithm function. The outputs of a series of detectors are summed, converted into voltage domain and buffered to drive the OUTP output.For detection mode, the OUTP pin is connected to the VSET input and will provide a nominal logarithmic slope of 17 mV/dB and an intercept of -68 dBm. The HMC713LP3E can also be used in the controller mode where an external voltage is applied to the VSET pin to create an AGC or APC feedback loop.ApplicationsCellular InfrastructureWiMAX, WiBro & LTE/4GPower Monitoring & Control CircuitryReceiver Signal Strength Indication (RSSI)Cellular InfrastructureAutomatic Gain & Power ControlMilitary, ECM & Radar |
HMC714428 Gbps EML Driver w/ Peak-Detector | RF, RFID, Wireless Evaluation Boards | 4 | Active | The HMC7144LC4 is a broadband driver amplifier for electro-absorption modulated lasers (EML) and supports data-rates up to 28.3 Gbps to meet the 100Gb Ethernet system requirements. The part provides the module designers scalable power dissipation for varying drive voltage characteristics of different modulators and the power consumption of the module can be set as low as 0.12W to 0.5W at 1.5Vpp and 2.2Vpp outputs amplitudes, respectively. The HMC7144LC4 supports wide range of supply voltages from 3.5V to 6V and delivering excellent time domain performance. The driver incorporates the unique feature, peak-detector with reference, which enables the continuous output amplitude monitoring without the need for an external high-frequency circuitry. The output amplitude and cross-point can be adjusted via control pins. The input and output are 50 Ohms matched and used AC coupled. The HMC7144LC4 is in robust leadless 4x4mm ceramic surface mountable package.APPLICATIONSOperation up to 28.3 GbpsLow DC Power Dissipation:0.12W for 1.5Vpp swing @ 3.5V supply0.50W for 2.3Vpp swing @ 6V supplyAdjustable Output Amplitude from 1.2Vpp to 2.3VppIntegrated Peak Detector24 Lead Ceramic 4x4mm SMT Package: 16 mm2 |
| RF Amplifiers | 1 | Active | ||
| RF and Wireless | 2 | Obsolete | ||
HMC715028 Gbps EML Driver | Evaluation and Demonstration Boards and Kits | 4 | Active | The HMC7150 is a broadband driver amplifier for electro-absorption modulated lasers (EML) and supports data-rates up to 28.3Gbps to meet the 100Gb Ethernet system requirements. The part provides the module designers scalable power dissipation for varying drive voltage characteristics of different modulators and the power consumption of the module can be set as low as 0.12W to 0.5W at 1.5VP-Pand 2.3VP-Poutputs amplitudes, respectively. The HMC7150 supports wide range of supply voltages from 3.3V to 6V and delivering excellent time domain performance. The output amplitude and cross-point can be adjusted via control pins. The input and output are 50 Ohms matched and used AC coupled. The HMC7150 is in compact leadless 3x3mm surface mountable package.APPLICATIONS100Gb Ethernet ER4/ LR4 systemsCFP/CFP2/CFP4 or similar form factor modulesOptical transceivers and pluggable modulesBroadband gain stages and pre-amplifiersBroadband Test & Measurement Equipment |