A
Analog Devices Inc./Maxim Integrated
| Series | Category | # Parts | Status | Description |
|---|---|---|---|---|
| Part | Spec A | Spec B | Spec C | Spec D | Description |
|---|---|---|---|---|---|
| Series | Category | # Parts | Status | Description |
|---|---|---|---|---|
| Part | Spec A | Spec B | Spec C | Spec D | Description |
|---|---|---|---|---|---|
| Part | Category | Description |
|---|---|---|
Analog Devices Inc./Maxim Integrated LTC1879EGN#TRUnknown | Integrated Circuits (ICs) | IC REG BUCK ADJ 1.2A 16SSOP |
Analog Devices Inc./Maxim Integrated LTC2208CUP#TRUnknown | Integrated Circuits (ICs) | IC ADC 16BIT 130MSPS 64-QFN |
Analog Devices Inc./Maxim Integrated ADP2108ACBZ-1.1-R7Obsolete | Integrated Circuits (ICs) | IC REG BUCK 1.1V 600MA 5WLCSP |
Analog Devices Inc./Maxim Integrated EV1HMC832ALP6GObsolete | Development Boards Kits Programmers | EVAL BOARD FOR HMC832ALP6GE |
Analog Devices Inc./Maxim Integrated LTC488ISWUnknown | Integrated Circuits (ICs) | IC LINE RCVR RS485 QUAD 16-SOIC |
Analog Devices Inc./Maxim Integrated LTC6946IUFD-2Obsolete | Integrated Circuits (ICs) | IC CLK/FREQ SYNTH 28QFN |
Analog Devices Inc./Maxim Integrated MAX5556ESA+TObsolete | Integrated Circuits (ICs) | IC DAC/AUDIO 16BIT 50K 8SOIC |
Analog Devices Inc./Maxim Integrated EVAL-FLTR-LD-1RZUnknown | Unclassified | EVAL BRD FOR AD800 SERIES |
Analog Devices Inc./Maxim Integrated | Development Boards Kits Programmers | BOARD EVAL FOR AD9963 |
Analog Devices Inc./Maxim Integrated LTC1296CCSW#TRUnknown | Integrated Circuits (ICs) | IC DATA ACQ SYS 12BIT 5V 20SOIC |
| Series | Category | # Parts | Status | Description |
|---|---|---|---|---|
HMC553A-Die6 GHz to 14 GHz, GaAs, MMIC, Double-Balanced Mixer | RF and Wireless | 2 | Active | The HMC553ACHIPS is a general-purpose, double balanced, monolithic microwave integrated circuit (MMIC) mixer that can be used as an upconverter or a downconverter between 6 GHz and 14 GHz. This mixer is fabricated in a gallium arsenide (GaAs), metal semiconductor field effect transistor (MESFET) process and requires no external components or matching circuitry.The HMC553ACHIPS provides high local oscillator (LO) to RF and LO to intermediate frequency (IF) suppression due to optimized balun structures for as low as 32 dB and 28 dB, respectively. The mixer operates with LO drive levels from 9 dBm to 15 dBm.ApplicationsMicrowave and very small aperture terminal (VSAT) radiosTest equipmentPoint to point radiosMilitary electronic warfare (EW), electronic countermeasure (ECM), and command, control, communications and intelligence (C3I) |
HMC553ALC3B6 GHz to 14 GHz, GaAs, MMIC, Double-Balanced Mixer | RF Mixers | 2 | Active | The HMC553ALC3B is a general-purpose, double-balanced, gallium arsenide (GaAs), monolithic microwave integrated circuit (MMIC) mixer housed in a leadless Pb-free, RoHS compliant LCC package. The HMC553ALC3B can be used as an upconverter or downconverter between 6 GHz and 14 GHz. This mixer requires no external components or matching circuitry.The HMC553ALC3B provides local oscillator (LO) to radio frequency (RF) and LO to intermediate frequency (IF) suppression due to optimized balun structures. The mixer operates with LO drive levels from 9 dBm to 15 dBm. The HMC553ALC3B eliminates the need for wire bonding, allowing use of surfacemount manufacturing techniques.ApplicationsMicrowave and very small aperture terminal (VSAT) radiosTest equipmentPoint to point radiosMilitary electronic warfare (EW); electronic countermeasure (ECM); and command, control, communications and intelligence (C3I) |
HMC55410 GHz to 20 GHz, GaAs, MMIC, Double Balanced Mixer | Evaluation Boards | 9 | Active | The HMC554 devices are passive (HMC554) and general purpose (HMC554LC3B) double-balanced mixers that are available in a chip (HMC554) and a leadless RoHS compliant SMT package (HMC554LC3B), both of which can be used as an upconverter or downconverter between 11 GHz and 20 GHz. These mixers are fabricated in a GaAs metal semiconductor field effect transistor (MESFET) process, and require no external components or matching circuitry. The HMC554G devices provide excellent LO to RF and LO to IF isolation due to optimized balun structures. Measurements were made with the HMC554 chip mounted into in a 50 Ω test fixture and includes the parasitic effects of wire bond assembly. Connections were made with a 1 mil wire bond with minimal length (<12 mil). The RoHS compliant HMC554LC3B eliminates the need for wire bonding, and is compatible with high volume surface mount manufacturing techniques.ApplicationsPoint-to-point radiosPoint-to-multipoint radiosTest equipment and sensorsMilitary end useMicrowave radioSpaceCommunications, radar, and electronic warfare (EW) |
HMC554ALC3B10 GHz to 20 GHz, GaAs, MMIC, Double Balanced Mixer | RF Mixers | 1 | Active | The HMC554ALC3B is a general-purpose, double balanced mixer in a leadless RoHS compliant leadless chip carrier (LCC) package that can be used as an upconverter or downconverter between 10 GHz and 20 GHz. This mixer is fabricated in a gallium arsenide (GaAs) metal semiconductor field effect transistor (MESFET) process and requires no external components or matching circuitry. The HMC554ALC3B provides excellent local oscillator (LO) to RF and LO to intermediate frequency (IF) isolation due to optimized balun structures. The RoHS compliant HMC554ALC3B eliminates the need for wire bonding and is compatible with high volume surface-mount manufacturing techniques.ApplicationsMicrowave and very small aperture terminal (VSAT) radiosTest equipmentMilitary electronic warfare (EW); electronic countermeasure (ECM); and command, control, communications and intelligence (C3I) |
HMC555GaAs MMIC I/Q Mixer Chip, 31 - 38 GHz | RF and Wireless | 1 | Obsolete | The HMC555 is a compact I/Q MMIC mixer which can be used as either an Image Reject Mixer or a Single Sideband Upconverter. The chip utilizes two double balanced mixer cells and a 90 degree hybrid fabricated in a GaAs MESFET process. All data shown below is taken with the chip mounted in a 50 Ohm test fixture and includes the effects of 1 mil diameter x 12 mil length bond wires on each port.A low frequency quadrature hybrid was used to produce a 100 MHz USB IF output. This compact mixer is a much more compact alternative to hybrid style Image Reject Mixers and Single Sideband Upconverter assemblies, and is ideal for microwave radio applications. The redundant IF port connections located on opposing sides of the HMC555 chip, provide added layout flexibility.ApplicationsMicrowave RadioSatellite Communication SystemsMilitary End UseTest Equipment & Sensors |
HMC556GaAs MMIC I/Q Mixer Chip, 36 - 41 GHz | RF and Wireless | 1 | Obsolete | The HMC556 is a compact I/Q MMIC mixer which can be used as either an Image Reject Mixer or a Single Sideband Upconverter. The chip utilizes two double balanced mixer cells and a 90 degree hybrid fabricated in a GaAs MESFET process. All data shown below is taken with the chip mounted in a 50 Ohm test fixture and includes the effects of 1 mil diameter x 12 mil length bond wires on each port.A low frequency quadrature hybrid was used to produce a 100 MHz USB IF output. This compact mixer is a much smaller alternative to hybrid style Image Reject Mixers and Single Sideband Upconverter assemblies, and is ideal for microwave radio applications. The redundant IF port connections located on opposing sides of the HMC556 chip, provide added layout flexibility.Typical ApplicationsMicrowave RadioSatellite Communication SystemsMilitary End UseTest Equipment & Sensors |
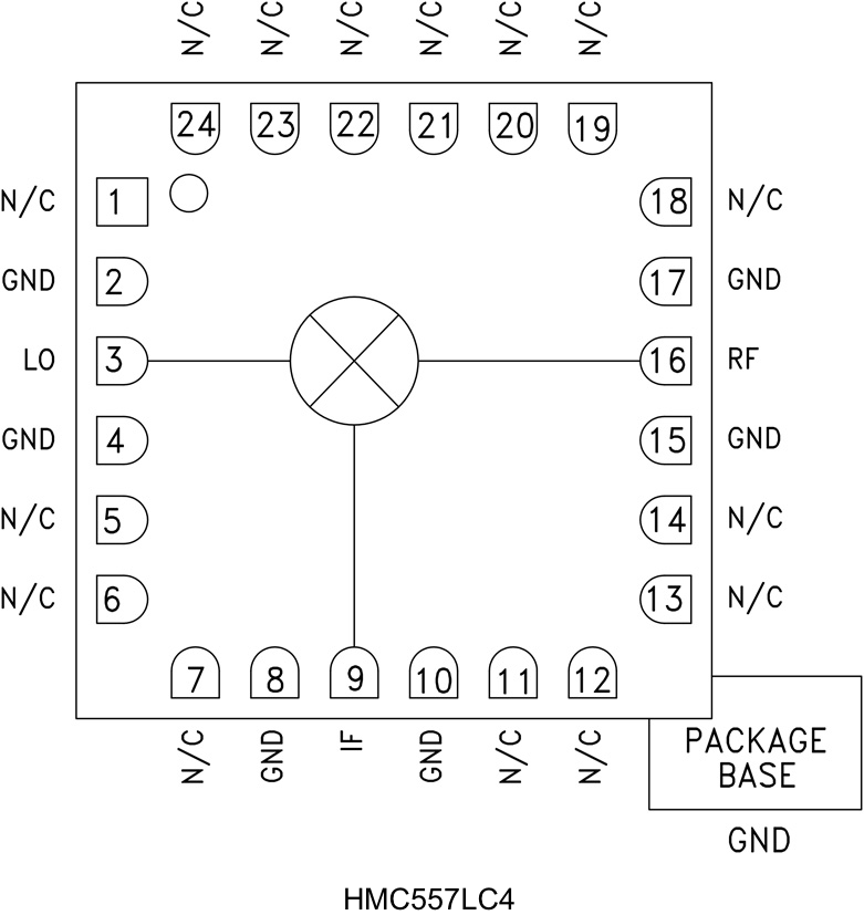
HMC557GaAs, MMIC Fundamental Mixer, 2.5 GHz to 7.0 GHz | Development Boards, Kits, Programmers | 9 | Active | The HMC557 devices are passive (HMC557) and general purpose (HMC557LC4) double-balanced mixers that are available in a chip (HMC557) and a leadless RoHS compliant SMT package (HMC557LC4), both of which can be used as an upconverter or downconverter between 2.5 GHz and 7.0 GHz. These mixers are fabricated in a GaAs metal semiconductor field effect transistor (MESFET) process, and require no external components or matching circuitry. The HMC557G devices provide excellent LO to RF and LO to IF isolation due to optimized balun structures and operates with LO drive levels as low as 9 dBm. Measurements were made with the HMC557 chip mounted into in a 50 Ω test fixture and includes the parasitic effects of wire bond assembly. Connections were made with a 1 mil wire bond with minimal length (<12 mil). The RoHS compliant HMC557LC4 eliminates the need for wire bonding, and is compatible with high volume surface mount manufacturing techniques.ApplicationsWiMAX and fixed wirelessMicrowave radioMilitary end useSpaceCommunications, radar and electronic warfare (EW)Test equipment and sensorsPoint-to-point radiosPoint-to-multipoint radios |
HMC5585.5 GHz to 14 GHz, GaAs MMIC Fundamental Mixer | RF Mixers | 4 | Active | The HMC558 devices are passive (HMC558) and general purpose (HMC558LC3B) double-balanced mixers that are available in a chip (HMC558) and a leadless RoHS compliant SMT package (HMC558LC3B), both of which can be used as an upconverter or downconverter between 5.5 GHz and 14.0 GHz. These mixers are fabricated in a GaAs metal semiconductor field effect transistor (MESFET) process, and require no external components or matching circuitry. The HMC558G devices provide excellent LO to RF and LO to IF isolation due to optimized balun structures and operates with LO drive levels as low as 9 dBm. Measurements were made with the HMC558 chip mounted into in a 50 Ω test fixture and includes the parasitic effects of wire bond assembly. Connections were made with a 1 mil wire bond with minimal length (<12 mil). The RoHS compliant HMC558LC3B eliminates the need for wire bonding, and is compatible with high volume surface mount manufacturing techniques.ApplicationsMicrowave radioMilitary end useSpaceCommunications, radar and electronic warfare (EW)Test equipment and sensorsPoint-to-point radiosPoint-to-multipoint radios |
HMC558A5.5 GHz to 14 GHz, GaAs MMIC Fundamental Mixer | RF Mixers | 2 | Active | The HMC558A is a general-purpose, double-balanced mixer in a leadless RoHS compliant SMT package that can be used as an upconverter or downconverter between 5.5 GHz and 14 GHz. This mixer is fabricated in a gallium arsenide (GaAs) metal semi-conductor field effect transistor (MESFET) process, and requires no external components or matching circuitry.The HMC558A provides excellent LO to RF and LO to IF isolation due to optimized balun structures, and operates with LO drive levels as low as 9 dBm. The RoHS compliant HMC558A eliminates the need for wire bonding, and is compatible with high volume surface-mount manufacturing techniques.ApplicationsPoint to point microwave radiosPoint to multipoint radiosMilitary end useInstrumentation, automatic test equipment (ATE) and sensors |
HMC559-DIEWideband Power Amplifier Chip, DC - 20 GHz | RF Amplifiers | 1 | Unknown | The HMC559 is a GaAs MMIC PHEMT Distributed Power Amplifier die which operates between DC and 20 GHz. The amplifier provides 14 dB of gain, +36 dBm output IP3 and +28 dBm of output power at 1 dB gain compression while requiring 400 mA from a +10V supply. Gain flatness is slightly positive from 4 to 20 GHz making the HMC559 ideal for EW, ECM and radar driver amplifier applications. The HMC559 amplifier I/O’s are internally matched to 50 Ohms facilitating integration into Multi-Chip-Modules (MCMs). All data is taken with the chip connected via two 0.075mm (3 mil) ribbon bonds of minimal length 0.31mm (12 mils).ApplicationsTelecom InfrastructureMicrowave Radio & VSATMilitary & SpaceTest InstrumentationFiber Optics |