A
Analog Devices Inc./Maxim Integrated
| Series | Category | # Parts | Status | Description |
|---|---|---|---|---|
| Part | Spec A | Spec B | Spec C | Spec D | Description |
|---|---|---|---|---|---|
| Series | Category | # Parts | Status | Description |
|---|---|---|---|---|
| Part | Spec A | Spec B | Spec C | Spec D | Description |
|---|---|---|---|---|---|
| Part | Category | Description |
|---|---|---|
Analog Devices Inc./Maxim Integrated LTC1879EGN#TRUnknown | Integrated Circuits (ICs) | IC REG BUCK ADJ 1.2A 16SSOP |
Analog Devices Inc./Maxim Integrated LTC2208CUP#TRUnknown | Integrated Circuits (ICs) | IC ADC 16BIT 130MSPS 64-QFN |
Analog Devices Inc./Maxim Integrated ADP2108ACBZ-1.1-R7Obsolete | Integrated Circuits (ICs) | IC REG BUCK 1.1V 600MA 5WLCSP |
Analog Devices Inc./Maxim Integrated EV1HMC832ALP6GObsolete | Development Boards Kits Programmers | EVAL BOARD FOR HMC832ALP6GE |
Analog Devices Inc./Maxim Integrated LTC488ISWUnknown | Integrated Circuits (ICs) | IC LINE RCVR RS485 QUAD 16-SOIC |
Analog Devices Inc./Maxim Integrated LTC6946IUFD-2Obsolete | Integrated Circuits (ICs) | IC CLK/FREQ SYNTH 28QFN |
Analog Devices Inc./Maxim Integrated MAX5556ESA+TObsolete | Integrated Circuits (ICs) | IC DAC/AUDIO 16BIT 50K 8SOIC |
Analog Devices Inc./Maxim Integrated EVAL-FLTR-LD-1RZUnknown | Unclassified | EVAL BRD FOR AD800 SERIES |
Analog Devices Inc./Maxim Integrated | Development Boards Kits Programmers | BOARD EVAL FOR AD9963 |
Analog Devices Inc./Maxim Integrated LTC1296CCSW#TRUnknown | Integrated Circuits (ICs) | IC DATA ACQ SYS 12BIT 5V 20SOIC |
| Series | Category | # Parts | Status | Description |
|---|---|---|---|---|
HMC560HMC560 / HMC560LM3GaAs monolithic microwave integrated circuit (MMIC) double-balanced mixer chip and surface mount technology (SMT), 24 GHz to 40 GHz | RF, RFID, Wireless Evaluation Boards | 7 | Active | The HMC560 devices are passive, double-balanced MMIC mixers available in a chip (HMC560) an SMT leadless chip carrier package (HMC560LM3). The mixers are fabricated in a GaAs metal semiconductor field effect transistor (MESFET) process and can be used as upconverters or downconverters from 24 GHz to 40 GHz. The wide bandwidth allows this device to be used across multiple radio bands with a common platform. Excellent isolations are provided by on-chip baluns, and the chip (HMC560) requires no external components and no dc bias. Measurements were made with the chip (HMC560) mounted and ribbon bonded into in a 50 Ω microstrip test fixture. Measured data includes the parasitic effects of the assembly. RF connections to the chip (HMC560) were made with 0.076 mm (3-mil) ribbon bond with minimal length less than 0.31 mm (<12 mil). The HMC560LM3 requires no external components and no dc bias. All data is with the nonhermetic, epoxy sealed LM3 package mounted in a 50 Ω test fixture. Utilizing the HMC560LM3 eliminates the need for wire bonding, thereby providing a consistent connection interface for the customer, and allowing the use of surface mount manufacturing techniques.ApplicationsTest equipment and sensorsMicrowave point-to-point radiosPoint-to-multipoint radiosMilitarySpace |
HMC560A22 GHz to 38 GHz, GaAs, MMIC, Double Balanced Mixer | RF Mixers | 2 | Active | The HMC560A chip is a gallium arsenide (GaAs), monolithic microwave integrated circuit (MMIC), double balanced mixer that can be used as an upconverter or downconverter from 24 GHz to 38 GHz in a small chip area. This mixer requires no external component or matching circuitry.The HMC560A provides high local oscillator (LO) to RF and LO to intermediate frequency (IF) suppression, 40 dB and 44 dB, respectively, due to optimized balun structures. The mixer operates with LO amplitudes from 9 dBm to 15 dBm.APPLICATIONSPoint to point radiosPoint to multipoint radios and very small aperture terminal (VSAT) radiosTest equipment and sensorsMilitary end use |
HMC561x2 Active Multiplier Chip, 8 - 21 GHz Fout | RF and Wireless | 4 | Active | The HMC561LP3(E) is a x2 active broadband frequency multiplier utilizing GaAs PHEMT technology in a leadless RoHS compliant SMT package. When driven by a +5 dBm signal, the multiplier provides +14 dBm typical output power from 8 to 21 GHz and the Fo and 3Fo isolations are 15 dBc at 16 GHz. The HMC561LP3(E) is ideal for use in LO multiplier chains for Pt to Pt & VSAT Radios yielding reduced parts count vs. traditional approaches.The low additive SSB Phase Noise of -139 dBc/Hz at 100 kHz offset helps maintain good system noise performance. The RoHS packaged HMC561LP3(E) eliminates the need for wire bonding, and allows the use of surface mount manufacturing techniques.APPLICATIONSClock Generation Applications:SONET OC-192 & SDH STM-64Point-to-Point & VSAT RadiosTest InstrumentationMilitary & Space |
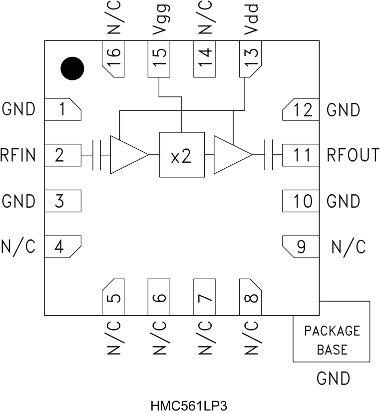
HMC561LP3x2 Active Multiplier SMT, 8 - 21 GHz Fout | RF and Wireless | 1 | Active | The HMC561LP3(E) is a x2 active broadband frequency multiplier utilizing GaAs PHEMT technology in a leadless RoHS compliant SMT package. When driven by a +5 dBm signal, the multiplier provides +14 dBm typical output power from 8 to 21 GHz and the Fo and 3Fo isolations are 15 dBc at 16 GHz. The HMC561LP3(E) is ideal for use in LO multiplier chains for Pt to Pt & VSAT Radios yielding reduced parts count vs. traditional approaches.The low additive SSB Phase Noise of -139 dBc/Hz at 100 kHz offset helps maintain good system noise performance. The RoHS packaged HMC561LP3(E) eliminates the need for wire bonding, and allows the use of surface mount manufacturing techniques.APPLICATIONSClock Generation Applications:SONET OC-192 & SDH STM-64Point-to-Point & VSAT RadiosTest InstrumentationMilitary & Space |
HMC562-DIEWideband Driver Amplifier Chip, 2 - 35 GHz | RF and Wireless | 2 | Active | The HMC562 is a GaAs MMIC PHEMT Distributed Driver Amplifier die which operates between 2 and 35 GHz. The amplifier provides 12.5 dB of gain, +27 dBm output IP3 and +12 dBm of output power at 1 dB gain compression while requiring 80 mA from a +8V supply. The HMC562 is ideal for EW, ECM and radar driver amplifier applications. The HMC562 amplifier I/O’s are DC blocked and internally matched to 50 Ohms facilitating integration into Multi-Chip-Modules (MCMs). All data is taken with the chip connected via two 0.075mm (3 mil) ribbon bonds of minimal length 0.31mm (12 mils).ApplicationsMilitary & SpaceTest InstrumentationFiber Optics |
| Evaluation Boards | 1 | Active | ||
HMC564-DieLow Noise Amplifier Chip, 7.0 - 13.5 GHz | RF Amplifiers | 2 | Active | The HMC564 is a high dynamic range GaAs PHEMT MMIC Low Noise Amplifier (LNA) chip which operates from 7 to 13.5 GHz. The HMC564 features extremely flat performance characteristics including 17 dB of small signal gain, 1.8 dB of noise figure and output IP3 of 24 dBm across the operating band. This self- biased LNA is ideal for hybrid and MCM assemblies due to its compact size, consistent output power, single +3V supply operation, and DC blocked RF I/O’s. All data is measured with the chip in a 50 Ohm test fixture connected via two 0.025 mm (1 mil) diameter bondwires of minimal length 0.31 mm (12 mil).ApplicationsPoint-to-Point RadiosPoint-to-Multi-Point RadiosTest Equipment and SensorsMilitary & Space |
HMC564LC4GaAs SMT pHEMT Low Noise Amplifier, 6 - 14GHz | RF and Wireless | 3 | Active | The HMC564LC4 is a high dynamic range GaAs pHEMT MMIC Low Noise Amplifier housed in a leadless RoHS compliant 4×4 mm SMT package. Operating from 6 to 14 GHz, the HMC564LC4 features extremely flat small signal gain of 17 dB as well as 1.8 dB noise figure and +25 dBm output IP3 across the operating band. This self-biased LNA is ideal for microwave radios due to its consistent output power, single +3V supply operation, and DC blocked RF I/O’s.ApplicationsPoint-to-Point RadiosPoint-to-Multi-Point Radios & VSATTest Equipment and SensorsMilitary & Space |
HMC565Low Noise Amplifier SMT, 6 - 20 GHz | RF and Wireless | 2 | Active | The HMC565LC5 is a high dynamic range GaAs PHEMT MMIC Low Noise Amplifier housed in a leadless RoHS compliant 5x5mm SMT package. Operating from 6 to 20 GHz, the HMC565LC5 features 21 dB of small signal gain, 2.5 dB noise figure and IP3 of +20 dBm across the operating band. This self-biased LNA is ideal for microwave radios due to its single +3V supply operation, and DC blocked RF I/O’s.ApplicationsPoint-to-Point RadiosPoint-to-Multi-Point Radios & VSATTest Equipment and SensorsMilitary & Space |
HMC565-DieGaAs PHEMT MMIC Low Noise Amplifier Chip, 6 - 20 GHz | RF Amplifiers | 2 | Active | The HMC565 is a high dynamic range GaAs PHEMT MMIC Low Noise Amplifier (LNA) chip which operates from 6 to 20 GHz. The HMC565 features 22 dB of small signal gain, 2.3 dB of noise figure and has a consistent IP3 of 20 dBm across the operating band. This self-biased LNA is ideal for hybrid and MCM assemblies due to its compact size, wideband performance, single +3V supply operation, and DC blocked RF I/O’s. All data is measured with the chip in a 50 Ohm test fixture connected via two 0.025 mm (1 mil) diameter bondwires of minimal length 0.31 mm (12 mil).ApplicationsPoint-to-Point RadiosPoint-to-Multi-Point Radios & VSATTest Equipment and SensorsMilitary & Space |