| RF and Wireless | 4 | Obsolete | The HMC521 devices are compact I/Q MMIC mixers that are available in a chip (HMC521) or a leadless Pb-free RoHS compliant SMT package (HMC521LC4), both of which can be used as either an IRM or a single sideband (SSB) upconverter. The mixers utilize two standard Hittite double-balanced mixer cells and a 90° hybrid fabricated in a GaAs metal semiconductor field effect transistor (MESFET) process. A low frequency quadrature hybrid was used to produce a 100 MHz USB IF output. These products are much smaller alternatives to hybrid style IRMs and SSB upconverter assemblies. All data shown for the HMC521 is taken with the chip mounted in a 50 Ω test fixture and includes the effects of 1 mil diameter × 20 mil length bond wires on each port. The HMC521LC4 eliminates the need for wire bonding allowing use of surface mount manufacturing techniques.ApplicationsPoint-to-pointPoint-to-multipoint radioMilitary radar |
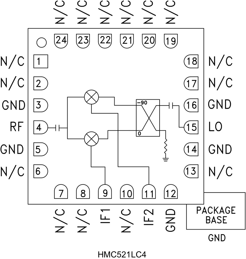
HMC521A8.5 GHz to 13.5 GHz, GaAs, MMIC, I/Q Mixer | RF and Wireless | 5 | Active | The HMC521ALC4 is a compact, gallium arsenide (GaAs), monolithic microwave integrated circuit (MMIC), inphase quadrature (I/Q) mixer in a RoHS compliant, 24-terminal ceramic leadless chip carrier (LCC) package. This device can be used as either an image reject mixer or a single sideband upconverter. The mixer uses two standard, double balanced mixer cells and a 90° hybrid coupler fabricated in a GaAs, metal semiconductor field effect transistor (MESFET) process. This device is a smaller alternative to hybrid style image reject mixers and single sideband upconverter assemblies. The HMC521ALC4 eliminates the need for wire bonding, allowing use of surface-mount manufacturing techniques.ApplicationsMicrowave and very small aperture terminal (VSAT) radiosTest equipmentMilitary electronic warfare (EW); electronic countermeasure (ECM); and command, control, communications, and intelligence (C3I) |
| RF, RFID, Wireless Evaluation Boards | 4 | Obsolete | The HMC522 devices are compact I/Q MMIC mixers that are available in a chip (HMC522) or a leadless Pb-free RoHS compliant SMT package (HMC522LC4), both of which can be used as either an IRM or a single sideband (SSB) upconverter. The mixers utilize two standard Hittite double-balanced mixer cells and a 90° hybrid fabricated in a GaAs metal semiconductor field effect transistor (MESFET) process. A low frequency quadrature hybrid was used to produce a 100 MHz USB IF output. These products are much smaller alternatives to hybrid style IRMs and SSB upconverter assemblies. All data shown for the HMC522 is taken with the chip mounted in a 50 Ω test fixture and includes the effects of 1 mil diameter × 20 mil length bond wires on each port. The HMC522LC4 eliminates the need for wire bonding allowing use of surface mount manufacturing techniques.ApplicationsPoint-to-pointPoint-to-multipoint radioDigital radioVery small aperture terminal (VSAT) |
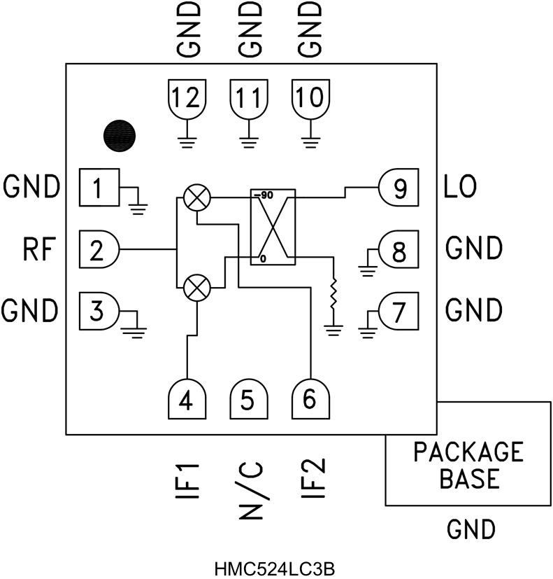
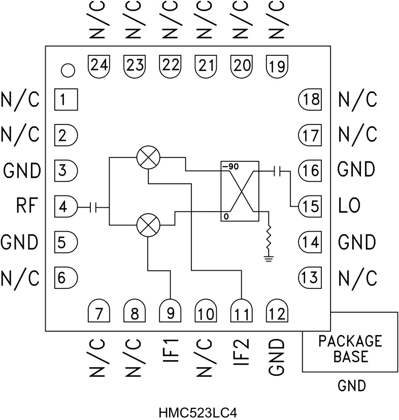
| RF and Wireless | 4 | Obsolete | The HMC523 devices are compact I/Q MMIC mixers that are available in a chip (HMC523) or a leadless Pb-free RoHS compliant SMT package (HMC523LC4), both of which can be used as either an IRM or a single sideband (SSB) upconverter. The mixers utilize two standard Hittite double balanced mixer cells and a 90° hybrid fabricated in a GaAs metal semiconductor field effect transistor (MESFET) process. A low frequency quadrature hybrid was used to produce a 100 MHz USB IF output. These products are much smaller alternatives to hybrid style IRMs and SSB upconverter assemblies. All data shown for the HMC523 is taken with the chip mounted in a 50 Ω test fixture and includes the effects of 1 mil diameter × 20 mil length bond wires on each port. The HMC523LC4 eliminates the need for wire bonding allowing use of surface mount manufacturing techniques.ApplicationsPoint-to-pointPoint-to-multipoint radioDigital radioMilitary and military end useVery small aperture terminal (VSAT)Test equipment and sensors |
| Evaluation Boards | 5 | Active | |
| Development Boards, Kits, Programmers | 9 | Active | The HMC525ACHIPS is a compact gallium arsenide (GaAs), monolithic microwave integrated circuit (MMIC), in phase and quadrature (I/Q), RoHS compliant mixer. The device can be used as either an image reject mixer or a single sideband upconverter. The mixer uses two standard double balanced mixer cells and a 90° hybrid fabricated in a GaAs, metal semiconductor field effect transistor (MESFET) process. The HMC525ACHIPS is a much smaller alternative to a hybrid style image reject mixer and a single sideband upconverter assembly. The HMC525ACHIPS eliminates the need for wire bonding, allowing the use of surface-mount manufacturing techniques.ApplicationsTest and measurement instrumentationMilitary, aerospace, and defense applicationsMicrowave point to point base stations |
| RF Mixers | 1 | Unknown | The HMC525ACHIPS is a compact gallium arsenide (GaAs), monolithic microwave integrated circuit (MMIC), in phase and quadrature (I/Q), RoHS compliant mixer. The device can be used as either an image reject mixer or a single sideband upconverter. The mixer uses two standard double balanced mixer cells and a 90° hybrid fabricated in a GaAs, metal semiconductor field effect transistor (MESFET) process. The HMC525ACHIPS is a much smaller alternative to a hybrid style image reject mixer and a single sideband upconverter assembly. The HMC525ACHIPS eliminates the need for wire bonding, allowing the use of surface-mount manufacturing techniques.ApplicationsTest and measurement instrumentationMilitary, aerospace, and defense applicationsMicrowave point to point base stations |
| RF Mixers | 1 | Active | The HMC525ALC4 is a compact gallium arsenide (GaAs), monolithic microwave integrated circuit (MMIC), in phase quadrature (I/Q) mixer in a 24-terminal, RoHS compliant, ceramic leadless chip carrier (LCC) package. The device can be used as either an image reject mixer or a single sideband (SSB) upconverter. The mixer uses two standard double balanced mixer cells and a 90° hybrid fabricated in a GaAs, metal semiconductor field effect transistor (MESFET) process. The HMC525ALC4 is a much smaller alternative to a hybrid style image reject mixer and a SSB upconverter assembly. The HMC525ALC4 eliminates the need for wire bonding, allowing the use of surface-mount manufacturing techniques.ApplicationsMicrowave and very small aperture terminal radiosTest equipmentPoint to point radiosMilitary electronic warfare; electronic countermeasure; and command, control, communications, and intelligence |
| RF Mixers | 4 | Obsolete | The HMC526 devices are compact I/Q MMIC mixers that are available in a chip (HMC526) or a leadless Pb-free RoHS compliant SMT package (HMC526LC4), both of which can be used as either an IRM or a single sideband (SSB) upconverter. The mixers utilize two standard Hittite double-balanced mixer cells and a 90° hybrid fabricated in a GaAs metal semiconductor field effect transistor (MESFET) process. A low frequency quadrature hybrid was used to produce a 100 MHz USB IF output. These products are much smaller alternatives to hybrid style IRMs and SSB upconverter assemblies. All data shown for the HMC526 is taken with the chip mounted in a 50 Ω test fixture and includes the effects of 1 mil diameter × 20 mil length bond wires on each port. The HMC526LC4 eliminates the need for wire bonding allowing use of surface mount manufacturing techniques.ApplicationsPoint-to-point radiosPoint-to-multipoint radiosVery small aperture terminal (VSAT)Test equipment and sensorsMilitary end use |
| RF and Wireless | 4 | Obsolete | |