A
Analog Devices Inc./Maxim Integrated
| Series | Category | # Parts | Status | Description |
|---|---|---|---|---|
| Part | Spec A | Spec B | Spec C | Spec D | Description |
|---|---|---|---|---|---|
| Series | Category | # Parts | Status | Description |
|---|---|---|---|---|
| Part | Spec A | Spec B | Spec C | Spec D | Description |
|---|---|---|---|---|---|
| Part | Category | Description |
|---|---|---|
Analog Devices Inc./Maxim Integrated LTC1879EGN#TRUnknown | Integrated Circuits (ICs) | IC REG BUCK ADJ 1.2A 16SSOP |
Analog Devices Inc./Maxim Integrated LTC2208CUP#TRUnknown | Integrated Circuits (ICs) | IC ADC 16BIT 130MSPS 64-QFN |
Analog Devices Inc./Maxim Integrated ADP2108ACBZ-1.1-R7Obsolete | Integrated Circuits (ICs) | IC REG BUCK 1.1V 600MA 5WLCSP |
Analog Devices Inc./Maxim Integrated EV1HMC832ALP6GObsolete | Development Boards Kits Programmers | EVAL BOARD FOR HMC832ALP6GE |
Analog Devices Inc./Maxim Integrated LTC488ISWUnknown | Integrated Circuits (ICs) | IC LINE RCVR RS485 QUAD 16-SOIC |
Analog Devices Inc./Maxim Integrated LTC6946IUFD-2Obsolete | Integrated Circuits (ICs) | IC CLK/FREQ SYNTH 28QFN |
Analog Devices Inc./Maxim Integrated MAX5556ESA+TObsolete | Integrated Circuits (ICs) | IC DAC/AUDIO 16BIT 50K 8SOIC |
Analog Devices Inc./Maxim Integrated EVAL-FLTR-LD-1RZUnknown | Unclassified | EVAL BRD FOR AD800 SERIES |
Analog Devices Inc./Maxim Integrated | Development Boards Kits Programmers | BOARD EVAL FOR AD9963 |
Analog Devices Inc./Maxim Integrated LTC1296CCSW#TRUnknown | Integrated Circuits (ICs) | IC DATA ACQ SYS 12BIT 5V 20SOIC |
| Series | Category | # Parts | Status | Description |
|---|---|---|---|---|
| RF and Wireless | 4 | Obsolete | ||
| Development Boards, Kits, Programmers | 4 | Active | ||
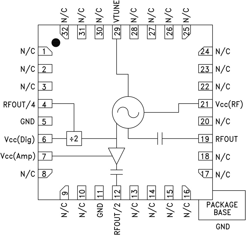
HMC530VCO with Fo/2 & Divide-by-4 SMT, 9.5 - 10.8 GHz | RF, RFID, Wireless Evaluation Boards | 5 | Active | The HMC530LP5(E) is a GaAs InGaP Heterojunction Bipolar Transistor (HBT) MMIC VCOs. The HMC530LP5(E) integrates resonators, negative resistance devices, varactor diodes and feature half frequency and divide-by-4 outputs. The VCO's phase noise performance is excellent over temperature, shock and process due to the oscillator's monolithic structure. Power output is +11 dBm typical from a +5V supply voltage. The prescaler and RF/2 functions can be disabled to conserve current if not required. The voltage controlled oscillator is packaged in a leadless QFN 5x5 mm surface mount package, and requires no external matching components.APPLICATIONSPoint-to-Point RadiosPoint-to-Multi-Point RadiosTest Equipment & Industrial ControlsSATCOMMilitary End-Use |
| Development Boards, Kits, Programmers | 5 | Active | ||
HMC532VCO SMT w/Buffer Amplifier, 7.1 - 7.9 GHz | RF and Wireless | 3 | Active | The HMC532LP4(E) is a GaAs InGaP Heterojunction Bipolar Transistor (HBT) MMIC VCO with an integrated resonator, negative resistance device, varactor diode, and buffer amplifier. Covering 7.1 to 7.9 GHz, the VCO’s phase noise performance is excellent over temperature, shock and vibration due to the oscillator’s monolithic structure. Power output is +14 dBm typical from a single supply of +3V @ 85 mA. The voltage controlled oscillator is packaged in a leadless QFN 4x4 mm surface mount package.APPLICATIONSVSAT RadioPoint-to-Point/Multi-point RadioTest Equipment & Industrial ControlsMilitary End-Use |
| Evaluation Boards | 3 | Active | ||
| Evaluation Boards | 5 | Active | ||
| RF, RFID, Wireless Evaluation Boards | 3 | Active | ||
HMC5363 Watt SPDT T/R Switch SMT, DC - 6 GHz | RF and Wireless | 2 | Active | The HMC536LP2(E) is a DC to 6 GHz GaAs MMIC T/R switch in leadless 2x2 mm DFN LP2 surface mount packages with an exposed ground paddle. The switch is ideal for cellular, WiMAX, & WiBro access point and subscriber applications featuring low 0.6 dB insertion loss and high +54 dBm input IP3. Power handling is excellent up through 6 GHz with the switch offering a P0.1dB compression point of +29 dBm at +3V and +33 dBm at +5V control. On-chip circuitry allows positive voltage control of 0/+3V or 0/+5V at very low DC currents. The HMC536LP2(E) occupies only 4 mm² and are ideal for applications where small size is required.APPLICATIONSCellular/PCS/3G InfrastructureWiMAX, WiBro & Fixed WirelessCATV/CMTSTest Instrumentation |
HMC536LP23W SPDT T/R Switch SMT, DC - 6 GHz, | RF Switches | 3 | Active | The HMC536LP2(E) is a DC to 6 GHz GaAs MMIC T/R switch in leadless 2x2 mm DFN LP2 surface mount packages with an exposed ground paddle. The switch is ideal for cellular, WiMAX, & WiBro access point and subscriber applications featuring low 0.6 dB insertion loss and high +54 dBm input IP3. Power handling is excellent up through 6 GHz with the switch offering a P0.1dB compression point of +29 dBm at +3V and +33 dBm at +5V control. On-chip circuitry allows positive voltage control of 0/+3V or 0/+5V at very low DC currents. The HMC536LP2(E) occupies only 4 mm² and are ideal for applications where small size is required.APPLICATIONSCellular/PCS/3G InfrastructureWiMAX, WiBro & Fixed WirelessCATV/CMTSTest Instrumentation |