A
Analog Devices Inc./Maxim Integrated
| Series | Category | # Parts | Status | Description |
|---|---|---|---|---|
| Part | Spec A | Spec B | Spec C | Spec D | Description |
|---|---|---|---|---|---|
| Series | Category | # Parts | Status | Description |
|---|---|---|---|---|
| Part | Spec A | Spec B | Spec C | Spec D | Description |
|---|---|---|---|---|---|
| Part | Category | Description |
|---|---|---|
Analog Devices Inc./Maxim Integrated LTC1879EGN#TRUnknown | Integrated Circuits (ICs) | IC REG BUCK ADJ 1.2A 16SSOP |
Analog Devices Inc./Maxim Integrated LTC2208CUP#TRUnknown | Integrated Circuits (ICs) | IC ADC 16BIT 130MSPS 64-QFN |
Analog Devices Inc./Maxim Integrated ADP2108ACBZ-1.1-R7Obsolete | Integrated Circuits (ICs) | IC REG BUCK 1.1V 600MA 5WLCSP |
Analog Devices Inc./Maxim Integrated EV1HMC832ALP6GObsolete | Development Boards Kits Programmers | EVAL BOARD FOR HMC832ALP6GE |
Analog Devices Inc./Maxim Integrated LTC488ISWUnknown | Integrated Circuits (ICs) | IC LINE RCVR RS485 QUAD 16-SOIC |
Analog Devices Inc./Maxim Integrated LTC6946IUFD-2Obsolete | Integrated Circuits (ICs) | IC CLK/FREQ SYNTH 28QFN |
Analog Devices Inc./Maxim Integrated MAX5556ESA+TObsolete | Integrated Circuits (ICs) | IC DAC/AUDIO 16BIT 50K 8SOIC |
Analog Devices Inc./Maxim Integrated EVAL-FLTR-LD-1RZUnknown | Unclassified | EVAL BRD FOR AD800 SERIES |
Analog Devices Inc./Maxim Integrated | Development Boards Kits Programmers | BOARD EVAL FOR AD9963 |
Analog Devices Inc./Maxim Integrated LTC1296CCSW#TRUnknown | Integrated Circuits (ICs) | IC DATA ACQ SYS 12BIT 5V 20SOIC |
| Series | Category | # Parts | Status | Description |
|---|---|---|---|---|
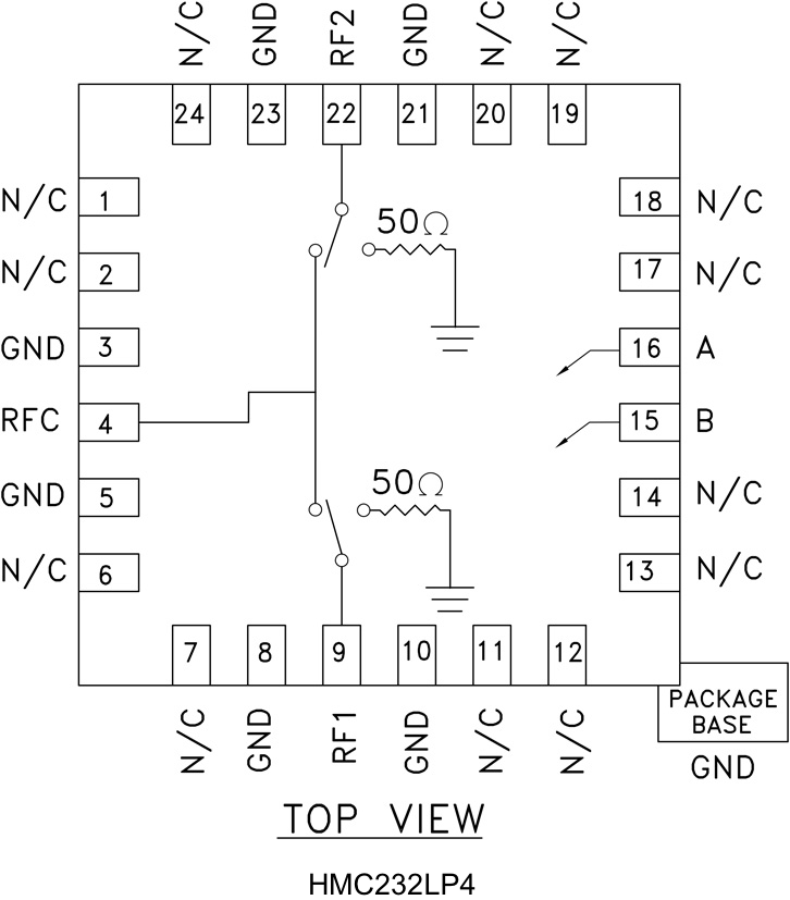
HMC232HMC232 / HMC232LP4 / HMC232G8 / HMC232G7 / HMC232C8 | Development Boards, Kits, Programmers | 12 | Active | The HMC232A is a nonreflective, SPDT, RF switch manufactured in the gallium arsenide (GaAs) process.The HMC232A operates from 100 MHz to 12 GHz with better than 1.5 dB insertion loss and 50 dB of isolation at 6 GHz and better than 2.5 dB insertion loss and 45 dB of isolation at 12 GHz. The HMC232A has a nonreflective design, and the RF ports are internally terminated to 50 Ω.The HMC232A switch operates using complementary negative control voltage logic lines of −7 V to −3 V and requires no bias supply.The HMC232A comes in a 24-lead, 4 mm × 4 mm LFCSP and operates from −40°C to +85°C.APPLICATIONSTest instrumentationMicrowave radios and very small aperture terminals (VSATs)Military radios, radars, and electronic counter measures (ECMs)Telecommunication infrastructure |
HMC234Hi Isolation SPDT Switch SMT, DC - 8 GHz | RF and Wireless | 1 | Obsolete | The HMC234C8 is a broadband high isolation non- reflective GaAs MESFET SPDT switch in a non- hermetic surface mount ceramic package. Covering DC to 8 GHz, the switch features >52 dB isolation up to 2 GHz and >38 dB isolation up to 8 GHz. The switch operates using complementary negative control voltage logic lines of -5/0V and requires no bias supply. This product is an excellent pin-for-pin replacement to the SMDI SSW124.ApplicationsTelecom InfrastructureMicrowave Radio & VSATMilitary Radios, Radar & ECMTest Instrumentation |
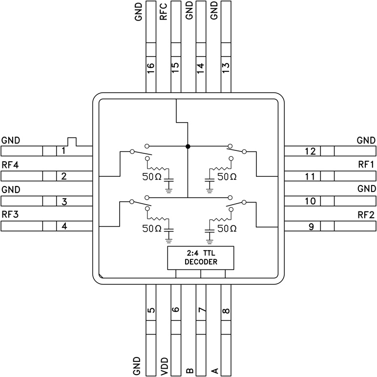
HMC241GaAs, Nonreflective, SP4T Switch 100 MHz to 4 GHz | Development Boards, Kits, Programmers | 12 | Active | The HMC241 is a general-purpose nonreflective SP4T switch in a low cost leadless surface-mount package and a 16-lead QSOP package. Covering DC to 4 GHz, this switch offers high isolation and has a low insertion loss of 0.5 dB to 0.7 dB at 2 GHz. The switch offers a single positive bias and true TTL/CMOS compatibility. A 2:4 decoder is integrated on the switch requiring only two control lines and a positive bias to select each path, replacing four to eight control lines normally required by GaAs SP4T switches.ApplicationsBase stations, repeaters, and portable wirelessWLAN, WiMAX, and WiBroCATV/DBSTest equipmentWireless local loop |
HMC241ALP3EGaAs, Nonreflective, SP4T Switch 100 MHz to 4 GHz | RF Switches | 1 | Active | The HMC241ALP3E is a general-purpose, nonreflective, 100 MHz to 4 GHz single-pole, four-throw (SP4T) switch manufactured using a gallium arsenide (GaAs) process. This switch offers high isolation of 43 dB typical at 2 GHz, low insertion loss of 0.7 dB at 2 GHz, and on-chip termination of the isolated ports.The on-chip circuitry allows the HMC241ALP3E to operate at a single, positive supply voltage range of 3 V to 5 V. This switch requires two positive logic control voltages. The HMC241ALP3E includes an on-chip, binary two to four line decoder that provides logic control from two logic input lines to select one of the four radio frequency (RF) lines.The HMC241ALP3E is available in a 3 mm × 3 mm, 16-lead LFCSP package. The HMC7992 is the silicon version of this switch and features better performance up to higher frequencies.APPLICATIONSCellular/4 G infrastructureWireless infrastructureAutomotive telematicsMobile radiosTest equipment |
HMC241AQS16GaAs MMIC SP4T Non-Reflective Switch, DC - 3.5 GHz | RF Switches | 1 | Active | The HMC241AQS16 & HMC241AQS16E are general purpose low-cost non-reflective SP4T switches in 16-lead QSOP packages. Covering DC - 3.5 GHz, this switch offers high isolation and has a low insertion loss of 0.7 dB at 2 GHz. The switch offers a single positive bias and true TTL/CMOS compatibility. A 2:4 decoder is integrated on the switch requiring only 2 control lines and a positive bias to select each path, replacing 8 control lines normally required by GaAs SP4T switches.APPLICATIONSBase Stations & Portable WirelessCATV/DBSWireless Local LoopTest Equipment |
HMC244SP4T Hermetic Switch SMT, DC - 4 GHz | Evaluation Boards | 3 | Active | The HMC244G16 is a non-reflective SP4T switch in a 16 lead glass/metal (hermetic) package. Covering DC to 4 GHz, the switch offers 30~50 dB isolation and a low insertion loss of 0.7 dB through 3 GHz. A 2:4 TTL/CMOS compatable decoder is integrated on the switch requiring only 2 control lines and a positive 5V bias to select each path, replacing 8 control lines normally required by GaAs SP4T switches.ApplicationsTelecom InfrastructureMilitary Radios, Radar & ECMSpace ApplicationsTest Instrumentation |
HMC245SP3T Switch SMT, DC - 3.5 GHz | RF and Wireless | 4 | Obsolete | The HMC245QS16(E) is a low cost non-reflective SP3T switch in 16-lead QSOP surface mount packages. Covering DC to 3.5 GHz, the switch offers 30 to 40 dB isolation and a low insertion loss of 0.5 dB. A 2:3 TTL/CMOS compatible decoder is integrated on the switch requiring only 2 control lines and a single +5V bias to select each path, replacing 6 control lines normally required by GaAs SP3T switches.ApplicationsBasestation InfrastructureCATV / DBSWireless Local LoopTest Equipment |
HMC245AGaAs MMIC SP3T Non-Reflective Switch, DC - 3.5 GHz | RF Switches | 2 | Active | The HMC245AQS16E is a low cost non-reflective SP3T switches in 16-lead QSOP surface mount packages. Covering DC to 3.5 GHz, the switch offers 30 to 40 dB isolation and a low insertion loss of 0.7 dB. A 2:3 TTL/CMOS compatible decoder is integrated on the switch requiring only 2 control lines and a single +5V bias to select each path, replacing 6 control lines normally required by GaAs SP3T switches.ApplicationsBasestation InfrastructureCATV / DBSWireless Local LoopTest Equipment |
HMC247-DIE400° Analog Phase Shifter Chip, 5 - 18 GHz | RF Misc ICs and Modules | 2 | Active | The HMC247 is an Analog Phase Shifter die which is controlled via an analog control voltage from 0 to +10V. The HMC247 provides a continuously variable phase shift of 0 to 300 degrees at 9 GHz, and 0 to 100 degrees at 18 GHz, with consistent insertion loss versus phase shift. The phase shift is monotonic with respect to the control voltage. The control port has a modulation bandwidth of 50 MHz. The low insertion loss and compact size enable this part to be used in a wide range of applications, including the phase adjustment of clocks in fiber optic systems and test equipment. All data is measured with the chip in a 50 ohm test fixture, connected via 0.076 mm (3 mil) ribbon bonds of minimal length <0.31 mm (<12 mils).ApplicationsFiber OpticsMilitaryTest Equipment |
HMC252GaAs MMIC SP6T Non-Reflective Switch, DC - 3 GHz | RF, RFID, Wireless Evaluation Boards | 8 | Active | The HMC252AQS24E is low-cost non-reflective SP6T switches in 24-lead QSOP packages featuring wideband operation from DC to 3.0 GHz. The switch offers a single positive bias and true TTL/CMOS compatibility. A 3:6 decoder is integrated on the switch requiring only 3 control lines and a positive bias to select each path. The HMC252AQS24E SP6T replaces multiple configurations of SP4T and SPDT MMIC switches and logic drivers.ApplicationsBase stationCATV / DBSMMDS and wireless LANTest equipment |