| Integrated Circuits (ICs) | 3 | Active | |
MAX7778518.2VIN, 3.5A 1-Cell Li+ Battery Charger for USB Type-C Power Delivery | Battery Chargers | 2 | Active | The MAX77785/MAX77786 is a high-performance high-input 3.5/5.5A fast charger with Smart Power Selector™. The ICs can operate as a reverse boost converter without an additional inductor, allowing the battery to share its power through the charging port, and offer programmable output voltage from 4.505V to 10.805V. The devices feature fully integrated low-loss power switches to provide a small solution size and high efficiency, even at high input voltage and high charging current. Its high switching frequency allows the use of a smaller-sized inductor. The ICs feature true load disconnection in reverse boost mode and have an adjustable output current protection limit. The device is highly flexible and programmable through I2C configuration. Li-ion, Li-polymer, and LiFePO4battery chemistries are supported. It can also provide fast programmable unplug detection of sources for dynamic system load management. To support a variety of legacy USBs as well as proprietary adapters, the device also integrates BC1.2 detection using the D+ and D- pins.The battery charger includes a Smart Power Selector to accommodate a wide range of battery sizes and system loads. The Smart Power Selector allows the system to start up gracefully when an input source is available, even when the battery is deeply discharged (dead battery) or missing. It can be configured so that when power is applied to the charger input, the battery charging can automatically start.ApplicationsGaming DevicesVR ApplicationsmPOSTablet PCsSmart Power Selector is a trademark of Maxim Integrated Products, Inc.USB Type-C is a registered trademark of USB Implementers Forum, Inc.Power Path is a trademark of Linear Technology Corporation. |
MAX7778618.2VIN, 5.5A 1-Cell Li+ Battery Charger for USB Type-C Power Delivery | Battery Chargers | 2 | Active | The MAX77785/MAX77786 is a high-performance high-input 3.5/5.5A fast charger with Smart Power Selector™. The ICs can operate as a reverse boost converter without an additional inductor, allowing the battery to share its power through the charging port, and offer programmable output voltage from 4.505V to 10.805V. The devices feature fully integrated low-loss power switches to provide a small solution size and high efficiency, even at high input voltage and high charging current. Its high switching frequency allows the use of a smaller-sized inductor. The ICs feature true load disconnection in reverse boost mode and have an adjustable output current protection limit. The device is highly flexible and programmable through I2C configuration. Li-ion, Li-polymer, and LiFePO4battery chemistries are supported. It can also provide fast programmable unplug detection of sources for dynamic system load management. To support a variety of legacy USBs as well as proprietary adapters, the device also integrates BC1.2 detection using the D+ and D- pins.The battery charger includes a Smart Power Selector to accommodate a wide range of battery sizes and system loads. The Smart Power Selector allows the system to start up gracefully when an input source is available, even when the battery is deeply discharged (dead battery) or missing. It can be configured so that when power is applied to the charger input, the battery charging can automatically start.ApplicationsGaming DevicesVR ApplicationsmPOSTablet PCsSmart Power Selector is a trademark of Maxim Integrated Products, Inc.USB Type-C is a registered trademark of USB Implementers Forum, Inc.Power Path is a trademark of Linear Technology Corporation. |
| Power Management (PMIC) | 3 | Active | |
MAX7778914VIN, 3AOUT 1-Cell Charger with Integrated USB Type-C Detection, DRP and OTG | Power Management (PMIC) | 1 | Active | The MAX77789 is a standalone, 3.15A charger with integrated USB Type-C®CC detection and reverse-boost capability. The IC operates with an input voltage of 4.6V to 13.4V and has a maximum input current limit of 3A. The IC also implements the adaptive input current limit (AICL) function that regulates the input voltage by reducing input current, to prevent the voltage of a weak adapter from collapsing or folding back.The USB Type-C Configuration Channel (CC) detection pins on the IC is operating in DRP (Dual Role Port) as a default and is capable of automatic USB Type-C power source detection and sink devices. To support a variety of legacy USB as well as proprietary adapters, the device also integrates BC1.2 detection using the D+ and D- pins. The IC runs the CC pin and BC1.2 detection automatically as soon as the USB plug is inserted without any software control.The IC offers reverse-boost capability up to 5.1V, 1.5A, which can be enabled with automatic way or register set by system MCU. The STAT1 pin indicates charging status, while the INOKB pin indicates valid input voltage. The EXTSM pin can be used to exit ship mode and force system to reset (POR), and STAT2 pin indicates fault detection and charger detection done indication by register bit selection.The IC is equipped with a Smart Power Selector™and a battery true-disconnect FET to control the charging and discharging of the battery or isolate the battery in case of a fault. The IC supports Li-ion and LiFePO4 batteries with various termination voltages from 3.6V to 4.55V. The IC comes in a 2.85mm x 2.85mm, 0.4mm pitch, 6 x 6 wafer-level package (WLP) making it suitable for low-cost PCB assembly.APPLICATIONSMobile Point-of-Sale (mPOS) TerminalsPortable Medical DevicesWireless HeadphonesGPS TrackersCharging Cradles for Wearable DevicesPower BanksMobile Routers |
| DC/DC & AC/DC (Off-Line) SMPS Evaluation Boards | 5 | Obsolete | |
| Development Boards, Kits, Programmers | 5 | Active | |
| Power Management (PMIC) | 1 | Obsolete | |
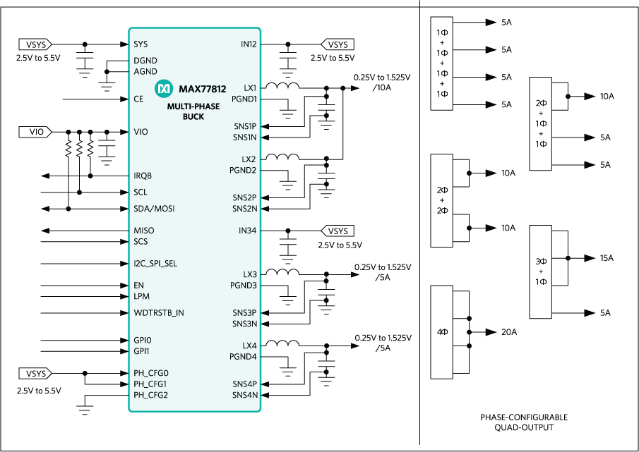
MAX7781220A User-Configurable Quad-Phase Buck Converter | Evaluation Boards | 8 | Active | The MAX77812 is a quad-phase high-efficiency stepdown (buck) converter capable of delivering up to 20A of maximum current. Programmable startup/shutdown sequence and user-selectable phase configurations make the MAX77812 ideal for powering the latest generations of processors. With high-efficiency and small solution size, the MAX77812 is optimized for space constrained single-cell battery powered applications.The MAX77812 uses an adaptive on-time PWM control scheme and it has SKIP and low-power SKIP modes for improved light-load efficiency. A programmable current limit reduces the overall solution footprint by optimizing inductors size. Differential sensing provides high output voltage accuracy, while enhanced transient response (ETR) allows fast output voltage adjustments to load transients. Programmable soft-start/stop and ramp-up/down slew rate provides control over an inrush current as the regulator transitions between operating states.A 3.4MHz high-speed I2C or 30MHz SPI interface with dedicated logic inputs provide full configurability and control for system power optimization.The MAX77812 is available in 3.408mm x 3.368mm, 64-bump 0.4mm pitch wafer-level package (WLP).Design Solution: How to Power Your QSFP-DD Optical Transceiver ›Design Solution: How to Make Your Portable Game Console Play Longer ›ApplicationsAR/VR Headsets and Game ConsolesCPU/GPU, FPGAs, and DSPs Power SupplyLi-ion Battery Powered EquipmentSpace Constrained Portable Electronics |
MAX778135.5V Input, 2A, High-Efficiency Buck-Boost Converter | DC/DC & AC/DC (Off-Line) SMPS Evaluation Boards | 6 | Active | The MAX77813 is a high-efficiency step-up/step-down (buck-boost) converter targeted for single-cell Li+/Li-ion battery powered applications. The device maintains a regulated output voltage from 2.6V to 5.14V across an input voltage range of 2.3V to 5.5V. The device supports up to 2A of output current in boost mode and up to 3A in buck mode.The device seamlessly transitions between buck and boost modes. A unique control algorithm allows high-efficiency, outstanding load, and line transient response.Dedicated enable and power-OK pins allow simple hardware control. An I2C serial interface is optionally used for dynamic voltage scaling, system power optimization, and fault read-back. The device supports two inductor switching current limit options selected by the ILIM pin.The MAX77813 is available in a 20-bump, 2.13mm x 1.83mm wafer-level package (WLP).APPLICATIONSSingle-Cell Li-ion Powered ApplicationsHandheld Scanners, Mobile Payment Terminals, Security CamerasAR/VR Headsets |