A
Analog Devices Inc./Maxim Integrated
| Series | Category | # Parts | Status | Description |
|---|---|---|---|---|
| Part | Spec A | Spec B | Spec C | Spec D | Description |
|---|---|---|---|---|---|
| Series | Category | # Parts | Status | Description |
|---|---|---|---|---|
| Part | Spec A | Spec B | Spec C | Spec D | Description |
|---|---|---|---|---|---|
| Part | Category | Description |
|---|---|---|
Analog Devices Inc./Maxim Integrated LTC1879EGN#TRUnknown | Integrated Circuits (ICs) | IC REG BUCK ADJ 1.2A 16SSOP |
Analog Devices Inc./Maxim Integrated LTC2208CUP#TRUnknown | Integrated Circuits (ICs) | IC ADC 16BIT 130MSPS 64-QFN |
Analog Devices Inc./Maxim Integrated ADP2108ACBZ-1.1-R7Obsolete | Integrated Circuits (ICs) | IC REG BUCK 1.1V 600MA 5WLCSP |
Analog Devices Inc./Maxim Integrated EV1HMC832ALP6GObsolete | Development Boards Kits Programmers | EVAL BOARD FOR HMC832ALP6GE |
Analog Devices Inc./Maxim Integrated LTC488ISWUnknown | Integrated Circuits (ICs) | IC LINE RCVR RS485 QUAD 16-SOIC |
Analog Devices Inc./Maxim Integrated LTC6946IUFD-2Obsolete | Integrated Circuits (ICs) | IC CLK/FREQ SYNTH 28QFN |
Analog Devices Inc./Maxim Integrated MAX5556ESA+TObsolete | Integrated Circuits (ICs) | IC DAC/AUDIO 16BIT 50K 8SOIC |
Analog Devices Inc./Maxim Integrated EVAL-FLTR-LD-1RZUnknown | Unclassified | EVAL BRD FOR AD800 SERIES |
Analog Devices Inc./Maxim Integrated | Development Boards Kits Programmers | BOARD EVAL FOR AD9963 |
Analog Devices Inc./Maxim Integrated LTC1296CCSW#TRUnknown | Integrated Circuits (ICs) | IC DATA ACQ SYS 12BIT 5V 20SOIC |
| Series | Category | # Parts | Status | Description |
|---|---|---|---|---|
| LED Driver Evaluation Boards | 4 | Active | ||
| Integrated Circuits (ICs) | 3 | Obsolete | ||
| Power Management (PMIC) | 7 | Active | ||
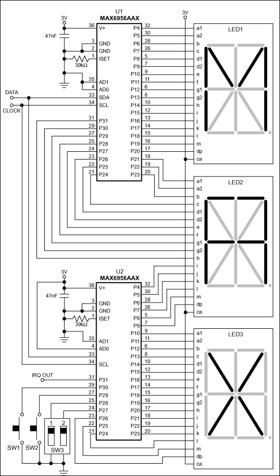
MAX69552-Wire Interfaced, 2.7V to 5.5V LED Display Driver with I/O Expander and Key Scan | Development Boards, Kits, Programmers | 6 | Active | The MAX6955 is a compact display driver that interfaces microprocessors to a mix of 7-segment, 14-segment, and 16-segment LED displays through an I2C-compatible 2-wire serial interface. The MAX6955 drives up to 16 digits 7-segment, 8 digits 14-segment, 8 digits 16-segment, or 128 discrete LEDs, while functioning from a supply voltage as low as 2.7V. The driver includes five I/O expander or general-purpose I/O (GPIO) lines, some or all of which can be configured as a key-switch reader. The key-switch reader automatically scans and debounces a matrix of up to 32 switches.Included on chip are full 14- and 16-segment ASCII 104-character fonts, a hexadecimal font for 7-segment displays, multiplex scan circuitry, anode and cathode drivers, and static RAM that stores each digit. The maximum segment current for the display digits is set using a single external resistor. Digit intensity can be independently adjusted using the 16-step internal digital brightness control. The MAX6955 includes a low-power shutdown mode, a scan-limit register that allows the user to display from 1 to 16 digits, segment blinking (synchronized across multiple drivers, if desired), and a test mode, which forces all LEDs on. The LED drivers are slew-rate limited to reduce EMI.For an SPI-compatible version, refer to the MAX6954 data sheet. An evaluation kit (EV kit) for the MAX6955 is available.ApplicationsAudio/Video EquipmentBar Graph DisplaysPanel MetersSet-Top BoxesWhite Goods |
| Evaluation Boards | 12 | Active | ||
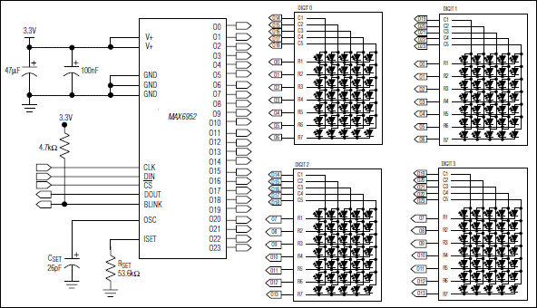
MAX69574-Wire-Interfaced, 2.5V to 5.5V, 20-Port and 28-Port LED Display Driver and I/O Expander | Display Drivers | 10 | Active | The MAX6957 compact, serial-interfaced LED display driver general-purpose I/O (GPIO) peripheral provides microprocessors with up to 28 ports. Each port is individually user configurable to either a logic input, logic output, or common-anode (CA) LED constant-current segment driver. Each port configured as an LED segment driver behaves as a digitally controlled constantcurrent sink, with 16 equal current steps from 1.5mA to 24mA. The LED drivers are suitable for both discrete LEDs and CA numeric and alphanumeric LED digits.Each port configured as a GPIO can be either a push-pull logic output capable of sinking 10mA and sourcing 4.5mA, or a Schmitt logic input with optional internal pullup. Seven ports feature configurable transition detection logic, which generates an interrupt upon change of port logic level. The MAX6957 is controlled through an SPI-compatible 4-wire serial interface.The MAX6957AAX and MAX6957ATL have 28 ports and are available in 36-pin SSOP and 40-pin TQFN (6mm x 6mm) packages, respectively. The MAX6957AAI and MAX6957ANI have 20 ports and are available in 28-pin SSOP and 28-pin DIP packages, respectively.For a 2-wire interfaced version, refer to the MAX6956 data sheet.For a lower cost pin-compatible port expander without the constant-current LED drive capability, refer to the MAX7301 data sheet.ApplicationsBar Graph DisplaysIndustrial ControllersPanel MetersSet-Top BoxesSystem MonitoringWhite Goods |
| Display Drivers | 7 | Active | ||
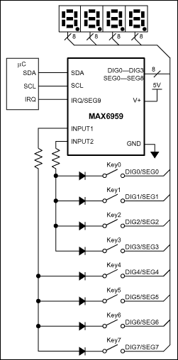
MAX69592-Wire Interfaced, 3V to 5.5V, 4-Digit, 9-Segment LED Display Drivers with Keyscan | Integrated Circuits (ICs) | 7 | Active | The MAX6958/MAX6959 compact multiplexed common- cathode display drivers interface microprocessors to seven-segment numeric LED digits, or discrete LEDs through an SMBus™- and I²C-compatible 2-wire serial interface. The 2-wire serial interface uses fixed 0.8V/2.1V logic thresholds for compatibility with 2.5V and 3.3V systems when the display driver is powered from a 5V supply.The MAX6958/MAX6959 drive up to four 7-segment digits, with decimal points, plus four discrete LEDs, or four 7-segment digits and eight discrete LEDs if the digits' decimal points are not used, or up to 36 discrete LEDs. The MAX6959 also includes two input ports, one or both of which may be configured as a key-switch reader, which automatically scans and debounces a matrix of up to eight switches. Key-switch status is obtained by polling internal status registers or by configuring the MAX6959 interrupt output.Other on-chip features include a hexadecimal font for seven-segment displays, multiplex scan circuitry, anode and cathode drivers, and static RAM that stores each digit. The peak segment current for the display digits is set internally to 23mA. Display intensity is adjusted using a 64-step internal digital brightness control. The MAX6958/MAX6959 include a low-power shutdown mode, a scan-limit register that allows the user to display from one to four digits, and a test mode, which forces all LEDs on. The LED drivers are slew-rate-limited to reduce EMI.The MAX6958/MAX6959 are available in 16-pin PDIP and QSOP packages and are fully specified over the -40°C to +125°C automotive temperature range.ApplicationsAudio/Video EquipmentIndustrial ControlsPanel MetersSet-Top BoxesVending MachineWhite Goods |
| Supervisors | 9 | Active | ||
| Development Boards, Kits, Programmers | 4 | Active | ||