AD4052Compact, Low Power, 16-Bit, 2 MSPS/500 kSPS Easy Drive SAR ADC | Analog to Digital Converters (ADC) | 3 | Active | The AD4052/AD4058 areversatile, 16-bit, successive approximation register (SAR) analog-to-digital converter (ADC) that enables low-power, high-density data acquisition solutions without sacrificing precision. This ADC offers a unique balance of performance and power efficiency, plus innovative features for seamlessly switching between high-resolution and low-power modes tailored to the immediate needs of the system. The AD4052/AD4058 are ideal for battery-powered, compact data acquisition and edge sensing applications.The Easy Drive features enable highly efficient analog front end (AFE) designs. The small sampling capacitors (3.4 pF) maximize input impedance, thus reducing the dependence on high-bandwidth, power-hungry amplifiers typically required by SAR ADCs. The wide input common-mode range grants inherent support for both differential and single-ended signals.The AD4052/AD4058 support microcontrollers with power-down modes and interrupt-driven firmware. The autonomous modes enable out-of- range event detection while the digital host sleeps. The averaging modes deliver on-demand, high-resolution measurements while offloading computations from the host processor. The self-timed device enable signal (DEV_EN) synchronizes AFE device power cycling to the ADC sampling instant, optimizing system power consumption while minimizing power-up settling error artifacts. The AD4052/AD4058 also supports power cycling the voltage reference and using the supply as the ADC reference voltage (VREF) for additional power savings.Device configuration and ADC data readback are supported via a robust, 4-wire serial peripheral interface (SPI) with cyclic redundancy check (CRC) supported for all data transfers. The AD4052/AD4058 are available in compact LFCSP and WLCSP packages and operates across a wide temperature range, making it ideal for a diverse set of applications.APPLICATIONSBattery-powered data acquisitionVital signs monitoringBiological and chemical analysisGeologic and seismic sensingMotion and robotics |
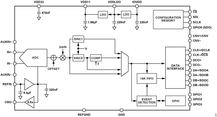
AD408020-Bit, 40 MSPS, Differential SAR ADC | Evaluation Boards | 4 | Active | The AD4080 is a high-speed, low noise, low distortion, 20-bit, Easy Drive, successive approximation register (SAR) analog-to-digital converter (ADC). Maintaining high performance (signal-to-noise and distortion (SINAD) ratio > 90 dBFS) at signal frequencies in excess of 1 MHz enables the AD4080 to service a wide variety of precision, wide bandwidth data acquisition applications. Simplification of the input anti-alias filter design can be accomplished by applying oversampling along with the integrated digital filtering and decimation to reduce noise and lower the output data rate for applications that do not require the lowest latency of the AD4080.The AD4080 Easy Drive features reduce both signal chain complexity and power consumption while enabling greater channel density and flexibility in companion component selection. The product input structure was designed to minimize any input dependent signal currents; therefore, reducing any converter induced settling artifacts. The continuous acquisition architecture allows settling across the entire conversion cycle, easing ADC driver settling and bandwidth requirements as compared to other high-speed data converters.The AD4080 includes several elements that simplify data converter integration: a low drift reference buffer, low dropout (LDO) regulators to generate ADC core and digital interface supply rails, and a 16K result data first-in first out (FIFO) that can greatly reduce the load on the digital host. Additionally, critical supply and reference decoupling capacitors are integrated in the package to ensure optimum performance, simplify printed circuit board (PCB) layout, and reduce the overall solution footprint.APPLICATIONSDigital imagingCell analysisSpectroscopyAutomated test equipmentHigh speed data acquisitionDigital control loops, hardware in the loopPower quality analysisSource measurement unitsElectron and x-ray microscopyRadar level measurementNondestructive testPredictive maintenance and structural health |
AD4110Universal Input Analog Front End with 24-Bit ADC for Industrial Process Control Systems | Data Acquisition | 4 | Active | The AD4110-1 is a complete, single-channel, universal input analog-to-digital front end for industrial process control systems where sensor type flexibility is required.The high voltage input is fully software configurable for current or voltage signals and allows direct interface to all standard industrial analog signal sources such as ±20 mA, ±4 mA to ±20 mA, ±10 V, and all thermocouple types. Field power can be supplied for loop powered current output sensors. A range of excitation current sources for resistance temperature detector (RTD) sensors and other resistive sensors are included. The integrated, fully differential programmable gain amplifier (PGA) offers 16 gain settings from 0.2 to 24.The high voltage input can be programmed to power up in either voltage mode or current mode. When programmed to current mode, the unique input circuit architecture provides a path for the loop current, even in the absence of the system module power supply.The AD4110-1 provides internal, front-end diagnostic functions to indicate overvoltage, undervoltage, open wire, overcurrent, and overtemperature conditions. The high voltage input is thermally protected, overcurrent limited, and overvoltage protected.The AD4110-1 incorporates a precision 24-bit, Σ-Δ, analog-todigital converter (ADC) offering conversion rates from 5 SPS to 125 kSPS with simultaneous 50 Hz and 60 Hz noise rejection.ApplicationsProcess control and industrial automationRemote and distributed control systemsInstrumentation and measurementSensor and data acquisition |
AD4111Single Supply, 24-Bit, Sigma-Delta ADC with ±10 V and 0 mA to 20 mA Inputs, Open Wire Detection | Data Acquisition | 2 | Active | The AD4111 is a low power, low noise, 24-bit, sigma-delta (Σ-Δ) analog-to-digital converter (ADC) that integrates an analog front end (AFE) for fully differential or single-ended, high impedance (≥1 MΩ) bipolar, ±10 V voltage inputs, and 0 mA to 20 mA current inputs.The AD4111 also integrates key analog and digital signal conditioning blocks to configure eight individual setups for each analog input channel in use. The AD4111 features a maximum channel scan rate of 6.21 kSPS (161 µs) for fully settled data.The embedded 2.5 V, low drift (5 ppm/°C), band gap internal reference (with output reference buffer) reduces the external component count.The digital filter allows flexible settings, including simultaneous 50 Hz and 60 Hz rejection at a 27.27 SPS output data rate. The user can select between the different filter settings depending on the demands of each channel in the application. The automatic channel sequencer enables the ADC to switch through each enabled channel.The precision performance of the AD4111 is achieved by integrating the proprietaryiPassives™technology from Analog Devices, Inc. The AD4111 is factory calibrated to achieve a high degree of specified accuracy.The AD4111 also has the unique feature of open wire detection on the voltage inputs for system level diagnostics using a single 5 V or 3.3 V power supply.The AD4111 operates with a single power supply, making it easy to use in galvanically isolated applications. The specified operating temperature range is −40°C to +105°C. The AD4111 is housed in a 40-lead, 6 mm × 6 mm LFCSP package.APPLICATIONSProcess controlPLC and DCS modulesInstrumentation and measuremen |
| Data Acquisition | 2 | Active | |
AD4114Single Supply, Multichannel, 31.25 kSPS, 24-Bit, Sigma-Delta ADC with ±10 V Inputs | Development Boards, Kits, Programmers | 3 | Active | The AD4114 is a low power, low noise, 24-bit, sigma-delta (Σ-Δ) analog-to-digital converter (ADC) that integrates an analog front end (AFE) for eight fully differential or 16 single-ended, high impedance (≥1 MΩ), bipolar, ±10 V voltage inputs.The AD4114 integrates key analog and digital signal conditioning blocks to configure eight individual setups for each analog input channel in use. The AD4114 features a maximum channel scan rate of 6.21 kSPS (161 μs) for fully settled data.The embedded 2.5 V, low drift (±5 ppm/°C), band gap internal reference (with output reference buffer) reduces the external component count.The digital filter allows flexible settings, including simultaneous 50 Hz and 60 Hz rejection at a 27.27 SPS output data rate. The user can select different filter settings depending on the requirements of each channel in the application. The automatic channel sequencer enables the ADC to switch through each enabled channel.The precision performance of the AD4114 is achieved by integrating the proprietary iPassives®technology from Analog Devices, Inc. The AD4114 is factory calibrated to achieve a high degree of specified accuracy.The AD4114 operates with a single power supply that allows simplified use in galvanically isolated applications. The specified operating temperature range is −40°C to +105°C. The AD4114 is housed in a 40-lead, 6 mm × 6 mm LFCSP.ApplicationsProgrammable logic controller (PLC) and distributed control system (DCS) modulesInstrumentation and measurement |
AD4115Single-Supply, Multichannel, 125 kSPS, 24-Bit, Sigma-Delta ADC with ±10 V Inputs | Integrated Circuits (ICs) | 2 | Active | The AD4115 is a low power, low noise, 24-bit, sigma-delta (Σ-Δ) analog-to-digital converter (ADC) that integrates an analog front end (AFE) for eight fully differential or 16 single-ended, high impedance (≥1 MΩ), bipolar, ±10 V voltage inputs.The AD4115 integrates key analog and digital signal conditioning blocks to configure eight individual setups for each analog input channel in use. The AD4115 features a maximum channel scan rate of 24,845 kSPS (40.25 µs) for fully settled data.The embedded 2.5 V, low drift (±5 ppm/°C), band gap internal reference (with output reference buffer) reduces the external component count.The digital filter allows flexible settings, including simultaneous 50 Hz and 60 Hz rejection at a 27.27 SPS output data rate. The user can select different filter settings depending on the requirements of each channel in the application. The automatic channel sequencer enables the ADC to switch through each enabled channel.The precision performance of the AD4115 is achieved by integrating the proprietary iPassives®technology from Analog Devices, Inc. The AD4115 is factory calibrated to achieve a high degree of specified accuracy.The AD4115 operates with a single power supply that allows simplified use in galvanically isolated applications. The specified operating temperature range is −40°C to +105°C. The AD4115 is housed in a 40-lead, 6 mm × 6 mm LFCSP.APPLICATIONSProcess controlProgrammable logic controller (PLC) and distributed control system (DCS) modulesInstrumentation and measurement |
AD4116Single Supply, 24-Bit, Sigma-Delta ADC with ±10 V, 10 MΩ Inputs and Buffered Low Level Inputs | Data Acquisition | 2 | Active | The AD4116 is a low power, low noise, 24-bit, Σ-Δ analog-to-digital converter (ADC) that integrates an analog front end (AFE) for six fully differential or eleven single-ended, high impedance (≥10 MΩ) bipolar, ±10 V voltage inputs. The additional two differential or four single-ended/pseudo differential direct ADC inputs provides excellent performance at lower input ranges.The AD4116 also integrates key analog and digital signal conditioning blocks to configure eight individual setups for each analog input channel in use. As many as 16 channels can be enabled at any time. A channel is defined as any of the standard analog voltage inputs or a low level direct ADC input. The AD4116 features a maximum channel scan rate of 12,422 SPS (80 μs) using a sinc5 + sinc1 filter and 20,618 SPS per channel (48 μs) using a sinc3 filter.The embedded 2.5 V, low drift (5 ppm/°C), band gap internal reference (with output reference buffer) reduces the external component count.The digital filter allows flexible settings, including simultaneous 50 Hz and 60 Hz rejection at a 27.27 SPS output data rate. The user can select between the different filter settings depending on the demands of each channel in the application. The automatic channel sequencer enables the ADC to switch through each enabled channel.The precision performance of the AD4116 is achieved by integrating the proprietaryiPassives®technology from Analog Devices, Inc.The AD4116 operates with a single power supply, making it easy to use in galvanically isolated applications. The specified operating temperature range is −40°C to +105°C. The AD4116 is housed in a 40-lead, 6 mm × 6 mm LFCSP.APPLICATIONSProcess controlPLC and DCS modulesInstrumentation and measurement |
AD4129-432 μA, Ultra-Low Power, 16-Bit Sigma-Delta ADC with Integrated PGA and FIFO | Integrated Circuits (ICs) | 1 | Active | The AD4129-4 is an ultra-low power, high precision, and measurement solution for low bandwidth battery-operated applications. The fully integrated analog front end (AFE) includes a multiplexer for up to 8 single-ended or 4 differential inputs, programmable gain amplifier (PGA), 16-bit sigma-delta (Σ-Δ) analog-to-digital converter (ADC), on-chip reference and oscillator, selectable filter options, smart sequencer, sensor biasing and excitation options, diagnostics, and newly added features to improve the battery-operated lifetime (more than 5 years on a coin cell), that is, a first in, first out (FIFO) buffer and duty cycling.The AD4129-4 allows users to measure low-frequency signals with a current consumption of 28.5 μA (gain = 1) and 32.5 μA (gain = 128) while continuously converting, and even lower average currents when using one of the duty cycling options. The AD4129-4 can be configured to have 4 differential inputs or 8 single-ended or pseudodifferential inputs, which connect to a crosspoint multiplexer, where any input pair can become a measurement channel input to the PGA and ADC.The AD4129-4 is designed to allow the user to operate from a single analog supply voltage from 1.71 V to 3.6 V. In battery applications, operation as low as 1.71 V can extend the system lifetime as the AFE can continue its operation, even as the battery voltage dissipates. The digital supply can be separate and range from 1.65 V to 3.6 V.Together with the reduced current consumption, the integration of an on-chip FIFO buffer can be used in tandem with the smart sequencer, to enable the AD4129-4 to become an autonomous measurement system, which allows the microcontroller to sleep for extended periods.Intelligent interrupt functionality gives the user a greater confidence in both error detection and safety. The user can enable an interrupt signal to trigger when the samples in the FIFO reach a predefined value or when a user-programmable threshold is exceeded.The following key analog functions are offered on the AD4129-4 to allow simple and effective connection to transducers used for measuring temperature, load, and pressure:PGA. Due to the programmable gain (from 1 to 128) and the high input impedance with low input current, the PGA allows direct interfacing to transducers with low output amplitudes such as resistive bridges, thermocouples, and resistance temperature detectors (RTDs).The capacitive PGA allows full common-mode input range, giving designers greater margin for widely varying input common modes. A wider common-mode input range improves the overall resolution and is highly effective in ratio metric measurements.Low drift precision current sources. The IEXC0 and IEXC1 current sources can be used to excite 2‑, 3‑, and 4‑wire RTDs. Excitation current output options include 100 nA, 10 μA, 20 μA, 50 μA, 100 μA, 150 μA, and 200 μA.The low-side power switch (PDSW) can be used to power down bridge sensors between conversions. The PDSW can be controlled within the sequencer on a per channel basis, allowing optimum timing and energy savings in the overall system. The PDSW can also allow higher powered analog sensors to be used in a low power system.Voltage bias for thermocouples (the VBIAS source sets the common-mode voltage of a channel to AVDD/2).The smart sequencer allows the conversion of each enabled preconfigured channel in a predetermined order, allowing a mix of transducer, system checks, and diagnostic measurements to be interleaved. The sequencer eliminates the need for repetitive serial interface communication with the device. Sixteen channels can be configured in the sequence, each of them selecting from eight predefined ADC setups that allow selection of gain, filter type, output data rate, buffering, timing, and reference source.High levels of integrated front-end functionality, coupled with small package options, allow smaller end solutions. For example, the AD4129-4 integrates a low thermal drift band gap reference in addition to accepting an external differential reference, which can be internally buffered.In safety critical applications, the AD4129-4 includes diagnostic functionality such as open-wire detection through burnout currents, internal temperature sensor, reference detection, and analog input overvoltage and undervoltage detection. Added diagnostics are included on the digital interface such as cyclic redundancy check (CRC) and serial interface checks for a robust communication link.APPLICATIONSSmart transmittersWireless battery and harvester powered sensor nodesPortable instrumentationTemperature measurement: thermocouple, RTD, thermistorsPressure measurement: bridge transducersHealthcare and wearables |
AD4129-832 μA, Ultra Low Power, 16-Bit Sigma-Delta ADC with Integrated PGA and FIFO | Analog to Digital Converters (ADC) | 1 | Active | The AD4129-8 is an ultra-low power, high precision, measurement solution for low bandwidth battery operated applications. The fully integrated analog front end (AFE) includes a multiplexer for up to 16 single-ended or eight differential inputs, programmable gain amplifier (PGA), 16-bit sigma-delta (Σ-Δ) analog-to-digital converter (ADC), on-chip reference and oscillator, selectable filter options, smart sequencer, sensor biasing and excitation options, diagnostics, and newly added features to improve the battery-operated lifetime (more than five years on a coin cell), i.e., a first in, first out (FIFO) buffer and duty cycling.The AD4129-8 allows to measure low frequency signals with a current consumption of 28.5 μA (gain = 1) and 32.5 μA (gain = 128) while continuously converting, and even lower average currents when using one of the duty cycling options. Configure the AD4129-8 to have eight differential inputs or 16 single-ended or pseudodifferential inputs, which connect to a crosspoint multiplexer, where any input pair can become a measurement channel input to the PGA and ADC.The AD4129-8 is designed to operate from a single analog supply voltage from 1.71 V to 3.6 V. In battery applications, operation as low as 1.71 V can extend the system lifetime as the AFE can continue its operation, even as the battery voltage dissipates. The digital supply can be separate and range from 1.65 V to 3.6 V. Together with the reduced current consumption, use the integration of an on-chip FIFO buffer in tandem with the smart sequencer, to enable the AD4129-8 to become an autonomous measurement system, which allows the microcontroller to sleep for extended periods.Intelligent interrupt functionality gives greater confidence in both error detection and safety. Enable an interrupt signal to trigger when the samples in the FIFO reach a predefined value or when a user programmable threshold is exceeded.The AD4129-8 offers the following key analog functions to allow simple and effective connection to transducers used for measuring temperature, load, and pressure:PGA. Due to the programmable gain (from 1 to 128) and the high input impedance with low input current, the PGA allows direct interfacing to transducers with low output amplitudes like resistive bridges, thermocouples, and resistance temperature detectors (RTDs).The capacitive PGA allows full common-mode input range, giving designers greater margin to widely vary input common modes. A wider common-mode input range improves the overall resolution and is highly effective in ratiometric measurements.Low drift precision current sources. Use the IEXC0 and IEXC1 current source to excite 2‑, 3‑, and 4‑wire RTDs. Excitation current output options include 100 nA, 10 μA, 20 μA, 50 μA, 100 μA, 150 μA, and 200 μA.Use the low-side power switch (PDSW) to power down bridge sensors between conversions. Control the PDSW within the sequencer on a per channel basis, allowing optimum timing and energy savings in the overall system. The PDSW can also allow higher powered analog sensors to be used in a low power system.Voltage bias for thermocouples (the VBIASsource sets the common-mode voltage of a channel to AVDD/2).The smart sequencer allows the conversion of each enabledpreconfigured channel in a predetermined order, allowing a mix of transducer, system checks, and diagnostic measurements to be interleaved. The sequencer eliminates the need for repetitive serial interface communication with the device. Configure sixteen channels in the sequence, each of them selecting from eight predefined ADC setups that allow the selection of gain, filter type, output data rate, buffering, timing, and reference source. High levels of integrated front-end functionality coupled with small package options allow smaller end solutions. For example, the AD4129-8 integrates a low thermal drift band gap reference in addition to accepting an external differential reference, which can be internally buffered.In safety critical applications, the AD4129-8 includes diagnostic functionality such as open wire detection through burnout currents, internal temperature sensor, reference detection, and analog input overvoltage and undervoltage detection. The digital interface has added diagnostics like cyclic redundancy check (CRC) and serial interface checks for a robust communication link.APPLICATIONSSmart transmittersWireless battery and harvester powered sensor nodesPortable instrumentationTemperature measurement: thermocouple, RTD, thermistorsPressure measurement: bridge transducersHealthcare and wearables |