A
Analog Devices Inc./Maxim Integrated
| Series | Category | # Parts | Status | Description |
|---|---|---|---|---|
| Part | Spec A | Spec B | Spec C | Spec D | Description |
|---|---|---|---|---|---|
| Series | Category | # Parts | Status | Description |
|---|---|---|---|---|
| Part | Spec A | Spec B | Spec C | Spec D | Description |
|---|---|---|---|---|---|
| Series | Category | # Parts | Status | Description |
|---|---|---|---|---|
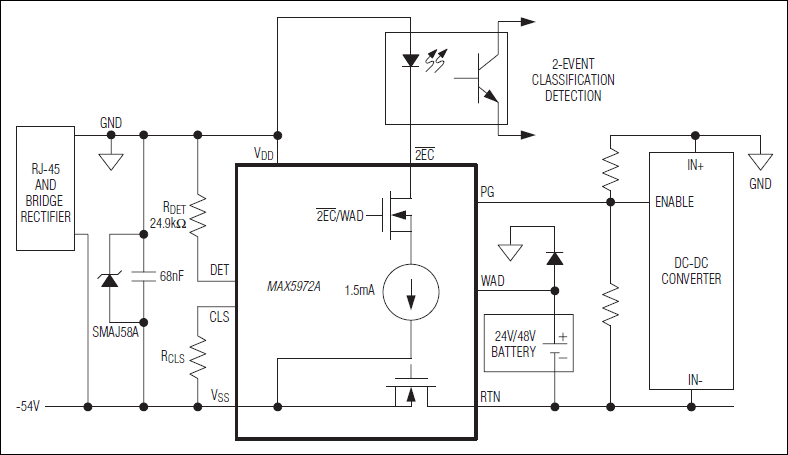
MAX5969BIEEE 802.3af/at-Compliant, Powered Device Interface Controllers with Integrated Power MOSFET | Power Over Ethernet (PoE) Controllers | 1 | Unknown | The MAX5969A/MAX5969B provide a complete interface for a powered device (PD) to comply with the IEEE® 802.3af/at standard in a power-over-Ethernet (PoE) system. The MAX5969A/MAX5969B provide the PD with a detection signature, classification signature, and an integrated isolation power switch with inrush current control. During the inrush period, the MAX5969A/MAX5969B limit the current to less than 180mA before switching to the higher current limit (720mA to 880mA) when the isolation power MOSFET is fully enhanced. The devices feature an input UVLO with wide hysteresis and long deglitch time to compensate for twisted-pair cable resistive drop and to assure glitch-free transition during power-on/-off conditions. The MAX5969A/MAX5969B can withstand up to 100V at the input.The MAX5969A/MAX5969B support a 2-event classification method as specified in the IEEE 802.3at standard and provide a signal to indicate when probed by Type 2 power-sourcing equipment (PSE). The devices detect the presence of a wall adapter power-source connection and allow a smooth switchover from the PoE power source to the wall power adapter.The MAX5969A/MAX5969B also provide a power-good (PG) signal, two-step current limit and foldback, overtemperature protection, and di/dt limit.The MAX5969A/MAX5969B are available in a space-saving, 10-pin, 3mm × 3mm, TDFN power package. These devices are rated over the -40°C to +85°C extended temperature range.ApplicationsIEEE 802.3af/at Powered DevicesIP Phones, Wireless Access Nodes, IP Security CamerasWiMAX™ Base Station |
MAX5969CIEEE 802.3af/at-Compliant, Powered Device Interface Controllers with Integrated Power MOSFET | Integrated Circuits (ICs) | 2 | Unknown | The MAX5969C/MAX5969E provide a complete interface for a powered device (PD) to comply with the IEEE® 802.3af/at standard in a power-over-Ethernet (PoE) system. The MAX5969C/MAX5969E provide the PD with a detection signature, classification signature, and an integrated isolation power switch with inrush current control. During the inrush period, the MAX5969C/MAX5969E limit the current to less than 180mA before switching to the higher current limit (720mA to 880mA) when the isolation power MOSFET is fully enhanced. The devices feature an input UVLO with wide hysteresis and long deglitch time to compensate for twisted-pair cable resistive drop and to assure glitch-free transition during power-on/-off conditions. The MAX5969C/MAX5969E can withstand up to 100V at the input.The MAX5969C/MAX5969E support a 2-Event classification method as specified in the IEEE 802.3at standard and provide a signal to indicate when probed by a Type 2 power sourcing equipment (PSE). The devices detect the presence of a wall adapter power source connection and allow a smooth switch over from the PoE power source to the wall power adaptor.The MAX5969C/MAX5969E also provide a power-good (PG) signal, two-step current limit and foldback, over-temperature protection, and di/dt limit. A sleep mode feature in the MAX5969C/MAX5969E provides low power consumption while supporting Maintain Power Signature (MPS). A green sleep mode feature in the MAX5969C/MAX5969E further reduces power consumption to comply with green power requirements while still supporting MPS. The MAX5969C/MAX5969E also feature an LED driver that is automatically activated during sleep mode or manually activated during normal operation. During sleep mode, the LED driver sources a periodic current (ILED) at 250Hz (MAX5969C) or 15.625kHz (MAX5969E).The MAX5969C/MAX5969E are available in a 16-pin, 5mm x 5mm TQFN power package. These devices are rated over the -40°C to +85°C extended temperature range.ApplicationsCamerasIEEE 802.3af/at Powered DevicesIP Phones, Wireless Access Nodes, IP SecurityWiMAX™ Base Stations |
| Evaluation Boards | 1 | Obsolete | ||
| Evaluation Boards | 3 | Active | ||
MAX5971Single-Port, 40W, IEEE 802.3af/at PSE Controller with Integrated MOSFET | Power Management (PMIC) | 6 | Active | The MAX5971B is a single-port power controller designed for use in IEEE®802.3af/at-compliant power-sourcing equipment (PSE). This device provides powered device (PD) discovery, classification, current limit, and DC and AC load-disconnect detections. The MAX5971B supports both fully automatic operation and software programmability, and features an integrated power MOSFET and sense resistor. The device supports detection and classification operation from a single 54V supply. In addition, it supports 2-event classification and new Class 5 classification of high-power PDs. The MAX5971B provides up to 40W to a single port (Class 5 enabled) and still provides high-capacitance detection for legacy PDs.The device provides four operating modes to suit different system requirements. By default, auto mode allows the device to operate automatically at its default settings without any software. Semi-automatic mode automatically detects and classifies a device connected to the port after initial software activation, but does not power the port until instructed to by software. Manual mode allows total software control of the device and is useful for system diagnostics. Shutdown mode terminates all port activities and securely turns off power to the port.The IC features an I2C-compatible, 2-wire serial interface, and is fully software-configurable and programmable. The device provides instantaneous readout of port current through the I2C interface. The device’s extensive programmability enhances system flexibility, enables field diagnosis and allows for uses in other, non-standard applications.The device provides input undervoltage lockout (UVLO), input undervoltage detection, input overvoltage lockout, overtemperature protection, output voltage slew-rate limit during startup, and LED status indication. The MAX5971B programmability includes startup timeout, overcurrent timeout, and load-disconnect detection timeout.The device is available in a space-saving, 28-pin TQFN (5mm x 5mm) power package and is rated for the extended (-40°C to +85°C) temperature range.ApplicationsSingle-Port PSE End-Point ApplicationsSingle-Port PSE Power Injectors (Midspan Applications)Switches/Routers |
| Power Over Ethernet (PoE) Controllers | 4 | Active | ||
| Power Supply Controllers, Monitors | 2 | Obsolete | ||
MAX5974Active-Clamped, Spread-Spectrum, Current-Mode PWM Controllers | Development Boards, Kits, Programmers | 18 | Active | The MAX5974_ provide control for wide-input-voltage, active-clamped, current-mode PWM, forward converters in Power-over-Ethernet (PoE) powered device (PD) applications. The MAX5974A/MAX5974C are well-suited for universal or telecom input range, while the MAX5974B/MAX5974D also accommodate low input voltage down to 10.5V.The devices include several features to enhance supply efficiency. The AUX driver recycles magnetizing current instead of wasting it in a dissipative clamp circuit. Programmable dead time between the AUX and main driver allows for zero-voltage switching (ZVS). Under light-load conditions, the devices reduce the switching frequency (frequency foldback) to reduce switching losses.The MAX5974A/MAX5974B feature unique circuitry to achieve output regulation without using an optocoupler, while the MAX5974C/MAX5974D utilize the traditional optocoupler feedback method. An internal error amplifier with a 1% reference is very useful in nonisolated design, eliminating the need for an external shunt regulator.The devices feature a unique feed-forward maximum duty-cycle clamp that makes the maximum clamp voltage during transient conditions independent of the line voltage, allowing the use of a power MOSFET with lower breakdown voltage. The programmable frequency dithering feature provides low-EMI, spread-spectrum operation.The MAX5974_ are available in 16-pin TQFN-EP packages and are rated for operation over the -40°C to +85°C and -40°C to +125°C temperature ranges.ApplicationsActive-Clamped Forward DC-DC ConvertersHigh-Power PD (Beyond the 802.3af/at Standard)IP PhonesPoE IEEE® 802.3af/at Powered DevicesSecurity CamerasWireless Access Nodes |
MAX5974BActive-Clamped, Spread-Spectrum, Current-Mode PWM Controllers | Integrated Circuits (ICs) | 2 | Active | The MAX5974_ provide control for wide-input-voltage, active-clamped, current-mode PWM, forward converters in Power-over-Ethernet (PoE) powered device (PD) applications. The MAX5974A/MAX5974C are well-suited for universal or telecom input range, while the MAX5974B/MAX5974D also accommodate low input voltage down to 10.5V.The devices include several features to enhance supply efficiency. The AUX driver recycles magnetizing current instead of wasting it in a dissipative clamp circuit. Programmable dead time between the AUX and main driver allows for zero-voltage switching (ZVS). Under light-load conditions, the devices reduce the switching frequency (frequency foldback) to reduce switching losses.The MAX5974A/MAX5974B feature unique circuitry to achieve output regulation without using an optocoupler, while the MAX5974C/MAX5974D utilize the traditional optocoupler feedback method. An internal error amplifier with a 1% reference is very useful in nonisolated design, eliminating the need for an external shunt regulator.The devices feature a unique feed-forward maximum duty-cycle clamp that makes the maximum clamp voltage during transient conditions independent of the line voltage, allowing the use of a power MOSFET with lower breakdown voltage. The programmable frequency dithering feature provides low-EMI, spread-spectrum operation.The MAX5974_ are available in 16-pin TQFN-EP packages and are rated for operation over the -40°C to +85°C and -40°C to +125°C temperature ranges.ApplicationsActive-Clamped Forward DC-DC ConvertersHigh-Power PD (Beyond the 802.3af/at Standard)IP PhonesPoE IEEE® 802.3af/at Powered DevicesSecurity CamerasWireless Access Nodes |
MAX5974CActive-Clamped, Spread-Spectrum, Current-Mode PWM Controllers | Power Management (PMIC) | 1 | Unknown | The MAX5974_ provide control for wide-input-voltage, active-clamped, current-mode PWM, forward converters in Power-over-Ethernet (PoE) powered device (PD) applications. The MAX5974A/MAX5974C are well-suited for universal or telecom input range, while the MAX5974B/MAX5974D also accommodate low input voltage down to 10.5V.The devices include several features to enhance supply efficiency. The AUX driver recycles magnetizing current instead of wasting it in a dissipative clamp circuit. Programmable dead time between the AUX and main driver allows for zero-voltage switching (ZVS). Under light-load conditions, the devices reduce the switching frequency (frequency foldback) to reduce switching losses.The MAX5974A/MAX5974B feature unique circuitry to achieve output regulation without using an optocoupler, while the MAX5974C/MAX5974D utilize the traditional optocoupler feedback method. An internal error amplifier with a 1% reference is very useful in nonisolated design, eliminating the need for an external shunt regulator.The devices feature a unique feed-forward maximum duty-cycle clamp that makes the maximum clamp voltage during transient conditions independent of the line voltage, allowing the use of a power MOSFET with lower breakdown voltage. The programmable frequency dithering feature provides low-EMI, spread-spectrum operation.The MAX5974_ are available in 16-pin TQFN-EP packages and are rated for operation over the -40°C to +85°C and -40°C to +125°C temperature ranges.ApplicationsActive-Clamped Forward DC-DC ConvertersHigh-Power PD (Beyond the 802.3af/at Standard)IP PhonesPoE IEEE® 802.3af/at Powered DevicesSecurity CamerasWireless Access Nodes |
| Part | Category | Description |
|---|---|---|
Analog Devices Inc./Maxim Integrated LTC1879EGN#TRUnknown | Integrated Circuits (ICs) | IC REG BUCK ADJ 1.2A 16SSOP |
Analog Devices Inc./Maxim Integrated LTC2208CUP#TRUnknown | Integrated Circuits (ICs) | IC ADC 16BIT 130MSPS 64-QFN |
Analog Devices Inc./Maxim Integrated ADP2108ACBZ-1.1-R7Obsolete | Integrated Circuits (ICs) | IC REG BUCK 1.1V 600MA 5WLCSP |
Analog Devices Inc./Maxim Integrated EV1HMC832ALP6GObsolete | Development Boards Kits Programmers | EVAL BOARD FOR HMC832ALP6GE |
Analog Devices Inc./Maxim Integrated LTC488ISWUnknown | Integrated Circuits (ICs) | IC LINE RCVR RS485 QUAD 16-SOIC |
Analog Devices Inc./Maxim Integrated LTC6946IUFD-2Obsolete | Integrated Circuits (ICs) | IC CLK/FREQ SYNTH 28QFN |
Analog Devices Inc./Maxim Integrated MAX5556ESA+TObsolete | Integrated Circuits (ICs) | IC DAC/AUDIO 16BIT 50K 8SOIC |
Analog Devices Inc./Maxim Integrated EVAL-FLTR-LD-1RZUnknown | Unclassified | EVAL BRD FOR AD800 SERIES |
Analog Devices Inc./Maxim Integrated | Development Boards Kits Programmers | BOARD EVAL FOR AD9963 |
Analog Devices Inc./Maxim Integrated LTC1296CCSW#TRUnknown | Integrated Circuits (ICs) | IC DATA ACQ SYS 12BIT 5V 20SOIC |