A
Analog Devices Inc./Maxim Integrated
| Series | Category | # Parts | Status | Description |
|---|---|---|---|---|
| Part | Spec A | Spec B | Spec C | Spec D | Description |
|---|---|---|---|---|---|
| Series | Category | # Parts | Status | Description |
|---|---|---|---|---|
| Part | Spec A | Spec B | Spec C | Spec D | Description |
|---|---|---|---|---|---|
| Part | Category | Description |
|---|---|---|
Analog Devices Inc./Maxim Integrated LTC1879EGN#TRUnknown | Integrated Circuits (ICs) | IC REG BUCK ADJ 1.2A 16SSOP |
Analog Devices Inc./Maxim Integrated LTC2208CUP#TRUnknown | Integrated Circuits (ICs) | IC ADC 16BIT 130MSPS 64-QFN |
Analog Devices Inc./Maxim Integrated ADP2108ACBZ-1.1-R7Obsolete | Integrated Circuits (ICs) | IC REG BUCK 1.1V 600MA 5WLCSP |
Analog Devices Inc./Maxim Integrated EV1HMC832ALP6GObsolete | Development Boards Kits Programmers | EVAL BOARD FOR HMC832ALP6GE |
Analog Devices Inc./Maxim Integrated LTC488ISWUnknown | Integrated Circuits (ICs) | IC LINE RCVR RS485 QUAD 16-SOIC |
Analog Devices Inc./Maxim Integrated LTC6946IUFD-2Obsolete | Integrated Circuits (ICs) | IC CLK/FREQ SYNTH 28QFN |
Analog Devices Inc./Maxim Integrated MAX5556ESA+TObsolete | Integrated Circuits (ICs) | IC DAC/AUDIO 16BIT 50K 8SOIC |
Analog Devices Inc./Maxim Integrated EVAL-FLTR-LD-1RZUnknown | Unclassified | EVAL BRD FOR AD800 SERIES |
Analog Devices Inc./Maxim Integrated | Development Boards Kits Programmers | BOARD EVAL FOR AD9963 |
Analog Devices Inc./Maxim Integrated LTC1296CCSW#TRUnknown | Integrated Circuits (ICs) | IC DATA ACQ SYS 12BIT 5V 20SOIC |
| Series | Category | # Parts | Status | Description |
|---|---|---|---|---|
MAX5982AIEEE 802.3af/at-Compliant, Powered Device Interface Controllers with Integrated 70W High-Power MOSFET | Power Management (PMIC) | 2 | Active | The MAX5982A/MAX5982B/MAX5982C provide a complete interface for a powered device (PD) to comply with the IEEE® 802.3af/at standard in a power-over-Ethernet (PoE) system. The MAX5982A/MAX5982B/MAX5982C provide the PD with a detection signature, classification signature, and an integrated isolation power switch with inrush current control. During the inrush period, the MAX5982A/MAX5982B/MAX5982C limit the current to less than 182mA before switching to the higher current limit (1700mA to 2100mA) when the isolation power MOSFET is fully enhanced. The devices feature an input UVLO with wide hysteresis and long deglitch time to compensate for twisted-pair cable resistive drop and to assure glitch-free transition during power-on/-off conditions. The MAX5982A/MAX5982/MAX5982C can withstand up to 100V at the input.The MAX5982A/MAX5982B/MAX5982C support a 2-Event classification method as specified in the IEEE 802.3at standard and provide a signal to indicate when probed by a Type 2 power sourcing equipment (PSE). The devices detect the presence of a wall adapter power source connection and allow a smooth switch over from the PoE power source to the wall power adapter.The MAX5982A/MAX5982B/MAX5982C also provide a power-good (PG) signal, two-step current limit and foldback, overtemperature protection, and di/dt limit. A sleep mode feature in the MAX5982A/MAX5982B provides low power consumption while supporting Maintain Power Signature (MPS). An ultra-low-power sleep mode feature in the MAX5982A/MAX5982B further reduces power consumption while still supporting MPS. The MAX5982A/MAX5982B also feature an LED driver that is automatically activated during sleep mode.The MAX5982A/MAX5982B/MAX5982C are available in a 16-pin, 5mm x 5mm, TQFN power package. These devices are rated over the -40°C to +125°C extended temperature range.ApplicationsIEEE 802.3af/at Powered DevicesIP Phones, Wireless Access Nodes, IP Security CamerasWiMAX™ Base Stations |
MAX5982CIEEE 802.3af/at-Compliant, Powered Device Interface Controllers with Integrated 70W High-Power MOSFET | Integrated Circuits (ICs) | 1 | Active | The MAX5982A/MAX5982B/MAX5982C provide a complete interface for a powered device (PD) to comply with the IEEE® 802.3af/at standard in a power-over-Ethernet (PoE) system. The MAX5982A/MAX5982B/MAX5982C provide the PD with a detection signature, classification signature, and an integrated isolation power switch with inrush current control. During the inrush period, the MAX5982A/MAX5982B/MAX5982C limit the current to less than 182mA before switching to the higher current limit (1700mA to 2100mA) when the isolation power MOSFET is fully enhanced. The devices feature an input UVLO with wide hysteresis and long deglitch time to compensate for twisted-pair cable resistive drop and to assure glitch-free transition during power-on/-off conditions. The MAX5982A/MAX5982/MAX5982C can withstand up to 100V at the input.The MAX5982A/MAX5982B/MAX5982C support a 2-Event classification method as specified in the IEEE 802.3at standard and provide a signal to indicate when probed by a Type 2 power sourcing equipment (PSE). The devices detect the presence of a wall adapter power source connection and allow a smooth switch over from the PoE power source to the wall power adapter.The MAX5982A/MAX5982B/MAX5982C also provide a power-good (PG) signal, two-step current limit and foldback, overtemperature protection, and di/dt limit. A sleep mode feature in the MAX5982A/MAX5982B provides low power consumption while supporting Maintain Power Signature (MPS). An ultra-low-power sleep mode feature in the MAX5982A/MAX5982B further reduces power consumption while still supporting MPS. The MAX5982A/MAX5982B also feature an LED driver that is automatically activated during sleep mode.The MAX5982A/MAX5982B/MAX5982C are available in a 16-pin, 5mm x 5mm, TQFN power package. These devices are rated over the -40°C to +125°C extended temperature range.ApplicationsIEEE 802.3af/at Powered DevicesIP Phones, Wireless Access Nodes, IP Security CamerasWiMAX™ Base Stations |
MAX5984Single-Port, 40W, IEEE 802.3af/at PSE Controller with Integrated MOSFET | Integrated Circuits (ICs) | 5 | Active | The MAX5984 is a single-port, power-sourcing equipment (PSE) power controller designed for use in IEEE® 802.3af/at-compliant PSE. This device provides powered device (PD) discovery, classification, current limit, and DC and AC load-disconnect detections. The MAX5984 operates automatically without the need for any software programming and features an integrated power MOSFET and sense resistor. The device also supports new Class 5 and 2-Event classification for detection and classification of high-power PDs. The MAX5984 provides up to 40W to a single port (Class 5 enabled) and still provides high-capacitance detection for legacy PDs.The MAX5984 provides input undervoltage lockout (UVLO), input overvoltage lockout, overtemperature detection, output voltage slew-rate limit during startup, and LED status indication.The MAX5984 is available in a space-saving, 28-pin TQFN (5mm x 5mm) power package, and is rated for the extended (-40°C to +85°C) temperature range.ApplicationsIndustrial Automation EquipmentPoE RepeatersSingle-Port PSE End-Point ApplicationsSingle-Port PSE Power Injectors (Midspan Applications)Switches/RoutersWireless LAN Access Point/WiMAX® Base Stations |
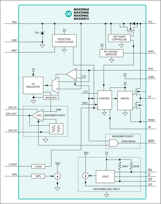
MAX5986IEEE 802.3af-Compliant, High-Efficiency, Class 1/Class 2, Powered Devices with Integrated DC-DC Converter | Evaluation Boards | 8 | Active | The MAX5986A–MAX5986C/MAX5987A provide a complete power-supply solution as IEEE®802.3af-compliant Class 1/Class 2 Powered Devices (PDs) in a Power-over-Ethernet (PoE) system. The devices integrate the PD interface with an efficient DC-DC converter, offering a low external part count PD solution. The MAX5987A includes a low-dropout regulator and the MAX5986A–MAX5986C include sleep and ultra-low power modes.The PD interface provides a detection signature and a Class 1/Class 2 classification signature with a single external resistor. The PD interface also provides an isolation power MOSFET, a 60mA (max) inrush current limit, and a 323mA operating current limit.The integrated step-down DC-DC converter uses a peak current-mode control scheme and provides an easy-to-implement architecture with a fast transient response. The step-down converter operates in a wide input voltage range from 8.7V to 60V and supports up to 6.49W of input power. The MAX5986A/MAX5986B/MAX5987A operate at a fixed 215kHz switching frequency and the MAX5986C operates at a fixed 430kHz switching frequency. The DC-DC converter operates at a fixed switching frequency, with an efficiency-boosting frequency foldback that reduces the switching frequency by half at light loads.The devices feature an input undervoltage-lockout (UVLO) with wide hysteresis and long deglitch time to compensate for twisted-pair cable resistive drop and to assure glitch-free transition during power-on/-off conditions. The devices also feature overtemperature shutdown, short-circuit protection, output overvoltage protection, and hiccup current limit for enhanced performance and reliability.The MAX5986A–MAX5986C/MAX5987A are available in a 16-pin, 5mm x 5mm, TQFN power package and operate over the -40°C to +85°C temperature range.ApplicationsIEEE 802.3af-Powered DevicesIP PhonesIP Security CamerasWiMAX® Base StationsWireless Access Nodes |
MAX5987IEEE 802.3af-Compliant, High-Efficiency, Class 1/Class 2, Powered Devices with Integrated DC-DC Converter | Evaluation and Demonstration Boards and Kits | 2 | Active | The MAX5986A–MAX5986C/MAX5987A provide a complete power-supply solution as IEEE®802.3af-compliant Class 1/Class 2 Powered Devices (PDs) in a Power-over-Ethernet (PoE) system. The devices integrate the PD interface with an efficient DC-DC converter, offering a low external part count PD solution. The MAX5987A includes a low-dropout regulator and the MAX5986A–MAX5986C include sleep and ultra-low power modes.The PD interface provides a detection signature and a Class 1/Class 2 classification signature with a single external resistor. The PD interface also provides an isolation power MOSFET, a 60mA (max) inrush current limit, and a 323mA operating current limit.The integrated step-down DC-DC converter uses a peak current-mode control scheme and provides an easy-to-implement architecture with a fast transient response. The step-down converter operates in a wide input voltage range from 8.7V to 60V and supports up to 6.49W of input power. The MAX5986A/MAX5986B/MAX5987A operate at a fixed 215kHz switching frequency and the MAX5986C operates at a fixed 430kHz switching frequency. The DC-DC converter operates at a fixed switching frequency, with an efficiency-boosting frequency foldback that reduces the switching frequency by half at light loads.The devices feature an input undervoltage-lockout (UVLO) with wide hysteresis and long deglitch time to compensate for twisted-pair cable resistive drop and to assure glitch-free transition during power-on/-off conditions. The devices also feature overtemperature shutdown, short-circuit protection, output overvoltage protection, and hiccup current limit for enhanced performance and reliability.The MAX5986A–MAX5986C/MAX5987A are available in a 16-pin, 5mm x 5mm, TQFN power package and operate over the -40°C to +85°C temperature range.ApplicationsIEEE 802.3af-Powered DevicesIP PhonesIP Security CamerasWiMAX® Base StationsWireless Access Nodes |
MAX5987AIEEE 802.3af-Compliant, High-Efficiency, Class 1/Class 2, Powered Devices with Integrated DC-DC Converter | Integrated Circuits (ICs) | 1 | Unknown | The MAX5986A–MAX5986C/MAX5987A provide a complete power-supply solution as IEEE®802.3af-compliant Class 1/Class 2 Powered Devices (PDs) in a Power-over-Ethernet (PoE) system. The devices integrate the PD interface with an efficient DC-DC converter, offering a low external part count PD solution. The MAX5987A includes a low-dropout regulator and the MAX5986A–MAX5986C include sleep and ultra-low power modes.The PD interface provides a detection signature and a Class 1/Class 2 classification signature with a single external resistor. The PD interface also provides an isolation power MOSFET, a 60mA (max) inrush current limit, and a 323mA operating current limit.The integrated step-down DC-DC converter uses a peak current-mode control scheme and provides an easy-to-implement architecture with a fast transient response. The step-down converter operates in a wide input voltage range from 8.7V to 60V and supports up to 6.49W of input power. The MAX5986A/MAX5986B/MAX5987A operate at a fixed 215kHz switching frequency and the MAX5986C operates at a fixed 430kHz switching frequency. The DC-DC converter operates at a fixed switching frequency, with an efficiency-boosting frequency foldback that reduces the switching frequency by half at light loads.The devices feature an input undervoltage-lockout (UVLO) with wide hysteresis and long deglitch time to compensate for twisted-pair cable resistive drop and to assure glitch-free transition during power-on/-off conditions. The devices also feature overtemperature shutdown, short-circuit protection, output overvoltage protection, and hiccup current limit for enhanced performance and reliability.The MAX5986A–MAX5986C/MAX5987A are available in a 16-pin, 5mm x 5mm, TQFN power package and operate over the -40°C to +85°C temperature range.ApplicationsIEEE 802.3af-Powered DevicesIP PhonesIP Security CamerasWiMAX® Base StationsWireless Access Nodes |
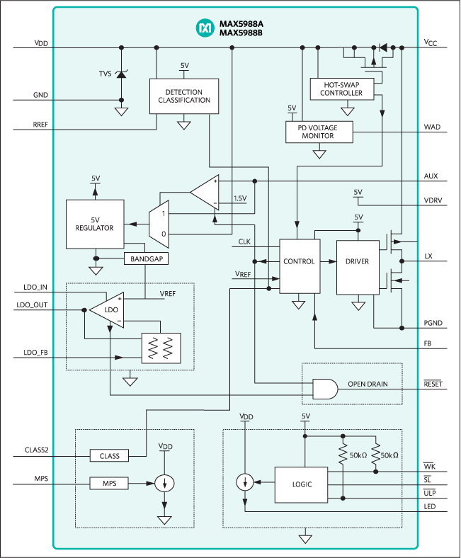
MAX5988IEEE 802.3af-Compliant, High-Efficiency, Class 1/Class 2 Powered Devices with Integrated DC-DC Converters | Evaluation Boards | 4 | Active | The MAX5988A/MAX5988B provide a complete power-supply solution as IEEE®802.3af-compliant Class 1/Class 2 Powered Devices (PDs) in a Power-over-Ethernet (PoE) system. The devices integrate the PD interface with an efficient DC-DC converter, offering a low external part count PD solution. The devices also include a low-dropout regulator, MPS, sleep, and ultra-low power modes.The PD interface provides a detection signature and a Class 1/Class 2 classification signature with a single external resistor. The PD interface also provides an isolation power MOSFET, a 60mA (max) inrush current limit, and a 321mA (typ) operating current limit.The integrated step-down DC-DC converter uses a peak current-mode control scheme and provides an easy-to-implement architecture with a fast transient response. The step-down converter operates in a wide input voltage range from 8.8V to 60V and supports up to 6.49W of input power at 1.3A load. The DC-DC converter operates at a fixed 215kHz switching frequency, with an efficiency-boosting frequency foldback that reduces the switching frequency by half at light loads.The devices feature an input undervoltage-lockout (UVLO) with wide hysteresis and long deglitch time to compensate for twisted-pair cable resistive drop and to assure glitch-free transition during power-on/-off conditions. The devices also feature overtemperature shutdown, short-circuit protection, output overvoltage protection, and hiccup current limit for enhanced performance and reliability.All devices are available in a 20-pin, 4mm × 4mm, TQFN power package and operate over the -40°C to +85°C temperature range.ApplicationsIEEE® 802.3af-Powered DevicesIP PhonesIP Security CamerasWiMAX® Base StationsWireless Access Nodes |
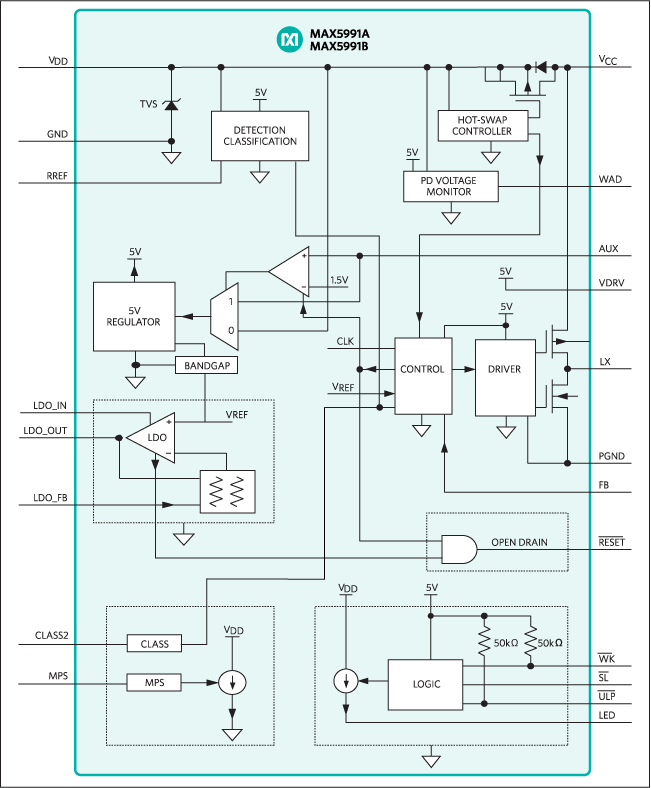
MAX5991IEEE 802.3af-Compliant, High-Efficiency, Class 1/Class 2 Powered Devices with Integrated DC-DC Converter | Evaluation and Demonstration Boards and Kits | 5 | Active | The MAX5991A/MAX5991B provide a complete power-supply solution as IEEE®802.3af-compliant Class 1/Class 2 Powered Devices (PDs) in a Power-over-Ethernet (PoE) system. The devices integrate the PD interface with an efficient DC-DC converter, offering a low external part count PD solution. The devices also include a low-dropout regulator, MPS, sleep, and ultra-low power modes.The PD interface provides a detection signature and a Class 1/Class 2 classification signature with a single external resistor. The PD interface also provides an isolation power MOSFET, a 60mA (max) inrush current limit, and a 321mA (typ) operating current limit.The integrated step-down DC-DC converter uses a peak current-mode control scheme and provides an easy-to-implement architecture with a fast transient response. The step-down converter operates in a wide input voltage range from 8.7V to 60V and supports up to 6.49W of input power at 1.3A load. The DC-DC converter operates at a fixed 430kHz switching frequency, with an efficiency-boosting frequency foldback that reduces the switching frequency by half at light loads.The devices feature an input undervoltage-lockout (UVLO) with wide hysteresis and long deglitch time to compensate for twisted-pair cable resistive drop and to assure glitch-free transition during power-on/-off conditions. The devices also feature overtemperature shutdown, short-circuit protection, output overvoltage protection, and hiccup current limit for enhanced performance and reliability.All devices are available in a 20-pin, 4mm × 4mm, TQFN power package and operate over the -40°C to +85°C temperature range.ApplicationsIEEE 802.3af-Powered DevicesIP PhonesIP Security CamerasWireless Access Nodes |
MAX5992Multisource, High-Power, High-Performance Powered Device Controllers | Evaluation and Demonstration Boards and Kits | 6 | Active | The MAX5992A/MAX5992B multisource, high-power, high-performance powered device (PD) controllers provide a complete interface control for PDs to comply with the IEEE®802.3af/at standard in a Power-over-Ethernet (PoE) system. The devices provide the PD with a detection signature, classification signature, and an isolation MOSFET driver with current-limit control. In addition, the intelligent maintain power signature (MPS) and active FET bridge control make the PD more power efficient. The devices feature a active-low SIG_OK output signal for high-power Multi-2P PD applications. The selectable inrush-current modes allow Multi-PD, fiber-to-the-home/fiber-to-the-building (FTTH/FTTB) operation in redundancy applications. The devices feature an input UVLO, wide hysteresis, and long deglitch time to compensate for twisted-pair cable resistive drop to assure glitch-free transition during power-on/power-off conditions. The devices can operate from a 20.8V low-voltage supply by a selectable UVLO. The devices can withstand up to 100V at the input.The devices support a 2-Event classification method as specified in the IEEE 802.3at standard and provide a signal to indicate when probed by Type 2 power-sourcing equipment (PSE). The devices detect the presence of a wall adapter power-source connection and allow a smooth switchover from the PoE power source to the wall power adapter. Moreover, the selectable WAD_SEL supports seamless power transition from a wall adapter to PoE if PoE is already enabled.The devices also provide a power-good (PG) signal, 2-level current limit, foldback, and overtemperature protection. A sleep mode feature provides low-power consumption while supporting MPS. An ultra-low power sleep mode feature further reduces power consumption to comply with ultra-low power requirements while still supporting MPS. The devices also feature an LED driver that is automatically activated during sleep/ultra-low power sleep/MPS mode. The MAX5992A has 38.6V PoE UVLO and the MAX5992B has 35.4V PoE UVLO and feature a 6.5s sleep mode delay.The MAX5992A/MAX5992B are available in a 24-pin, 4mm x 4mm, TQFN power package and are rated over the -40°C to +85°C extended temperature range.ApplicationsFemtocell, Picocell, MicrocellFiber-to-the-Home/Building (FTTH/FTTB)High-Power 2x2P PDIEEE 802.3af/at-Powered Devices (PD)IP PhonesIP Security Cameras (IPC)Multi-PD RedundancyUniversal Power-over-Ethernet (UPoE)WiMAX® Base StationsWireless Access Nodes |
| Power Over Ethernet (PoE) Controllers | 1 | Active | ||