A
Analog Devices Inc./Maxim Integrated
| Series | Category | # Parts | Status | Description |
|---|---|---|---|---|
| Part | Spec A | Spec B | Spec C | Spec D | Description |
|---|---|---|---|---|---|
| Series | Category | # Parts | Status | Description |
|---|---|---|---|---|
| Part | Spec A | Spec B | Spec C | Spec D | Description |
|---|---|---|---|---|---|
| Part | Category | Description |
|---|---|---|
Analog Devices Inc./Maxim Integrated LTC1879EGN#TRUnknown | Integrated Circuits (ICs) | IC REG BUCK ADJ 1.2A 16SSOP |
Analog Devices Inc./Maxim Integrated LTC2208CUP#TRUnknown | Integrated Circuits (ICs) | IC ADC 16BIT 130MSPS 64-QFN |
Analog Devices Inc./Maxim Integrated ADP2108ACBZ-1.1-R7Obsolete | Integrated Circuits (ICs) | IC REG BUCK 1.1V 600MA 5WLCSP |
Analog Devices Inc./Maxim Integrated EV1HMC832ALP6GObsolete | Development Boards Kits Programmers | EVAL BOARD FOR HMC832ALP6GE |
Analog Devices Inc./Maxim Integrated LTC488ISWUnknown | Integrated Circuits (ICs) | IC LINE RCVR RS485 QUAD 16-SOIC |
Analog Devices Inc./Maxim Integrated LTC6946IUFD-2Obsolete | Integrated Circuits (ICs) | IC CLK/FREQ SYNTH 28QFN |
Analog Devices Inc./Maxim Integrated MAX5556ESA+TObsolete | Integrated Circuits (ICs) | IC DAC/AUDIO 16BIT 50K 8SOIC |
Analog Devices Inc./Maxim Integrated EVAL-FLTR-LD-1RZUnknown | Unclassified | EVAL BRD FOR AD800 SERIES |
Analog Devices Inc./Maxim Integrated | Development Boards Kits Programmers | BOARD EVAL FOR AD9963 |
Analog Devices Inc./Maxim Integrated LTC1296CCSW#TRUnknown | Integrated Circuits (ICs) | IC DATA ACQ SYS 12BIT 5V 20SOIC |
| Series | Category | # Parts | Status | Description |
|---|---|---|---|---|
| Integrated Circuits (ICs) | 6 | Active | ||
| Data Acquisition | 4 | Active | ||
| Digital to Analog Converters (DAC) | 2 | Active | ||
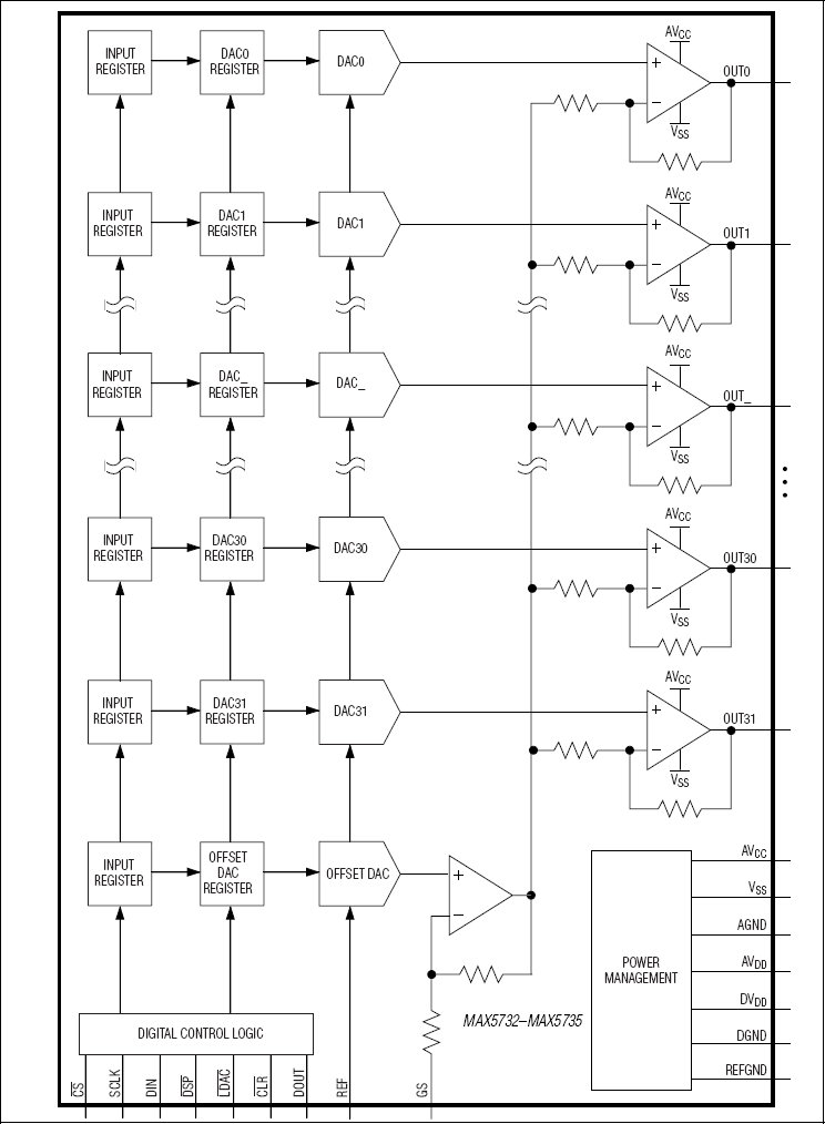
MAX573432-Channel, 16-Bit, Voltage-Output DACs with Serial Interface | Digital to Analog Converters (DAC) | 3 | Active | The MAX5732–MAX5735 are 32-channel, 16-bit, voltage-output, digital-to-analog converters (DACs). All devices accept a 3V external reference input. The devices include an internal offset DAC that allows all the outputs to be offset and a ground-sensing function, allowing output voltages to be referenced to a remote ground.A 33MHz SPI™-/QSPI™-/MICROWIRE™- and digital signal processor (DSP)-compatible serial interface controls the MAX5732–MAX5735. Each DAC has a double-buffered input structure that helps minimize the digital noise feedthrough from the digital inputs to the outputs, and allows for synchronous or asynchronous updating of the outputs. The MAX5732–MAX5735 also provide a DOUT that allows for read-back or daisy chaining multiple devices. The devices provide separate power inputs for the analog and digital sections and provide separate power inputs for the output buffer amplifiers. The MAX5732–MAX5735 include proprietary de-glitch circuits to prevent output glitches at power-up and eliminate the need for power sequencing. The devices provide a software-shutdown mode to allow efficient power management. The MAX5732–MAX5735 consume 50µA of supply current in shutdown.The MAX5732–MAX5735 provide buffered outputs that can drive 10kΩ in parallel with 100pF. The MAX5732 has a 0 to +5V output range; the MAX5733 has a 0 to +10V range; the MAX5734 has a -2.5V to +7.5V range; the MAX5735 has a -5V to +5V range. The MAX5732–MAX5735 are available in a 56-pin, 8mm x 8mm, thin QFN package and 64-pin TQFP package and operate over the 0°C to +85°C temperature range.ApplicationsArbitrary Function GeneratorsAutomatic Test SystemsAvionics EquipmentDigital Offset/Gain AdjustmentIndustrial Process ControlsOptical Router Controls |
| Data Acquisition | 4 | Active | ||
| Integrated Circuits (ICs) | 4 | Active | ||
| Data Acquisition | 4 | Active | ||
| Digital to Analog Converters (DAC) | 1 | Obsolete | ||
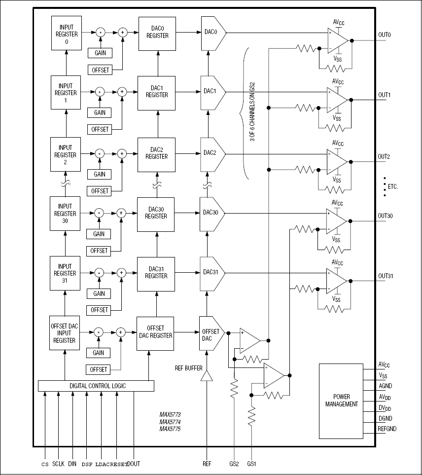
MAX577432-Channel, 14-Bit, Voltage-Output DACs with Serial Interface | Evaluation Boards | 5 | Active | The MAX5773/MAX5774/MAX5775 32-channel, 14-bit, voltage-output, digital-to-analog converters (DACs) are ideal for applications requiring a high number of programmable voltages. The MAX5773/MAX5774/MAX5775 can be programmed to calibrate the 14-bit input data word for gain and offset errors before updating the DAC output.An SPI™-/QSPI™-/MICROWIRE™- or DSP-compatible serial interface controls the MAX5773/MAX5774/MAX5775. Each DAC channel has its own input, gain, and offset register. These three registers pass data through one of the two multiplier accumulator units (MACs), resulting in a voltage output corrected for gain and offset error. Each DAC channel has a double-buffered input structure to minimize the digital-noise feedthrough from the digital inputs to the outputs, and allows for synchronous or asynchronous updating of the outputs. The DAC outputs update independently or simultaneously with a single software or hardware command. The MAX5773/MAX5774/MAX5775 also provide a digital output (DOUT) that allows for readback or daisy chaining of multiple devices.All DAC outputs are buffered and drive 10kΩ in parallel with 100pF. The MAX5773 has a 0 to +10V output range; the MAX5774 has a -2.5V to +7.5V output range; and the MAX5775 has a -5V to +5V output range. The MAX5773/MAX5774/MAX5775 are available in a 68-pin, 10mm x 10mm, TQFN package and a 64-pin, 12mm x 12mm, TQFP package. The MAX5773/MAX5774/MAX5775 are specified over the 0°C to +85°C temperature range. Refer to the MAX5753/MAX5754/MAX5755 data sheet for similar 14-bit, 32-channel DACs without offset and gain calibration.ApplicationsArbitrary Function GeneratorsAutomatic Test SystemsAvionics EquipmentDigital Offset/Gain AdjustmentIndustrial Process ControlsMinimum Component Count Analog SystemsOptical Router Controls |
| Integrated Circuits (ICs) | 7 | Obsolete | ||