A
Analog Devices Inc./Maxim Integrated
| Series | Category | # Parts | Status | Description |
|---|---|---|---|---|
| Part | Spec A | Spec B | Spec C | Spec D | Description |
|---|---|---|---|---|---|
| Series | Category | # Parts | Status | Description |
|---|---|---|---|---|
| Part | Spec A | Spec B | Spec C | Spec D | Description |
|---|---|---|---|---|---|
| Part | Category | Description |
|---|---|---|
Analog Devices Inc./Maxim Integrated LTC1879EGN#TRUnknown | Integrated Circuits (ICs) | IC REG BUCK ADJ 1.2A 16SSOP |
Analog Devices Inc./Maxim Integrated LTC2208CUP#TRUnknown | Integrated Circuits (ICs) | IC ADC 16BIT 130MSPS 64-QFN |
Analog Devices Inc./Maxim Integrated ADP2108ACBZ-1.1-R7Obsolete | Integrated Circuits (ICs) | IC REG BUCK 1.1V 600MA 5WLCSP |
Analog Devices Inc./Maxim Integrated EV1HMC832ALP6GObsolete | Development Boards Kits Programmers | EVAL BOARD FOR HMC832ALP6GE |
Analog Devices Inc./Maxim Integrated LTC488ISWUnknown | Integrated Circuits (ICs) | IC LINE RCVR RS485 QUAD 16-SOIC |
Analog Devices Inc./Maxim Integrated LTC6946IUFD-2Obsolete | Integrated Circuits (ICs) | IC CLK/FREQ SYNTH 28QFN |
Analog Devices Inc./Maxim Integrated MAX5556ESA+TObsolete | Integrated Circuits (ICs) | IC DAC/AUDIO 16BIT 50K 8SOIC |
Analog Devices Inc./Maxim Integrated EVAL-FLTR-LD-1RZUnknown | Unclassified | EVAL BRD FOR AD800 SERIES |
Analog Devices Inc./Maxim Integrated | Development Boards Kits Programmers | BOARD EVAL FOR AD9963 |
Analog Devices Inc./Maxim Integrated LTC1296CCSW#TRUnknown | Integrated Circuits (ICs) | IC DATA ACQ SYS 12BIT 5V 20SOIC |
| Series | Category | # Parts | Status | Description |
|---|---|---|---|---|
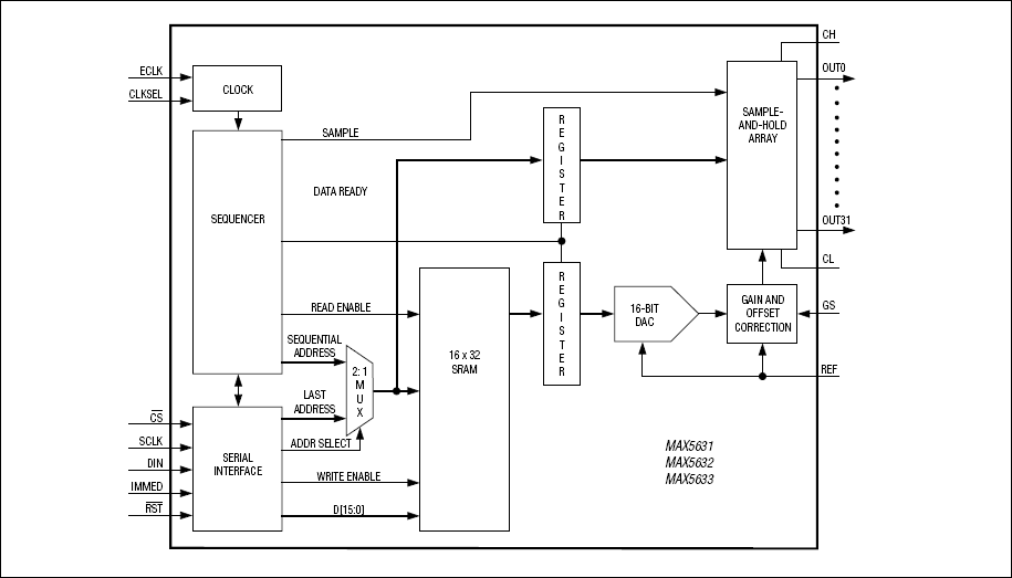
MAX563116-Bit DACs with 32-Channel Sample-and-Hold Outputs | Integrated Circuits (ICs) | 1 | Obsolete | The MAX5631/MAX5632/MAX5633 are 16-bit digital-to-analog converters (DACs) with 32 sample-and-hold (SHA) outputs for applications where a high number of programmable voltages are required. These devices include a clock oscillator and a sequencer that updates the DAC with codes from an internal SRAM. No external components are required to set offset and gain.The MAX5631/MAX5632/MAX5633 feature a -4.5V to +9.2V output voltage range. Other features include a 200µV/step resolution, with output linearity error, typically 0.005% of full-scale range (FSR). The 100kHz refresh-rate updates each SHA every 320µs, resulting in negligible output droop. Remote ground sensing allows the outputs to be referenced to the local ground of a separate device.These devices are controlled through a 20MHz SPI/QSPI™/MICROWIRE®-compatible 3-wire serial interface. Immediate Update Mode allows any channel's output to be updated within 20µs. Burst Mode allows multiple values to be loaded into memory in a single, high-speed data burst. All channels are updated within 330µs after data has been loaded.Each device features an output clamp and output resistors for filtering. The MAX5631 features a 50Ω output impedance and is capable of driving up to 250pF of output capacitance. The MAX5632 features a 500Ω output impedance and is capable of driving up to 10nF of output capacitance. The MAX5633 features a 1kΩ output impedance and is capable of driving up to 10nF of output capacitance.The MAX5631/MAX5632/MAX5633 are available in 12mm x 12mm, 64-pin TQFP, and 10mm x 10mm, 68-pin thin QFN packages.ApplicationsAutomated Test Equipment (ATE)Industrial Process ControlsInstrumentationMEMS Mirror Servo Control |
| Digital to Analog Converters (DAC) | 1 | Obsolete | ||
MAX563316-Bit DACs with 32-Channel Sample-and-Hold Outputs | Integrated Circuits (ICs) | 2 | Active | The MAX5631/MAX5632/MAX5633 are 16-bit digital-to-analog converters (DACs) with 32 sample-and-hold (SHA) outputs for applications where a high number of programmable voltages are required. These devices include a clock oscillator and a sequencer that updates the DAC with codes from an internal SRAM. No external components are required to set offset and gain.The MAX5631/MAX5632/MAX5633 feature a -4.5V to +9.2V output voltage range. Other features include a 200µV/step resolution, with output linearity error, typically 0.005% of full-scale range (FSR). The 100kHz refresh-rate updates each SHA every 320µs, resulting in negligible output droop. Remote ground sensing allows the outputs to be referenced to the local ground of a separate device.These devices are controlled through a 20MHz SPI/QSPI™/MICROWIRE®-compatible 3-wire serial interface. Immediate Update Mode allows any channel's output to be updated within 20µs. Burst Mode allows multiple values to be loaded into memory in a single, high-speed data burst. All channels are updated within 330µs after data has been loaded.Each device features an output clamp and output resistors for filtering. The MAX5631 features a 50Ω output impedance and is capable of driving up to 250pF of output capacitance. The MAX5632 features a 500Ω output impedance and is capable of driving up to 10nF of output capacitance. The MAX5633 features a 1kΩ output impedance and is capable of driving up to 10nF of output capacitance.The MAX5631/MAX5632/MAX5633 are available in 12mm x 12mm, 64-pin TQFP, and 10mm x 10mm, 68-pin thin QFN packages.ApplicationsAutomated Test Equipment (ATE)Industrial Process ControlsInstrumentationMEMS Mirror Servo Control |
MAX5661Single 16-Bit DAC with Current and Voltage Outputs for Industrial Analog Output Modules | Evaluation Boards | 4 | Active | The MAX5661 single 16-bit DAC with precision high-voltage amplifiers provides a complete solution for programmable current and voltage-output applications. The output amplifiers swing to industry-standard levels of ±10V (voltage output) or source from 0mA (or from 4mA) to 20mA (current output). The voltage output (OUTV) drives resistive loads greater than 2kΩ and capacitive loads of up to 1.2µF. Voltage-output force-sense connections compensate for series protection resistors and field-wiring resistance. Short-circuit protection on the voltage output limits output current to 10mA (typ) sourcing or -11.5mA (typ) sinking. The current output (OUTI) drives resistive loads up to 37.5V (max) and inductive loads up to 1H.The MAX5661 provides either a current output or a voltage output. Only one output is active at any given time, regardless of the configuration. The MAX5661 voltage output operates with ±13.48V to ±15.75V supplies (VDDV, VSSV) and the current output operates with a single +13.48V to +40V supply (VDDI). A +4.75V to +5.25V digital supply (VCC) powers the rest of the internal circuitry. A buffered reference input accepts an external +4.096V reference voltage.Update the DAC outputs using software commands or the asynchronous active-low LDAC input. An asynchronous active-low CLR input sets the DAC outputs to the value stored in the clear register or to zero. The active-low FAULT output asserts when the DAC's current output is an open circuit, the DAC's voltage output is a short circuit, or when the active-low CLR input is low.The MAX5661 communicates through a 4-wire 10MHz SPI-/QSPI™-/MICROWIRE™-compatible serial interface. The DOUT output allows daisy chaining of multiple devices. The MAX5661 is available in a 10mm x 10mm, 64-pin, LQFP package and operates over the -40°C to +105°C temperature range.ApplicationsIndustrial Analog Output ModulesIndustrial InstrumentationProcess ControlProgrammable Logic Controls/Distributed Control Systems |
| Integrated Circuits (ICs) | 12 | Obsolete | ||
MAX5702Ultra-Small, Dual-Channel, 8-/10-/12-Bit Buffered Output DACs with Internal Reference and SPI Interface | Digital to Analog Converters (DAC) | 4 | Active | The MAX5700/MAX5701/MAX5702 2-channel, low-power, 8-/10-/12-bit, voltage-output digital-to-analog converters (DACs) include output buffers and an internal reference that is selectable to be 2.048V, 2.500V, or 4.096V. The MAX5700/MAX5701/MAX5702 accept a wide supply voltage range of 2.7V to 5.5V with extremely low power (1.5mW) consumption to accommodate most low-voltage applications. A precision external reference input allows rail-to-rail operation and presents a 100kΩ (typ) load to an external reference.The MAX5700/MAX5701/MAX5702 have an a 50MHz 3-wire SPI/QSPI™/MICROWIRE®/DSP-compatible serial interface. The DAC output is buffered and has a low supply current of less than 250µA (max) per channel and a low offset error of ±0.5mV (typ). On power-up, the MAX5700/MAX5701/MAX5702 reset the DAC outputs to zero, providing additional safety for applications that drive valves or other transducers which need to be off on power-up. The internal reference is initially powered down to allow use of an external reference. The MAX5700/MAX5701/MAX5702 allow simultaneous output updates using software LOAD commands.A clear logic input (active-low CLR) allows the contents of the CODE and the DAC registers to be cleared asynchronously and sets the DAC outputs to zero. The MAX5700/MAX5701/MAX5702 are available in a 10-pin µMAX®and an ultra-small, 10-pin TDFN package and are specified over the -40°C to +125°C temperature range.ApplicationsAutomatic Tuning and Optical ControlData AcquisitionGain and Offset AdjustmentPortable InstrumentationPower Amplifier Control and BiasingProcess Control and Servo LoopsProgrammable Voltage and Current Sources |
| Data Acquisition | 2 | Obsolete | ||
| Integrated Circuits (ICs) | 2 | Obsolete | ||
MAX5705Ultra-Small, Single-Channel, 8-/10-/12-Bit Buffered Output Voltage DACs with Internal Reference and SPI Interface | Integrated Circuits (ICs) | 6 | Active | The MAX5703/MAX5704/MAX5705 single-channel, low-power, 8-/10-/12-bit, voltage-output digital-to-analog converters (DACs) include output buffers and an internal reference that is selectable to be 2.048V, 2.500V, or 4.096V. The MAX5703/MAX5704/MAX5705 accept a wide supply voltage range of 2.7V to 5.5V with extremely low power (< 1mW) consumption to accommodate most low-voltage applications. A precision external reference input allows rail-to-rail operation and presents a 100kΩ (typ) load to an external reference.The MAX5703/MAX5704/MAX5705 have a 50MHz, 3-wire SPI/QSPI™/MICROWIRE®/DSP-compatible serial interface. The DAC output is buffered and has a low supply current of 155µA (typical at 3V) and a low offset error of ±0.5mV (typical). On power-up, the MAX5703/MAX5704/MAX5705 reset the DAC outputs to zero, providing additional safety for applications that drive valves or other transducers which need to be off on power-up. The internal reference is initially powered down to allow use of an external reference.The MAX5703/MAX5704/MAX5705 include a user-configurable active-low asynchronous input, AUX for additional flexibility. This input can be programmed to asynchronously clear (active-low CLR) or temporarily gate (active-low GATE) the DAC output to a user-programmable value. A dedicated asynchronous active-low LDAC input is also included. This allows simultaneous output updates of multiple devices.The MAX5703/MAX5704/MAX5705 are available in 10-pin TDFN/µMAX®packages and are specified over the -40°C to +125°C temperature range.ApplicationsAutomatic Tuning and Optical ControlData AcquisitionGain and Offset AdjustmentPortable InstrumentationPower Amplifier Control and BiasingProcess Control and Servo LoopsProgrammable Voltage and Current Sources |
| Digital to Analog Converters (DAC) | 4 | Obsolete | ||