A
Analog Devices Inc./Maxim Integrated
| Series | Category | # Parts | Status | Description |
|---|---|---|---|---|
| Part | Spec A | Spec B | Spec C | Spec D | Description |
|---|---|---|---|---|---|
| Series | Category | # Parts | Status | Description |
|---|---|---|---|---|
| Part | Spec A | Spec B | Spec C | Spec D | Description |
|---|---|---|---|---|---|
| Part | Category | Description |
|---|---|---|
Analog Devices Inc./Maxim Integrated LTC1879EGN#TRUnknown | Integrated Circuits (ICs) | IC REG BUCK ADJ 1.2A 16SSOP |
Analog Devices Inc./Maxim Integrated LTC2208CUP#TRUnknown | Integrated Circuits (ICs) | IC ADC 16BIT 130MSPS 64-QFN |
Analog Devices Inc./Maxim Integrated ADP2108ACBZ-1.1-R7Obsolete | Integrated Circuits (ICs) | IC REG BUCK 1.1V 600MA 5WLCSP |
Analog Devices Inc./Maxim Integrated EV1HMC832ALP6GObsolete | Development Boards Kits Programmers | EVAL BOARD FOR HMC832ALP6GE |
Analog Devices Inc./Maxim Integrated LTC488ISWUnknown | Integrated Circuits (ICs) | IC LINE RCVR RS485 QUAD 16-SOIC |
Analog Devices Inc./Maxim Integrated LTC6946IUFD-2Obsolete | Integrated Circuits (ICs) | IC CLK/FREQ SYNTH 28QFN |
Analog Devices Inc./Maxim Integrated MAX5556ESA+TObsolete | Integrated Circuits (ICs) | IC DAC/AUDIO 16BIT 50K 8SOIC |
Analog Devices Inc./Maxim Integrated EVAL-FLTR-LD-1RZUnknown | Unclassified | EVAL BRD FOR AD800 SERIES |
Analog Devices Inc./Maxim Integrated | Development Boards Kits Programmers | BOARD EVAL FOR AD9963 |
Analog Devices Inc./Maxim Integrated LTC1296CCSW#TRUnknown | Integrated Circuits (ICs) | IC DATA ACQ SYS 12BIT 5V 20SOIC |
| Series | Category | # Parts | Status | Description |
|---|---|---|---|---|
MAX34440PMBus 6-Channel Power-Supply Manager | Power Management (PMIC) | 4 | Active | The MAX34440 is a complex system monitor that can manage up to six power supplies. The power-supply manager monitors the power-supply output voltage and constantly checks for user-programmable overvoltage and undervoltage thresholds. It can also margin the power-supply output voltage up or down to a user-programmable level. The margining is performed in a closed-loop arrangement whereby the device automatically adjusts a pulse-width-modulated (PWM) output and then measures the resultant output voltage. The power-supply manager can also sequence the supplies in any order at both power-up and power-down. With the addition of an external current-sense amplifier, the device can also monitor currents.ApplicationsBase StationsIndustrial ControlsNetwork Switches/RoutersServersSmart Grid Network Systems |
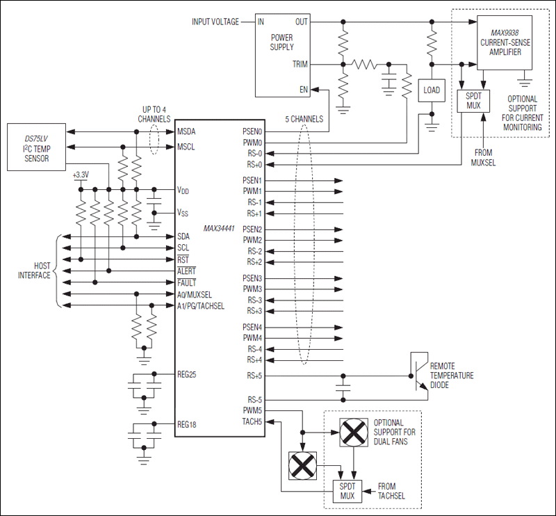
MAX34441PMBus 5-Channel Power-Supply Manager and Intelligent Fan Controller | Evaluation and Demonstration Boards and Kits | 2 | Active | The MAX34441 is a complex system monitor that can manage up to five power supplies and a fan. The power-supply manager monitors the power-supply output voltage and constantly checks for user-programmable overvoltage and undervoltage thresholds. It can also margin the power-supply output voltage up or down to a user-programmable level. The margining is performed in a closed-loop arrangement whereby the device automatically adjusts a pulse-width-modulated (PWM) output and then measures the resultant output voltage. The power-supply manager can also sequence the supplies in any order at both power-up and power-down. With the addition of an external current-sense amplifier, the device can also monitor currents.The device also contains closed-loop fan-speed control. Based on user-programmable settings for fan-control PWM duty cycles or RPM speeds at particular temperature breakpoints, the device automatically adjusts the fan speed in a manner to reduce audible noise and power consumption.ApplicationsBase StationsIndustrial ControlsNetwork Switches/RoutersServersSmart Grid Network Systems |
| Evaluation Boards | 5 | Active | ||
| Integrated Circuits (ICs) | 2 | Active | ||
MAX34451PMBus 16-Channel V/I Monitor and 12-Channel Sequencer/Marginer | Evaluation Boards | 11 | Active | The MAX34451 is a power-supply system manager that is capable of monitoring up to 16 different voltage rails or currents and is also capable of sequencing and margining up to 12 power supplies. The system manager monitors the power-supply output voltages and currents and constantly checks them for user programmable over and under threshold limits. If a fault is detected, the device automatically shuts down the system in an orderly fashion. The device can sequence the supplies in any order at both power-up and power-down. The device has the ability to close-loop margin the power-supply output voltages up or down to a user-programmable level. The device contains an internal temperature sensor and can support up to four external remote temperature sensors. Once configured, the device can operate autonomously without any host intervention.ApplicationsBase StationsNetwork Switches/RoutersServersSmart Grid Network Systems |
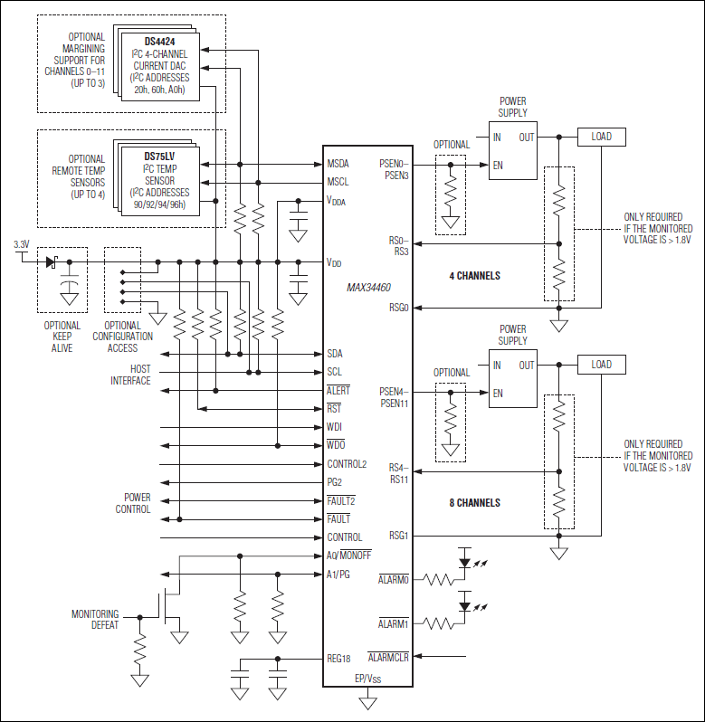
MAX34460PMBus 12-Channel Voltage Monitor and Sequencer | Integrated Circuits (ICs) | 3 | Active | The MAX34460 is a system monitor that is capable of managing up to 12 power supplies. The power-supply manager monitors the power-supply output voltages and constantly checks for user-programmable overvoltage and undervoltage thresholds. If a fault is detected, the device automatically shuts down the system in an orderly fashion. The device can sequence the supplies in any order at both power-up and power-down. With the addition of external current DACs, the device has the ability to close-loop margin the power-supply output voltages up or down to a user-programmable level. The device contains an internal temperature sensor and can support up to four external remote temperature sensors. Once configured, the device can operate autonomously without any host intervention.ApplicationsBase StationsNetwork Switches/RoutersServersSmart Grid Network Systems |
| Power Management (PMIC) | 2 | Active | ||
| Development Boards, Kits, Programmers | 4 | Active | ||
MAX34461APMBus 16-Channel Voltage Monitor and Sequencer | Integrated Circuits (ICs) | 2 | Active | The MAX34461A is a system monitor that is capable of managing up to 16 power supplies. The power-supply manager monitors the power-supply output voltages and constantly checks for user-programmable overvoltage and undervoltage thresholds. If a fault is detected, the device automatically shuts down the system in an orderly fashion. The device can sequence the supplies in any order at both power-up and power-down. With the addition of external current DACs, the device has the ability to close-loop margin the power-supply output voltages up or down to a user-programmable level. The device contains an internal temperature sensor and can support up to four external remote temperature sensors. Once configured, the device can operate autonomously without any host intervention.ApplicationsNetwork Switches/RoutersBase StationsServersSmart Grid Network SystemsDifferences from MAX34460Adds 4 Channels of Monitoring, Sequencing, and MarginingRemoves Dual-Loop Sequencing, Watchdog, and Alarm Output Functionality |
| Power Supply Controllers, Monitors | 1 | Obsolete | ||