A
Analog Devices Inc./Maxim Integrated
| Series | Category | # Parts | Status | Description |
|---|---|---|---|---|
| Part | Spec A | Spec B | Spec C | Spec D | Description |
|---|---|---|---|---|---|
| Series | Category | # Parts | Status | Description |
|---|---|---|---|---|
| Part | Spec A | Spec B | Spec C | Spec D | Description |
|---|---|---|---|---|---|
| Part | Category | Description |
|---|---|---|
Analog Devices Inc./Maxim Integrated LTC1879EGN#TRUnknown | Integrated Circuits (ICs) | IC REG BUCK ADJ 1.2A 16SSOP |
Analog Devices Inc./Maxim Integrated LTC2208CUP#TRUnknown | Integrated Circuits (ICs) | IC ADC 16BIT 130MSPS 64-QFN |
Analog Devices Inc./Maxim Integrated ADP2108ACBZ-1.1-R7Obsolete | Integrated Circuits (ICs) | IC REG BUCK 1.1V 600MA 5WLCSP |
Analog Devices Inc./Maxim Integrated EV1HMC832ALP6GObsolete | Development Boards Kits Programmers | EVAL BOARD FOR HMC832ALP6GE |
Analog Devices Inc./Maxim Integrated LTC488ISWUnknown | Integrated Circuits (ICs) | IC LINE RCVR RS485 QUAD 16-SOIC |
Analog Devices Inc./Maxim Integrated LTC6946IUFD-2Obsolete | Integrated Circuits (ICs) | IC CLK/FREQ SYNTH 28QFN |
Analog Devices Inc./Maxim Integrated MAX5556ESA+TObsolete | Integrated Circuits (ICs) | IC DAC/AUDIO 16BIT 50K 8SOIC |
Analog Devices Inc./Maxim Integrated EVAL-FLTR-LD-1RZUnknown | Unclassified | EVAL BRD FOR AD800 SERIES |
Analog Devices Inc./Maxim Integrated | Development Boards Kits Programmers | BOARD EVAL FOR AD9963 |
Analog Devices Inc./Maxim Integrated LTC1296CCSW#TRUnknown | Integrated Circuits (ICs) | IC DATA ACQ SYS 12BIT 5V 20SOIC |
| Series | Category | # Parts | Status | Description |
|---|---|---|---|---|
MAX255014 x 24 Automotive LED Matrix Driver with ASIL B features | LED Drivers | 1 | Unknown | The MAX25501 is a 4 x 24-channel modular matrix backlight driver for use with local-dimming automotive displays. The integrated current outputs can sink up to 72mA LED current each. The source drive pins provide current to the columns of the matrix on a multiplexed basis. Device power comes from an external 3.3V or 5V supply, while the LED current-sink outputs can operate at up to 14V.A feedback output pin (FB) is provided to control an external DC-DC converter so that voltage headroom can be optimized and the overall system power dissipation reduced.The device is highly flexible due to its programmability using the SPI interface. Among the programmable parameters are the LED current, individual PWM settings, and multiplex ratio.The MAX25501 includes multiple diagnostic features to aid in the building of ASIL B systems.The device features a high-speed SPI interface for control using a daisy-chain or star configuration. Up to 16 devices can be daisy-chained to reduce connection complexity.The MAX25501 is available in TQFN and TSSOP packages and operates in the -40°C to +125°C temperature range. |
MAX255034 x 24 Automotive LED Matrix Driver | Power Management (PMIC) | 4 | Active | The MAX25503 is a 4 x 24-channel modular matrix driver. The integrated current outputs can sink up to 65mA LED current each. The source drive pins provide current to the columns of the matrix on a multiplexed basis. Device power comes from an external 3.3V or 5V supply while the LED current-sink outputs can operate at up to 14V.A feedback output pin (FB) is provided to control an external DC-DC converter so that voltage headroom can be optimized and the overall system power dissipation reduced.The device is highly flexible due to its programmability using the SPI interface. Among the programmable parameters are the LED current, individual PWM settings, and multiplex ratio.The high-speed interface can be used to control up to 16 devices.The MAX25503 is available in TQFN and TSSOP packages and operates in the -40°C to +125°C temperature range.APPLICATIONSCentral Information DisplaysInstrument ClustersInterior LightingExterior Rear Lighting |
MAX255044 x 24 Automotive LED Matrix Drivers with ASIL Features | Integrated Circuits (ICs) | 1 | Unknown | The MAX25504/MAX25505 are 4 x 24-channel modular matrix drivers. The integrated current outputs can sink up to 65mA LED current each. The source drive pins provide current to the columns of the matrix on a multiplexed basis. Device power comes from an external 3.3V or 5V supply, while the LED current-sink outputs can operate at up to 14V.A feedback output pin (FB) is provided to control an external DC-DC converter so that voltage headroom can be optimized and the overall system power dissipation reduced.The devices are highly flexible due to their programmability using the SPI interface. Among the programmable parameters are the LED current, individual PWM settings, and multiplex ratio.The devices feature a high-speed interface for controlling up to 16 devices in a daisy-chain configuration. In addition, they include multiple diagnostic features to aid in the building of ASIL B systems.The MAX25504/MAX25505 are available in TQFN and TSSOP packages and operate in the -40°C to +125°C temperature range.APPLICATIONSCentral Information DisplaysInstrument ClustersInterior LightingExterior Rear Lighting |
MAX255054 x 24 Automotive LED Matrix Drivers with ASIL Features | LED Drivers | 2 | Active | The MAX25504/MAX25505 are 4 x 24-channel modular matrix drivers. The integrated current outputs can sink up to 65mA LED current each. The source drive pins provide current to the columns of the matrix on a multiplexed basis. Device power comes from an external 3.3V or 5V supply, while the LED current-sink outputs can operate at up to 14V.A feedback output pin (FB) is provided to control an external DC-DC converter so that voltage headroom can be optimized and the overall system power dissipation reduced.The devices are highly flexible due to their programmability using the SPI interface. Among the programmable parameters are the LED current, individual PWM settings, and multiplex ratio.The devices feature a high-speed interface for controlling up to 16 devices in a daisy-chain configuration. In addition, they include multiple diagnostic features to aid in the building of ASIL B systems.The MAX25504/MAX25505 are available in TQFN and TSSOP packages and operate in the -40°C to +125°C temperature range.APPLICATIONSCentral Information DisplaysInstrument ClustersInterior LightingExterior Rear Lighting |
MAX25505B4x24 Automotive LED Matrix Driver with ASIL Features | Integrated Circuits (ICs) | 2 | Unknown | The MAX25505B is a 4x24-channel modular matrix driver. The integrated current outputs can sink up to 72mA LED current each. The source drive pins provide current to the columns of the matrix on a multiplexed basis. Device power comes from an external 3.3V or 5V supply while the LED current-sink outputs can operate at up to 14V.A feedback output pin (FB) is provided to control an external DC-DC converter so that voltage headroom can be optimized and the overall system power dissipation reduced. The device is highly flexible due to its programmability using the SPI interface. Among the programmable parameters are the LED current, individual PWM settings, and multiplex ratio.The device features a high-speed interface for controlling up to 16 devices in a star configuration. In addition, it includes multiple diagnostic features to aid in the building of ASIL B systems.The MAX25505B is available in TQFN and TSSOP packages and operates in the -40°C to +125°C temperature range.APPLICATIONSCentral Information DisplaysInstrument ClustersInterior LightingExterior Rear Lighting |
| Power Management (PMIC) | 2 | Active | ||
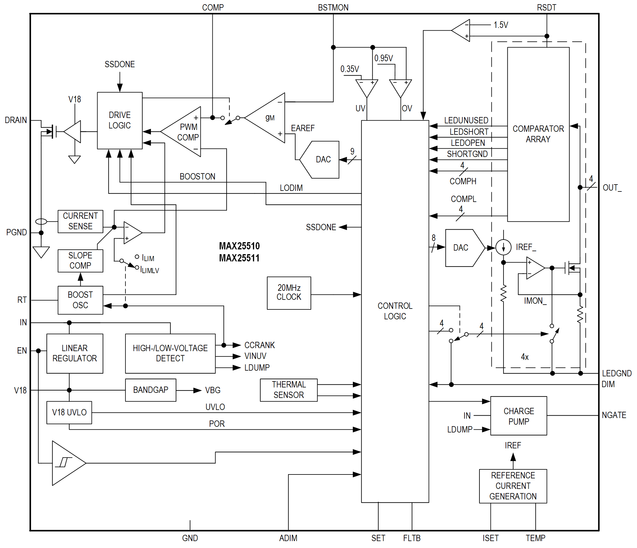
MAX255114-Channel, Low-Voltage, 120mA LED Backlight Drivers with Integrated Boost Converter | LED Drivers | 2 | Active | The MAX25510/MAX25511 are 4-channel, white-LED backlight drivers with an integrated current-mode boost converter that operate over a switching frequency range of 400kHz to 2.2MHz and incorporate spread spectrum. Phase-shifting of the output channels is included as an option to further reduce EMI.The devices provide up to 120mA per channel and include a control output for an external nMOS series switch. These devices are capable of operating down to 3V after start-up.The MAX25510 has a boost current limit of 3A (min), while the MAX25511 implements a higher minimum current limit of 4.5A for increased output power.The MAX25510/MAX25511 are available in a compact TQFN package and operate over the temperature range -40°C to +125°C.ApplicationsAutomotive Central Information DisplaysAutomotive Head-Up DisplaysAutomotive Instrument Clusters |
| LED Drivers | 4 | Active | ||
MAX25512BI2C-Controlled 4-Channel Low-Voltage 120mA LED Backlight Driver with Integrated Boost Converter | Integrated Circuits (ICs) | 2 | Unknown | The MAX25512B is a 4-channel white LED backlight driver with an integrated current-mode boost converter that operates over a switching frequency range of 400kHz to 2.2MHz and incorporates spread spectrum. Phase-shifting of the output channels is included as an option to further reduce electromagnetic interference (EMI).The device provides up to 120mA per channel and includes a control output for an external nMOS series switch. It is capable of operating down to 3V after startup. The device is hybrid-dimming-capable and provides a brightness calibration feature through a dedicated DAC. It can benefit from these two functions simultaneously.The MAX25512B has an I2C interface to enable flexibility of control and detailed diagnostics. The MAX25512B is available in a compact TQFN package and operates over the -40°C to +125°C temperature range.APPLICATIONSAutomotive Instrument ClustersAutomotive Central Information DisplaysAutomotive Head-Up Displays |
| Power Management - Specialized | 5 | Active | ||