MAX25400Automotive Hi-Speed USB 2.0 Protector | Evaluation and Demonstration Boards and Kits | 2 | Active | The MAX25400 device provides high-ESD and short-circuit protection for the low-voltage internal USB data and USB power line in automotive radio, navigation, connectivity, and USB hub applications. The device supports USB Hi-Speed (480Mbps), USB full-speed (12Mbps), and USB low-speed (1.5Mbps) operation. The short-circuit protection features include short-to-BUS and short-to-battery on the protected HVD+ and HVD-, and include a fault output.The device features high-ESD protection to ±15kV Air Gap and ±8kV Contact on the protected HVD+ and HVD- outputs. The device features two low on-resistance (RON) USB 2.0 data switches.The MAX25400 is available in a 12-pin lead-free, TQFN-EP package and operate over the -40°C to 105°C temperature range.ApplicationsAutomotive USB Protection |
MAX25405IR Gesture Sensor with Lens for Automotive Applications | Development Boards, Kits, Programmers | 3 | Active | The MAX25405 is a low-cost, data-acquisition system for gesture and proximity sensing. Detection distance is improved by integrating a complete optical system consisting of lens, aperture, visible light filter, and a 6x10 photodetector array. The MAX25405 recognizes the following independent gestures:Hand swipe gestures (left, right, up, down, wave)Air clickFlicksFinger and hand rotation (clockwise and counter clockwise)Multizone proximity detectionLinger to clickThe proximity, hand detection, and gesture recognition functions of the MAX25405 operate by detecting the light reflected from the controlled IR-LED light source with an integrated 6x10-element optical sensor array. The MAX25405 can detect these gestures even when exposed to bright ambient light. A low-power, low-cost CPU, such as the MAX32630, is required to process the data from the sensor.This discrete light source is created externally with one or more FETs driven directly from the MA25405. The light source’s PWM duty cycle is programmable from 1/16 to 16/16. The LEDs are pulsed on one or more times in a programmable sequence repeated for every sample.For flexibility, the MAX25405 supports two different serial communication protocols: I2C (400kHz) and SPI (6MHz).The MAX25405 is available in a 4mm x 4mm, 20-pin, optical QFN package.ApplicationsCentral Information Display ControlDoor, Moon Roof, and Trunk ControlMechanical Switch ReplacementOccupant DetectionRear-Seat Entertainment Systems |
| Evaluation Boards | 13 | Active | |
| Power Supply Controllers, Monitors | 3 | Active | |
| Integrated Circuits (ICs) | 4 | Active | |
| Power Management (PMIC) | 6 | Active | |
| Special Purpose Regulators | 3 | Active | |
| RF Receivers | 3 | Obsolete | |
MAX2550Band I, V, and VIII WCDMA Femtocell Transceiver with GSM Monitoring | RF Receivers | 2 | Unknown | The MAX2550 is a complete single-chip RF-to-bits and bits-to-RF radio transceiver. This device is in compliance with the 3GPP TS25.104 femtocell standard for Band I, V, and VIII. It's equipped with multiple receive inputs and transmit outputs for low band, high band, and macro-cell monitoring.This fully integrated transceiver facilitates compact radio designs for dongle and stand-alone femtocell products by minimizing external component count. Maxim's MAX-PHY serial interface is used to drastically reduce IC pin count, while worldwide field-proven architecture accelerates time to product deployment.The device features unparalleled receive blocker performance and the industry's lowest noise figure for higher data rates and range. Low-power operational modes are available to minimize power consumption. The transmitter is designed to deliver EVM far exceeding the standard requirement at 0dBm.The MAX2550–MAX2553 is a family of pin-compatible transceivers to cover all major WCDMA and cdma2000® bands. All parts are controlled by a 4-wire interface.The MAX2550 is packaged in a compact 7mm x 7mm TQFN and specified over the -40°C to +85°C extended temperature range. A complete radio reference design is available to facilitate custom designs.ApplicationsWCDMA Band I, V, and VIII Femtocells |
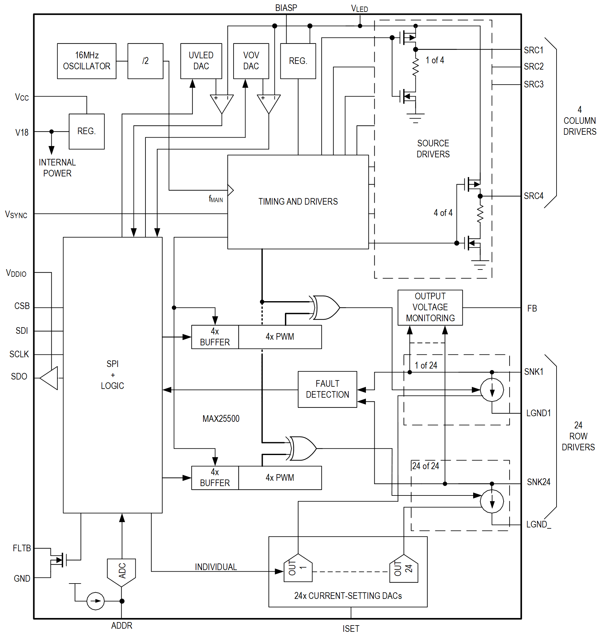
MAX255004 × 24 Automotive LED Matrix Driver | Power Management (PMIC) | 4 | Active | The MAX25500 is a 4 × 24-channel modular matrix backlight driver for use with local-dimming automotive displays. The integrated current outputs can sink up to 72mA Light Emitting Diode (LED) current each. The source drive pins provide current to the columns of the matrix on a multiplexed basis. Device power comes from an external 3.3V or 5V supply, while the LED current-sink outputs can operate at up to 14V.A feedback output pin (FB) is provided to control an external DC-DC converter so that voltage headroom can be optimized and the overall system power dissipation reThe device is highly flexible due to its programmability using the serial peripheral interface (SPI). Among the programmable parameters are the LED current, individual pulse-width modulation (PWM) settings, and multiplex ratio.The device features a high-speed SPI for control using a daisy-chain or star configuration. Up to 16 devices can be daisy-chained to reduce connection complexity.The MAX25500 is available in TQFN and TSSOP packages, and operates in the −40°C to 125°C temperature range.ApplicationsCentral Information DisplaysInstrument ClustersInterior Lighting |