A
Analog Devices Inc./Maxim Integrated
| Series | Category | # Parts | Status | Description |
|---|---|---|---|---|
| Part | Spec A | Spec B | Spec C | Spec D | Description |
|---|---|---|---|---|---|
| Series | Category | # Parts | Status | Description |
|---|---|---|---|---|
| Part | Spec A | Spec B | Spec C | Spec D | Description |
|---|---|---|---|---|---|
| Part | Category | Description |
|---|---|---|
Analog Devices Inc./Maxim Integrated LTC1879EGN#TRUnknown | Integrated Circuits (ICs) | IC REG BUCK ADJ 1.2A 16SSOP |
Analog Devices Inc./Maxim Integrated LTC2208CUP#TRUnknown | Integrated Circuits (ICs) | IC ADC 16BIT 130MSPS 64-QFN |
Analog Devices Inc./Maxim Integrated ADP2108ACBZ-1.1-R7Obsolete | Integrated Circuits (ICs) | IC REG BUCK 1.1V 600MA 5WLCSP |
Analog Devices Inc./Maxim Integrated EV1HMC832ALP6GObsolete | Development Boards Kits Programmers | EVAL BOARD FOR HMC832ALP6GE |
Analog Devices Inc./Maxim Integrated LTC488ISWUnknown | Integrated Circuits (ICs) | IC LINE RCVR RS485 QUAD 16-SOIC |
Analog Devices Inc./Maxim Integrated LTC6946IUFD-2Obsolete | Integrated Circuits (ICs) | IC CLK/FREQ SYNTH 28QFN |
Analog Devices Inc./Maxim Integrated MAX5556ESA+TObsolete | Integrated Circuits (ICs) | IC DAC/AUDIO 16BIT 50K 8SOIC |
Analog Devices Inc./Maxim Integrated EVAL-FLTR-LD-1RZUnknown | Unclassified | EVAL BRD FOR AD800 SERIES |
Analog Devices Inc./Maxim Integrated | Development Boards Kits Programmers | BOARD EVAL FOR AD9963 |
Analog Devices Inc./Maxim Integrated LTC1296CCSW#TRUnknown | Integrated Circuits (ICs) | IC DATA ACQ SYS 12BIT 5V 20SOIC |
| Series | Category | # Parts | Status | Description |
|---|---|---|---|---|
| Integrated Circuits (ICs) | 2 | Active | ||
MAX2220865V, 3.8A Quad Half H-Bridge Drivers with Integrated Current Sense | Motor Drivers, Controllers | 4 | Active | The MAX22208 provides four individually controllable 65V, 3.8AMAXhalf H-bridge drivers. It can be used to drive four solenoids, two brushed DC motors, one single stepper motor, or a combination of different loads.The power FETs have very low impedance, resulting in high driving efficiency and low heat dissipation. The typical total RON(high side plus low side) is 0.3Ω (typ).Each half bridge can be individually pulse-width modulation (PWM)-controlled with two logic inputs (DIN_, EN_).The MAX22208 integrates non-dissipative current sensing, which eliminates the bulky external power resistors normally required for this function, resulting in a dramatic space and power saving compared with mainstream applications based on the external sense resistor.A current proportional to the internally-sensed load current is output to the external current-monitor pins (ISEN_). By connecting an external resistor to these pins, a voltage proportional to the motor current is generated. The voltage drop across the external resistors can be input into the controller ADC whenever the control algorithm requires the current/torque information.The maximum output current per half H-bridge is IMAX= 3.8A and is limited by the overcurrent protection (OCP) circuit. This current can be driven for very short transients and aims to effectively drive small capacitive loads.The maximum RMS current per H-bridge is IRMS= 2A. Since this current is limited by thermal considerations, the actual maximum RMS current depends on the thermal characteristic of the application (PCB ground planes, heatsinks, forced air ventilation, etc.).The MAX22208 features overcurrent protection (OCP), thermal shutdown (TSD), and undervoltage lockout (UVLO). An active-low, open-drainFAULTpin is activated every time a fault condition is detected.During TSD and UVLO, the driver outputs are three-stated until normal operating conditions are restored.The MAX22208 is available in a small, 5mm x 7mm, 38-pin TQFN and 4.4mm x 9.7mm, 38-pin TSSOP package.APPLICATIONSBrushed DC Motor DriverStepper Motor DriverSolenoid DriverLatched Valves |
| Evaluation and Demonstration Boards and Kits | 5 | Active | ||
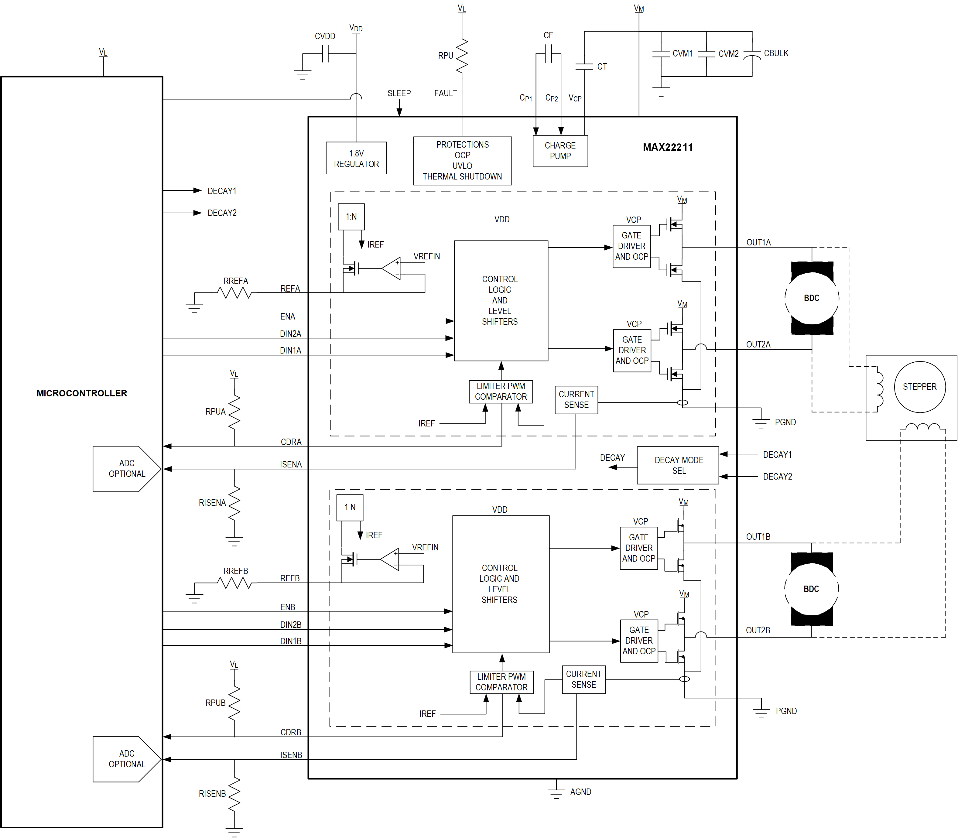
MAX2221136V, 3.8A Two H-Bridge for Dual Brushed or Single Stepper Motor Drive | Power Management (PMIC) | 4 | Active | The MAX22211 is a dual 36V, 3.8AMAX H-bridge. It can be used to drive two brushed DC motors or a single stepper motor. The H-bridge FETs have very low impedance resulting in high driving efficiency and low heat generation. The typical total RON(high-side + low-side) is 0.25Ω. Each H-bridge can be individually pulse-width modulation (PWM)-controlled using three logic inputs (DIN1, DIN2, EN).The MAX22211 features an accurate current drive regulation (CDR) which can be used to limit the start-up current of a brushed DC motor or to control the phase current for stepper operation. The bridge output current is sensed by a non-dissipative integrated current sensing (ICS) and it is then compared with user configurable threshold (ITRIP). When the bridge current exceeds the ITRIPthreshold, the device enforces the decay for a fixed OFF-time (tOFF). Four different Decay methods are supported (Slow Decay, Fast Decay, and two Mixed Decay modes). The non-dissipative ICS eliminates bulky external power resistors which are normally required for this function resulting in a dramatic space and power saving compared with mainstream applications using external sense resistors.The internally measured current of the two full bridges are mirrored on pins ISENA and ISENB. By connecting external resistors to these pins to GND, voltages proportional to the motor currents are generated. The voltage across these external resistors can be used as inputs to analog-to-digital converters (ADCs) of an external motor controller if the motion control algorithm requires the load current or torque information.In addition, two open-drain output pins (CDRA, CDRB) are asserted every time the internal current regulation takes control of the driver. This allows the external controller to monitor the activity of the internal current loop.The maximum user configurable current regulation threshold (ITRIP_MAX) can be set up to 3.8A and is limited by the Overcurrent Protection (OCP). The ITRIP current thresholds can be set independently for the two full bridges by connecting external resistors from pins REFA and REFB to GND. Because of thermal considerations, the recommended maximum RMS current for standard four-layer PCBs is 2ARMSper H-bridge.The MAX22211 features OCP, thermal shutdown (TSD), and undervoltage lockout (UVLO) protection. An open-drain active lowFAULTpin is activated every time a fault condition is detected. During TSD and UVLO events, the driver is three-stated until normal operations are restored.APPLICATIONSStepper-Motor DriverBrushed DC Motor DriverSolenoid DriverLatched Valves |
MAX2221236V, 7.6A High Current Single H-Bridge with Integrated Current Sense | Motor Drivers, Controllers | 4 | Active | The MAX22212 integrates a high current 36V, 7.6AMAXH-Bridge to drive one Brushed DC motor or one half of a stepper motor. The H-Bridge FETs feature very low impedance, resulting in high driving efficiency and low heat generation. The typical total RON(high-side + low-side) is 0.125Ω. The H-Bridge can be PWM controlled by using three logic inputs (DIN1, DIN2, and EN).The MAX22212 features an accurate current drive regulation (CDR), which can be used to limit the start up current of a brushed DC motor or to control the phase current for stepper operation. The bridge output current is sensed by a non-dissipative integrated current sensing (ICS) and it is then compared with a user configurable set point (ITRIP). When the bridge current exceeds the setpoint, the device enforces the decay for a fixed OFF-time (tOFF). Four different decay methods are supported (Slow Decay, Fast Decay, and two Mixed Decay modes). The non-dissipative ICS eliminates the bulky external power resistors normally required for this function resulting in a dramatic space and power saving compared with mainstream applications based on the external sense resistor.A current proportional to the internally-sensed motor current is output to the external pins (ISENA, ISENB). By connecting an external resistor from these pins to GND, a voltage proportional to the motor current is generated. The voltage across this resistor can be used as inputs to ADCs of an external motor controller if motion control algorithm requires the current/torque information.In addition, one open-drain output (CDR pin) is asserted every time the internal current regulation takes control of the driver so that the activity of the internal current loop can be monitored.The maximum user configurable full-scale current (IFS_MAX) can be set up to 7.6A limited by the overcurrent protection (OCP). An external resistor connected from REF to GND sets the full-scale current (IFS) threshold. An integrated sinusoidal 4-bit DAC allows the user to dynamically modify the current regulation set-point (ITRIP) from zero to IFS. Because of thermal considerations, the recommended maximum RMS current on a standard 4-layers PCB is 4ARMS.In applications in which the requirement of maximum full-scale current is less than 3.8A and high current control accuracy is desired, the half full scale (HFS) logic input pin can be set high to halve the current rating and double the low-side FET RON. This results in better current control loop accuracy in the bottom end of the current range. The MAX22212 features overcurrent protection (OCP), thermal shutdown (TSD), and undervoltage lockout (UVLO) protection. An open-drain active low FAULT pin is activated every time a fault condition is detected. During thermal shutdown and undervoltage lockout events, the driver is disabled until normal operations are restored.The MAX22212 is available into a small TQFN32 5mm x 5mm package or in a TSSOP28 4.4mm x 9.7mm package.APPLICATIONSStepper-Motor DriverBrushed DC Motor DriverSolenoid DriverLatched Valves |
MAX2221336V, 3.8A Quad Half H-Bridge Drivers with Integrated Current Sense | Motor Drivers, Controllers | 4 | Active | The MAX22213 provides four individually controllable 36V, 3.8AMAXhalf H-bridge drivers. It can be used to drive four solenoids, two brushed DC motors, one single stepper motor, or a combination of different loads.The power FETs have very low impedance resulting in high driving efficiency and low heat generated. The typical total RON(high side plus low side) is 0.25Ω (typ). Each half bridge can be individually PWM controlled by mean of two logic inputs (DIN_, EN_).The MAX22213 integrates non-dissipative current sensing, which eliminates the bulky external power resistors normally required for this function, resulting in dramatic space and power saving compared with mainstream applications based on an external sense resistor. A current proportional to the internally-sensed load current is output to the external current-monitor pins (ISEN_). By connecting an external resistor to these pins, a voltage proportional to the motor current is generated. The voltage drop across the external resistors can be input into the controller ADC whenever the control algorithm requires the current/torque information.The maximum output current per half H-bridge is IMAX= 3.8A and is limited by the overcurrent protection (OCP) circuit. This current can be driven for very short transients and aims to effectively drive small capacitive loads.The maximum RMS current per H-bridge is IRMS= 2A assuming a 4-layer PCB at room temperature. Since this current is limited by thermal considerations, the actual maximum RMS current depends on the thermal characteristic of the application (PCB ground planes, heatsinks, forced air ventilation etc.).In applications in which the requirement of the maximum current is less than 1.5A and high-sensing accuracy is desired, the half full-scale (HFS) logic input pin can be set high to halve the current ratings and double the low-side FET RON. This results in better current-monitor accuracy in the bottom end of the current range.The MAX22213 features OCP, thermal shutdown (TSD), and undervoltage lockout (UVLO). An open-drain, active-lowFAULTpin is activated every time a fault condition is detected. During TSD and UVLO events, the driver outputs are three-stated until normal operations are restored.The MAX22213 is available into a small 5mm x 5mm, 32-pin TQFN and 4.4mm x 9.7mm, 28-pin TSSOP package.ApplicationsStepper-Motor DriverBrushed DC Motor DriverSolenoid DriverLatched Valves |
MAX22216Quad Smart Serial-Controlled Solenoid and Motor Driver with Advanced Diagnostic | Integrated Circuits (ICs) | 2 | Active | The MAX22216/MAX22217 integrate four programmable 36V half-bridges. It is primarily intended to drive inductive loads such as on-off solenoid valves, DC motors, proportional valves, bi-stable valves, relays, etc. The MAX22216 is capable of up to 3.2AFSper half-bridge, whereas the MAX22217 is capable of up to 1AFSper half-bridge. The MAX22216/MAX22217 operate from -40°C to +125°C ambient temperature.The MAX22216/MAX22217 half-bridges support two different use cases. In the first case, configuration settings can be entered through a serial peripheral interface (SPI) and can be changed at any time. Alternatively, settings can be stored in one-time programmable (OTP) registers, which are loaded at power-up. This enables stand-alone operations. Registers are user-programmable. The OTP writing procedure must be executed in a factory under well-controlled temperature and voltage conditions.High-side/low-side single-ended drive operations and bridge-tied load (BTL) configurations are supported. Channel parallelization is also supported. Voltage control, current control, and mixed schemes are supported.In voltage drive regulation mode (VDR mode), the half-bridge output voltage is controlled. Supply variations are internally compensated.In current drive regulation mode (CDR mode), the half-bridge output current is controlled. The current is internally sensed and fed back to the controller for accurate closed-loop regulation. Proportional and integral gains can be configured to optimize steady-state errors and dynamic performance.The MAX22216/MAX22217 integrate functions aimed to optimize solenoid and DC motor drive control. These include a two-level sequencer for power saving, drive signal ramp control (RAMP) for noise reduction, a dither function (DITH) to counteract the effects of static friction and hysteresis, a fast demagnetization feature (DC_H2L) to shorten on-off cycles, and a DC-Motor current limiter for limiting inrush and stall currents.Advanced diagnostic functions are available to improve system reliability and enable predictive maintenance. These include the detection of plunger movement (DPM), inductance measurement, travel time measurement, open-load detection (OL), and real-time current monitoring through a serial Interface.The MAX22216/MAX22217 feature a full set of protection circuits, including overcurrent protection (OCP), overtemperature protection (OVT), and undervoltage lockout (UVM). A fault indicator pin is asserted whenever faults are detected.The MAX22216/MAX22217 are offered in TQFN32 5mm x 5mm packages.APPLICATIONSSolenoid On-Off Valves and RelaysDC MotorsProportional ValvesBi-Stable Latching Solenoid ValvesSwitching Driver with Real-Time Current MeasurementDigital Output InterfaceElectromechanical Motor Brake |
MAX22217Quad Smart Serial-Controlled Solenoid and Motor Driver with Advanced Diagnostic | Power Management (PMIC) | 4 | Active | The MAX22216/MAX22217 integrate four programmable 36V half-bridges. It is primarily intended to drive inductive loads such as on-off solenoid valves, DC motors, proportional valves, bi-stable valves, relays, etc. The MAX22216 is capable of up to 3.2AFSper half-bridge, whereas the MAX22217 is capable of up to 1AFSper half-bridge. The MAX22216/MAX22217 operate from -40°C to +125°C ambient temperature.The MAX22216/MAX22217 half-bridges support two different use cases. In the first case, configuration settings can be entered through a serial peripheral interface (SPI) and can be changed at any time. Alternatively, settings can be stored in one-time programmable (OTP) registers, which are loaded at power-up. This enables stand-alone operations. Registers are user-programmable. The OTP writing procedure must be executed in a factory under well-controlled temperature and voltage conditions.High-side/low-side single-ended drive operations and bridge-tied load (BTL) configurations are supported. Channel parallelization is also supported. Voltage control, current control, and mixed schemes are supported.In voltage drive regulation mode (VDR mode), the half-bridge output voltage is controlled. Supply variations are internally compensated.In current drive regulation mode (CDR mode), the half-bridge output current is controlled. The current is internally sensed and fed back to the controller for accurate closed-loop regulation. Proportional and integral gains can be configured to optimize steady-state errors and dynamic performance.The MAX22216/MAX22217 integrate functions aimed to optimize solenoid and DC motor drive control. These include a two-level sequencer for power saving, drive signal ramp control (RAMP) for noise reduction, a dither function (DITH) to counteract the effects of static friction and hysteresis, a fast demagnetization feature (DC_H2L) to shorten on-off cycles, and a DC-Motor current limiter for limiting inrush and stall currents.Advanced diagnostic functions are available to improve system reliability and enable predictive maintenance. These include the detection of plunger movement (DPM), inductance measurement, travel time measurement, open-load detection (OL), and real-time current monitoring through a serial Interface.The MAX22216/MAX22217 feature a full set of protection circuits, including overcurrent protection (OCP), overtemperature protection (OVT), and undervoltage lockout (UVM). A fault indicator pin is asserted whenever faults are detected.The MAX22216/MAX22217 are offered in TQFN32 5mm x 5mm packages.APPLICATIONSSolenoid On-Off Valves and RelaysDC MotorsProportional ValvesBi-Stable Latching Solenoid ValvesSwitching Driver with Real-Time Current MeasurementDigital Output InterfaceElectromechanical Motor Brake |
| Evaluation Boards | 3 | Active | ||
| Digital Isolators | 6 | Active | ||