A
Analog Devices Inc./Maxim Integrated
| Series | Category | # Parts | Status | Description |
|---|---|---|---|---|
| Part | Spec A | Spec B | Spec C | Spec D | Description |
|---|---|---|---|---|---|
| Series | Category | # Parts | Status | Description |
|---|---|---|---|---|
| Part | Spec A | Spec B | Spec C | Spec D | Description |
|---|---|---|---|---|---|
| Part | Category | Description |
|---|---|---|
Analog Devices Inc./Maxim Integrated LTC1879EGN#TRUnknown | Integrated Circuits (ICs) | IC REG BUCK ADJ 1.2A 16SSOP |
Analog Devices Inc./Maxim Integrated LTC2208CUP#TRUnknown | Integrated Circuits (ICs) | IC ADC 16BIT 130MSPS 64-QFN |
Analog Devices Inc./Maxim Integrated ADP2108ACBZ-1.1-R7Obsolete | Integrated Circuits (ICs) | IC REG BUCK 1.1V 600MA 5WLCSP |
Analog Devices Inc./Maxim Integrated EV1HMC832ALP6GObsolete | Development Boards Kits Programmers | EVAL BOARD FOR HMC832ALP6GE |
Analog Devices Inc./Maxim Integrated LTC488ISWUnknown | Integrated Circuits (ICs) | IC LINE RCVR RS485 QUAD 16-SOIC |
Analog Devices Inc./Maxim Integrated LTC6946IUFD-2Obsolete | Integrated Circuits (ICs) | IC CLK/FREQ SYNTH 28QFN |
Analog Devices Inc./Maxim Integrated MAX5556ESA+TObsolete | Integrated Circuits (ICs) | IC DAC/AUDIO 16BIT 50K 8SOIC |
Analog Devices Inc./Maxim Integrated EVAL-FLTR-LD-1RZUnknown | Unclassified | EVAL BRD FOR AD800 SERIES |
Analog Devices Inc./Maxim Integrated | Development Boards Kits Programmers | BOARD EVAL FOR AD9963 |
Analog Devices Inc./Maxim Integrated LTC1296CCSW#TRUnknown | Integrated Circuits (ICs) | IC DATA ACQ SYS 12BIT 5V 20SOIC |
| Series | Category | # Parts | Status | Description |
|---|---|---|---|---|
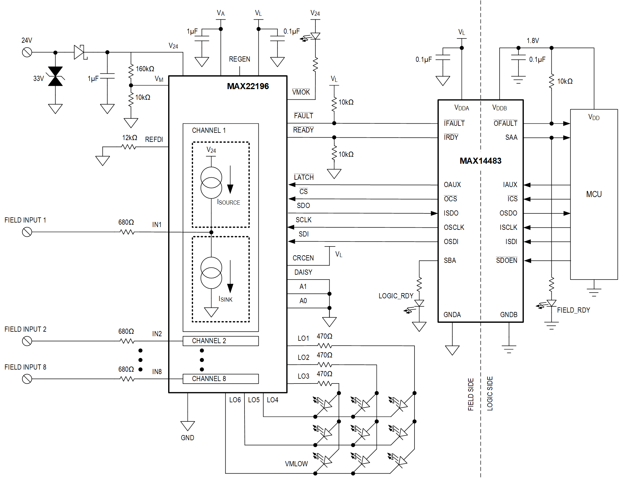
MAX22196Octal Industrial Sink/Source Digital Input | Specialized ICs | 2 | Active | The MAX22196 is an industrial octal digital input that translates eight industrial 24V or TTL level inputs to logic level outputs. The device has a serial interface allowing configuration and reading of serialized data through SPI.The input channels are individually configurable as sinking (p-type) or sourcing (n-type) inputs. Current limiters on each digital input minimize power dissipation while ensuring compliance with the IEC 61131-2 standard. With a single current-setting resistor, the inputs are individually configurable for Type 1/3, Type 2, TTL or HTL (high-impedance 24V levels). The current sinks or sources can be individually disabled.Every input channel has a programmable glitch/debounce filter, and every input channel has an optional 16-bit down-counter.The MAX22196 can be powered from a field supply from 8V up to 36V for sink/source operation and has an integrated 5V linear regulator that can provide up to 20mA of load current.APPLICATIONSProgrammable Logic ControllersFactory AutomationProcess Control |
| Interface | 3 | Active | ||
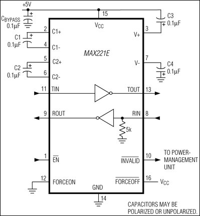
MAX221E±15kV ESD-Protected, +5V, 1µA, Single RS-232 Transceiver with AutoShutdown | Integrated Circuits (ICs) | 1 | Active | The MAX221E is a +5V powered, single transmit/receive RS-232 and V.28 communications interface with automatic shutdown/wake-up features and high data rate capabilities.The MAX221E features enhanced electrostatic discharge (ESD) protection. Both the transmitter output and receiver input are protected to ±15kV using the IEC 1000-4-2 Air-Gap Discharge Method, to ±8kV using the IEC 1000-4-2 Contact Discharge Method, and to ±15kV using the Human Body Model.The MAX221E achieves a low 1µA supply current with Maxim's revolutionary AutoShutdown™ feature. AutoShutdown saves power without changes to the existing BIOS or operating system by entering low-power shutdown mode when the RS-232 cable is disconnected or when the transmitter of the connected peripheral is off. The MAX221E wakes up and drives the active-low INVALID pin high when an active RS-232 cable is connected, signaling the host that a peripheral is connected to the communications port.The MAX221E is available in a 16-pin SSOP package as well as a 16-pin TSSOP that uses 50% less board space than a 16-pin SO.ApplicationsIndustrial SystemsMaintenance/Diagnostic PortsSet-Top BoxesTelecommunications |
MAX222+5V-Powered, Multichannel RS-232 Drivers/Receivers | Drivers, Receivers, Transceivers | 11 | Active | The MAX220–MAX249 family of line drivers/receivers is intended for all EIA/TIA-232E and V.28/V.24 communications interfaces, particularly applications where ±12V is not available..The MAX225, MAX233, MAX235, and MAX245/MAX246/MAX247 use no external components and are recommended for applications where printed circuit board space is critical.The MAX220–MAX249 are offered in 26 different packages with temperatures from 0 to +70°C up to -55°C to +125°C. See ordering information table at the end of the data sheet for all package and temperature options.ApplicationsInterface TranslationMultidrop RS-232 NetworksPortable Diagnostics Equipment |
MAX2220036V, 1A Octal Integrated Serial-Controlled Solenoid and Motor Driver | Power Management (PMIC) | 2 | Active | The MAX22200 is an octal 36V serial-controlled solenoid driver. Each channel features a low impedance (200mΩ typ) push-pull output stage with sink-and-source driving capability and up to 1ARMSdriving current. A serial interface (SPI) that also supports daisy-chain configurations is provided to individually control each channel.The device half-bridges can be configured as low-side drivers or as high-side drivers. Moreover, pairs of halfbridges can be paralleled to double the driving current or can be configured as full-bridges to drive up to four latched valves (bi-stable valves) or four brushed DC motors.Two control methods are supported: voltage drive regulation (VDR) and current drive regulation (CDR). In VDR, the device outputs a PWM voltage in which the duty cycle is programmed using SPI. For a given supply voltage and solenoid resistor, the output current is proportional to the programmed duty cycle. In CDR, an internal integrated lossless current sensing (ICS) circuit senses the output current and compares it with an internal programmable reference current.For optimal power management in solenoid drive applications, the excitation drive level (IHIT), the hold drive level (IHOLD), and the excitation drive time (tHIT) can be individually configured for each channel.The MAX22200 features a full set of protections and diagnostic functions. This includes overcurrent protection (OCP), thermal shutdown (TSD), undervoltage Lockout (UVLO), open-load detection (OL), and detection of plunger movement (DPM). A fault indication pin (active-low FAULT) signals fault events and diagnostic information is stored in the FAULT register.Due to the flexibility of use, the serial interface control, the high efficiency, and the small package, the MAX22200 is particularly well-suited for solenoid driver applications (valve control, relays control etc.) in which low power consumption and high level of integration are required.The MAX22200 is available in a compact 5mm x 5mm, 32-pin TQFN package and operates over the temperature -40°C to +85°C range.ApplicationsRelays DriverSolenoid, Valves, Electromagnetic DriversGeneric Low-Side and High-Side Switch ApplicationsLatched (Bi-Stable) Solenoid Valve DriversBrushed DC Motor Driver |
| Power Management (PMIC) | 2 | Active | ||
| Integrated Circuits (ICs) | 2 | Active | ||
| Integrated Circuits (ICs) | 4 | Active | ||
MAX2220465V, 3.8A Stepper Motor Driver with Integrated Current-Sense and 128 Usteps Indexer | Power Management (PMIC) | 3 | Active | The MAX22204 is a two-phase stepper motor driver. It integrates two 65V, 3.8AMAXH-Bridges. The H-Bridge FETs have very low impedance, resulting in high driving efficiency and minimal heat. The typical total RON(high- side + low-side) is 0.3Ω. The MAX22204 integrates an accurate current drive regulation circuit and a 128-microstep built-in indexer controlled by a STEP/DIR interface. The high microstep resolution and advanced control technique ensure smooth and quiet operations.The current flowing into the two low-side FETs is sensed by a non-dissipative Integrated Current Sensing (ICS) and it is then compared with the desired step threshold current. As soon as the bridge current exceeds the threshold (ITRIP), the device enforces the decay for a fixed OFF-time (tOFF).The non-dissipative ICS eliminates the bulky external power resistors normally required for this function, resulting in a dramatic space and power saving compared with mainstream applications based on the external sense resistor. Currents proportional to the internally-sensed bridge currents are output to pins ISENA and ISENB. By connecting external resistors to these pins, voltages proportional to the bridge currents are generated. These can be used for diagnostic purposes.The maximum output current per H-Bridge is IMAX= 3.8AMAXlimited by the Overcurrent Protection (OCP). The device delivers up to 2ARMSper phase at VM= +24V and TA= 25°C with proper PCB ground plane for thermal dissipation. The current capability depends on the PCB thermal characteristic (PCB ground planes, heatsinks, ventilation, etc.). The maximum full-scale current per H-Bridge is IFS= 2.8A and can be set by an external resistor connected from the REF pin to GND. This current is defined as the maximum current setting of the integrated drive regulation circuit.One logic input (TRQ) allows to quickly change the current setting among two different values for fast torque control.The MAX22204 features Overcurrent Protection (OCP), Thermal Shutdown (TSD), and Undervoltage Lockout (UVLO). An open drain active lowFAULTpin is activated every time a fault condition is detected. During Thermal Shutdown and Undervoltage Lockout, the driver is dis- abled until normal operating conditions are restored.The MAX22204 is packaged into a small TQFN38 5mm x 7mm and TSSOP38 9.7mm x 4.4mm packages. |
MAX2220565V, 7.6A High Current Single H-Bridge with Integrated Current Sense | Integrated Circuits (ICs) | 4 | Active | The MAX22205 integrates a high current 65V, 7.6AMAXH-Bridge to drive one Brushed DC motor or one half Stepper motor. The H-Bridge FETs feature very low impedance, resulting in high driving efficiency and low heat. The typical total RON(high-side + low-side) is 0.15Ω. The H-Bridge can be PWM controlled by two logic inputs (DINA, DINB). A third Enable (EN) logic input can be used to configure the outputs to high impedance for coasting the motor.The MAX22205 features an accurate optional Current Drive Regulation (CDR), which can be used to limit the start up current of a Brushed DC motor or control the phase current for stepper operation. The bridge output current is sensed by a non-dissipative Integrated Current Sensing (ICS) and it is then compared with the desired threshold current. As soon as the bridge current exceeds the threshold (ITRIP), the device enforces the decay for a fixed OFF-time (tOFF). The non-dissipative ICS eliminates the bulky external power resistors normally required for this function, resulting in a dramatic space and power saving compared with mainstream applications based on the external sense resistor. A current proportional to the internally-sensed motor current is output to the analog pins (ISENA, ISENB) to monitor current. Also, one open-drain output (CDR pin) is asserted every time the internal current regulation is taking control of the driver so that the activity of the internal current loop can be monitored.The maximum output current per H-Bridge is IMAX= 7.6AMAXlimited by the Overcurrent Protection (OCP). The device delivers up to 4ARMS at VM = +24V and TA= 25°C with proper PCB ground plane for thermal dissipation. The current capability depends on the PCB thermal characteristic (PCB ground planes, heatsinks, ventilation, etc.).The MAX22205 features Overcurrent Protection (OCP), Thermal Shutdown (TSD), and Undervoltage Lockout (UVLO). An open-drain active lowFAULTpin is activated every time a fault condition is detected. During Thermal Shutdown and Undervoltage Lockout, all the channels are disabled until normal operating conditions are restored.The MAX22205 is packaged into a small TQFN38 5mm x 7mm and TSSOP38 9.7mm x 4.4mm packages.ApplicationsBrushed DC Motor DriverLatched ValvesSolenoid DriverStepper Motor Driver |