A
Analog Devices Inc./Maxim Integrated
| Series | Category | # Parts | Status | Description |
|---|---|---|---|---|
| Part | Spec A | Spec B | Spec C | Spec D | Description |
|---|---|---|---|---|---|
| Series | Category | # Parts | Status | Description |
|---|---|---|---|---|
| Part | Spec A | Spec B | Spec C | Spec D | Description |
|---|---|---|---|---|---|
| Part | Category | Description |
|---|---|---|
Analog Devices Inc./Maxim Integrated LTC1879EGN#TRUnknown | Integrated Circuits (ICs) | IC REG BUCK ADJ 1.2A 16SSOP |
Analog Devices Inc./Maxim Integrated LTC2208CUP#TRUnknown | Integrated Circuits (ICs) | IC ADC 16BIT 130MSPS 64-QFN |
Analog Devices Inc./Maxim Integrated ADP2108ACBZ-1.1-R7Obsolete | Integrated Circuits (ICs) | IC REG BUCK 1.1V 600MA 5WLCSP |
Analog Devices Inc./Maxim Integrated EV1HMC832ALP6GObsolete | Development Boards Kits Programmers | EVAL BOARD FOR HMC832ALP6GE |
Analog Devices Inc./Maxim Integrated LTC488ISWUnknown | Integrated Circuits (ICs) | IC LINE RCVR RS485 QUAD 16-SOIC |
Analog Devices Inc./Maxim Integrated LTC6946IUFD-2Obsolete | Integrated Circuits (ICs) | IC CLK/FREQ SYNTH 28QFN |
Analog Devices Inc./Maxim Integrated MAX5556ESA+TObsolete | Integrated Circuits (ICs) | IC DAC/AUDIO 16BIT 50K 8SOIC |
Analog Devices Inc./Maxim Integrated EVAL-FLTR-LD-1RZUnknown | Unclassified | EVAL BRD FOR AD800 SERIES |
Analog Devices Inc./Maxim Integrated | Development Boards Kits Programmers | BOARD EVAL FOR AD9963 |
Analog Devices Inc./Maxim Integrated LTC1296CCSW#TRUnknown | Integrated Circuits (ICs) | IC DATA ACQ SYS 12BIT 5V 20SOIC |
| Series | Category | # Parts | Status | Description |
|---|---|---|---|---|
| Battery Chargers | 5 | Active | ||
| Development Boards, Kits, Programmers | 5 | Active | ||
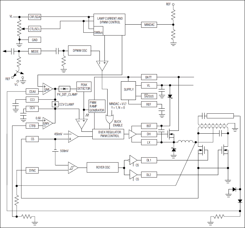
MAX1739Wide-Brightness-Range CCFL Backlight Controllers | Integrated Circuits (ICs) | 3 | Active | The MAX1739/MAX1839 fully integrated controllers are optimized to drive cold-cathode fluorescent lamps (CCFLs) using the industry-proven Royer oscillator inverter architecture. The Royer architecture provides near sinusoidal drive waveforms over the entire input range to maximize the life of CCFLs. The MAX1739/MAX1839 optimize this architecture to work over a wide input voltage range, achieve high efficiency, and maximize the dimming range.The MAX1739/MAX1839 monitor and limit the transformer center-tap voltage when required. This ensures minimal voltage stress on the transformer, which increases the operating life of the transformer and eases its design requirements. These controllers also provide protection against many other fault conditions, including lamp-out and buck short faults.These controllers achieve 50:1 dimming range by simultaneously adjusting lamp current and "chopping" the CCFL on and off using a digitally adjusted pulse-width modulated (DPWM) method. CCFL brightness is controlled by an analog voltage or is set with an SMBus™-compatible two-wire interface (MAX1739).The MAX1739/MAX1839 drive an external high-side N-channel power MOSFET and two low-side N-channel power MOSFETs, all synchronized to the Royer oscillator. An internal 5.3V linear regulator powers the MOSFET drivers and most of the internal circuitry. The MAX1739/MAX1839 are available in space-saving 20-pin QSOP packages and operate over the -40°C to +85°C temperature range.ApplicationsLCD DisplaysPalmtop Computers |
MAX174SIM/Smart-Card Level Translators in µMAX | Specialized | 21 | Active | The MAX1740/MAX1741 subscriber identity module (SIM)/smart card level translators provide level shifting and electrostatic discharge (ESD) protection for SIM and smart card ports. These devices integrate two unidirectional level shifters for the reset and clock signals, a bidirectional level shifter for the serial data stream, and ±10kV ESD protection on all card contacts.The MAX1740 includes a SHDN-bar control input to aid insertion and removal of SIM and smart cards, while the MAX1741 includes a system-side data driver to support system controllers without open-drain outputs. The logic supply voltage range is +1.425V to +5.5V for the "controller side" and +2.25V to +5.5V for the "card side". Total supply current is 2.5µA max. Both devices automatically shut down when either power supply is removed. For a complete SIM-card interface, combine the MAX1740/MAX1741 with the MAX1686H 0V/3V/5V regulated charge pump.The MAX1740/MAX1741 are available in ultra-small 10-pin µMAX packages that are only 1.09mm high and half the area of an 8-pin SO.The MAX1740/MAX1741 are compliant with GSM test specifications 11.11 and 11.12.ApplicationsLogic-Level TranslationSIM Interface in GSM Cellular TelephonesSmart Card ReadersSPI™, QSPI™, and MICROWIRE™ Level Translation |
| Interface | 3 | Obsolete | ||
| DC DC Switching Controllers | 1 | Obsolete | ||
| Integrated Circuits (ICs) | 2 | Obsolete | ||
| Development Boards, Kits, Programmers | 3 | Obsolete | ||
| Power Management - Specialized | 1 | Obsolete | ||
| Specialized | 2 | Obsolete | ||