A
Analog Devices Inc./Maxim Integrated
| Series | Category | # Parts | Status | Description |
|---|---|---|---|---|
| Part | Spec A | Spec B | Spec C | Spec D | Description |
|---|---|---|---|---|---|
| Series | Category | # Parts | Status | Description |
|---|---|---|---|---|
| Part | Spec A | Spec B | Spec C | Spec D | Description |
|---|---|---|---|---|---|
| Part | Category | Description |
|---|---|---|
Analog Devices Inc./Maxim Integrated LTC1879EGN#TRUnknown | Integrated Circuits (ICs) | IC REG BUCK ADJ 1.2A 16SSOP |
Analog Devices Inc./Maxim Integrated LTC2208CUP#TRUnknown | Integrated Circuits (ICs) | IC ADC 16BIT 130MSPS 64-QFN |
Analog Devices Inc./Maxim Integrated ADP2108ACBZ-1.1-R7Obsolete | Integrated Circuits (ICs) | IC REG BUCK 1.1V 600MA 5WLCSP |
Analog Devices Inc./Maxim Integrated EV1HMC832ALP6GObsolete | Development Boards Kits Programmers | EVAL BOARD FOR HMC832ALP6GE |
Analog Devices Inc./Maxim Integrated LTC488ISWUnknown | Integrated Circuits (ICs) | IC LINE RCVR RS485 QUAD 16-SOIC |
Analog Devices Inc./Maxim Integrated LTC6946IUFD-2Obsolete | Integrated Circuits (ICs) | IC CLK/FREQ SYNTH 28QFN |
Analog Devices Inc./Maxim Integrated MAX5556ESA+TObsolete | Integrated Circuits (ICs) | IC DAC/AUDIO 16BIT 50K 8SOIC |
Analog Devices Inc./Maxim Integrated EVAL-FLTR-LD-1RZUnknown | Unclassified | EVAL BRD FOR AD800 SERIES |
Analog Devices Inc./Maxim Integrated | Development Boards Kits Programmers | BOARD EVAL FOR AD9963 |
Analog Devices Inc./Maxim Integrated LTC1296CCSW#TRUnknown | Integrated Circuits (ICs) | IC DATA ACQ SYS 12BIT 5V 20SOIC |
| Series | Category | # Parts | Status | Description |
|---|---|---|---|---|
| Power Management - Specialized | 2 | Obsolete | ||
| Power Management - Specialized | 2 | Obsolete | ||
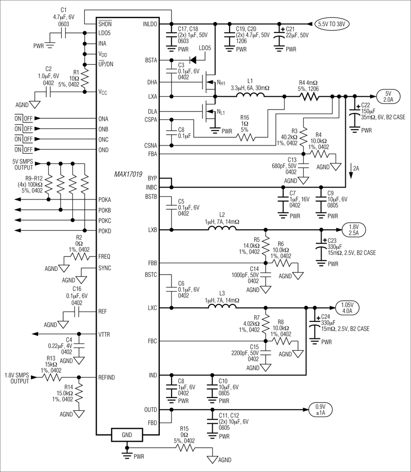
MAX17020Dual Quick-PWM Step-Down Controller with Low-Power LDO, RTC Regulator | Power Management (PMIC) | 4 | Active | The MAX17020 is a dual Quick-PWM™ step-down power-supply (SMPS) controller with synchronous rectification, intended for main 5V/3.3V or I/O 1.5V/1.05V power generation in battery-powered systems. Lowside MOSFET sensing provides a simple low-cost, highly efficient current sense for valley current-limit protection. Combined with the output overvoltage and undervoltage protection features, this current limit ensures robust output supplies.The 5V/3.3V or 1.5V/1.05V SMPS outputs can save power by operating in pulse-skipping mode or in ultrasonic mode to avoid audible noise. Ultrasonic mode forces the controller to maintain switching frequencies greater than 20kHz at light loads.An internal 100mA linear regulator can be used to either generate the 5V bias needed for power-up or other lower power "always-on" suspend supplies. An independent bypass input allows automatic bypassing of the linear regulator when the SMPS is active.This main controller also includes a secondary feedback input that triggers an ultrasonic pulse (DL1 turned on) if the SECFB voltage drops below its threshold voltage. This refreshes an external charge pump driven by DL1 without overcharging the output voltage.The device includes independent shutdown controls to simplify power-up and power-down sequencing. To prevent current surges at startup, the internal voltage target is slowly ramped up from zero to the final target over a 1ms period. To prevent the output from ringing below ground in shutdown, the internal voltage target is ramped down from its previous value to zero over a 1ms period. Two independent power-good outputs simplify the interface with external controllers.The MAX17020 is a pin-for-pin replacement of the MAX8778.ApplicationsDDR1, DDR2, DDR3 Power SuppliesGame ConsolesGraphic CardsI/O System Supply (1.5V and 1.05V Supplies)Low-Power I/O and Chipset SuppliesMain System Supply (5V and 3.3V Supplies)Notebook ComputersPDAs and Mobile CommunicatorsTelecommunicationTwo to Four Li+ Cells Battery-Powered Devices |
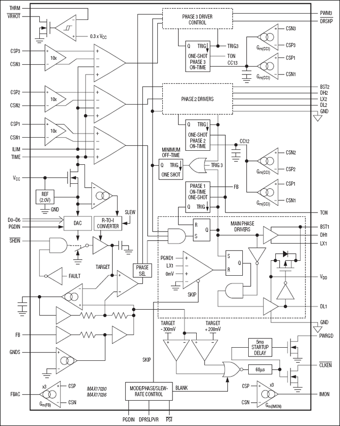
MAX17021Dual-Phase, Quick-PWM Controllers for IMVP-6+/IMVP-6.5 CPU Core Power Supplies | Integrated Circuits (ICs) | 2 | Obsolete | The MAX17021/MAX17082/MAX17482 are 2/1-phase-interleaved Quick-PWM™ step-down VID power-supply controllers for notebook CPUs. True out-of-phase operation reduces input ripple current requirements and output- voltage ripple, while easing component selection and layout difficulties. The Quick-PWM control provides instantaneous response to fast load-current steps. Active voltage positioning reduces power dissipation and bulk output capacitance requirements and allows ideal positioning compensation for tantalum, polymer, or ceramic bulk output capacitors.A slew-rate controller allows controlled transitions between VID codes, controlled soft-start and shutdown, and controlled exit from suspend. A thermistor-based temperature sensor provides a programmable thermal-fault output (active-low VRHOT). A current monitor output (IMON) provides an analog current output proportional to the power consumed by the CPU (MAX17082/MAX17482 only). Output undervoltage, overvoltage (MAX17021/MAX17082 only), and thermal protection shut the controller down when any of these faults are detected. A voltage-regulator power-OK (PWRGD) output indicates the output is in regulation. Additionally, the MAX17021/MAX17082/MAX17482 feature true differential current sense and a phase-good (PHASEGD) output that indicates a phase imbalance fault condition.The MAX17021 supports the IMVP-6+ specification while the MAX17082/MAX17482 support the IMVP-6.5 requirements. The MAX17021/MAX17082/MAX17482 are available in a 5mm x 5mm, 40-pin TQFN package.ApplicationsBlade ServersIMVP-6+/IMVP-6.5 Core SupplyMultiphase CPU Core SupplyNotebook/Desktop ComputersVoltage-Positioned, Step-Down Converters |
| Power Management (PMIC) | 1 | Obsolete | ||
| Power Management (PMIC) | 1 | Obsolete | ||
MAX17024Single Quick-PWM Step-Down Controller with Dynamic REFIN | Power Management (PMIC) | 1 | Active | The MAX17024 pulse-width modulation (PWM) controller provides high efficiency, excellent transient response, and high DC-output accuracy needed for stepping down high-voltage batteries to generate low-voltage core or chipset/RAM bias supplies in notebook computers. The output voltage can be controlled using the dynamic REFIN, which supports input voltages between 0 to 2V. The REFIN adjustability combined with a resistive voltage-divider on the feedback input allows the MAX17024 to be configured for any output voltage between 0 to 0.9 x VIN.Maxim's proprietary Quick-PWM™ quick-response, constant-on-time PWM control scheme handles wide input/output voltage ratios (low-duty-cycle applications) with ease and provides 100ns "instant-on" response to load transients while maintaining a relatively constant switching frequency. Strong drivers allow the MAX17024 to efficiently drive large synchronous-rectifier MOSFETs.The controller senses the current across the sense resistor series with the synchronous rectifier to achieve highly accurate valley current-limit protection.The MAX17024 includes a voltage-controlled soft-start and soft-shutdown to limit the input surge current, provide a monotonic power-up (even into a precharged output), and provide a predictable power-up time. The controller also includes output undervoltage and thermal-fault protection.The MAX17024 is available in a tiny 14-pin, 3mm x 3mm TDFN package. For space-constrained applications, refer to the MAX17016 single step-down with 26V internal MOSFETs capable of supporting 10A continuous load. The MAX17016 is available in a small 40-pin, 6mm x 6mm TQFN package.ApplicationsDDR Memory-VDDQ or VTTGPU Core SupplyI/O and Chipset SuppliesNotebook ComputersPoint-of-Load ApplicationsStep-Down Power Supply |
MAX170281-Phase Quick-PWM Intel IMVP-6.5/GMCH Controllers | Integrated Circuits (ICs) | 4 | Active | The MAX17028/MAX17428 are 1-phase Quick-PWM™ step-down VID power-supply controllers for Intel® notebook CPUs. The Quick-PWM control provides instantaneous response to fast load current steps. Active voltage positioning reduces power dissipation and bulk output capacitance requirements and allows ideal positioning compensation for tantalum, polymer, or ceramic bulk output capacitors.The MAX17028/MAX17428 are intended for two different notebook CPU/GPU core applications: either bucking down the battery directly to create the core voltage, or else bucking down the +5V system supply. The single-stage conversion method allows these devices to directly step down high-voltage batteries for the highest possible efficiency. Alternatively, 2-stage conversion (stepping down the +5V system supply instead of the battery) at higher switching frequency provides the minimum possible physical size.A slew-rate controller allows controlled transitions between VID codes. A thermistor-based temperature sensor provides programmable thermal protection. A current monitor provides an analog output current proportional to the processor load current.The MAX17028/MAX17428 implement both the Intel IMVP-6.5 CPU core specifications (V3P3 = 3.3V), as well as the Intel GMCH graphics core specifications (V3P3 = GND). The MAX17028/MAX17428 are available in a 32-pin, 5mm x 5mm, TQFN package.Applications1-to-4 Lithium-Ion (Li+) Cell Battery-to-CPU CoreGraphics Core Power SupplyIMVP-6.5 Core Power SupplyIntel Calpella PlatformsIntel GMCH 2009Notebooks/Desktops/ServersSupply ConvertersVoltage-Positioned Step-Down Converters |
| Voltage Regulators - DC DC Switching Regulators | 3 | Active | ||
MAX170301/2/3-Phase Quick-PWM IMVP-6.5 VID Controllers | Evaluation Boards | 3 | Active | The MAX17030/MAX17036 are 3/2-phase interleaved Quick-PWM™ step-down VID power-supply controllers for IMVP-6.5 notebook CPUs. Two integrated drivers and the option to drive a third phase using an external driver such as the MAX8791 allow for a flexible 3/2-phase configuration depending on the CPU being supported.True out-of-phase operation reduces input ripple-current requirements and output-voltage ripple while easing component selection and layout difficulties. The Quick-PWM control provides instantaneous response to fast load-current steps. Active voltage positioning reduces power dissipation and bulk output capacitance requirements and allows ideal positioning compensation for tantalum, polymer, or ceramic bulk output capacitors.The MAX17030/MAX17036 are intended for bucking down the battery directly to create the core voltage. The single-stage conversion method allows this device to directly step down high-voltage batteries for the highest possible efficiency.A slew-rate controller allows controlled transitions between VID codes. A thermistor-based temperature sensor provides programmable thermal protection. An output current monitor provides an analog current output proportional to the sum of the inductor currents, which in steady state is the same as the current consumed by the CPU.Applications3 to 4 Li+ Cells Battery to CPU Core Supply ConvertersHigh-Current Voltage-Positioned Step-Down ConvertersIMVP-6.5 SV and XE Core Power SuppliesNotebooks/Desktops/Servers |