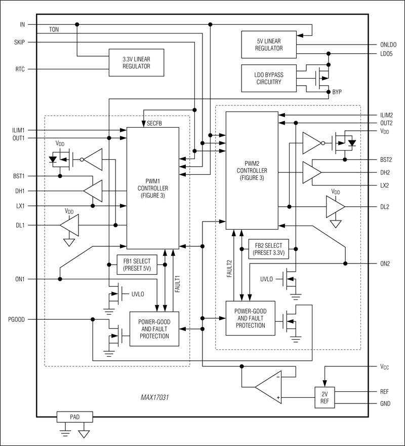
MAX17031Dual Quick-PWM, Step-Down Controller with Low-Power LDO and RTC Regulator for MAIN Supplies | Power Management (PMIC) | 2 | Active | The MAX17031 is a dual Quick-PWM™ step-down power-supply (SMPS) controller with synchronous rectification, intended for main 5V/3.3V power generation in battery-powered systems. Low-side MOSFET sensing provides a simple low-cost, highly efficient current sense for valley current-limit protection. Combined with the output overvoltage and undervoltage protection features, this current limit ensures robust output supplies.The 5V/3.3V SMPS outputs can save power by operating in pulse-skipping mode or in ultrasonic mode to avoid audible noise. Ultrasonic mode forces the controller to maintain switching frequencies greater than 20kHz at light loads. The SKIP input also has an accurate logic threshold, allowing it to be used as a secondary feedback input to refresh an external charge pump or secondary winding without overcharging the output voltages.An internal 100mA linear regulator generates the 5V bias needed for power-up or other low-power "always-on" suspend supplies. An internal bypass circuitry allows automatic bypassing of the linear regulator when the 5V SMPS is active.The device includes independent shutdown controls with well-defined logic thresholds to simplify power-up and power-down sequencing. To prevent current surges at startup, the internal voltage target is slowly ramped up from zero to the final target over a 1ms period. To prevent the output from ringing below ground in shutdown, the internal voltage target is ramped down from its previous value to zero over a 1ms period. A combined power-good (PGOOD) output simplifies the interface with external controllers. The MAX17031 is available in a 24-pin thin QFN (4mm x 4mm) package.Applications2 to 4 Li+ Cells Battery-Powered DevicesMain System Supply (5V and 3.3V Supplies)Notebook ComputersTelecommunicationUltra-Mobile PC |
MAX17033Dual-Phase, Quick-PWM Controllers for IMVP6+/IMVP6.5 | Special Purpose Regulators | 1 | Unknown | Dual-Phase, Quick-PWM Controllers for IMVP6+/IMVP6.5 |
MAX17034Dual-Phase, Quick-PWM Controllers for IMVP6+/IMVP6.5 | Power Management (PMIC) | 1 | Unknown | Dual-Phase, Quick-PWM Controllers for IMVP6+/IMVP6.5 |
| Power Management (PMIC) | 2 | Obsolete | |
| Special Purpose Regulators | 2 | Obsolete | |
MAX17039Dual-Output, 3-Phase + 1-Phase Quick-PWM Controller for VR12/IMVP7 | Power Management (PMIC) | 2 | Active | The MAX17039 is a dual-output, step-down, constant-on-time controller for VR12/IMVP7 CPU core supplies. The controller consists of two high-current-switching power supplies for the CPU and GPU cores. The CPU regulator (regulator A) is a three-phase constant-on-time architecture. The optional third phase is configured with an external MAX17491 driver. The second GPU regulator (regulator B) is also a constant-on-time architecture with only single phase.Both regulators A and B include true differential voltage and current sensing to improve load-line and current-limit accuracy. Switching frequencies are independently programmable, allowing 100kHz to 600kHz per phase operation. Output overvoltage protection (OVP), undervoltage protection (UVP), and thermal protection ensure effective and highly reliable operation. When any of these protection features detect a fault, the controller shuts down both channels.Regulator A includes transient-phase overlap, which speeds up the response time, reducing the total output capacitance. It also includes active overshoot suppression to further reduce the required output decoupling capacitance.The CPU and GPU outputs are controlled independently by writing the appropriate data into a function mapped register file. A slew-rate controller allows controlled transitions between VID codes with controlled soft-start. The SVID interface also allows each regulator to be individually set into a low-power pulse-skipping state. Individual phases can be shut down based on the processors’ operating conditions to optimize efficiency. The MAX17039 is available in a lead-free, 56-pin, 7mm x 7mm TQFN package.ApplicationsNotebooks/Desktops/ServersVoltage-Positioned Step-Down ConvertersVR12/IMVP7 CPU Core Power Supplies |
MAX170401-Cell/2-Cell Fuel Gauge with ModelGauge | Integrated Circuits (ICs) | 4 | Active | The MAX17040/MAX17041 are ultra-compact, low-cost, host-side fuel-gauge systems for lithium-ion (Li+) batteries in handheld and portable equipment. The MAX17040 is configured to operate with a single lithium cell and the MAX17041 is configured for a dual-cell 2S pack.The MAX17040/MAX17041 use a sophisticated Li+ battery-modeling scheme, called ModelGauge™ to track the battery's relative state-of-charge (SOC) continuously over a widely varying charge/discharge profile. Unlike traditional fuel gauges, the ModelGauge algorithm eliminates the need for battery relearn cycles and an external current-sense resistor. Temperature compensation is possible in the application with minimal interaction between a µC and the device.The IC can be located on the system side, reducing cost and supply chain constraints on the battery. Measurement and estimated capacity data sets are accessed through an I²C interface. The MAX17040/MAX17041 are available in either a 0.4mm pitch 9-bump UCSP™ or 2mm x 3mm, 8-pin TDFN lead-free package.ApplicationsDigital Still, Video, and Action CamerasHandheld Computers and TerminalsHealth and Fitness MonitorsMedical DevicesSmartphones, TabletsWireless Speakers |
| Battery Management | 4 | Active | |
| Integrated Circuits (ICs) | 2 | Obsolete | |
MAX170431-Cell/2-Cell Fuel Gauge with ModelGauge and Low-Battery Alert | Battery Management | 6 | Active | The MAX17043/MAX17044 are ultra-compact, low-cost, host-side fuel-gauge systems for lithium-ion (Li+) batteries in handheld and portable equipment. The MAX17043 is configured to operate with a single lithium cell and the MAX17044 is configured for a dual-cell 2S pack.The MAX17043/MAX17044 use a sophisticated Li+ battery-modeling scheme, called ModelGauge™ to track the battery's relative state-of-charge (SOC) continuously over a widely varying charge/discharge profile. Unlike traditional fuel gauges, the ModelGauge algorithm eliminates the need for battery relearn cycles and an external current-sense resistor. Temperature compensation is possible in the application with minimal interaction between a µC and the device.The IC can be located on the system side, reducing cost and supply chain constraints on the battery. Measurement and estimated capacity data sets are accessed through an I2C interface. The MAX17043/MAX17044 are available in either a 0.4mm pitch 9-bump UCSP™ or 2mm x 3mm, 8-pin TDFN lead-free package.ApplicationsDigital Still, Video, and Action CamerasHandheld Computers and TerminalsHealth and Fitness MonitorsSmartphones, TabletsWireless Speakers |